Не гравер, но маленький фрезер. Ужо всё.

Тяжелые фрезерные станки по металлу.
Аватара пользователя
nERV
Мастер
Сообщения: 1519
Зарегистрирован: 27 сен 2013, 19:00
Репутация: 624
Настоящее имя: Александр
Откуда: Ульяновск
Контактная информация:

Re: Не гравер, но маленький фрезер. В процессе.

Сообщение nERV »

Сегодня прям день радостей.
Изготовились опоры винтов, пратрон цанговый.
Практически доделал основание под ось Y. Скрепил ребра жесткости с плитой посредством эпоксидного клея, затем стянул дополнительно винтами М5, по 6шт на сторону.
Прикрутил рельсу, пока просто пристучав ее к опорной поверхности. Непараллельность этих самых поверхностей после ЧПУ обработки оказалась 5 соток по длине. Достаточно, или стоит пошабрить?
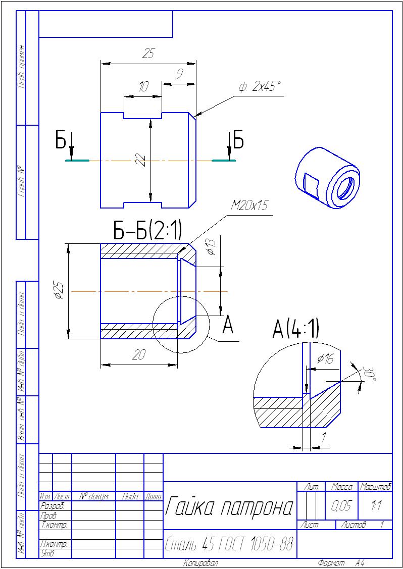
За патрон переживал больше всего, чертил его даже не имея на руках цанги, по эскизам из интернета. Но получилось очень даже хорошо, цанга вставляется и цепляется за гайку, все отлично зажимается. Прикрутил все к мотору, каких либо вибраций не прибавилось. Единственно что, индикатором еще не обкатывал, попробую завтра, но станочники обещали делать все с максимальной точностью и аккуратностью. Индикатор рассудит :)
Вот чертежи патрона с гайкой, мож кому понадобится. Правда хвостовик патрона под мой мотор, но перечертить не сложно, буде желание.
Вложения
гайка патрона.jpg (4274 просмотра) <a class='original' href='./download/file.php?id=20384&mode=view' target=_blank>Загрузить оригинал (117.64 КБ)</a>
патрон 16.jpg (4274 просмотра) <a class='original' href='./download/file.php?id=20385&mode=view' target=_blank>Загрузить оригинал (114.45 КБ)</a>
IMG_20131101_175927.jpg (4268 просмотров) <a class='original' href='./download/file.php?id=20386&mode=view' target=_blank>Загрузить оригинал (1.96 МБ)</a>
IMG_20131101_175848.jpg (4268 просмотров) <a class='original' href='./download/file.php?id=20387&mode=view' target=_blank>Загрузить оригинал (2.13 МБ)</a>
IMG_20131101_175740.jpg (4268 просмотров) <a class='original' href='./download/file.php?id=20388&mode=view' target=_blank>Загрузить оригинал (2.17 МБ)</a>
IMG_20131101_151308.jpg (4268 просмотров) <a class='original' href='./download/file.php?id=20389&mode=view' target=_blank>Загрузить оригинал (1.62 МБ)</a>
img_20131101_141022_474.jpg (4265 просмотров) <a class='original' href='./download/file.php?id=20391&mode=view' target=_blank>Загрузить оригинал (134.71 КБ)</a>
Аватара пользователя
Nick
Мастер
Сообщения: 22776
Зарегистрирован: 23 ноя 2009, 16:45
Репутация: 1735
Заслуга: Developer
Откуда: Gatchina, Saint-Petersburg distr., Russia
Контактная информация:

Re: Не гравер, но маленький фрезер. В процессе.

Сообщение Nick »

Класс!
А какой подшипник стоит в толстой опоре? И как ты их там крепил, запрессовывал?
Аватара пользователя
nERV
Мастер
Сообщения: 1519
Зарегистрирован: 27 сен 2013, 19:00
Репутация: 624
Настоящее имя: Александр
Откуда: Ульяновск
Контактная информация:

Re: Не гравер, но маленький фрезер. В процессе.

Сообщение nERV »

В толстой опоре пока просто 2шт 626, но с натягом шайбочкой 0.1мм меж внутренних линз. Запрессованы, плюс будут еще винтики для крепления подшипников. Радиально-упорных не нашел по магазинам, а заказывать долго показалось, решил пока так. Свободный конец винта тоже в опоре, но он свободно пролетает через подшипник, так что некоторая компенсация температурной деформации винта будет. Заметил такую штуку, винт довольно сильно греется при частых перемещениях гайки по нему при скоростях вращения 300-500 об/мин.
Аватара пользователя
nERV
Мастер
Сообщения: 1519
Зарегистрирован: 27 сен 2013, 19:00
Репутация: 624
Настоящее имя: Александр
Откуда: Ульяновск
Контактная информация:

Re: Не гравер, но маленький фрезер. В процессе.

Сообщение nERV »

Практически закончил сегодня ось Y. Изначально планировал применить для площадки кусок алюминиевой плиты 12мм, но очень удачно подвернулась под руку шлифованая с двух сторон стальная плита, также 12мм толщиной. Выставил рельсы, пришлось немного пошкрябать опорные поверхности. Теперь непараллельность направляющих составляет 0.02мм по длине.
Как и многие, не удержался, покрутил шуруповертом :)
https://www.youtube.com/watch?v=gk6nP5QYojg
Аватара пользователя
Nick
Мастер
Сообщения: 22776
Зарегистрирован: 23 ноя 2009, 16:45
Репутация: 1735
Заслуга: Developer
Откуда: Gatchina, Saint-Petersburg distr., Russia
Контактная информация:

Re: Не гравер, но маленький фрезер. В процессе.

Сообщение Nick »

:good:!
А где такие стальные плиты находят? :)
Аватара пользователя
nERV
Мастер
Сообщения: 1519
Зарегистрирован: 27 сен 2013, 19:00
Репутация: 624
Настоящее имя: Александр
Откуда: Ульяновск
Контактная информация:

Re: Не гравер, но маленький фрезер. В процессе.

Сообщение nERV »

Да легко. Фрезер ФСШ, у него в обвесе 2-3 таких плиты, использовал кусок, еще несколько осталось :) Раньше были из чугуна, теперь стальные. Или у хохляцких ФСШ они чугунные, у Кировских - стальные.
Аватара пользователя
nERV
Мастер
Сообщения: 1519
Зарегистрирован: 27 сен 2013, 19:00
Репутация: 624
Настоящее имя: Александр
Откуда: Ульяновск
Контактная информация:

Re: Не гравер, но маленький фрезер. В процессе.

Сообщение nERV »

Почти собрал портал. Осталось сделать механизм регулировки наклона плиты оси Y относительно ног портала и нарезать резьбы на торцах ног для крепежных фланцев.
Выглядит как маленький коренастый мужичок, по крайней мере у меня такая аналогия в голове родилась :D
Вложения
IMG_20131108_132435.jpg (3955 просмотров) <a class='original' href='./download/file.php?id=20690&mode=view' target=_blank>Загрузить оригинал (1.95 МБ)</a>
IMG_20131108_132418.jpg (3955 просмотров) <a class='original' href='./download/file.php?id=20691&mode=view' target=_blank>Загрузить оригинал (2.01 МБ)</a>
IMG_20131108_132358.jpg (3955 просмотров) <a class='original' href='./download/file.php?id=20692&mode=view' target=_blank>Загрузить оригинал (2.08 МБ)</a>
Аватара пользователя
nERV
Мастер
Сообщения: 1519
Зарегистрирован: 27 сен 2013, 19:00
Репутация: 624
Настоящее имя: Александр
Откуда: Ульяновск
Контактная информация:

Re: Не гравер, но маленький фрезер. В процессе.

Сообщение nERV »

Еще немного поковырялся.
Вложения
IMG_20131112_124143.jpg (3809 просмотров) <a class='original' href='./download/file.php?id=20862&mode=view' target=_blank>Загрузить оригинал (1.68 МБ)</a>
IMG_20131112_124211.jpg (3809 просмотров) <a class='original' href='./download/file.php?id=20863&mode=view' target=_blank>Загрузить оригинал (1.92 МБ)</a>
Аватара пользователя
Nick
Мастер
Сообщения: 22776
Зарегистрирован: 23 ноя 2009, 16:45
Репутация: 1735
Заслуга: Developer
Откуда: Gatchina, Saint-Petersburg distr., Russia
Контактная информация:

Re: Не гравер, но маленький фрезер. В процессе.

Сообщение Nick »

А что за двигатель такой?
Аватара пользователя
nERV
Мастер
Сообщения: 1519
Зарегистрирован: 27 сен 2013, 19:00
Репутация: 624
Настоящее имя: Александр
Откуда: Ульяновск
Контактная информация:

Re: Не гравер, но маленький фрезер. В процессе.

Сообщение nERV »

Не знаю. Какой-то импортный, но не китайский. Вал 6.35мм шаги вручную считал, 1.8 град. Работает на 3х амперах и почти не греется.
Аватара пользователя
nERV
Мастер
Сообщения: 1519
Зарегистрирован: 27 сен 2013, 19:00
Репутация: 624
Настоящее имя: Александр
Откуда: Ульяновск
Контактная информация:

Re: Не гравер, но маленький фрезер. В процессе.

Сообщение nERV »

Вплотную подобрался к станине, приобрел плиту из Д16 540х735х25мм. На ней буду крепить портал и рельсы стола, которые ось Х. Изменится ли сильно жесткость этой самой плиты на изгиб, если снизу прикрутить рамку из алюминиевого профиля 80х40х2 из АД31 по периметру? Профиль внутри хочу заполнить (полимер)бетоном/плиточным клеем или чем-то подобным.
Стоит ли компенсировать вес подвижных частей оси Z? Есть возможность навесить газовые пружины-успокоители.
Аватара пользователя
nERV
Мастер
Сообщения: 1519
Зарегистрирован: 27 сен 2013, 19:00
Репутация: 624
Настоящее имя: Александр
Откуда: Ульяновск
Контактная информация:

Re: Не гравер, но маленький фрезер. В процессе.

Сообщение nERV »

Спасибо всем за подсказки, очень помогли.

https://www.youtube.com/watch?v=XLAf7_F-wZk
https://www.youtube.com/watch?v=NGiA8Vzy6wc
Аватара пользователя
nERV
Мастер
Сообщения: 1519
Зарегистрирован: 27 сен 2013, 19:00
Репутация: 624
Настоящее имя: Александр
Откуда: Ульяновск
Контактная информация:

Re: Не гравер, но маленький фрезер. В процессе.

Сообщение nERV »

Что было, что получилось.
Вложения
IMG_20131114_205920.jpg (3570 просмотров) <a class='original' href='./download/file.php?id=20970&mode=view' target=_blank>Загрузить оригинал (1.48 МБ)</a>
IMG_20131115_011513.jpg (3570 просмотров) <a class='original' href='./download/file.php?id=20971&mode=view' target=_blank>Загрузить оригинал (1.66 МБ)</a>
Аватара пользователя
tooshka
Почётный участник
Почётный участник
Сообщения: 1803
Зарегистрирован: 24 окт 2012, 14:26
Репутация: 209
Настоящее имя: Андрей
Откуда: Нижний Новгород
Контактная информация:

Re: Не гравер, но маленький фрезер. В процессе.

Сообщение tooshka »

Тебе станочки не жалко))) ? АЛ на них строгать? Бедняжки))
Милая, ты услышь меня
под окном стою со своим я ЧПУ! (Протяжно; с надрывом; форте)
Внимание!!! Чрезмерное увлечение ЧПУ приводит к проблемам в семейных отношениях!
Аватара пользователя
nERV
Мастер
Сообщения: 1519
Зарегистрирован: 27 сен 2013, 19:00
Репутация: 624
Настоящее имя: Александр
Откуда: Ульяновск
Контактная информация:

Re: Не гравер, но маленький фрезер. В процессе.

Сообщение nERV »

Жалко, а куда деваться? В первый проход ошиблись с высотой заготовки. Заглубление 0.8 17к об/мин подача 3м/мин. Фреза rubig 8mm трехперая. Как по маслу. :) потом сжалились над старичком, поставили 0.3 заглубление.
Аватара пользователя
tooshka
Почётный участник
Почётный участник
Сообщения: 1803
Зарегистрирован: 24 окт 2012, 14:26
Репутация: 209
Настоящее имя: Андрей
Откуда: Нижний Новгород
Контактная информация:

Re: Не гравер, но маленький фрезер. В процессе.

Сообщение tooshka »

Я на форматке только текстолит строгал, до металлов пока не опустился)))
Милая, ты услышь меня
под окном стою со своим я ЧПУ! (Протяжно; с надрывом; форте)
Внимание!!! Чрезмерное увлечение ЧПУ приводит к проблемам в семейных отношениях!
Аватара пользователя
nERV
Мастер
Сообщения: 1519
Зарегистрирован: 27 сен 2013, 19:00
Репутация: 624
Настоящее имя: Александр
Откуда: Ульяновск
Контактная информация:

Re: Не гравер, но маленький фрезер. В процессе.

Сообщение nERV »

В руководстве того же альтендорфа написано " применяется для раскроя листовых материалов. Пластик, алюминиевые сплавы..." ничего противоестественного :)
Аватара пользователя
tooshka
Почётный участник
Почётный участник
Сообщения: 1803
Зарегистрирован: 24 окт 2012, 14:26
Репутация: 209
Настоящее имя: Андрей
Откуда: Нижний Новгород
Контактная информация:

Re: Не гравер, но маленький фрезер. В процессе.

Сообщение tooshka »

nERV писал(а):В руководстве того же альтендорфа написано " применяется для раскроя листовых материалов. Пластик, алюминиевые сплавы..." ничего противоестественного :)
Думаю это они композит или тонкий до 3 мм Ал. имели ввиду))) А ты такую хреновину запилил)))
Милая, ты услышь меня
под окном стою со своим я ЧПУ! (Протяжно; с надрывом; форте)
Внимание!!! Чрезмерное увлечение ЧПУ приводит к проблемам в семейных отношениях!
Аватара пользователя
nERV
Мастер
Сообщения: 1519
Зарегистрирован: 27 сен 2013, 19:00
Репутация: 624
Настоящее имя: Александр
Откуда: Ульяновск
Контактная информация:

Re: Не гравер, но маленький фрезер. В процессе.

Сообщение nERV »

Да какая разница? Пилит же :) Я и бруски из ала 70х70 пилил, ему пофигу. Для станка это не нагрузка.
Аватара пользователя
nERV
Мастер
Сообщения: 1519
Зарегистрирован: 27 сен 2013, 19:00
Репутация: 624
Настоящее имя: Александр
Откуда: Ульяновск
Контактная информация:

Re: Не гравер, но маленький фрезер. В процессе.

Сообщение nERV »

Собрал портал, навесил всякие проводки и пластмасски. Подвигал мачем, все хорошо вроде. Остается доделать ось икс.
Задам опять вопрос в пустоту, стол из чего предпочтительнее сделать? Могу купить небольшой лист дюральки толщиной миллиметров 20, есть текстолит, тоже 20мм. Можно собрать из профилей. И почему-то все эти варианты мне не очень нравятся.
Поигрался со шпинделем, что странно, на частоте 10гц я вал остановить рукой не могу. Он почти тормозится, но потом частотник мотору дает пинка :) Векторное управление рулит.
Вложения
портал1.jpg (3476 просмотров) <a class='original' href='./download/file.php?id=21050&mode=view' target=_blank>Загрузить оригинал (117.93 КБ)</a>
портал2.jpg (3476 просмотров) <a class='original' href='./download/file.php?id=21051&mode=view' target=_blank>Загрузить оригинал (116.76 КБ)</a>
сборка.jpg (3476 просмотров) <a class='original' href='./download/file.php?id=21052&mode=view' target=_blank>Загрузить оригинал (104.85 КБ)</a>
Ответить

Вернуться в «Фрезерные станки по металлам»