tb6560 разбор полетов

Контроллеры, драйверы, датчики, управляющие устройства.
fsmoke
Новичок
Сообщения: 33
Зарегистрирован: 08 авг 2013, 10:04
Репутация: 9
Контактная информация:

tb6560 разбор полетов

Сообщение fsmoke »

Привет всем, я новичек, вообщем то, в электронике и в чпу строении тем более. Я вообще-то проф программер, но чисто софтверник(с++ стаж 12 лет). Но, тем не менее, хочу попробывать собрать станок. Тут мне друзья принесли nema17 движки и микросхемы tb6560. И что же я вижу : в инете полно схем и обсуждений данного драйвера - при внимательном изучении - я фактически не нашел ни одной нормальной схемы и печатки - везде неадекват и быдло разводки. На всех форумах люди кричат, что драйвер плохо работает - бла бла бла ... Движки пищат - бла бла бла ... Тут же вылезают "гуру" (в кавычках) и начинают говорить про какие то улучшайзеры итд итп. Я имеющий минимум опыта, но, по моему скромному мнению, обладающий достаточным интеллектом и степенью адекватности сразу же понял - что все это бред имхо. Мы с другом проф. схематехником, долго ржали и над поделками китайцев, и над обсуждениями разного толка на отечественных форумах и над схемами выкладываемыми в инете. Вообщем я начал разводить свою плату на 6560 - без оптопар - т.к. будет подключена к микроконтроллеру, поэтому оптопары обсуждать особо не хочу.

Я хотел бы спросить - может быть я ошибаюсь и все не правильно понял - и хотел бы разобрать несколько схем, найденых в инете(мои пометки тёмно-красные):
V3l7wwit[1].jpg (6659 просмотров) <a class='original' href='./download/file.php?id=21499&mode=view' target=_blank>Загрузить оригинал (117.57 КБ)</a>
1)Здесь стоят резисторы на 6.8ком - зачем они нужны?? По даташиту почти на всех сигнальных ногах есть подтягивающие резисторы и сами потроха устроены так, что на ноги можно подавать +5 в напрямую
2)Почему конденсатор на 1000мкф - зачем так много???
mw4XggIf[1].jpg (6659 просмотров) <a class='original' href='./download/file.php?id=21498&mode=view' target=_blank>Загрузить оригинал (174.28 КБ)</a>
1) Эта схема просто огонь - мало того что она усложнена до предела, здесь ещё больше резисторов - теперь они подтягиваются и к земле и к +5
2) Что за бред творится на входе +5
3) Почему силовая земля соединена с сигнальной?
U24kpoUh[1].jpg (6659 просмотров) <a class='original' href='./download/file.php?id=21500&mode=view' target=_blank>Загрузить оригинал (256.33 КБ)</a>
А вот эту жесть я оставил на последок :)))) всем наверное знакома эта печатка
1) Почему 7805 соединена с 5 вольтами - здесь получается +5 не вход а выход - бред
2) Почему на 817 оптроны питание идет с 7805 - какой тогда от них смысл если у них общее питание - какая же это нафиг развязка, если она ничего не развязывает - должна быть отдельная земля и +5в(см пункт 1), которые питают оптроны
3) Почему управление оптронами идет по земле а не по +
4) Почему сигнальная земля не разведена с силовой землей?
5) Про конденсаторы можно промолчать - что они есть что их нет!! Где конденсаторы между 8 и 10 и между 15 и 18?? Вместо этого стоят кондеры между сигнальной землей(6)!!!! и силовым плюсом(8) - что это за маразм!!
r52w2k5V[1].jpg (6659 просмотров) <a class='original' href='./download/file.php?id=21501&mode=view' target=_blank>Загрузить оригинал (114.31 КБ)</a>
И последняя - вот эта на редкость адекватная схема. Но опять же мне не понятны номиналы кондеров.

Но все это скорее риторика
А теперь самое важные для меня вопросы:

Почему на всех схемах на 7 ногу OSC - все ставят разные емкости ???
А кто нибудь вообще пытался собрать предложенную схему из даташита?? (Я имею ввиду с номиналами по даташиту)
А кто нибудь пытался развести землю как надо??
А кто нибудь ставил конденсаторы в правильных местах вообще

Существует ли разводка с соблюдением всех выше перечисленных условий?

Или всем лучше плакаться и говорить какая плохая 6560?

PS
Другие драйверы не предлагать, мне эти некуда девать :))
Надеюсь никого не обидел ;)
Последний раз редактировалось fsmoke 24 ноя 2013, 14:38, всего редактировалось 1 раз.
Аватара пользователя
Nick
Мастер
Сообщения: 22776
Зарегистрирован: 23 ноя 2009, 16:45
Репутация: 1735
Заслуга: Developer
Откуда: Gatchina, Saint-Petersburg distr., Russia
Контактная информация:

Re: tb6560 разбор полетов

Сообщение Nick »

Фото добавь на форум! А то через месяц их не станет...
Аватара пользователя
NightV
Почётный участник
Почётный участник
Сообщения: 6610
Зарегистрирован: 30 дек 2011, 09:14
Репутация: 2279
Настоящее имя: Владимир Айрапетян
Откуда: Israel
Контактная информация:

Re: tb6560 разбор полетов

Сообщение NightV »

разбор полетов говориш? ;)
fsmoke писал(а): Я имеющий минимум опыта
fsmoke писал(а): с другом проф. схематехником, долго ржали
и это при минимуме опыта, это как американцу расказывать анегдот, он не понимает но ржот (ну в этом случает чтоб не показаться не вежливым).
fsmoke писал(а):Тут же вылезают "гуру" (в кавычках)
и это чел пришел просить совета... жесть! :hehehe:
fsmoke писал(а):Существует ли разводка с соблюдением всех выше перечисленных условий?
а ну уж извените... вы же гуру в электронике... вы уж простите... мы так.. баловались....
а вот вы с другом нарисуйте! может и мы поржем!

а вам домой гости тоже пиная дверь заходят? типа "ХА!! а вот и Я! не ждали!?? всем радоватся я сказал!!!!!" ??

считай меня местным питбулем! теперь не отпущу (это последне для В___, и для С_______ )достали
за этот сайт-проект где мне многим помогли.. вцеплюсь по самое неболууся!! и не побрезгую!
Всё просто! если знаешь КАК!
fsmoke
Новичок
Сообщения: 33
Зарегистрирован: 08 авг 2013, 10:04
Репутация: 9
Контактная информация:

Re: tb6560 разбор полетов

Сообщение fsmoke »

NightV писал(а):разбор полетов говориш? ;)
и это при минимуме опыта, это как американцу расказывать анегдот, он не понимает но ржот (ну в этом случает чтоб не показаться не вежливым).
Ну не совсем при минимуме - я все же физик по образованию(просто судьба повернула стать прогером) и что-то помню, ну по крайней мере такого в такого плана простеньких схемках(включая теорию двигателей) я отлично разбираюсь, вотъ ;)
А вообще скромность укрошает - вам это известно? Если человек говорит, что новичек это не означает, что он совсем ничего не знает. Мне встречались люди, которые были проф. программерами, но говорили про себя, что нубы.
NightV писал(а): и это чел пришел просить совета... жесть! :hehehe:
этот чел пришел на этот форум в надежде, что здесь настоящие гуру, по крайней мере, в области шд, драйверов и чпу в целом.
fsmoke писал(а):Существует ли разводка с соблюдением всех выше перечисленных условий?
а ну уж извените... вы же гуру в электронике... вы уж простите... мы так.. баловались....
а вот вы с другом нарисуйте! может и мы поржем!
Нарисую, я не гуру, друг рисовать небудет - ему некогда. Так, что позже выложу чисто свой высер :)).
NightV писал(а): а вам домой гости тоже пиная дверь заходят? типа "ХА!! а вот и Я! не ждали!?? всем радоватся я сказал!!!!!" ??
Извините, но ничего я не пинал - вы так говорите, вчитайтесь лучше, я написал эмоционально, но в рамках.. так что не домысливайте того чего нет!!!!
NightV писал(а): считай меня местным питбулем! теперь не отпущу (это последне для В___, и для С_______ )достали
за этот сайт-проект где мне многим помогли.. вцеплюсь по самое неболууся!! и не побрезгую!
Да мне все равно, пока что я считаю Вас просто НИКЕМ - т.к. по теме Вы ничего не ответили - и при этом имеете статус "почетный участник" - стыдно. Я кстати говорил не про этот форум если что.

А посыл мой был - не только в в том, чтобы спросить у более опытных интересующие меня вопросы, но и заставить людей задуматься над тем, что они могут найти в инете. Много людей, которые если видят схему или печатку сразу бегут её лутить, фоторезистить или просто собирать на макетке - даже не поняв, что эта схема нерабочая или с ошибками и тд.

Так что если хотите помочь - пишите по теме

PS
Админам, сорри за оффтоп
Аватара пользователя
NightV
Почётный участник
Почётный участник
Сообщения: 6610
Зарегистрирован: 30 дек 2011, 09:14
Репутация: 2279
Настоящее имя: Владимир Айрапетян
Откуда: Israel
Контактная информация:

Re: tb6560 разбор полетов

Сообщение NightV »

достойный ответ, прошу прощения, обознался ;)
а по теме.
здесь думаю поймете почему мало кто вообще собирает свои драйверы
DRV8XXX от TI, почему никто не использует? #1
Всё просто! если знаешь КАК!
fsmoke
Новичок
Сообщения: 33
Зарегистрирован: 08 авг 2013, 10:04
Репутация: 9
Контактная информация:

Re: tb6560 разбор полетов

Сообщение fsmoke »

Как обещал выкладываю своё творение :controller: :)) Пока ещё не собирал, как соберу - выложу фотки
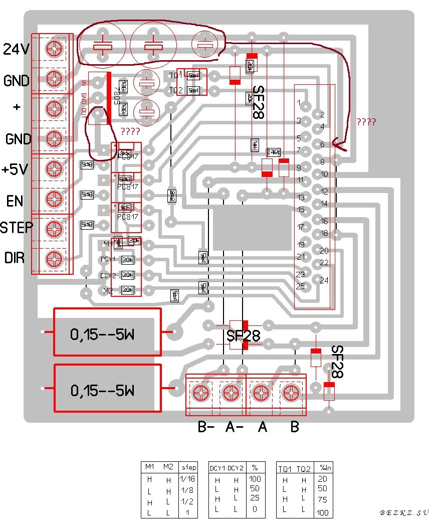
tb6550.JPG (6837 просмотров) <a class='original' href='./download/file.php?id=21040&mode=view' target=_blank>Загрузить оригинал (347.65 КБ)</a>
Продублирую номиналы здесь(в файле печатки тоже есть номиналы):
1) C1 1 mkF керамика
2) C2 47 mkF электролит на 50V
3) C3 1 mkF керамика
4) C4 47 mkF электролит на 50V
5) C5 10 mkF электролит на 16V(можно меньше - это сигнальная цепь)
6) C6 100 pF керамика(генератор ШИМА наскока я понял из ДШ)
7) C7 1 mkF керамика
8) C8 1 mkF керамика
9) C9 10 mkF электролит на 16V(можно меньше - это сигнальная цепь)
10) CON1 вход: питание силовой цепи и земля(она общая в сигнальной и силовой цепях)
11) CON2 вход: для микроконтроллера
12) CON3 выходы: на двиг АB
13) CON3 выходы: на двиг CD
14) D1 индикатор: сигнальной цепи (светодиод 2v 3мм)
15) D2 индикатор: силовой цепи (светодиод 2v 3мм)
16) JP1/CON4 перемычки или вход для микроконтроллера(decay и mode)
17) JP2/CON5 перемычки или вход для микроконтроллера(reset и torque)
18) L6210 диодная сборка шоттки(от токов обратной индукции)
19) R1 5.1 kOm 1/4W
20) R2 500 Om на светодиод сигнальной цепи(1/8W)
21) R3 5.1 kOm 1/4W
22) R4 2.5 kOm 1/4W
23) R5 7,5 kOm на светодиод силовой цепи(1/2W!!!)
24) R6 4.7 kOm 1/4W
25) REL1 RW/RWH реле задержки на включение силовой цепи
26) Rs1 0.51 Om измерительный резистор 5W
27) Rs2 0.51 Om измерительный резистор 5W
28) TB6560AHQ самая главная микросхема :))
29) FUSE1 предохранитель 3.6x10мм (номинал зависит от от тока на обмотках движков)


Расскажу бенефиты и особенности печатки:

1) Все необходимые конденсаторы сидят максимально близко к микросхеме!!!

2) Сигнальная земля разведена с силовой отдельной дорогой, силовая земля заливает плату(на сколько это возможно)!!! Соединение земель в точке подключения!

3) Включение силовой цепи происходит ПОСЛЕ сигнальной цепи через реле - с помощью реле достигается естественная задержка

4) Суперуниверсальность - на микроконтроллер выведены ВСЕ ноги микросхемы - НО вместе с этим можно использовать и перемычки.

5) При использовании перемычек первое время при появлении сигнального питания - все ноги в 0 - это достигается 2мя RC-цепочками -
в левом-нижнем углу и в верхнем-правом - причем сделано так, что вначале сработает первая. Разница во времени RC-Цепочек сделана специально, чтобы
Reset встал в 1 раньше чем Mode!!! Enable с микроконтроллера предположительно нужно подавать через 30 миллисекунд(на всякий случай)

6) L6210 - это высокоэффективная диодная сборка шоттки - для защиты от обратной индукции!!

7) Плата разведена так хитро, что теплоотводом для L6210 является нижняя часть платы, а именно большие "карманы" с землей вокруг центральных ног L6210!!!

8) Присутствует предохранитель на силовую цепь - рекомендуется использовать быстрые плавкие предохранители 3.6x10мм

9) Плата разведена так, чтобы перемычки между сторонами не находились под элементами!!!
(Для тех людей, кто будет изготавливать в дом. условиях, но не умеет запресовывать переходы, в этом же случае он сможет запаять перемычки не боясь того, что чего-то не сядет на свое место)!!!

10) обведенная белым область - это изолированная подложка для конденсаторов на сигнальную цепь при подходе к микросхеме

11) Предполагается, что на выходе стабилизированного источника питания будет стоять нормальный конденсатор - хотя бы 470 mkF

12) Радиатор на TB6560 - ставится соответсвенно снизу



Схема рассчитана на напряжение от +12 до +35в по силе и +5в по сигналу, данная плата должна выдерживать до 2А(в пике до 3А) по силовой цепи

Таким образом я попытался соблюсти ВСЕ ремарки и рекомендации из ДШ TB6560!!

Но сам плату ещё не травил - хотя проверил 100 раз - ошибок вроде нет.

:attention: ЕСЛИ КТО НИБУДЬ НАЙДЕТ ОШИБКУ, просьба: не молчать :attention:

Усе, можете пинать :))(подозреваю первым пинком будет реле)

PS
Если вдруг админы удалят вложение - вот внешняя ссылка http://rusfolder.com/38812406 (надеюсь хоть её оставят :))) )
Вложения
tb6560_2.7z
tb6560 driver
(27.93 КБ) 793 скачивания
Последний раз редактировалось fsmoke 15 ноя 2013, 23:38, всего редактировалось 1 раз.
fsmoke
Новичок
Сообщения: 33
Зарегистрирован: 08 авг 2013, 10:04
Репутация: 9
Контактная информация:

Re: tb6560 разбор полетов

Сообщение fsmoke »

NightV писал(а):достойный ответ, прошу прощения, обознался
ничего бывает :), приятно что Вы оказались адекватным человеком - а то в наше время с этим беда :)). Я читал уже этот топик - да Вы правы, но фактически покупая готовое мы приходим к тому же. Если собирая Вы натыкаетесь на сложность выбора микросхем - их особенностей и чтением ДШ, то покупая готовое Вы можете сталкнуться с глюками разных вариантов разводки, опять же одни и те же платы у когото работают у кого-то нет - а потом на форумах читаешь мануалы по улучшению готовых плат. И из-за этого возникает щемящее чувство выбора - ты начинает метаться между разными драйверами, искать, читать форумы, изучать рынок и в конце, после того, как ты отдел деньги и даже получил товар все равно останется чуство, что ты каком нибудь месте накололся - это ад!! И вот здесь задумываешься, а не проще ли развести самому как тебе надо, с соблюдением всех нюансов микросхемы, а не надеятся на доброго китайского дядю Ляо. Я говорю к примеру, понятно, что есть и качественные варианты и не китайские вовсе итд, но как правило их стоимость резко возрастает. А среди того, что продается на ибее за 500р и даже за 1000 - нет уж увольте, я уж, как нибудь уж, сам разведу :))
Аватара пользователя
NightV
Почётный участник
Почётный участник
Сообщения: 6610
Зарегистрирован: 30 дек 2011, 09:14
Репутация: 2279
Настоящее имя: Владимир Айрапетян
Откуда: Israel
Контактная информация:

Re: tb6560 разбор полетов

Сообщение NightV »

вроде красивая работа, и под ЛУТ должна пойти прекрасно.
а с чего ты взял что админ удалит вложение? это же твоя работа! которую ты предложил к бесплатному использованию и тестированию, что только приветствуется ;)
Всё просто! если знаешь КАК!
Аватара пользователя
NightV
Почётный участник
Почётный участник
Сообщения: 6610
Зарегистрирован: 30 дек 2011, 09:14
Репутация: 2279
Настоящее имя: Владимир Айрапетян
Откуда: Israel
Контактная информация:

Re: tb6560 разбор полетов

Сообщение NightV »

fsmoke писал(а): а не проще ли развести самому как тебе надо, с соблюдением всех нюансов
мда... я себе так брекаут разводил... две недели :hehehe: пока учел что нужно что мне, и что нужно станку :hehehe: живем теперь в гармонии ;)
Всё просто! если знаешь КАК!
Аватара пользователя
NightV
Почётный участник
Почётный участник
Сообщения: 6610
Зарегистрирован: 30 дек 2011, 09:14
Репутация: 2279
Настоящее имя: Владимир Айрапетян
Откуда: Israel
Контактная информация:

Re: tb6560 разбор полетов

Сообщение NightV »

Да и кстате.... просто что-отвлекся... ничего что я на Ты? ;)
Всё просто! если знаешь КАК!
Аватара пользователя
michael-yurov
Почётный участник
Почётный участник
Сообщения: 11731
Зарегистрирован: 26 июл 2012, 00:10
Репутация: 4703
Настоящее имя: Михаил Львович
Откуда: Новоуральск
Контактная информация:

Re: tb6560 разбор полетов

Сообщение michael-yurov »

fsmoke писал(а):1)Здесь стоят резисторы на 6.8ком - зачем они нужны??
Это подтягивающие резисторы для LPT порта. Стандарт LPT допускает использование в качестве выхода варианта с открытым коллектором.
fsmoke писал(а):2)Почему конденсатор на 1000мкф - зачем так много???
Шаговые моторы штука прожорливая, токи большие, а питают такие драйверы обычно от импульсных блоков питания со всеми вытекающими проблемами. Большая емкость просто необходима при таких токах, особенно учитывая, что потребеление тока шаговым мотором очень неравномерное. И, второй момент - при выбросах тока мотором во время торможения - эту энергию нужно куда-то девать, и если она не сможет попасть обратно в блок питания, то просто приведет к росту напряжения питания и из микросхемы выйдет волшебный дым, без которого она уже не сможет работать.
fsmoke писал(а):Эта схема просто огонь - мало того что она усложнена до предела, здесь ещё больше резисторов - теперь они подтягиваются и к земле и к +5
Мне тоже "понравилась". Автор банально не понимает, что делает. обсуждать 2 и 3 пункты вопроса не имеет смысла.
fsmoke писал(а):всем наверное знакома эта печатка
Нет, не знакома. Тут (на этом форуме) вообще мало кто этим TB6560 использует.
fsmoke писал(а):1) Почему 7805 соединена с 5 вольтами - здесь получается +5 не вход а выход - бред
Нужно смотреть рекомендации автора. Возможно, он сделал два входа, как альтернативу для подключения. Возможно - действительно сделал выход для каких-то целей.
fsmoke писал(а):Почему на 817 оптроны питание идет с 7805 - какой тогда от них смысл если у них общее питание - какая же это нафиг развязка, если она ничего не развязывает - должна быть отдельная земля и +5в(см пункт 1), которые питают оптроны
Никакого смысла. Автор не понимает, что такое гальваническая развязка. Однако, в данном случае из за своего низкого быстродействия PC817 могут оказаться низкочастотным фильтром от возможных помех.
Забавно, что в синих китайских многоканальных "контроллерах" на TB6560 так же стоят PC817 и земля входа объединена с землей платы. Т.е. гальванической развязки, как таковой нет. Но, как ни странно, некоторая польза от оптопар все же есть - без них еще хуже работает.
fsmoke писал(а):3) Почему управление оптронами идет по земле а не по +
Такое часто бывает. Опять же из за возможного выхода типа открытый коллектор, или для возможности подключения к LPT порту ноутбука, где напряжение на выходе может быть менее 3 В.
fsmoke писал(а):4) Почему сигнальная земля не разведена с силовой землей?
Ну, как же - сами же стрелочкой нарисовали отдельно разведенную землю и питание? )))
fsmoke писал(а):5) Про конденсаторы можно промолчать - что они есть что их нет!! Где конденсаторы между 8 и 10 и между 15 и 18?? Вместо этого стоят кондеры между сигнальной землей(6)!!!! и силовым плюсом(8) - что это за маразм!!
Долго пытался разобраться, но эта обратная нумеровка выводов на схеме просто убивает. Только этот косяк уже говорит о том, что плату разводил дилетант. Не хочу больше разбираться с этой платой.
fsmoke писал(а):И последняя - вот эта на редкость адекватная схема. Но опять же мне не понятны номиналы кондеров.
Тех, что в силовой цепи? Может быть автор просто не смог придумать какого номинала конденсаторы он поставит?
fsmoke писал(а):Почему на всех схемах на 7 ногу OSC - все ставят разные емкости ???
Это очень важный момент - емкость задающая частоту внутреннего тактирования. Частоту, с которой микросхема будет отслеживать входящие импульсы, частоту, с которой будут переключаться силовые ключи на выходе при регулировании тока.
Китайцы на своих платах почему-то ставят очень большую емкость, и как следствие, драйвер просто не пригоден для нормальной работы. Слишком высокая частота приведет большему нагреву силовых ключей из за частого переключения, и, возможно, к большему нагреву моторов из за переходных процессов при ШИМ регулировании тока.
fsmoke писал(а):А кто нибудь вообще пытался собрать предложенную схему из даташита?? (Я имею ввиду с номиналами по даташиту)
Я так делал, когда купил китайский "контроллер" - сделал там все по даташиту.
fsmoke писал(а):А кто нибудь пытался развести землю как надо??
Обычно в китайских платах все не так уж и плохо, а изготовлением драйверов на TB6560 мало кто занимается. Да, кстати, если уж делать - то лучше на TB6600 или на THB6064 - это значительно лучшая модель микросхемы. Купить недорого можно здесь: http://darxton.ru/Netshop/mechatronics/ ... _1669.html
fsmoke писал(а):А кто нибудь ставил конденсаторы в правильных местах вообще
Ну, в китайских платах все не так уж и плохо, чтобы акцентировать на этом внимание.
fsmoke писал(а):Как обещал выкладываю своё творение ) Пока ещё не собирал, как соберу - выложу фотки
Собершь, покажешь, расскажешь - будем очень рады. Многие будут очень рады хорошей плате.
А если доведешь до ума - администрация форума медаль даст!
fsmoke писал(а):Усе, можете пинать )(подозреваю первым пинком будет реле)
Ага, не стоит реле использовать. Оно громоздкое и создаст проблемы. Если контакты окислятся, или пылинка попадет (ну я образно), то, плохой контакт в силовой цепи неминуемо приведет к сгоранию микросхемы из за высокой индуктивности нагрузки и больших токов. Даже к бабке гадалке не ходи. Эти микросхемы очень нежные в этом отношении.

P.S.
fsmoke писал(а):Я вообще-то проф программер, но чисто софтверник(с++ стаж 12 лет).
Какое полезное знакомство! У нас тут есть очень серьезные задачи для таких людей. В частности и у меня.
Ну а со своей стороны - мог бы многим помочь в области станкостроения.
Аватара пользователя
Serg
Мастер
Сообщения: 21923
Зарегистрирован: 17 апр 2012, 14:58
Репутация: 5183
Заслуга: c781c134843e0c1a3de9
Настоящее имя: Сергей
Откуда: Москва
Контактная информация:

Re: tb6560 разбор полетов

Сообщение Serg »

michael-yurov писал(а):Шаговые моторы штука прожорливая, токи большие, а питают такие драйверы обычно от импульсных блоков питания со всеми вытекающими проблемами. Большая емкость просто необходима при таких токах, особенно учитывая, что потребеление тока шаговым мотором очень неравномерное.
Как раз для импульсных БП такие ёмкости и не нужны, лучше уж несколько штук поменьше.
michael-yurov писал(а):И, второй момент - при выбросах тока мотором во время торможения - эту энергию нужно куда-то девать, и если она не сможет попасть обратно в блок питания, то просто приведет к росту напряжения питания и из микросхемы выйдет волшебный дым, без которого она уже не сможет работать.
Ага, поэтому давайте накапливать эту энергию в больших конденсаторах, потом при случае куда-нибудь её всю щарахнем разом. :)
Я не Христос, рыбу не раздаю, но могу научить, как сделать удочку...
Аватара пользователя
michael-yurov
Почётный участник
Почётный участник
Сообщения: 11731
Зарегистрирован: 26 июл 2012, 00:10
Репутация: 4703
Настоящее имя: Михаил Львович
Откуда: Новоуральск
Контактная информация:

Re: tb6560 разбор полетов

Сообщение michael-yurov »

UAVpilot писал(а):Ага, поэтому давайте накапливать эту энергию в больших конденсаторах, потом при случае куда-нибудь её всю щарахнем разом.
Так после торможения будет ускорение - вот тогда она вся и уйдет.
Тойота примус прям получается.
Аватара пользователя
Serg
Мастер
Сообщения: 21923
Зарегистрирован: 17 апр 2012, 14:58
Репутация: 5183
Заслуга: c781c134843e0c1a3de9
Настоящее имя: Сергей
Откуда: Москва
Контактная информация:

Re: tb6560 разбор полетов

Сообщение Serg »

А если не будет?.. Ну, типа, конец УП.
А если оно накопит больше, чем драйверам можно?..
Я не Христос, рыбу не раздаю, но могу научить, как сделать удочку...
Аватара пользователя
michael-yurov
Почётный участник
Почётный участник
Сообщения: 11731
Зарегистрирован: 26 июл 2012, 00:10
Репутация: 4703
Настоящее имя: Михаил Львович
Откуда: Новоуральск
Контактная информация:

Re: tb6560 разбор полетов

Сообщение michael-yurov »

UAVpilot писал(а):А если не будет?.. Ну, типа, конец УП.
А если оно накопит больше, чем драйверам можно?..
Ну так все равно разрядится - драйверы же ток потребляют.
А чтобы не накопило больше, чем драйверам можно - нужно посчитать кинетическую энергию движущихся частей при максимальной скорости станка, и посчитать, на сколько увеличится напряжение на конденсаторе, если к его заряду добавить еще энергию выработанную при торможении (предположив, что у мотора и драйвера, как у генератора КПД = 100%).
Аватара пользователя
tooshka
Почётный участник
Почётный участник
Сообщения: 1803
Зарегистрирован: 24 окт 2012, 14:26
Репутация: 209
Настоящее имя: Андрей
Откуда: Нижний Новгород
Контактная информация:

Re: tb6560 разбор полетов

Сообщение tooshka »

michael-yurov писал(а):
UAVpilot писал(а):А если не будет?.. Ну, типа, конец УП.
А если оно накопит больше, чем драйверам можно?..
Ну так все равно разрядится - драйверы же ток потребляют.
А чтобы не накопило больше, чем драйверам можно - нужно посчитать кинетическую энергию движущихся частей при максимальной скорости станка, и посчитать, на сколько увеличится напряжение на конденсаторе, если к его заряду добавить еще энергию выработанную при торможении (предположив, что у мотора и драйвера, как у генератора КПД = 100%).
Таак сейчас разговор до дамперов дойдет)))
Милая, ты услышь меня
под окном стою со своим я ЧПУ! (Протяжно; с надрывом; форте)
Внимание!!! Чрезмерное увлечение ЧПУ приводит к проблемам в семейных отношениях!
Аватара пользователя
michael-yurov
Почётный участник
Почётный участник
Сообщения: 11731
Зарегистрирован: 26 июл 2012, 00:10
Репутация: 4703
Настоящее имя: Михаил Львович
Откуда: Новоуральск
Контактная информация:

Re: tb6560 разбор полетов

Сообщение michael-yurov »

tooshka писал(а):Таак сейчас разговор до дамперов дойдет)))
Дамперы - зло! Ценную энергию выбрасывают "на ветер" в самый неподходящий момент!
Аватара пользователя
Serg
Мастер
Сообщения: 21923
Зарегистрирован: 17 апр 2012, 14:58
Репутация: 5183
Заслуга: c781c134843e0c1a3de9
Настоящее имя: Сергей
Откуда: Москва
Контактная информация:

Re: tb6560 разбор полетов

Сообщение Serg »

michael-yurov писал(а):Ну так все равно разрядится - драйверы же ток потребляют.
А почему-бы не питать драйверы напрямую от сети 220В, они ведь ток потребляют? Можно на БП сэкономить. :)
tooshka писал(а):Таак сейчас разговор до дамперов дойдет)))
Не я начал про энергию торможения. :tongue:
Я не Христос, рыбу не раздаю, но могу научить, как сделать удочку...
Impartial
Мастер
Сообщения: 953
Зарегистрирован: 23 фев 2011, 01:50
Репутация: 36
Контактная информация:

Re: tb6560 разбор полетов

Сообщение Impartial »

michael-yurov писал(а):Так после торможения будет ускорение - вот тогда она вся и уйдет.
Ускорения уже не будет. Драйверы вылетят. От дамперов не откреститься. Лишнюю энергию нужно куда то сбросить причем в момент ее появления.
Либо делать запас по напряжению.
Аватара пользователя
NightV
Почётный участник
Почётный участник
Сообщения: 6610
Зарегистрирован: 30 дек 2011, 09:14
Репутация: 2279
Настоящее имя: Владимир Айрапетян
Откуда: Israel
Контактная информация:

Re: tb6560 разбор полетов

Сообщение NightV »

а вы не обращали внимания насколько пошло выглядит этот смайлик :tongue: ? чуть дорисовать и полное порно :hehehe: :hehehe: :hehehe:
а по теме... господа гусары.. "велосипед" был изобретен до нас.. или вы хотите его модернизировать? то никто не спорит... это прогресс!
а если просто суть спора в том что каждый понимает это по своему... это называется недопонимание... :?
Всё просто! если знаешь КАК!
Ответить

Вернуться в «Электроника»