Подключение штурвала.
Re: Подключение штурвала.
Есть еще такая мысль - кнопка может работать в режиме переключателя если подвести еще один провод. Вот я и думаю, а что если подвести к ней землю? Получится либо земля то есть "0" либо 5в то есть "1". Как думаете?
-
aftaev
- Зачётный участник

- Сообщения: 34042
- Зарегистрирован: 04 апр 2010, 19:22
- Репутация: 6194
- Откуда: Казахстан.
- Контактная информация:
Re: Подключение штурвала.
Я прям на плате опторазвязки припаивал резисторы на+5в, второй конец резистора на вход. Резистор что то около 1К.
Дилетанту сложные вещи кажутся очень простыми, и только профессионал понимает насколько сложна самая простая вещь
Кто хочет - ищет возможности, кто не хочет - ищет оправдание.
Найди работу по душе и тебе не придется работать.
Кто хочет - ищет возможности, кто не хочет - ищет оправдание.
Найди работу по душе и тебе не придется работать.
-
aftaev
- Зачётный участник

- Сообщения: 34042
- Зарегистрирован: 04 апр 2010, 19:22
- Репутация: 6194
- Откуда: Казахстан.
- Контактная информация:
Re: Подключение штурвала.
Эт разве не они:mycnc писал(а):Про энкодер понятно. У меня такие есть, нет проблем.
Хотелось что-нибудь индустриального вида с большой "штурвальной" ручкой - типа такого -
http://www.ebay.com/sch/i.html?_nkw=rot ... m270.l1313
У меня именно такой лежит. диаметр штурвала что то 50мм
Дилетанту сложные вещи кажутся очень простыми, и только профессионал понимает насколько сложна самая простая вещь
Кто хочет - ищет возможности, кто не хочет - ищет оправдание.
Найди работу по душе и тебе не придется работать.
Кто хочет - ищет возможности, кто не хочет - ищет оправдание.
Найди работу по душе и тебе не придется работать.
-
aftaev
- Зачётный участник

- Сообщения: 34042
- Зарегистрирован: 04 апр 2010, 19:22
- Репутация: 6194
- Откуда: Казахстан.
- Контактная информация:
Re: Подключение штурвала.
Я думаю так нужно подключить и все.Milk писал(а):Как думаете?
Дилетанту сложные вещи кажутся очень простыми, и только профессионал понимает насколько сложна самая простая вещь
Кто хочет - ищет возможности, кто не хочет - ищет оправдание.
Найди работу по душе и тебе не придется работать.
Кто хочет - ищет возможности, кто не хочет - ищет оправдание.
Найди работу по душе и тебе не придется работать.
-
Petka
- Мастер
- Сообщения: 242
- Зарегистрирован: 17 апр 2011, 12:23
- Репутация: 20
- Контактная информация:
Re: Подключение штурвала.
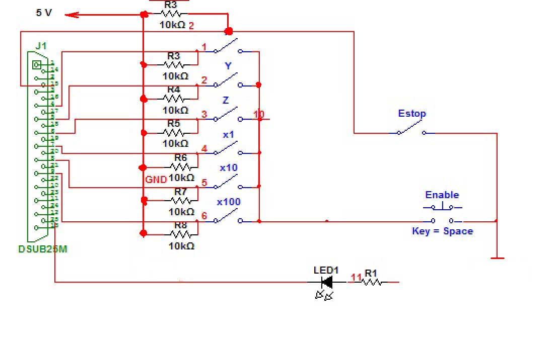
Судя по схеме кнопки замыкают на +5.
Тогда вам надо к каждой из цепей 1,2,3,4,5,6 и 12 подключить резистор 10 кОм на землю.
Тогда вам надо к каждой из цепей 1,2,3,4,5,6 и 12 подключить резистор 10 кОм на землю.
-
aftaev
- Зачётный участник

- Сообщения: 34042
- Зарегистрирован: 04 апр 2010, 19:22
- Репутация: 6194
- Откуда: Казахстан.
- Контактная информация:
Re: Подключение штурвала.
мне так нравится:
Ток резисторы 1К иль поменьше(смотря от чего питать будешь).
В схеме незнаю назначениесветодиода, потому его просто обрезал
В схеме незнаю назначениесветодиода, потому его просто обрезал
Дилетанту сложные вещи кажутся очень простыми, и только профессионал понимает насколько сложна самая простая вещь
Кто хочет - ищет возможности, кто не хочет - ищет оправдание.
Найди работу по душе и тебе не придется работать.
Кто хочет - ищет возможности, кто не хочет - ищет оправдание.
Найди работу по душе и тебе не придется работать.
-
aftaev
- Зачётный участник

- Сообщения: 34042
- Зарегистрирован: 04 апр 2010, 19:22
- Репутация: 6194
- Откуда: Казахстан.
- Контактная информация:
Re: Подключение штурвала.
По твоей и китайской схеме Естоп должен ловить помехи, а значит постоянно срабтывать. Видать ты его не подключил.
Дилетанту сложные вещи кажутся очень простыми, и только профессионал понимает насколько сложна самая простая вещь
Кто хочет - ищет возможности, кто не хочет - ищет оправдание.
Найди работу по душе и тебе не придется работать.
Кто хочет - ищет возможности, кто не хочет - ищет оправдание.
Найди работу по душе и тебе не придется работать.
Re: Подключение штурвала.
До него еще не добрался...Пин 15 на который его нужно цеплять сам под напругойй с порта, также как и 10 пин. 10 перекинул на 7 (четвертая ось пока отсутствует). Estop в программе тоже не указан, в hal не прописан пока.
Aftaev, это схема получилась с управляющим "0"? То есть на пинах постоянно 5В, а при нажатии enable на выбранных пинах "0"?
Aftaev, это схема получилась с управляющим "0"? То есть на пинах постоянно 5В, а при нажатии enable на выбранных пинах "0"?
-
Petka
- Мастер
- Сообщения: 242
- Зарегистрирован: 17 апр 2011, 12:23
- Репутация: 20
- Контактная информация:
Re: Подключение штурвала.
Да, всё правильно. Схема Афтаева даст такой-же эффект, только при чтении пина его значение надо будет программно инвертировать.Milk писал(а):Или речь идет о тако вот схеме?
-
aftaev
- Зачётный участник

- Сообщения: 34042
- Зарегистрирован: 04 апр 2010, 19:22
- Репутация: 6194
- Откуда: Казахстан.
- Контактная информация:
Re: Подключение штурвала.
Вот только нагрузочная спосбность порта не шибко велика. И цепля резисторы напорт порт ты его грузишь.Milk писал(а):Пин 15 на который его нужно цеплять сам под напругойй с порта,
Да верно. Так в HAL можно инвертировать сигнал.Milk писал(а): а при нажатии enable на выбранных пинах "0"?
Дилетанту сложные вещи кажутся очень простыми, и только профессионал понимает насколько сложна самая простая вещь
Кто хочет - ищет возможности, кто не хочет - ищет оправдание.
Найди работу по душе и тебе не придется работать.
Кто хочет - ищет возможности, кто не хочет - ищет оправдание.
Найди работу по душе и тебе не придется работать.
Re: Подключение штурвала.
Ура! Заработало!! Подтягивающий резистор сработал! Поставил по одному 10кОм на каждую ось и множитель. Подтянул к нулю.
Огромное спасибо всем откликнувшимся, особенно Aftaev-у!
Теперь только estop прицепить осталось.
Огромное спасибо всем откликнувшимся, особенно Aftaev-у!
Теперь только estop прицепить осталось.
- mycnc
- Мастер
- Сообщения: 913
- Зарегистрирован: 03 июл 2011, 02:01
- Репутация: 623
- Контактная информация:
Re: Подключение штурвала.
Спасибо, это именно они. А не знаете - можно ли это купить в СПб?aftaev писал(а):Эт разве не они:mycnc писал(а):Про энкодер понятно. У меня такие есть, нет проблем.
Хотелось что-нибудь индустриального вида с большой "штурвальной" ручкой - типа такого -
http://www.ebay.com/sch/i.html?_nkw=rot ... m270.l1313
У меня именно такой лежит. диаметр штурвала что то 50мм
- Nick
- Мастер
- Сообщения: 22776
- Зарегистрирован: 23 ноя 2009, 16:45
- Репутация: 1735
- Заслуга: Developer
- Откуда: Gatchina, Saint-Petersburg distr., Russia
- Контактная информация:
Re: Подключение штурвала.
Вспомнил, где я их видел
: http://electroprivod.ru/selsins.htm !
Но цена может оказаться не самой низкой
!
Просто за ручку около 3000р за такой же блок около 8000р.
Но цена может оказаться не самой низкой
Просто за ручку около 3000р за такой же блок около 8000р.
Re: Подключение штурвала.
Ну все.E-stop подключен и прописан методом научного тыка, но получилось, все работает. Теперь новая мысля - подцепить на 5 и 6 ось пульта регулировку оборотов шпинделя и скорость подач. Вот тут http://cnc4pc.com/Tech_Docs/guide_for_M ... r_LPT2.htm об этом пишут, но для mach3. На EMC2 наверное тоже можно придумать.
- Nick
- Мастер
- Сообщения: 22776
- Зарегистрирован: 23 ноя 2009, 16:45
- Репутация: 1735
- Заслуга: Developer
- Откуда: Gatchina, Saint-Petersburg distr., Russia
- Контактная информация:
Re: Подключение штурвала.
Все тоже самое, делаем дополнительные энкодеры и их выход вместо axis.xx.poisition-cmd на feed-override или на motion.spindle-speed-out или вот так
loadrt scale count=1
addf scale.0 servo-thread
setp scale.0.gain 0.002
net spindle-speed-scale motion.spindle-speed-out => scale.0.in
net spindle-speed-DAC scale.0.out => <your DAC pin name>
и регулировать scale.0.gain.
loadrt scale count=1
addf scale.0 servo-thread
setp scale.0.gain 0.002
net spindle-speed-scale motion.spindle-speed-out => scale.0.in
net spindle-speed-DAC scale.0.out => <your DAC pin name>
и регулировать scale.0.gain.
-
zilk
- Опытный
- Сообщения: 139
- Зарегистрирован: 07 янв 2012, 19:05
- Репутация: 1
- Откуда: Украина, Харьков
- Контактная информация:
Re: Подключение штурвала.
Здравствуйте, коллеги!
Есть вопрос по данной теме - имею в наличии навороченный MPG Sansei Electric Corp., который решил тут намедни испытать. Хал-файл полностью отлажен, все работает как надо, но вот затык произошел с самой железкой - оказывается, MPG выдает на выходах не квадратурный сигнал, а сигнал типа CW-CCW, т.е. при вращении штурвала в одну сторону импульсы есть на одном выходе, при вращении в другую сторону - на другом.
Собственно вопрос - как можно описать в конфигурации такой вид сигнала MPG, чтобы все заработало как положено? не могу никак сообразить...
Спасибо!
Есть вопрос по данной теме - имею в наличии навороченный MPG Sansei Electric Corp., который решил тут намедни испытать. Хал-файл полностью отлажен, все работает как надо, но вот затык произошел с самой железкой - оказывается, MPG выдает на выходах не квадратурный сигнал, а сигнал типа CW-CCW, т.е. при вращении штурвала в одну сторону импульсы есть на одном выходе, при вращении в другую сторону - на другом.
Собственно вопрос - как можно описать в конфигурации такой вид сигнала MPG, чтобы все заработало как положено? не могу никак сообразить...
Спасибо!
- Nick
- Мастер
- Сообщения: 22776
- Зарегистрирован: 23 ноя 2009, 16:45
- Репутация: 1735
- Заслуга: Developer
- Откуда: Gatchina, Saint-Petersburg distr., Russia
- Контактная информация:
Re: Подключение штурвала.
Хм... Т.е. при вращении по CW на одном пине появляются сигналы, а при вращении CCW на другом?
Если да, то можно завести два энкодера в режиме encoder.N.counter-mode = 1, тогда они будут считать тики на каждом канале, а положение брать из разницы показаний. Разницу вычисляем при помощи: sum2
В in0 и in1 загоняем показания энкодеров, gain0 = 1, gain1 = -1, и результат берем из out.
Если да, то можно завести два энкодера в режиме encoder.N.counter-mode = 1, тогда они будут считать тики на каждом канале, а положение брать из разницы показаний. Разницу вычисляем при помощи: sum2
В in0 и in1 загоняем показания энкодеров, gain0 = 1, gain1 = -1, и результат берем из out.
