Помогите разобраться старику

Контроллеры, драйверы, датчики, управляющие устройства.
Аватара пользователя
serlo
Мастер
Сообщения: 373
Зарегистрирован: 22 янв 2013, 19:15
Репутация: -40

Помогите разобраться старику

Сообщение serlo »

Господа, по электронике которые!
Обьясните-помогите!
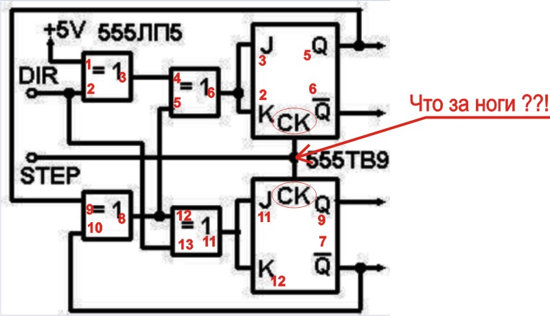
Вот простая схема "транслятора" степ\дир .
Понимаю, что примитив, но хочу в своем контроллере вставить эту схему в разрыв между оптронами и ключами.
Так сказать,малой кровью перейти на биполярные двигатели.
Есть много таких картинок на простой логике , но все они страдают тем же, чем и приведенная картинка.
А именно не указаны (для дураков как я) КАКИЕ ИМЕННО ножки или комбинации их обозначены как загадочное СК ??!! :idiot:
Вложения
схема.jpg (1842 просмотра) <a class='original' href='./download/file.php?id=18614&mode=view' target=_blank>Загрузить оригинал (64.8 КБ)</a>
Аватара пользователя
Сергей Саныч
Мастер
Сообщения: 9116
Зарегистрирован: 30 май 2012, 14:20
Репутация: 2858
Откуда: Тюмень
Контактная информация:

Re: Помогите разобраться старику

Сообщение Сергей Саныч »

Ноги 1 и 13
На всякий случай
Питание ЛП5 - 7 (0V) и 14 (+5V)
ТВ9 - 8 (0V) и 16 (+5V)
Чудес не бывает. Бывают фокусы.
Аватара пользователя
serlo
Мастер
Сообщения: 373
Зарегистрирован: 22 янв 2013, 19:15
Репутация: -40

Re: Помогите разобраться старику

Сообщение serlo »

БЛИН!!! Там на картинке СК, а должно быть CLK !... Тупо старею...А (простите меня ) вы уверены, а то я щас платку кааак вытравлю на 3 канала, а то -не то ?
Аватара пользователя
serlo
Мастер
Сообщения: 373
Зарегистрирован: 22 янв 2013, 19:15
Репутация: -40

Re: Помогите разобраться старику

Сообщение serlo »

Спасибо за ответ, а то я как-то стал забывать номенклатуру и обозначение фнкциональные
Аватара пользователя
Сергей Саныч
Мастер
Сообщения: 9116
Зарегистрирован: 30 май 2012, 14:20
Репутация: 2858
Откуда: Тюмень
Контактная информация:

Re: Помогите разобраться старику

Сообщение Сергей Саныч »

serlo писал(а):.А (простите меня ) вы уверены,
555ТВ9 - аналог 74LS112
SN74LS112.PDF
(300.4 КБ) 556 скачиваний
Чудес не бывает. Бывают фокусы.
Аватара пользователя
serlo
Мастер
Сообщения: 373
Зарегистрирован: 22 янв 2013, 19:15
Репутация: -40

Re: Помогите разобраться старику

Сообщение serlo »

Хм...Это полнейший распиновочно-нумерационно ножечный, установочный аналог?
Аватара пользователя
Сергей Саныч
Мастер
Сообщения: 9116
Зарегистрирован: 30 май 2012, 14:20
Репутация: 2858
Откуда: Тюмень
Контактная информация:

Re: Помогите разобраться старику

Сообщение Сергей Саныч »

serlo писал(а):Хм...Это полнейший распиновочно-нумерационно ножечный, установочный аналог?
Да. Для корпуса DIP-16, во всяком случае. Посмотрите сами - остальные ноги совпадают с приведенными на вашей схеме.
Чудес не бывает. Бывают фокусы.
Аватара пользователя
serlo
Мастер
Сообщения: 373
Зарегистрирован: 22 янв 2013, 19:15
Репутация: -40

Re: Помогите разобраться старику

Сообщение serlo »

Спасибо еще раз, уже спринглайотю!
Ответить

Вернуться в «Электроника»