Подключение частотника Delta

Общие вопросы станкостроения и организиции труда.
Аватара пользователя
ccuser
Новичок
Сообщения: 33
Зарегистрирован: 18 сен 2013, 20:25
Репутация: 7
Контактная информация:

Подключение частотника Delta

Сообщение ccuser »

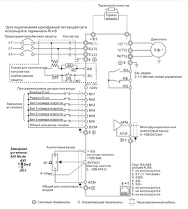
Такой вопрос. Собираюсь подключать частотник Delta VFD022EL21A (2.2кВт, 1 фаза, 220В, 24А).

По мануалу перед частотником рекомендуют ставить быстродействующие плавкие предохранители, также допускается установка автомата. Номинал и предохранителей и автомата 50 А. Кто-то ставил предохранители или и автомат сойдёт? Такой большой номинал ставили или экономили и ставили меньше?

Также люди часто ставят контактор и заводят его на кнопки вкл/выкл. Зачем это нужно и можно ли обойтись без него? Мне в идеале поставить бы перед частотником автомат и всё.

Порядок подключения показан на страницах мануала.
Вложения
1.png (4705 просмотров) <a class='original' href='./download/file.php?id=210653&mode=view' target=_blank>Загрузить оригинал (213.98 КБ)</a>
2.png (4705 просмотров) <a class='original' href='./download/file.php?id=210654&mode=view' target=_blank>Загрузить оригинал (258.64 КБ)</a>
rry
Мастер
Сообщения: 224
Зарегистрирован: 25 дек 2020, 12:01
Репутация: 38
Настоящее имя: Victor
Контактная информация:

Re: Подключение частотника Delta

Сообщение rry »

токи не большие у вас, если грубо, то пойдёт любой от C25 например, но если планируется длительная работа на максималках, то лучше побольше и главное толщину проводов под эти токи - это важнее, чем автомат
контактор тоже больше для удобства, не надо в щиток лезть - проще включить и если чего - проще быстро выключить
rry
Мастер
Сообщения: 224
Зарегистрирован: 25 дек 2020, 12:01
Репутация: 38
Настоящее имя: Victor
Контактная информация:

Re: Подключение частотника Delta

Сообщение rry »

а где написано про 50А ?
с этим частотником и на 10 вполне может хватеть
Аватара пользователя
xenon-alien
Почётный участник
Почётный участник
Сообщения: 4520
Зарегистрирован: 01 янв 2013, 13:13
Репутация: 925
Настоящее имя: Daniel
Откуда: Закарпатская обл. Украина
Контактная информация:

Re: Подключение частотника Delta

Сообщение xenon-alien »

Для частотникак как минимум желателен автомат и ЭМИ фильтр (что би мозги не шалили от выбросов и наводок) на входе и ферритовые кольца на выходе.
У вас ПЧ 2,2кВт / 220в = 10А + запас на преобразование. По этому смело можно ставить 13А автомат (если найдёте) Или 10А промышленный (D). Я на 3,2 кВт шпиндель 16А автомат ставлю.
От куда там у вас 24А взялось - не понятно.
Номинальный ток для ПЧ 11А (если смотреть характеристику в интернете) Так что 10А автомат подойдёт лишь, если не будете на полную его нагружать.
Аватара пользователя
ccuser
Новичок
Сообщения: 33
Зарегистрирован: 18 сен 2013, 20:25
Репутация: 7
Контактная информация:

Re: Подключение частотника Delta

Сообщение ccuser »

rry писал(а): 27 янв 2024, 14:58 а где написано про 50А ?
с этим частотником и на 10 вполне может хватеть
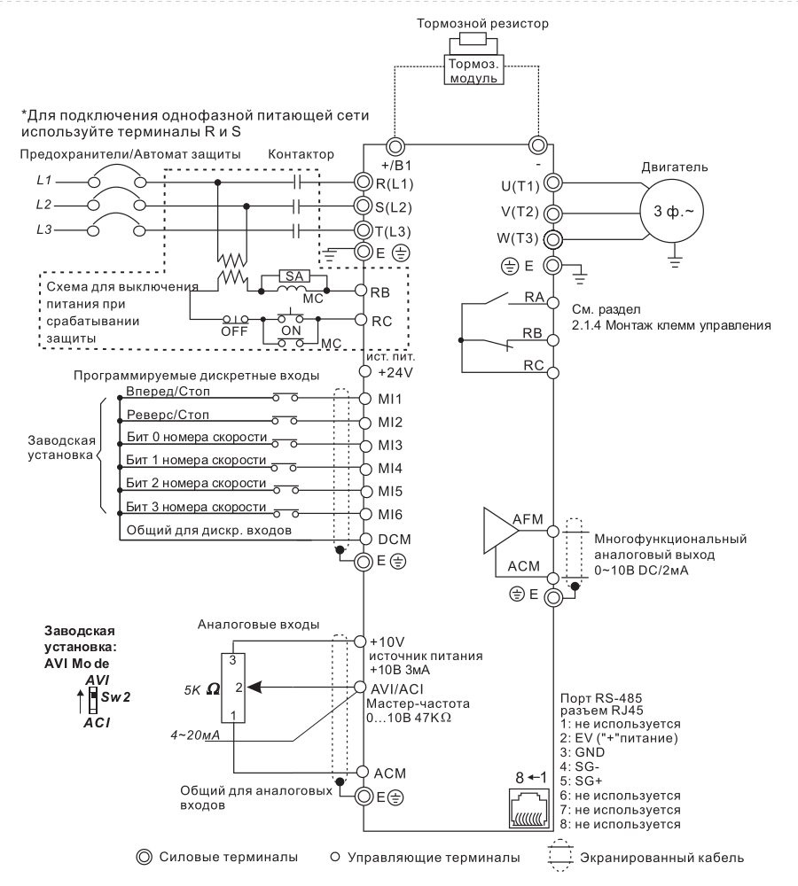
Вот скрины мануала.
Вложения
2.png (4678 просмотров) <a class='original' href='./download/file.php?id=210655&mode=view' target=_blank>Загрузить оригинал (94.07 КБ)</a>
3.png (4678 просмотров) <a class='original' href='./download/file.php?id=210656&mode=view' target=_blank>Загрузить оригинал (110.8 КБ)</a>
Аватара пользователя
ccuser
Новичок
Сообщения: 33
Зарегистрирован: 18 сен 2013, 20:25
Репутация: 7
Контактная информация:

Re: Подключение частотника Delta

Сообщение ccuser »

xenon-alien писал(а): 27 янв 2024, 16:53 Для частотникак как минимум желателен автомат и ЭМИ фильтр (что би мозги не шалили от выбросов и наводок) на входе и ферритовые кольца на выходе.
У вас ПЧ 2,2кВт / 220в = 10А + запас на преобразование. По этому смело можно ставить 13А автомат (если найдёте) Или 10А промышленный (D). Я на 3,2 кВт шпиндель 16А автомат ставлю.
От куда там у вас 24А взялось - не понятно.
Номинальный ток для ПЧ 11А (если смотреть характеристику в интернете) Так что 10А автомат подойдёт лишь, если не будете на полную его нагружать.
Номинальный ток 24 А по мануалу и на шильдике. 11 А это выходной ток.
Вложения
label.png (4672 просмотра) <a class='original' href='./download/file.php?id=210659&mode=view' target=_blank>Загрузить оригинал (283.47 КБ)</a>
Аватара пользователя
AlexVlg
Опытный
Сообщения: 175
Зарегистрирован: 29 ноя 2017, 10:17
Репутация: 12
Настоящее имя: Александр
Откуда: Волгоград
Контактная информация:

Re: Подключение частотника Delta

Сообщение AlexVlg »

Вот интересно, выходной ток 11ампер. А шпиндель сколько может скушать? И если автомат или предохранитель на 50А. В основном щите как минимум на 80 стоять должен. И вообще, 50 ампер при напряжении 220в это очень большая цифра. 2.2 кв. Это утюг. Вообще номинальный ток шпинделя около 3 ампер без нагрузки, около 9ти при полной.
Аватара пользователя
AlexVlg
Опытный
Сообщения: 175
Зарегистрирован: 29 ноя 2017, 10:17
Репутация: 12
Настоящее имя: Александр
Откуда: Волгоград
Контактная информация:

Re: Подключение частотника Delta

Сообщение AlexVlg »

Контактор не обязательно ставить, а вот фильтр на входе и кольцо на выходе, очень желательно.
Аватара пользователя
AlexVlg
Опытный
Сообщения: 175
Зарегистрирован: 29 ноя 2017, 10:17
Репутация: 12
Настоящее имя: Александр
Откуда: Волгоград
Контактная информация:

Re: Подключение частотника Delta

Сообщение AlexVlg »

Для справки, 50 ампер при напряжении 220в. 11 киловат мощности.
rry
Мастер
Сообщения: 224
Зарегистрирован: 25 дек 2020, 12:01
Репутация: 38
Настоящее имя: Victor
Контактная информация:

Re: Подключение частотника Delta

Сообщение rry »

ccuser писал(а): 27 янв 2024, 17:26
rry писал(а): 27 янв 2024, 14:58 а где написано про 50А ?
с этим частотником и на 10 вполне может хватеть
Вот скрины мануала.
всё в целом верно. частотник 2.2квт номинально работает на 10А максимум, дельта допускает долгую нагрузку от 180% - т.е. в теории на шпиндель можно и 3кВт выдавать, но это будет критическая нагрузка - и автомат С16 или С20 будет норм.

Токи на разгон и торможение очень часто раз в 5-10 могут превышать номинальные и это нормально, и токи вполне могут эти 25А превышать, но это очень короткие по времени превышения, и даже если вылезет 50А на пол секунды, то С25 не должен это вырубать.
А производитель частотников дельта не знает какие вы будете автоматы врубать, толи тип С, который допускает 5 или 10 кратное превышение тока, толи тип D - допускающий 100 - кратное превышение на относительно долгое время, или вообще дешманские B, которые сразу выкунуть надо, в общем на всякий случай говорит - ставьте на 50 ампер и будет вам счастье, когда в наших реалиях это и есть автомат С10 или если с запасом то С16 )
Аватара пользователя
mikehv
Мастер
Сообщения: 2115
Зарегистрирован: 14 авг 2013, 10:10
Репутация: 1175
Откуда: Иваново
Контактная информация:

Re: Подключение частотника Delta

Сообщение mikehv »

rry писал(а): 50А на пол секунды
По идее конденсаторы в пч должны вывозить такие моменты. Но это по моему мнению) реально хз)
rry
Мастер
Сообщения: 224
Зарегистрирован: 25 дек 2020, 12:01
Репутация: 38
Настоящее имя: Victor
Контактная информация:

Re: Подключение частотника Delta

Сообщение rry »

mikehv писал(а): 27 янв 2024, 23:04
rry писал(а): 50А на пол секунды
По идее конденсаторы в пч должны вывозить такие моменты. Но это по моему мнению) реально хз)
да, кондёры там огромные, сглаживают, поэтому если упростить, то 100 кратные нагрузки по току на разгон тяжелой оправки за 5 секунд кондёры превращают скачек потребления тока раз в 5 на 100мс, что автоматы ABB типа С нормально воспримут и не отрубятся за это время, даже С10
rry
Мастер
Сообщения: 224
Зарегистрирован: 25 дек 2020, 12:01
Репутация: 38
Настоящее имя: Victor
Контактная информация:

Re: Подключение частотника Delta

Сообщение rry »

ccuser писал(а): Зачем это нужно и можно ли обойтись без него? Мне в идеале поставить бы перед частотником автомат и всё.
Да, возвращаясь к заданному вопросу дам вредный совет)), ставьте такой автомат, какой есть от C10 и далее до 50А, и не парьтесь) будет вырубать - поставьте побольше, но без фанатизма, только до 50А) ... контактор нах не нужен вообще, эми фильтр, кольца и прочие приблуды тоже в начальном варианте не нужны
Аватара пользователя
AlexVlg
Опытный
Сообщения: 175
Зарегистрирован: 29 ноя 2017, 10:17
Репутация: 12
Настоящее имя: Александр
Откуда: Волгоград
Контактная информация:

Re: Подключение частотника Delta

Сообщение AlexVlg »

На частотник 2.2 кв. 16 ампер автомата более чем достаточно.. 50 ампер, в случае если шпиндель заклинит, будете огнетушителем тушить. Не дай бог, конечно...
Аватара пользователя
ccuser
Новичок
Сообщения: 33
Зарегистрирован: 18 сен 2013, 20:25
Репутация: 7
Контактная информация:

Re: Подключение частотника Delta

Сообщение ccuser »

AlexVlg писал(а): 27 янв 2024, 18:43 Контактор не обязательно ставить, а вот фильтр на входе и кольцо на выходе, очень желательно.
Кольцо на выходе это да, но пока не обязательно, а EMI-фильтр в этой модели встроеный. На одной из приведённых страниц мануала, где вертикально изображена цепочка от сети до шпинделя с пояснениями, указано, что у моделей 1ф/220В и 3ф/380В есть встроеный РЧ-фильтр. У меня на прошлой работе был большой портальник со шкафом напольным. Там и фильтры были, и контакторы, и много чего, конпки всякие выведены были наружу, но там в частотнике видимо такого функционала не было, т.к. он покупался году в 2010-2011.
Последний раз редактировалось ccuser 28 янв 2024, 14:49, всего редактировалось 1 раз.
Аватара пользователя
ccuser
Новичок
Сообщения: 33
Зарегистрирован: 18 сен 2013, 20:25
Репутация: 7
Контактная информация:

Re: Подключение частотника Delta

Сообщение ccuser »

rry писал(а): всё в целом верно. частотник 2.2квт номинально работает на 10А максимум, дельта допускает долгую нагрузку от 180% - т.е. в теории на шпиндель можно и 3кВт выдавать, но это будет критическая нагрузка - и автомат С16 или С20 будет норм.
По мануалу, перегрузочная способность частотника - 150% от номинального тока в течение одной минуты. В моём случае номинальный 24 А, допустимая перегрузка по току - 36 А в течение одной минуты.
Аватара пользователя
ccuser
Новичок
Сообщения: 33
Зарегистрирован: 18 сен 2013, 20:25
Репутация: 7
Контактная информация:

Re: Подключение частотника Delta

Сообщение ccuser »

rry писал(а): А производитель частотников дельта не знает какие вы будете автоматы врубать, толи тип С, который допускает 5 или 10 кратное превышение тока, толи тип D - допускающий 100 - кратное превышение на относительно долгое время, или вообще дешманские B, которые сразу выкунуть надо, в общем на всякий случай говорит - ставьте на 50 ампер и будет вам счастье, когда в наших реалиях это и есть автомат С10 или если с запасом то С16 )
По мануалу, производитель рекомендует ставить автомат типа B с предельным превышением по току в 3-5 раз. Находил ещё статью на сайте продавца оборудования, не Delta, по выбору автомата для частотника. Там написано, что автомат обычно выбирается в два раза больше номинального тока, тип B. 24А x 2 = 48А (ближайший автомат как раз 50А).
Аватара пользователя
ccuser
Новичок
Сообщения: 33
Зарегистрирован: 18 сен 2013, 20:25
Репутация: 7
Контактная информация:

Re: Подключение частотника Delta

Сообщение ccuser »

rry писал(а): Да, возвращаясь к заданному вопросу дам вредный совет)), ставьте такой автомат, какой есть от C10 и далее до 50А, и не парьтесь) будет вырубать - поставьте побольше, но без фанатизма, только до 50А) ... контактор нах не нужен вообще, эми фильтр, кольца и прочие приблуды тоже в начальном варианте не нужны
Контактор на схеме подключения это как доп. функционал скорее. Он там подключён к контактам RB и RC (слева), типа если частотник увидит неполадки, он сам себя обрубит. Частотник всё-таки умнее простого автомата) Вот там да, можно подумать о контакторе, но позже.
Jonsonsh
Кандидат
Сообщения: 97
Зарегистрирован: 25 ноя 2020, 20:30
Репутация: 9
Настоящее имя: Евгений
Контактная информация:

Re: Подключение частотника Delta

Сообщение Jonsonsh »

Я поинтересовался в службе тех поддержки на русской дельте (deltronics.ru), так как тоже меня интересуют выбор автомата для частотника

Мой Вопрос в техподдержку: Прошу уточнить по поводу автоматического выключателя для ПЧ vfd022el21a - в документации для него рекомендуется автоматический выключатель 50А класса B, при его мощности 2.2кВт (эквивалентно 10А), это не ошибка (согласно рекомендации по автомату защиты, вводной автомат в ЩС для питания ПЧ и прочего оборудования должен превышать 50А и линия питания для такого ПЧ должна быть очень мощной, что зачастую превышает величину вводных кабельных линий в здание)?

Ответ: Не путайте кВт и кВА, особенно на небольших мощностях и преобразовании однофазного питания в трехфазное. Номинальный входной ток этого ПЧ – 24А. Преобразователь выдерживает перегрузки 150% в течение 1 минуты, соответственно ему в эту минуту нужен входной ток 36А. Там есть ещё кое-какие нюансы, но идея, думаю, понятна. Вы можете на свой страх и риск поставить автомат на меньшее значение (многие так и делают), но тогда можете столкнуться с отключением автомата при нормальной работе ПЧ, что серьезно усложнит диагностику причины отключения. Если такие ложные отключения будут нечастыми (1-2 раза в день), то для преобразователя это неопасно.

Кто-то мерял кстати амперметром фактическое потребление шпинделем во время работы на максимальной нагрузке?
Аватара пользователя
AlexVlg
Опытный
Сообщения: 175
Зарегистрирован: 29 ноя 2017, 10:17
Репутация: 12
Настоящее имя: Александр
Откуда: Волгоград
Контактная информация:

Re: Подключение частотника Delta

Сообщение AlexVlg »

Мерял только на холостом, на разных частотах, когда настраивал частотник на максимальный момент при низких оборотах. У меня на шпинделе маркировка 8.5 А. Этот ток прописывается в частотнике, логично, что больше он не выдаст, если только на пике.
Ответить

Вернуться в «Общие вопросы»