Куда правильно подключать alarm? [РЕШЕНО]

Обсуждение установки, настройки и использования LinuxCNC. Вопросы по Gкоду.
kharpost
Кандидат
Сообщения: 72
Зарегистрирован: 03 дек 2023, 09:37
Репутация: 0
Настоящее имя: kharpost
Контактная информация:

Куда правильно подключать alarm? [РЕШЕНО]

Сообщение kharpost »

Многие сервоприводы имеют выход alarm для сигнализации ошибки. Куда его правильно подключить?
Последний раз редактировалось kharpost 17 дек 2023, 01:45, всего редактировалось 1 раз.
kharpost
Кандидат
Сообщения: 72
Зарегистрирован: 03 дек 2023, 09:37
Репутация: 0
Настоящее имя: kharpost
Контактная информация:

Re: Куда правильно подключать alarm?

Сообщение kharpost »

Первое, что приходит в голову - подключить с кнопке estop. При этом, при срабатывании ALARM станок выключается, как и должно быть, но поскольку ALARM остаётся активным - станок блокируется и ничего невозможно сделать. Было бы очень здорово, если бы станок выключался, но не блокировался.
Аватара пользователя
Mamont
Мастер
Сообщения: 2005
Зарегистрирован: 10 дек 2015, 12:21
Репутация: 391
Настоящее имя: Виталий
Откуда: РБ Минск
Контактная информация:

Re: Куда правильно подключать alarm?

Сообщение Mamont »

Да , как и мач3 , блокируется работа с портом. Заведи на естоп через шунтирующую кнопку. Пока держишь нажатой кнопку, сигналы ошибки игнорируются, сможешь разблокировать, снять ошибку , съехать с аварийных концевиков и т.д.
kharpost
Кандидат
Сообщения: 72
Зарегистрирован: 03 дек 2023, 09:37
Репутация: 0
Настоящее имя: kharpost
Контактная информация:

Re: Куда правильно подключать alarm?

Сообщение kharpost »

Второе, что приходит в голову - сделать так, чтобы сигнал ALARM "нажимал" estop на короткое время. Тогда блокировки станка происходить не будет.
kharpost
Кандидат
Сообщения: 72
Зарегистрирован: 03 дек 2023, 09:37
Репутация: 0
Настоящее имя: kharpost
Контактная информация:

Re: Куда правильно подключать alarm?

Сообщение kharpost »

Пока так работает

Код: Выделить всё

# --- ESTOP-EXT на плате: E-STOP  ---
net estop-ext <= hm2_7i92.0.gpio.000.in

# --- ALARM на плате: ST/P --- 
net alarm-ext <= hm2_7i92.0.gpio.001.in

net alarm-ext => not.stop1.in
net alarm-ext-not <= not.stop1.out
net alarm-ext-not => tp.stop.in
net alarm-tp <= tp.stop.q
net alarm-tp => not.stop2.in
net alarm-tp-not <= not.stop2.out
net alarm-tp-not => and2.stop.in1
net estop-ext => and2.stop.in0 
net estop-out <= and2.stop.out 
setp tp.stop.pt 1.0 # Время "нажатия" аварийной кнопки при тревоге

net estop-out => iocontrol.0.emc-enable-in
Фрост
Мастер
Сообщения: 393
Зарегистрирован: 28 окт 2013, 00:18
Репутация: 23
Настоящее имя: Сергей
Контактная информация:

Re: Куда правильно подключать alarm?

Сообщение Фрост »

kharpost писал(а): поскольку ALARM остаётся активным - станок блокируется и ничего невозможно сделать
А зачем с ним что то делать? Аларм не концевики, с него не сьедешь
kharpost
Кандидат
Сообщения: 72
Зарегистрирован: 03 дек 2023, 09:37
Репутация: 0
Настоящее имя: kharpost
Контактная информация:

Re: Куда правильно подключать alarm?

Сообщение kharpost »

Фрост писал(а): А зачем с ним что то делать? Аларм не концевики, с него не сьедешь
Например, чтобы ручным управлением отъехать в сторону
kharpost
Кандидат
Сообщения: 72
Зарегистрирован: 03 дек 2023, 09:37
Репутация: 0
Настоящее имя: kharpost
Контактная информация:

Re: Куда правильно подключать alarm?

Сообщение kharpost »

По мотивам сделал компонент

Код: Выделить всё

component alarm "Alarm handler";

pin in bit estop_not_in "E-stop switch input";
pin in bit alarm_not_in "Alarm switch input";
pin out bit emc_enable_out "Out for iocontrol.0.emc-enable-in";

option data _data;

function _ nofp;
license "GPL";
author "Dmitry Kharitonov";
;;

typedef struct {
    int pre_in;
    uint32_t timer;
} _data;

FUNCTION(_) {
    const uint32_t time_period=1*1e9;
    int b=0;
    b=alarm_not_in;
    if(data.pre_in != b) {
        data.pre_in = b;
        if(!b) data.timer=0;
    }
    data.timer+=period;
    if(data.timer<time_period) {
        b=0;
    } else {
        b=1;
        data.timer=time_period;
    }
    if(!estop_not_in) b=0;
    emc_enable_out=b;
}
Фрост
Мастер
Сообщения: 393
Зарегистрирован: 28 окт 2013, 00:18
Репутация: 23
Настоящее имя: Сергей
Контактная информация:

Re: Куда правильно подключать alarm?

Сообщение Фрост »

kharpost писал(а): Например, чтобы ручным управлением отъехать в сторону
Это как? Крутить винт руками? при аларме ось мертвая, можно только передернуть питание или отдельная кнопка на контакт сброса ошибки. Не надо путать аларм и концевые ограничения, которые при правильном подключении позволят серве ехать в противоположную сторону.
kharpost
Кандидат
Сообщения: 72
Зарегистрирован: 03 дек 2023, 09:37
Репутация: 0
Настоящее имя: kharpost
Контактная информация:

Re: Куда правильно подключать alarm?

Сообщение kharpost »

Фрост писал(а): Это как? Крутить винт руками?
Да, нажимая кнопки управления.
Фрост писал(а): можно только передернуть питание или отдельная кнопка на контакт сброса ошибки.
на моих сервах достаточно передёрнуть сигнал en
Фрост писал(а): Не надо путать аларм и концевые ограничения
Прочтите, наконец , название топика ВНИМАТЕЛЬНО. Про "концевые ограничения" я ничего не говорю. Если у вас всё сделано грамотно, "концевые ограничения" нужны в виде упоров.
Фрост
Мастер
Сообщения: 393
Зарегистрирован: 28 окт 2013, 00:18
Репутация: 23
Настоящее имя: Сергей
Контактная информация:

Re: Куда правильно подключать alarm?

Сообщение Фрост »

kharpost писал(а): Прочтите, наконец , название топика ВНИМАТЕЛЬНО
Прочитал. Там не написано "на моих китайских сервах есть только один сигнал, куда его подключить". А раз не уточнялось, ответил исходя из устройства известных производителей серв - яскава, панасоник, вроде в дельте тоже
333.PNG (82066 просмотров) <a class='original' href='./download/file.php?id=209940&mode=view' target=_blank>Загрузить оригинал (206.03 КБ)</a>
kharpost
Кандидат
Сообщения: 72
Зарегистрирован: 03 дек 2023, 09:37
Репутация: 0
Настоящее имя: kharpost
Контактная информация:

Re: Куда правильно подключать alarm?

Сообщение kharpost »

Фрост писал(а): исходя из устройства известных производителей серв
Исходя из устройства известных производителей серв куда правильно подключать alarm? Что-то изменилось?
Фрост
Мастер
Сообщения: 393
Зарегистрирован: 28 окт 2013, 00:18
Репутация: 23
Настоящее имя: Сергей
Контактная информация:

Re: Куда правильно подключать alarm?

Сообщение Фрост »

из мануала
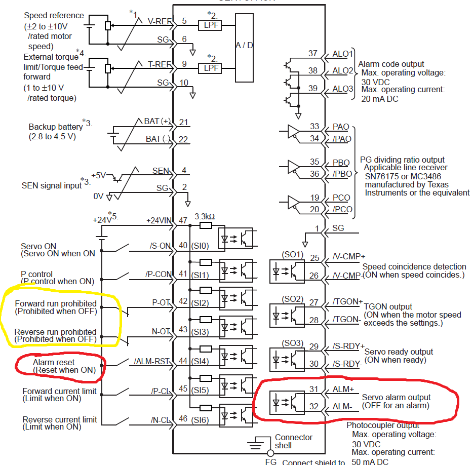
334.PNG (82027 просмотров) <a class='original' href='./download/file.php?id=209944&mode=view' target=_blank>Загрузить оригинал (50.23 КБ)</a>
Фрост
Мастер
Сообщения: 393
Зарегистрирован: 28 окт 2013, 00:18
Репутация: 23
Настоящее имя: Сергей
Контактная информация:

Re: Куда правильно подключать alarm?

Сообщение Фрост »

хотя себе не стал рубить питание, аларм активирует естоп
kharpost
Кандидат
Сообщения: 72
Зарегистрирован: 03 дек 2023, 09:37
Репутация: 0
Настоящее имя: kharpost
Контактная информация:

Re: Куда правильно подключать alarm?

Сообщение kharpost »

Фрост писал(а): из мануала
Из этой картинки видно, что к выходу аларм можно подключить реле. Меня интересует куда правильно подключить alarm? не с помощю чего, а куда. Вы предлагаете этот сигнал подключать с помощью реле, это просто супер решение. Но куда подключать вы не показываете.
kharpost
Кандидат
Сообщения: 72
Зарегистрирован: 03 дек 2023, 09:37
Репутация: 0
Настоящее имя: kharpost
Контактная информация:

Re: Куда правильно подключать alarm?

Сообщение kharpost »

Фрост писал(а): аларм активирует естоп
Тогда, вам, вероятно стоит ещё раз прочитать второй пост этого топика
kharpost писал(а): Первое, что приходит в голову
Фрост
Мастер
Сообщения: 393
Зарегистрирован: 28 окт 2013, 00:18
Репутация: 23
Настоящее имя: Сергей
Контактная информация:

Re: Куда правильно подключать alarm?

Сообщение Фрост »

будем цифрами мериться?) я уже писал -
Фрост писал(а): при аларме ось мертвая, можно только передернуть питание или отдельная кнопка на контакт сброса ошибки
Но раз у вас такой эксклюзивный привод, что
kharpost писал(а): на моих сервах достаточно передёрнуть сигнал en
дальнейшую дискуссию прекращаю...
kharpost
Кандидат
Сообщения: 72
Зарегистрирован: 03 дек 2023, 09:37
Репутация: 0
Настоящее имя: kharpost
Контактная информация:

Re: Куда правильно подключать alarm?

Сообщение kharpost »

Фрост писал(а): дальнейшую дискуссию прекращаю...
Так бы сразу и сказали, что вы информацией не обладаете, а пришли сюда всего лишь по-флудить.
Аватара пользователя
xenon-alien
Почётный участник
Почётный участник
Сообщения: 4520
Зарегистрирован: 01 янв 2013, 13:13
Репутация: 925
Настоящее имя: Daniel
Откуда: Закарпатская обл. Украина
Контактная информация:

Re: Куда правильно подключать alarm?

Сообщение xenon-alien »

Я чего-то не пойму. Ну есть же раздел по MOTION
joint.N.amp-fault-in IN BIT
Работает, как авария по приводу оси и для шпинделя есть (если память не изменяет).
На панели PyVCP можно создать виртуальную кнопку, которая будет нажимать сброс аварии на драйвере (но это должен быть выход и подключен к серве Alarm reset).
kharpost
Кандидат
Сообщения: 72
Зарегистрирован: 03 дек 2023, 09:37
Репутация: 0
Настоящее имя: kharpost
Контактная информация:

Re: Куда правильно подключать alarm?

Сообщение kharpost »

xenon-alien писал(а): Я чего-то не пойму. Ну есть же раздел по MOTION
В смотрите не стой стороны. Нужно начать с причин сигнала аларм. Причин несколько: 1 превышение тока (слишком большая нагрузка); 2 рассинхронизация с энкодером (куда-то врезался); 3 перегрев; 4 пониженное напряжение. Если по какой-то причине ось блокируется - это требует остановки всего станка. Указанные вами сигналы останавливают и блокируют станок. Хочется без блокировки. Единственный плюс этих сигналов - выводится сообщение какой драйвер остановил станок.
Ответить

Вернуться в «LinuxCNC»