Отлючение (не авария) драйвера tb660
-
napl
- Новичок
- Сообщения: 17
- Зарегистрирован: 19 окт 2021, 18:06
- Репутация: 0
- Настоящее имя: Сергей
- Контактная информация:
Отлючение (не авария) драйвера tb660
Здравствуйте, форумчане!
есть вопрос, с которым не могу пока самсправится, а после некоторых событий, вообще вступоре
использую плату мач3, в народе величают как "красная плата". Никогда ни каких проблем не было, да и не грешу на неё и сейчас
использую драйвера tb6600. Тоже проблем не было.
некоторые свои станки, которые собирал - продавал. Все довольны.
сейчас проблема. В процессе работы отключается драйвер оси Х. Именно отключается, а не входит в аварию. Лечится - выкл из розетки и вкл в розетку.
Поменял драйвер. Поработал.
Теперь отваливается драйвер по У. Вообще я в пал в ступор.
Поменял на другой. Снова начал отваливаться по Х
Заземлил. Понизил ток.
Поработает - всё равно Х или У отваливается и всё.
Было у кого такое? в какую стороу рыть?
БП на драйвера 24В10А
БП платы 12В3А
да и их характеристик больше ничего.
Шаговики 13, самые простые, не помню модель, но через мои руки уже прошло их штук 100
Спасибо!
есть вопрос, с которым не могу пока самсправится, а после некоторых событий, вообще вступоре
использую плату мач3, в народе величают как "красная плата". Никогда ни каких проблем не было, да и не грешу на неё и сейчас
использую драйвера tb6600. Тоже проблем не было.
некоторые свои станки, которые собирал - продавал. Все довольны.
сейчас проблема. В процессе работы отключается драйвер оси Х. Именно отключается, а не входит в аварию. Лечится - выкл из розетки и вкл в розетку.
Поменял драйвер. Поработал.
Теперь отваливается драйвер по У. Вообще я в пал в ступор.
Поменял на другой. Снова начал отваливаться по Х
Заземлил. Понизил ток.
Поработает - всё равно Х или У отваливается и всё.
Было у кого такое? в какую стороу рыть?
БП на драйвера 24В10А
БП платы 12В3А
да и их характеристик больше ничего.
Шаговики 13, самые простые, не помню модель, но через мои руки уже прошло их штук 100
Спасибо!
-
lkbyysq
- Мастер
- Сообщения: 2284
- Зарегистрирован: 14 май 2016, 09:40
- Репутация: 346
- Настоящее имя: Станислав Ерофеев
- Откуда: Санкт-Петербург
Re: Отлючение (не авария) драйвера tb660
Сами типа найдете и "красная плата мач3" и "драйвер tb6600", и схему соединений, и культуру сборки даже без фото.
Ну ждите.
Ну ждите.
-
napl
- Новичок
- Сообщения: 17
- Зарегистрирован: 19 окт 2021, 18:06
- Репутация: 0
- Настоящее имя: Сергей
- Контактная информация:
Re: Отлючение (не авария) драйвера tb660
доброй ночи!
плата как на фото
Думаю, драйвер представлять не нужно
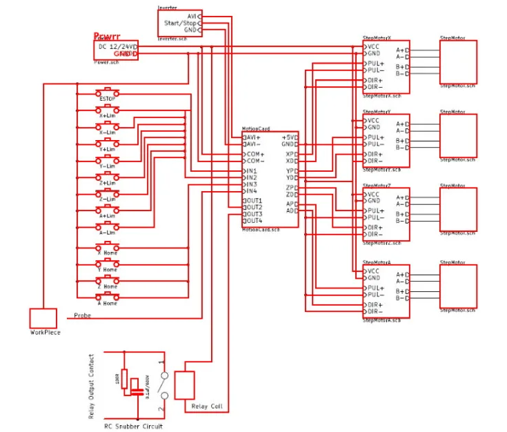
Схема подключения самая обычная, без излишеств. Только на драйвера свой БП, на плату свой БП.
Схема во вложении
по кулютуре сюорки..ну как сказать. Знаю, что не так где - то, но стараюсь. Правда без экранирования провода, а в остальном всё стараюсь собирать как для себя.
Смысл в том, что через меня прошло этих драйверов штук 100 точно. И впервые с таки сталкиваюсь. Как минимум уже 6 драйверов в сторонке лежит, которые отключаются.
смена шага джампером на драйвере не помогает. Станки заземлены. Смена токов джамперами на драйвере не помогает. Вобщем, пока ни чего не помогает.
Есть один станок, на котором отваливался драйвер по У. Заменил, начал отваливаться по Х. Заменил, начала снова отваливаться по У, а может и опять отвалиться по Х.
Закономерности никакой не нашел.
Станки эти, в абсолютно одинаковой комбинации успешно собирались, и люди не жаловались. А сейчас прям какой - то ад с этими драйверами.
Все провода исправны, ни чего не отваливается по проводке. БП драйверов выдаёт стабильно 24.2 - 24.4В. Максимальный ток БП 10А - за глаза хватает.
Станков таких более 25 - 30 собрано. Всё в норме всегда было.
Только остаётся грешить на бракованную партию. Купил совершенно в другом месте 3 штуки, посмотрю, что будет
ни где подобной темы не находил. Похожее у людей случалось, но отдалённо похожее
всё бы ничего, но как писал ранее, слишком много через мои руки таких драйверов прошло, и много станков было собрано. Ни отдного аналогичного отказа не встречалось
плата как на фото
Думаю, драйвер представлять не нужно
Схема подключения самая обычная, без излишеств. Только на драйвера свой БП, на плату свой БП.
Схема во вложении
по кулютуре сюорки..ну как сказать. Знаю, что не так где - то, но стараюсь. Правда без экранирования провода, а в остальном всё стараюсь собирать как для себя.
Смысл в том, что через меня прошло этих драйверов штук 100 точно. И впервые с таки сталкиваюсь. Как минимум уже 6 драйверов в сторонке лежит, которые отключаются.
смена шага джампером на драйвере не помогает. Станки заземлены. Смена токов джамперами на драйвере не помогает. Вобщем, пока ни чего не помогает.
Есть один станок, на котором отваливался драйвер по У. Заменил, начал отваливаться по Х. Заменил, начала снова отваливаться по У, а может и опять отвалиться по Х.
Закономерности никакой не нашел.
Станки эти, в абсолютно одинаковой комбинации успешно собирались, и люди не жаловались. А сейчас прям какой - то ад с этими драйверами.
Все провода исправны, ни чего не отваливается по проводке. БП драйверов выдаёт стабильно 24.2 - 24.4В. Максимальный ток БП 10А - за глаза хватает.
Станков таких более 25 - 30 собрано. Всё в норме всегда было.
Только остаётся грешить на бракованную партию. Купил совершенно в другом месте 3 штуки, посмотрю, что будет
ни где подобной темы не находил. Похожее у людей случалось, но отдалённо похожее
всё бы ничего, но как писал ранее, слишком много через мои руки таких драйверов прошло, и много станков было собрано. Ни отдного аналогичного отказа не встречалось
-
lkbyysq
- Мастер
- Сообщения: 2284
- Зарегистрирован: 14 май 2016, 09:40
- Репутация: 346
- Настоящее имя: Станислав Ерофеев
- Откуда: Санкт-Петербург
Re: Отлючение (не авария) драйвера tb660
1.
2. Странно, но у Вас согласно схеме питание вообще не подается. Три десятка станков, говорите, собрали?
А это важно.
3. Если " В процессе работы отключается драйвер оси Х. Именно отключается, а не входит в аварию. Лечится - выкл из розетки и вкл в розетку.", то какое дело до платы? Или Вы плату из розетки выключаете, а драйвер не выключаете?
4. Обеспечить согласно даташиту твердый "Н" на указанном входе и понаблюдать. https://static.chipdip.ru/lib/229/DOC005229795.pdf
Как скажете:
2. Странно, но у Вас согласно схеме питание вообще не подается. Три десятка станков, говорите, собрали?
А это важно.
3. Если " В процессе работы отключается драйвер оси Х. Именно отключается, а не входит в аварию. Лечится - выкл из розетки и вкл в розетку.", то какое дело до платы? Или Вы плату из розетки выключаете, а драйвер не выключаете?
4. Обеспечить согласно даташиту твердый "Н" на указанном входе и понаблюдать. https://static.chipdip.ru/lib/229/DOC005229795.pdf
Последний раз редактировалось lkbyysq 06 дек 2022, 18:22, всего редактировалось 1 раз.
-
rry
- Мастер
- Сообщения: 224
- Зарегистрирован: 25 дек 2020, 12:01
- Репутация: 38
- Настоящее имя: Victor
- Контактная информация:
Re: Отлючение (не авария) драйвера tb660
была примерно подобная ситуация с шаговыми драйверами непонятки, то работает, то не работает.
тоже долго разбирался, в итоге чтобы заработало - заменил провода на витую экранированую пару, и блок питания новый поставил
были какие-то жуткие наводки от БП в сигнальные провода.
но не уверен, что это ваш случай
тоже долго разбирался, в итоге чтобы заработало - заменил провода на витую экранированую пару, и блок питания новый поставил
были какие-то жуткие наводки от БП в сигнальные провода.
но не уверен, что это ваш случай
- xvovanx
- Мастер
- Сообщения: 3772
- Зарегистрирован: 25 фев 2016, 12:27
- Репутация: 920
- Настоящее имя: Владимир
- Откуда: Latvia
- Контактная информация:
Re: Отлючение (не авария) драйвера tb660
napl, а зачем писать сообщения не в каждую, а через строку? Чтоб большими казались?
-
napl
- Новичок
- Сообщения: 17
- Зарегистрирован: 19 окт 2021, 18:06
- Репутация: 0
- Настоящее имя: Сергей
- Контактная информация:
Re: Отлючение (не авария) драйвера tb660
БП менял, провода экранированные сегодня поставил. Результата нет пока. Так же вылетает драйверrry писал(а): ↑06 дек 2022, 12:41 была примерно подобная ситуация с шаговыми драйверами непонятки, то работает, то не работает.
тоже долго разбирался, в итоге чтобы заработало - заменил провода на витую экранированую пару, и блок питания новый поставил
были какие-то жуткие наводки от БП в сигнальные провода.
но не уверен, что это ваш случай
Склоняюсь к тому, что просто партия бракованная.
Жаль…на помойку выбрасывать много драйверов
- MX_Master
- Мастер
- Сообщения: 7488
- Зарегистрирован: 27 июн 2015, 19:45
- Репутация: 3113
- Настоящее имя: Михаил
- Откуда: Алматы
- Контактная информация:
Re: Отлючение (не авария) драйвера tb660
Если при, так называемом, "отключении драйвера" шаговик продолжает удерживать позицию (ток удержания не нулевой), то драйвер жив, здоров (не отключается). Возможно, ему перестали поступать сигналы шага по какой-то неведомой причине в недрах контроллера, БП или из-за проводов.
Если драйвер "отключается" так, что шаговик можно крутить рукой (ток на мотор не подаётся), тогда стоит начать с проверки входа ENA. Возможно, он ловит помехи.
Если драйвер "отключается" так, что шаговик можно крутить рукой (ток на мотор не подаётся), тогда стоит начать с проверки входа ENA. Возможно, он ловит помехи.
-
napl
- Новичок
- Сообщения: 17
- Зарегистрирован: 19 окт 2021, 18:06
- Репутация: 0
- Настоящее имя: Сергей
- Контактная информация:
Re: Отлючение (не авария) драйвера tb660
решение: покупка драйверов у другого продавца
возможно, что это один и тот же завод, только разные продавцы и разные партии
вся партия моих драйверов - получается брак. Не знаю что с ними делать, может получится найти проблему и решить
с новыми драйверами 2 часа работы, полёт нормальный
со старыми: вылетал рандомный драйвер через 15 мин максимум
возможно, что это один и тот же завод, только разные продавцы и разные партии
вся партия моих драйверов - получается брак. Не знаю что с ними делать, может получится найти проблему и решить
с новыми драйверами 2 часа работы, полёт нормальный
со старыми: вылетал рандомный драйвер через 15 мин максимум
-
lkbyysq
- Мастер
- Сообщения: 2284
- Зарегистрирован: 14 май 2016, 09:40
- Репутация: 346
- Настоящее имя: Станислав Ерофеев
- Откуда: Санкт-Петербург
Re: Отлючение (не авария) драйвера tb660
Вы уже проделали то, что я советовал сделать?
lkbyysq писал(а): ↑ 4. Обеспечить согласно даташиту твердый "Н" на указанном входе и понаблюдать.
viewtopic.php?p=642581#p642581
Re: Отлючение (не авария) драйвера tb660
Доброго!
Подозреваю, что столкнулся с похожей проблемой.
Драйвера TB6600 которые на самом деле S109AFTG. Импульсы формирую китайским генератором.
Драйвера тупо "выключаются" - гаснет зелёный светодиод. Если снять питание конкретно с драйвера и подать снова - он включается и ось может поездить ещё немного и встанет. По ощущениям с каждым разом пробег всё короче, но подозрение на температурный режим не оправдалось - всё в термопасте и холодное.
Ещё на мой взгляд не совсем адекватное поведение - что драйвер не стопорит моторы, если есть входящие тактовые импульсы в состоянии DISABLE (а именно так работает этот китайский генератор, он их тупо генерит всегда, а кнопочками только управляет входами DIR и ENABLE) . Если генератор отключить - драйвер мотор застопорит.
Насколько понимаю, выхода кроме покупки других, "нормальных" драйверов, нет?
Подозреваю, что столкнулся с похожей проблемой.
Драйвера TB6600 которые на самом деле S109AFTG. Импульсы формирую китайским генератором.
Драйвера тупо "выключаются" - гаснет зелёный светодиод. Если снять питание конкретно с драйвера и подать снова - он включается и ось может поездить ещё немного и встанет. По ощущениям с каждым разом пробег всё короче, но подозрение на температурный режим не оправдалось - всё в термопасте и холодное.
Ещё на мой взгляд не совсем адекватное поведение - что драйвер не стопорит моторы, если есть входящие тактовые импульсы в состоянии DISABLE (а именно так работает этот китайский генератор, он их тупо генерит всегда, а кнопочками только управляет входами DIR и ENABLE) . Если генератор отключить - драйвер мотор застопорит.
Насколько понимаю, выхода кроме покупки других, "нормальных" драйверов, нет?
-
napl
- Новичок
- Сообщения: 17
- Зарегистрирован: 19 окт 2021, 18:06
- Репутация: 0
- Настоящее имя: Сергей
- Контактная информация:
Re: Отлючение (не авария) драйвера tb660
извините, что так долго отвечал. Дело в том, что я был на 99.9% уверен, что дело просто в том, что китаец был сильно обижен или не выспался и погнал просто брак. Я не стал проверять
есть подозрение, что стоят транзисторные оптопары или совсем бедовые или не верно подобранные. Возможно китаец перепутал коробочку с комплектующими, и начал гнать что стоит под рукой.FSerg писал(а): ↑19 дек 2022, 13:20 Доброго!
Подозреваю, что столкнулся с похожей проблемой.
Драйвера TB6600 которые на самом деле S109AFTG. Импульсы формирую китайским генератором.
Драйвера тупо "выключаются" - гаснет зелёный светодиод. Если снять питание конкретно с драйвера и подать снова - он включается и ось может поездить ещё немного и встанет. По ощущениям с каждым разом пробег всё короче, но подозрение на температурный режим не оправдалось - всё в термопасте и холодное.
Ещё на мой взгляд не совсем адекватное поведение - что драйвер не стопорит моторы, если есть входящие тактовые импульсы в состоянии DISABLE (а именно так работает этот китайский генератор, он их тупо генерит всегда, а кнопочками только управляет входами DIR и ENABLE) . Если генератор отключить - драйвер мотор застопорит.
Насколько понимаю, выхода кроме покупки других, "нормальных" драйверов, нет?
попробую эти драйвера восстановить, начать с оптопар. Но так как я станки продаю, не очень потом хочется ездить по клиентам менять драйвера. Краснеть перед людьми, да и заведомо восстановленные комплектующие ставить. Так что не знаю чем этот эксперимент окончится.
продать на запчасти только можно))
ну и ещё, конечно же от TB6600 надо бы отказываться, хотя бы в пользу DМ556
-
lkbyysq
- Мастер
- Сообщения: 2284
- Зарегистрирован: 14 май 2016, 09:40
- Репутация: 346
- Настоящее имя: Станислав Ерофеев
- Откуда: Санкт-Петербург
Re: Отлючение (не авария) драйвера tb660
Надо отказываться от плохих драйверов, и не важно, на какой микросхеме они собраны.
Лично у меня все драйверы работают правильно, и собранные на TB6600 тоже.
Лично у меня все драйверы работают правильно, и собранные на TB6600 тоже.
- xvovanx
- Мастер
- Сообщения: 3772
- Зарегистрирован: 25 фев 2016, 12:27
- Репутация: 920
- Настоящее имя: Владимир
- Откуда: Latvia
- Контактная информация:
Re: Отлючение (не авария) драйвера tb660
Да сейчас китайцы гонят драйвера с микрочипом внутри, который ни ток, ни форму сигнала не держит. Всегда заказываю драйвера, читая отзывы с фотками, что стоит внутри.
Перейдя с 6600, уважительно отношусь к DМ542 (не M542H, не 2M542 и не DQ542), конечно же предварительно читая отзывы с фотками, чтоб на выходах были транзисторы, а не микрочип.
Re: Отлючение (не авария) драйвера tb660
В итоге заменил все 4шт на DM542E и оно поехало, причём теперь бесшумно, на том-же микрошаге.
Насколько они оригинальные сказать тяжело, но на "кнопку" "автонастройка" реагируют.
Насколько они оригинальные сказать тяжело, но на "кнопку" "автонастройка" реагируют.
-
Valery22
- Новичок
- Сообщения: 6
- Зарегистрирован: 16 дек 2014, 15:47
- Репутация: 1
- Настоящее имя: Валерий
- Контактная информация:
Re: Отлючение (не авария) драйвера tb660
Думаю тема уже не актуальна для ТС, отвечу, потому, что поиск выдает ее как наиболее близкую к сути вопроса.
Купил под видом tb660. На самом деле стоял чип TB67S109AFTG. Ни кому не рекомендую. Момент падает раньше чем с нормальными, движки "поют" громко, вибрация, шаги "жесткие". Все видео и ответы в стиле, что драйвер норм и надо только доработать охлаждение, являются полным бредом. Дорабатывать нечего. По крайней мере, у меня на STEP стояла шустрая оптопара 6n137, дир и енабле el817. Вместо огромного ляпа термопасты у меня стояла прокладка из алюминия. Но как вы понимаете, до нагрева чипа и пропуска шагов из-за "медленных" оптопар дело не дошло. Драйвер просто уходил в ошибку.
Данный чип умеет диагностировать всего 2 ошибки: низкое и высокое напряжение питания. А индицирует он это гашением светодиода "ALARM". Собственно это ТС и принял за отключение. Т.к. в драйвере не реализована или не работает схема гашения всплесков напряжения при остановке двигателя, то напряжение БП суммируется с генерируемым напряжением, что приводит к срабатыванию защиты по перенапряжению. Серия одиночных шагов, особенно со сменой направления, гарантировано приводила к срабатыванию защиты.
Купил под видом tb660. На самом деле стоял чип TB67S109AFTG. Ни кому не рекомендую. Момент падает раньше чем с нормальными, движки "поют" громко, вибрация, шаги "жесткие". Все видео и ответы в стиле, что драйвер норм и надо только доработать охлаждение, являются полным бредом. Дорабатывать нечего. По крайней мере, у меня на STEP стояла шустрая оптопара 6n137, дир и енабле el817. Вместо огромного ляпа термопасты у меня стояла прокладка из алюминия. Но как вы понимаете, до нагрева чипа и пропуска шагов из-за "медленных" оптопар дело не дошло. Драйвер просто уходил в ошибку.
Данный чип умеет диагностировать всего 2 ошибки: низкое и высокое напряжение питания. А индицирует он это гашением светодиода "ALARM". Собственно это ТС и принял за отключение. Т.к. в драйвере не реализована или не работает схема гашения всплесков напряжения при остановке двигателя, то напряжение БП суммируется с генерируемым напряжением, что приводит к срабатыванию защиты по перенапряжению. Серия одиночных шагов, особенно со сменой направления, гарантировано приводила к срабатыванию защиты.
-
lkbyysq
- Мастер
- Сообщения: 2284
- Зарегистрирован: 14 май 2016, 09:40
- Репутация: 346
- Настоящее имя: Станислав Ерофеев
- Откуда: Санкт-Петербург
Re: Отлючение (не авария) драйвера tb660
Считаю, что в данной теме зафиксировано заявление о факте того, что при названиии на корпусе TB6600 драйвер может быть построен на микросхеме TB67S109A, которая вдвое медленнее, тянет меньшее напряжение и ток.
Очень даже жаль, что нам не удалось самим это увидеть. Может кто-нибудь из троих заявителей удосужится сфотографировать внутренности и крышку с надписью рядом?
Очень даже жаль, что нам не удалось самим это увидеть. Может кто-нибудь из троих заявителей удосужится сфотографировать внутренности и крышку с надписью рядом?