Алюминиевый профиль для оси Z

Продажа оборудования, комплектующих и материалов
Правила форума
Разрешается публиковать предложения по покупке/продаже как физическим лицам так и коммерческим организациям, при соблюдении следующих условий:
1. должны присутствовать характеристики товаров
2. должна присутствовать стоимость товара
3. должно присутствовать описание способов оплаты и доставки
4. один продавец - одна тема

Фотографии товаров приветствуются (фотографии должны быть вложениями к сообщениям).

Возможно размещение ссылки на свой сайт, с описанием товара, при обязательном соблюдении пунктов 1-3!

При несоблюдении правил тема перемещается в Карантин, откуда автоматически удаляется через 2 дня!

Администрация форума может удалить тему или сообщения из данного раздела на свое усмотрение, без объяснения причин!
Владимир163
Новичок
Сообщения: 2
Зарегистрирован: 02 фев 2022, 09:42
Репутация: 0
Настоящее имя: Владимир
Контактная информация:

Алюминиевый профиль для оси Z

Сообщение Владимир163 »

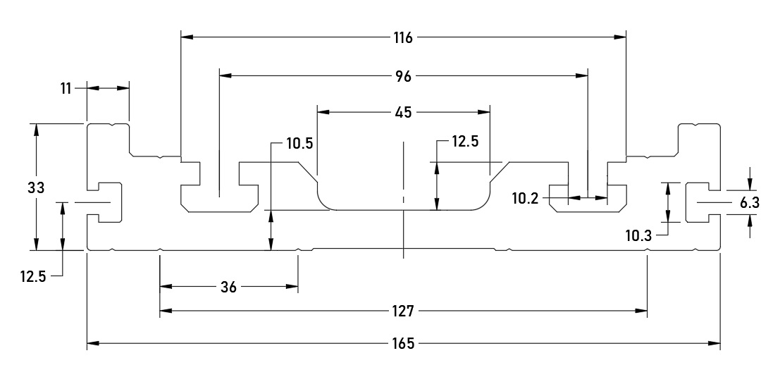
Продам алюминиевый профиль 165х33 для оси Z. Также подходит для модулей линейного перемещения. Для использования с профильными направляющими HIWIN HG20, которые крепятся на т-образные гайки в пазу. Боковые пазы под обычную гайку М6.
Внимание! Профиль тяжелый, толстостенный и несимметричный, поэтому имеет небольшой винт около 0.4 мм/метр. За доп. плату возможна обработка: сверловка, фрезеровка, нарезание резьбы.
Масса 1 метра 8 кг. Цена 550 руб/кг, что гораздо дешевле, чем дюралевая плита, которая сейчас в розницу около 1000 руб/кг.
Могу отпилить нужный размер. В наличии 3 метра.
Отправка из Тольятти Деловыми линиями, СДЭК, Почта.

Ссылка на Авито https://m.avito.ru/tolyatti/remont_i_st ... 2334978825
Вложения
165x33.jpg (1285 просмотров) <a class='original' href='./download/file.php?id=201482&mode=view' target=_blank>Загрузить оригинал (53.57 КБ)</a>
IMG_20211202_124834.jpg (1285 просмотров) <a class='original' href='./download/file.php?id=201483&mode=view' target=_blank>Загрузить оригинал (1.66 МБ)</a>
163х33_2.png (1285 просмотров) <a class='original' href='./download/file.php?id=201484&mode=view' target=_blank>Загрузить оригинал (247.05 КБ)</a>
Последний раз редактировалось Владимир163 10 фев 2022, 14:56, всего редактировалось 1 раз.
radon77
Новичок
Сообщения: 2
Зарегистрирован: 16 янв 2022, 20:49
Репутация: 0
Настоящее имя: Алексей
Контактная информация:

Re: Алюминиевый профиль для оси Z

Сообщение radon77 »

как связатся с вами.тел можно
Владимир163
Новичок
Сообщения: 2
Зарегистрирован: 02 фев 2022, 09:42
Репутация: 0
Настоящее имя: Владимир
Контактная информация:

Re: Алюминиевый профиль для оси Z

Сообщение Владимир163 »

radon77 писал(а): 10 фев 2022, 09:26 как связатся с вами.тел можно
Смотрите контакты в объявлении на Авито. Если здесь написать номер телефона, то из-за спама его придется выбросить.
putnik
Опытный
Сообщения: 173
Зарегистрирован: 07 апр 2015, 16:31
Репутация: 5
Настоящее имя: Батыр
Контактная информация:

Re: Алюминиевый профиль для оси Z

Сообщение putnik »

В продаже?
Ответить

Вернуться в «Продам»