Тяжелый станок 500х400х200 по алюминию
-
nik1
- Мастер
- Сообщения: 8408
- Зарегистрирован: 02 окт 2012, 07:37
- Репутация: 3629
- Откуда: Красногорск
- Контактная информация:
Re: Тяжелый станок 500х400х200 по алюминию
Поставил шпиндель и начинаю соединять электро части .
Пневматику пока не получится прицепить, не хватает кучи запчастей.
Посмотрел наши цены на пневматику, мдяяя. У буржуев подешевле выходит.
Но долгая доставка вынуждает покупать здесь.
Пневматику пока не получится прицепить, не хватает кучи запчастей.
Посмотрел наши цены на пневматику, мдяяя. У буржуев подешевле выходит.
Но долгая доставка вынуждает покупать здесь.
- IGon
- Опытный
- Сообщения: 167
- Зарегистрирован: 05 ноя 2012, 11:10
- Репутация: 11
- Откуда: Хмельницкий, Украина
- Контактная информация:
Re: Тяжелый станок 500х400х200 по алюминию
Обалдеть, ну и "кабанчик" 
Понятно, что ракурс такой - шпиндель кажется еще бОльшим, но станок реально выглядит каким-то хилым по сравнению со шпинделем
Понятно, что ракурс такой - шпиндель кажется еще бОльшим, но станок реально выглядит каким-то хилым по сравнению со шпинделем
- Алексс
- Почётный участник

- Сообщения: 2210
- Зарегистрирован: 20 июл 2012, 15:49
- Репутация: 266
- Заслуга: IQ32
- Настоящее имя: Алексей
- Откуда: Прага
- Контактная информация:
Re: Тяжелый станок 500х400х200 по алюминию
там где три дыры:nik1 писал(а):где на этом клапане эти входа и выхода
средняя (1) вход воздуха, соседние - выхлопы (3,5)
4,2 выходы.
в "выключеном" состоянии соединены
1->2
4->5
во включеном
1->4
2->3
в твоем случае нужно заглушить выход 2, тогда клапан будет соответсвовать тому, что нужно по схеме.
Каждая собака, бегущая на поводке впереди хозяина, думает, что ведет его за собой.
- Алексс
- Почётный участник

- Сообщения: 2210
- Зарегистрирован: 20 июл 2012, 15:49
- Репутация: 266
- Заслуга: IQ32
- Настоящее имя: Алексей
- Откуда: Прага
- Контактная информация:
Re: Тяжелый станок 500х400х200 по алюминию
очень жду стружку на полном ходуnik1 писал(а):Поставил шпиндель и начинаю соединять электро части .
есть небольшое замечание/предложение:
на подвижную плиту Z очень не дурно бы добавить по бокам два ребра, чтобы превратить пластину в "швелер". иначе жесткость будет на айс, даже на такой толщине.
Каждая собака, бегущая на поводке впереди хозяина, думает, что ведет его за собой.
- Алексс
- Почётный участник

- Сообщения: 2210
- Зарегистрирован: 20 июл 2012, 15:49
- Репутация: 266
- Заслуга: IQ32
- Настоящее имя: Алексей
- Откуда: Прага
- Контактная информация:
Re: Тяжелый станок 500х400х200 по алюминию
к стати, про два клапана последовательно 
прямо написано в бумажке зачем это... типа для надежности.
прямо написано в бумажке зачем это... типа для надежности.
Каждая собака, бегущая на поводке впереди хозяина, думает, что ведет его за собой.
-
nik1
- Мастер
- Сообщения: 8408
- Зарегистрирован: 02 окт 2012, 07:37
- Репутация: 3629
- Откуда: Красногорск
- Контактная информация:
Re: Тяжелый станок 500х400х200 по алюминию
Спасиб, по клапанам более менее разобрались
Да , надо ставить 2 штуки, один включает частотник, на другой сигнал с датчика шпинделя
Скорее всего поставлю еще один, что бы отключать воздух на обдув конуса
А то по схеме туда дует постоянно, вроде как для шпинделя в этом нет необходимости
По платине Зет, насчет жесткости- пока не вижу что она не жесткая
Пробовал жать и тянуть за самый край, максимум натянул 3 сотки, тянул по полной
Думаю на дюрали таких нагрузок не будет, да к тому же фрезы максимум 10мм будут
Ну а там посмотрим , может и усилим по необходимости
Да , надо ставить 2 штуки, один включает частотник, на другой сигнал с датчика шпинделя
Скорее всего поставлю еще один, что бы отключать воздух на обдув конуса
А то по схеме туда дует постоянно, вроде как для шпинделя в этом нет необходимости
По платине Зет, насчет жесткости- пока не вижу что она не жесткая
Пробовал жать и тянуть за самый край, максимум натянул 3 сотки, тянул по полной
Думаю на дюрали таких нагрузок не будет, да к тому же фрезы максимум 10мм будут
Ну а там посмотрим , может и усилим по необходимости
-
nik1
- Мастер
- Сообщения: 8408
- Зарегистрирован: 02 окт 2012, 07:37
- Репутация: 3629
- Откуда: Красногорск
- Контактная информация:
Re: Тяжелый станок 500х400х200 по алюминию
Запаял шпиндель и попробовал запрограммировать частотник
В общем получилось не сразу , но раза с третьего вроде поехало нормально
Теперь буду настраивать векторный режим
И потом пробовать запустить от контроллера
В общем получилось не сразу , но раза с третьего вроде поехало нормально
Теперь буду настраивать векторный режим
И потом пробовать запустить от контроллера
Re: Тяжелый станок 500х400х200 по алюминию
извините, а чем он лучше простого VFD?nik1 писал(а):Теперь буду настраивать векторный режим
у меня тоже такой есть. но пока не пробовал.
- elephant007
- Мастер
- Сообщения: 857
- Зарегистрирован: 18 ноя 2012, 13:12
- Репутация: 332
- Откуда: Сибирь, Томск
- Контактная информация:
Re: Тяжелый станок 500х400х200 по алюминию
Векторный частотник позволяет регулировать момент на валу при неизменной скорости. То есть крутит шпиндель 10к на холостых, начинаешь врезаться в материал, нагрузка возросла, обороты упали. Шпиндель сдох, фреза сломалась... Типа как на циркулярке или болгарке старой. Пока не снимешь нагрузку - обороты не восстановятся. Частотник с векторным управлением изменит магнитный поток на роторе шпинделя и оставит обороты неизменными. Чем круче частотник, тем больше у него возможности регулировать момент в широком диапазоне оборотов. У меня Хюндай может держать момент на 2,2 кВт-шпинделе гдето начиная с 6к. на меньших частотах сдувается.
Re: Тяжелый станок 500х400х200 по алюминию
но ему энкодер нужен?
-
nik1
- Мастер
- Сообщения: 8408
- Зарегистрирован: 02 окт 2012, 07:37
- Репутация: 3629
- Откуда: Красногорск
- Контактная информация:
Re: Тяжелый станок 500х400х200 по алюминию
По идее и так должно нормально работать.
Вопросец по векторному режиму, их два варианта
Первый вариант -высокий начальный крутящий момент и регулировка скорости
Второй вариант- контроль крутящего момента не зависимо от скорости.
Пока поставил первый вариант, но не уверен в правильности выбора.
В основном частотник донастроил, поженил с мотором для векторного режима,
настроил совпадение по частоте со скоростью на контроллере по всему диапазону.
Пока трабла такая, как и читал раньше у Лензе хреновый по помехозащищеннсти вход 0-10в
Так и оказалось, даже с включённым фильтром на полный диапазон помеху ловит.
Пробовал разные провода, самое лучшее пошло по витой паре.
Но один хрен надо искать место для провода. Пока в поиске
Есть желание подключиться через токовый вход. Может кто в курсях,
можно ли вход напряжения доделать под токовую петлю?
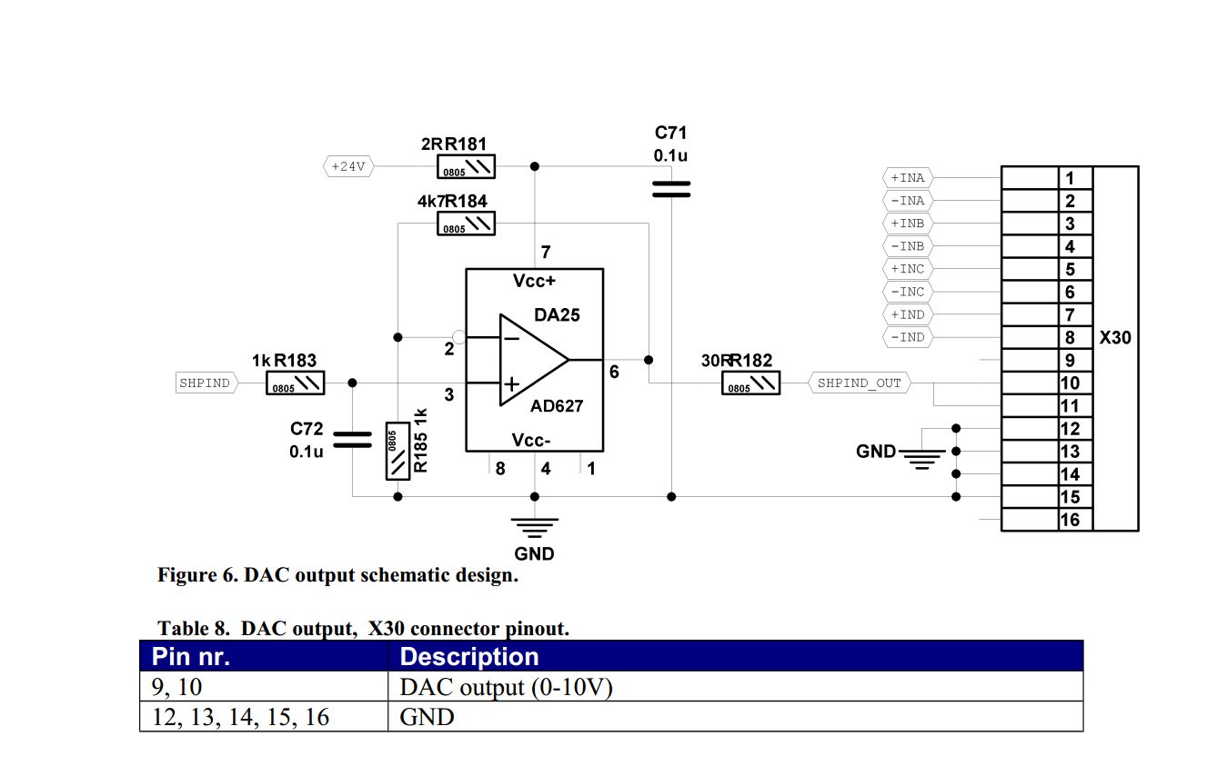
Схема выхода 0-10в в файле.
Вопросец по векторному режиму, их два варианта
Первый вариант -высокий начальный крутящий момент и регулировка скорости
Второй вариант- контроль крутящего момента не зависимо от скорости.
Пока поставил первый вариант, но не уверен в правильности выбора.
В основном частотник донастроил, поженил с мотором для векторного режима,
настроил совпадение по частоте со скоростью на контроллере по всему диапазону.
Пока трабла такая, как и читал раньше у Лензе хреновый по помехозащищеннсти вход 0-10в
Так и оказалось, даже с включённым фильтром на полный диапазон помеху ловит.
Пробовал разные провода, самое лучшее пошло по витой паре.
Но один хрен надо искать место для провода. Пока в поиске
Есть желание подключиться через токовый вход. Может кто в курсях,
можно ли вход напряжения доделать под токовую петлю?
Схема выхода 0-10в в файле.
- elephant007
- Мастер
- Сообщения: 857
- Зарегистрирован: 18 ноя 2012, 13:12
- Репутация: 332
- Откуда: Сибирь, Томск
- Контактная информация:
Re: Тяжелый станок 500х400х200 по алюминию
неа, не нужен. Схемы с энкодером есть, но это уже сильно прецизионные штуки, когда максимально расширяется диапазон по частоте с максимальным моментом. На шпинделях токарников, на шпинделях вертикальных фрезерных при нарезании резьбы... На мой взгляд это уже называется сервоприводом, я для себя границы в данном случае провести не смог.pkasy писал(а):но ему энкодер нужен?
- Serg
- Мастер
- Сообщения: 21923
- Зарегистрирован: 17 апр 2012, 14:58
- Репутация: 5183
- Заслуга: c781c134843e0c1a3de9
- Настоящее имя: Сергей
- Откуда: Москва
- Контактная информация:
Re: Тяжелый станок 500х400х200 по алюминию
В принципе можно, но потребуется много деталек. Гораздо проще на выходе поставить повторитель помощней, а паралельно входу частотника нагрузку в виде резистора ом на 100-500.nik1 писал(а):Есть желание подключиться через токовый вход. Может кто в курсях,
можно ли вход напряжения доделать под токовую петлю?
Я не Христос, рыбу не раздаю, но могу научить, как сделать удочку...
-
nik1
- Мастер
- Сообщения: 8408
- Зарегистрирован: 02 окт 2012, 07:37
- Репутация: 3629
- Откуда: Красногорск
- Контактная информация:
Re: Тяжелый станок 500х400х200 по алюминию
Есть схемка повторителя?
- Serg
- Мастер
- Сообщения: 21923
- Зарегистрирован: 17 апр 2012, 14:58
- Репутация: 5183
- Заслуга: c781c134843e0c1a3de9
- Настоящее имя: Сергей
- Откуда: Москва
- Контактная информация:
Re: Тяжелый станок 500х400х200 по алюминию
Это секретная схема, никому не показывай:
Я не Христос, рыбу не раздаю, но могу научить, как сделать удочку...
-
nik1
- Мастер
- Сообщения: 8408
- Зарегистрирован: 02 окт 2012, 07:37
- Репутация: 3629
- Откуда: Красногорск
- Контактная информация:
Re: Тяжелый станок 500х400х200 по алюминию
Почти понял
На выход усилителя ставлю резюк 150 ом и цепляюсь к токовому входу частотника, так?
Мне еще товарищ предложил сделать заземление провода управления на точку земли мотора
Сегодня попробую
Кстати, вчера когда игрался с помехой, то если отцепить провод заземления от общей точки Gnd, помеха снижалась
Такая вот чехарда
На выход усилителя ставлю резюк 150 ом и цепляюсь к токовому входу частотника, так?
Мне еще товарищ предложил сделать заземление провода управления на точку земли мотора
Сегодня попробую
Кстати, вчера когда игрался с помехой, то если отцепить провод заземления от общей точки Gnd, помеха снижалась
Такая вот чехарда
-
byalex
- Опытный
- Сообщения: 197
- Зарегистрирован: 29 янв 2013, 18:50
- Репутация: 1
- Контактная информация:
Re: Тяжелый станок 500х400х200 по алюминию
как насчет газовых амортизаторов от багажника авто? гдет встречал толи тут толи на др форумах. откручиваешь головки и имеешь м6 с 2 х сторонnik1 писал(а):Придётся колхозить тормоз
-
nik1
- Мастер
- Сообщения: 8408
- Зарегистрирован: 02 окт 2012, 07:37
- Репутация: 3629
- Откуда: Красногорск
- Контактная информация:
Re: Тяжелый станок 500х400х200 по алюминию
Сколько у них ход ? у меня по Зет 240 мм
И как у них типа ходимость?
На станке по Зет много перемещений, ну и скорость Г0 5 м/мин ,
готовы ли такие аморты под такую эксплуатацию?
Щас пробовал проверку помехи с заземлением управляещего провода на массу частотника и шпинделя
И вот оно чудо, практически не помехует
Ещё попробую поставить РС фильтр
Но уже и так вполне нормально , накрутил фильтр входа на 1.5 секунды и на слух не слышно гуляния оборотов.
И как у них типа ходимость?
На станке по Зет много перемещений, ну и скорость Г0 5 м/мин ,
готовы ли такие аморты под такую эксплуатацию?
Щас пробовал проверку помехи с заземлением управляещего провода на массу частотника и шпинделя
И вот оно чудо, практически не помехует
Ещё попробую поставить РС фильтр
Но уже и так вполне нормально , накрутил фильтр входа на 1.5 секунды и на слух не слышно гуляния оборотов.
- michael-yurov
- Почётный участник

- Сообщения: 11731
- Зарегистрирован: 26 июл 2012, 00:10
- Репутация: 4703
- Настоящее имя: Михаил Львович
- Откуда: Новоуральск
- Контактная информация:
Re: Тяжелый станок 500х400х200 по алюминию
Автомобильные, может и подойдут.byalex писал(а):как насчет газовых амортизаторов от багажника авто?
А вот мебельные - точно тормозят движение в обоих направлениях.
Пока скорость низкая - он сам вверх толкает. А если попытаться его быстро растянуть - он сопротивляться будет.
-
nik1
- Мастер
- Сообщения: 8408
- Зарегистрирован: 02 окт 2012, 07:37
- Репутация: 3629
- Откуда: Красногорск
- Контактная информация:
Re: Тяжелый станок 500х400х200 по алюминию
Походу надо пробовать и смотреть что выйдет.
Мля, чудо всё же кончилось
Как только уложил провод в общую кучу , так сразу словил помеху.
Пробую РС фильтр и если не прокатит , то делаю усилитель на пробу.
Мля, чудо всё же кончилось
Как только уложил провод в общую кучу , так сразу словил помеху.
Пробую РС фильтр и если не прокатит , то делаю усилитель на пробу.