"Чтобы не создавать отдельную тему ради одного вопроса"

Общие вопросы станкостроения и организиции труда.
Аватара пользователя
MX_Master
Мастер
Сообщения: 7490
Зарегистрирован: 27 июн 2015, 19:45
Репутация: 3113
Настоящее имя: Михаил
Откуда: Алматы
Контактная информация:

Re: "Чтобы не создавать отдельную тему ради одного вопроса"

Сообщение MX_Master »

hmnijp писал(а): на i2c были какие-то готовые, ещё просто на логике типа hc4051.
в 16 входов мультиплексора поместится матричная клава 8х8 = 64 кнопки
сдвиговый регистр ещё.
По слову "мультиплексер" на АЛИ находится, в основном, CD74HC4067, который, типа, переключатель. Получается, рядом с ESP32 аж 4 модуля CD74HC4067 надо поставить. Для этого понадобится 20 пинов на модуле ESP32. Ща гляну что там с i2c, hc4051 и регистрами..
Аватара пользователя
hmnijp
Мастер
Сообщения: 1754
Зарегистрирован: 20 авг 2017, 15:02
Репутация: 542
Настоящее имя: Константин
Откуда: Ульяновск
Контактная информация:

Re: "Чтобы не создавать отдельную тему ради одного вопроса"

Сообщение hmnijp »

MX_Master писал(а): Получается, рядом с ESP32 аж 4 модуля
Собери клавиши в матрицу если возможно...
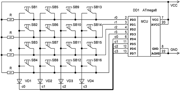
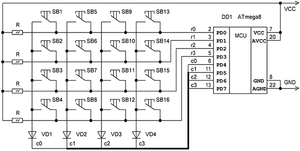
book45-1 (1).png (1019 просмотров) <a class='original' href='./download/file.php?id=200381&mode=view' target=_blank>Загрузить оригинал (15.85 КБ)</a>
ещё мультиплексоры можно каскадировать

А cd4051 может сигнал счетчика передавать следующему, и можно цепочку длинную набрать из них.
2021-12-13 13-09-57 CD4051 Analog Multiplexer  Pinout, Feature, Datasheet - Google Chrome.jpg (1017 просмотров) <a class='original' href='./download/file.php?id=200382&mode=view' target=_blank>Загрузить оригинал (137.04 КБ)</a>
Последний раз редактировалось hmnijp 13 дек 2021, 12:12, всего редактировалось 2 раза.
Аватара пользователя
MX_Master
Мастер
Сообщения: 7490
Зарегистрирован: 27 июн 2015, 19:45
Репутация: 3113
Настоящее имя: Михаил
Откуда: Алматы
Контактная информация:

Re: "Чтобы не создавать отдельную тему ради одного вопроса"

Сообщение MX_Master »

Просмотрел всякое
  • hc4067 - дискретный переключатель на 16 каналов
    hc4051 - это такой же дискретный переключатель как hc4067, но на 8 каналов ;)
    SX1509 - это уже I2C переключатель, по сути, МК, но по цене уже как сам ESP32 :freak:
    74HC595 - сдвиговый регистр по SPI, работает, по-моему, только на выход
Походу, собрать в матрицу 8х8 будет быстрее всего :)
Аватара пользователя
hmnijp
Мастер
Сообщения: 1754
Зарегистрирован: 20 авг 2017, 15:02
Репутация: 542
Настоящее имя: Константин
Откуда: Ульяновск
Контактная информация:

Re: "Чтобы не создавать отдельную тему ради одного вопроса"

Сообщение hmnijp »

MX_Master писал(а): 74HC595 - сдвиговый регистр по SPI, работает, по-моему, только на выход
на вход 74HC165
на али были сборки из нескольких на одной плате
MX_Master писал(а): Походу, собрать в матрицу 8х8 будет быстрее всего
ну в принципе это самый простой вариант. только нельзя будет некоторые клавиши одновременно нажимать

А вообще почему бы сразу контроллер qwerty клавиатуры не посмотреть? tca8418 например гуглится, LM8330
pechkin624
Кандидат
Сообщения: 45
Зарегистрирован: 23 фев 2017, 15:33
Репутация: 0
Настоящее имя: Сеогей
Контактная информация:

Re: "Чтобы не создавать отдельную тему ради одного вопроса"

Сообщение pechkin624 »

Kupfershcmidt писал(а): 13 дек 2021, 11:32
pechkin624 писал(а): как вы нарезаете резьбу на фрезере
Резьбофрезерование!
Метчиком по нержавейке,но под какую метчик нержавейку сказать сложно.
sidor094
Мастер
Сообщения: 826
Зарегистрирован: 20 фев 2014, 09:13
Репутация: 81
Настоящее имя: Сергей
Откуда: Москва
Контактная информация:

Re: "Чтобы не создавать отдельную тему ради одного вопроса"

Сообщение sidor094 »

У меня клавиатура 83 кнопки +3 энкодера + дисплей ардуиновский 12864 и еще дополнительные переключатели и джойстик работают с микроконтроллером stm32f103 и передают по rs232 состояние основной плате ,а с неё получают текущие координаты и выводят на дисплей.Получилось хоть и не самый дешевый вариант пульта,но наиболее доступный.Более того при последовательной передаче данных удобно располагать пульт удаленно,например на суппорте токарного станка используя для соединения минимум проводов.
Аватара пользователя
Rom327
Почётный участник
Почётный участник
Сообщения: 2989
Зарегистрирован: 03 апр 2015, 13:23
Репутация: 437
Настоящее имя: Роман
Откуда: Подольск
Контактная информация:

Re: "Чтобы не создавать отдельную тему ради одного вопроса"

Сообщение Rom327 »

MX_Master писал(а): Какие есть варианты?
MAX7360 служит для связи периферии с микропроцессорами через интерфейс I2C и осуществляет управление 64-мя клавишами.
http://catalog.gaw.ru/index.php?page=co ... l&id=31138
Последний раз редактировалось Rom327 13 дек 2021, 14:30, всего редактировалось 1 раз.
Это сугубо мое мнение, могу и ошибаться...
https://vk.com/rom327
GRBL настройки: http://blogandbux.blogspot.com/2018/07/ ... revod.html
G коды: http://3d-stanki.ru/spravochnik/program ... stankov-2/
Kupfershcmidt
Мастер
Сообщения: 2295
Зарегистрирован: 04 авг 2019, 15:54
Репутация: 323
Настоящее имя: Сергей
Контактная информация:

Re: "Чтобы не создавать отдельную тему ради одного вопроса"

Сообщение Kupfershcmidt »

pechkin624 писал(а): сказать сложно.
Не надо метчиком, надо резьбы фрезеровать.
Аватара пользователя
Rom327
Почётный участник
Почётный участник
Сообщения: 2989
Зарегистрирован: 03 апр 2015, 13:23
Репутация: 437
Настоящее имя: Роман
Откуда: Подольск
Контактная информация:

Re: "Чтобы не создавать отдельную тему ради одного вопроса"

Сообщение Rom327 »

MX_Master писал(а): Товарищи, надо подключить 60 кнопок к модулю ESP32.
https://posua.com/ru/programmiruemye-kl ... fejs-rs232
https://www.kkm-shop.kz/shop/pos_klavia ... 025/62028/
Последний раз редактировалось Rom327 13 дек 2021, 14:40, всего редактировалось 1 раз.
Это сугубо мое мнение, могу и ошибаться...
https://vk.com/rom327
GRBL настройки: http://blogandbux.blogspot.com/2018/07/ ... revod.html
G коды: http://3d-stanki.ru/spravochnik/program ... stankov-2/
sidor094
Мастер
Сообщения: 826
Зарегистрирован: 20 фев 2014, 09:13
Репутация: 81
Настоящее имя: Сергей
Откуда: Москва
Контактная информация:

Re: "Чтобы не создавать отдельную тему ради одного вопроса"

Сообщение sidor094 »

Rom327 писал(а): MAX7360 служит для связи периферии с микропроцессорами через интерфейс I2C и осуществляет управление 64-мя клавишами.
Дороговато.Вместо неё можно платку с микроконтроллером купить.Получится более гибкий вариант.
Kost_irk
Мастер
Сообщения: 1000
Зарегистрирован: 19 июл 2018, 07:46
Репутация: 194
Откуда: Иркутск
Контактная информация:

Re: "Чтобы не создавать отдельную тему ради одного вопроса"

Сообщение Kost_irk »

MX_Master писал(а): Какие есть варианты?
Usb клавиатуру прирастить еще можно, зависит от того, что за кнопки надо.
Аватара пользователя
vitzin
Мастер
Сообщения: 419
Зарегистрирован: 27 фев 2020, 14:16
Репутация: 56
Настоящее имя: viktor vizin
Контактная информация:

Re: "Чтобы не создавать отдельную тему ради одного вопроса"

Сообщение vitzin »

Ребята привет,
третий день бодаюсь с моим лептопом.
была семёрка на нём,всё офицально,но она больще не поддержывается.
Подтянул до десятки,проработала она 4 месяца,и нехочет больше.

Думал,верну опять обратно,благо на жостком диске есть Рековери,
да не тут то было,уже раз пять попобывал,ответ один,система не полная,
попробуйте еще раз.

Достало короче,
покупать ничего не хачю,и не жылаю,достали они уже, у них ничего толком не работает,или у меня.

Мож кто подскажет,где семёрку или 10. 64 бит надыбать,
ну кабы за просто так,ну и чтобы майкрософт мне на пятки не наступал.
Если что,я им уже заплатил,но они не чешутся,ну и идут они лесом,однако
kfmut
Мастер
Сообщения: 1249
Зарегистрирован: 30 янв 2021, 21:34
Репутация: 147
Настоящее имя: Максим
Откуда: г.Тверь
Контактная информация:

Re: "Чтобы не создавать отдельную тему ради одного вопроса"

Сообщение kfmut »

vitzin писал(а): где семёрку
У некоторых производителей образы на сайтах раньше лежали либо на дисках с ноутом(lenovo раньше точно выдавало такие диски), сейчас вроде семёрку можно скачать только с каких-то мутных сайтов, да ещё и надо угадать с версией, там какой-то идиотизм с этим на ноутах, поэтому могут быть проблемы с родным ключом.

Обновки от simplix ставил https://blog.simplix.info/update7/ Но 7-ка после активации без доступа к интернетам работает, поэтому на счёт встроенных майнеров(или чего там сейчас модно) не могу сказать, но обновки от simplix раньше весьма уважались, и претензий подобного плана вроде не было.
Kupfershcmidt
Мастер
Сообщения: 2295
Зарегистрирован: 04 авг 2019, 15:54
Репутация: 323
Настоящее имя: Сергей
Контактная информация:

Re: "Чтобы не создавать отдельную тему ради одного вопроса"

Сообщение Kupfershcmidt »

vitzin писал(а): 10. 64 бит надыбать,
Качаешь с офсайта, какие там-то проблемы. Я скачал и установил.
calabr
Мастер
Сообщения: 937
Зарегистрирован: 04 янв 2019, 15:19
Репутация: 146
Настоящее имя: Calabr
Откуда: Киев
Контактная информация:

Re: "Чтобы не создавать отдельную тему ради одного вопроса"

Сообщение calabr »

Кварк писал(а): У контроллера есть два типа разгона-торможения,- как я понял.
А как при этом двигатель себя ведет?
Разгон вполне слышно на слух - до такой скорости под секунду разгоняться нужно.
Береш генератор с регулируемой частотой, включаеш на Step и плавно подымаеш частоту.
Ток в обмотке шаговика обычным мультиметром не померяеш. Там пила с частотой 30-50 кГц. Нужен либо правильный трю-рмс мультиметр с перекрытием такой частоты, либо цыфровой осцилограф с токовым щупом.
Грубо оценить можно стрелочным амперметром. Мерять на постоянном токе при остановленном двигателе.
Если не попал в нужную фазу - сделать 1 шаг.
Отключать-подключать только при выключенном драйвере.
Аватара пользователя
vitzin
Мастер
Сообщения: 419
Зарегистрирован: 27 фев 2020, 14:16
Репутация: 56
Настоящее имя: viktor vizin
Контактная информация:

Re: "Чтобы не создавать отдельную тему ради одного вопроса"

Сообщение vitzin »

Kupfershcmidt писал(а): Качаешь с офсайта, какие там-то проблемы. Я скачал и установил.

хорошая идея,как-то о ней я не подумал,
сейчас глянул,ключ затерт на нет,так что
активировать не получится.

Придется наверное все таки раскашелится и приобрести
легальным путем.
Kupfershcmidt
Мастер
Сообщения: 2295
Зарегистрирован: 04 авг 2019, 15:54
Репутация: 323
Настоящее имя: Сергей
Контактная информация:

Re: "Чтобы не создавать отдельную тему ради одного вопроса"

Сообщение Kupfershcmidt »

vitzin писал(а): ключ затерт на нет
Покупаешь ключ на ебее за 300 рублей, нет проблем вообще.
Ну или вот. https://www.google.com/search?client=fi ... 5&dpr=1.09

Хотя не знаю, сохранился ли он там.
Аватара пользователя
AeroFly
Опытный
Сообщения: 133
Зарегистрирован: 02 окт 2020, 18:41
Репутация: 8
Контактная информация:

Re: "Чтобы не создавать отдельную тему ради одного вопроса"

Сообщение AeroFly »

vitzin писал(а): 18 дек 2021, 20:17 Думал,верну опять обратно,благо на жостком диске есть Рековери,
да не тут то было,уже раз пять попобывал,ответ один,система не полная,
попробуйте еще раз.
Скорее всего уже больше не получится. 10ка меняет или прописывает новые параметры в BIOS возможно и в UEFI.
Надо будет прошивать или чип менять.
Вся электроника работает на белом дыме. Если белый дым выходит - электроника перестает работать.
steals_y2k
Мастер
Сообщения: 960
Зарегистрирован: 29 окт 2017, 14:08
Репутация: 61
Настоящее имя: Makc
Откуда: Ярославль
Контактная информация:

Re: "Чтобы не создавать отдельную тему ради одного вопроса"

Сообщение steals_y2k »

AeroFly писал(а): 10ка меняет или прописывает новые параметры в BIOS возможно и в UEFI
бред бредовейший.

в худшем случае придётся удалить всё с хдд, создав на ём таблицу разделов мсдос вместо гпт.

в менее худшем-просто отключить уефи в биос (в сеуьюрити или ещё где, искать в великом и могучем)

а если нет-просто установить 7ку и всё.
steals_y2k
Мастер
Сообщения: 960
Зарегистрирован: 29 окт 2017, 14:08
Репутация: 61
Настоящее имя: Makc
Откуда: Ярославль
Контактная информация:

Re: "Чтобы не создавать отдельную тему ради одного вопроса"

Сообщение steals_y2k »

vitzin писал(а): Придется наверное все таки раскашелится и приобрести
легальным путем.
я, конечно, езжу на рр, но даже у меня нет причуды покупать винду. 7к х86/х64 навалом на рутракере, с 10й сложнее, но у меня одна из двух нормально работала. правда, сделать это "нормально" было сложнее, чем обычно с 7кой.
Ответить

Вернуться в «Общие вопросы»