Восстановление AXYZ-4016 с заменой контроллера на RichAuto DSP A11

Фрезерные и гравировальные станки для обработки мягких материалов (дерево, пластики, мягкие металлы).
Аватара пользователя
spryt
Кандидат
Сообщения: 90
Зарегистрирован: 21 май 2017, 20:02
Репутация: 89
Настоящее имя: Тимур
Контактная информация:

Восстановление AXYZ-4016 с заменой контроллера на RichAuto DSP A11

Сообщение spryt »

Доброго времени суток.
После пожара, на работе, пострадала от температуры наружная электроника станка.
Начинка родного шкафа (1264 просмотра) <a class='original' href='./download/file.php?id=198653&sid=cf0a1878ab2e333179c695d2c88049ff&mode=view' target=_blank>Загрузить оригинал (545.98 КБ)</a>
Начинка родного шкафа
Было решено заменить кабеля и контроллер (плата в центре на фото) на RichAuto DSP A11Е.
Драйверы ШД: 6410 Pacific Scientific.
ШД: VEXTA PK299-F4.5A
Теперь шкаф выглядит так (1264 просмотра) <a class='original' href='./download/file.php?id=198678&sid=cf0a1878ab2e333179c695d2c88049ff&mode=view' target=_blank>Загрузить оригинал (700.91 КБ)</a>
Теперь шкаф выглядит так
Инвертор Commander SE SE23400400 SE5.5T 4.0kw (шпиндель ELTE 3.7kw) c наружи пострадал.
mir_20210607_164752.jpg (1264 просмотра) <a class='original' href='./download/file.php?id=198655&sid=cf0a1878ab2e333179c695d2c88049ff&mode=view' target=_blank>Загрузить оригинал (491.01 КБ)</a>
После замены кабелей, монтажных работ и подключения контроллера, он оказался не рабочим.
Олег (Лодочник), после восстановления, в тот же день отправил обратно.
Подключил к шкафу, сделал настройки ШД. Всё заработало, кроме инвертора со шпинделем.
У инвертера подключил входное напряжение и напряжение с него на шпиндель.
На экране инвертера ошибка "HF73"
Из доков:
"HF73 - DSPCOMMS: связь между процессором и DSP не работает
Два микропроцессора взаимодействуют друг с другом через 2-проводную последовательную связь RS485. Если этот внутренний канал последовательной связи выйдет из строя, то привод отключит HF73."

Это подключения, которые были до восстановления
mir_20211004_161723.jpg (1264 просмотра) <a class='original' href='./download/file.php?id=198663&sid=cf0a1878ab2e333179c695d2c88049ff&mode=view' target=_blank>Загрузить оригинал (645.93 КБ)</a>
Левый кабель: тормозной резистор с двумя дополнительными проводами на контакты 4, 9.
Средний кабель: провода входного питающего напряжения и два кабеля, один из которых-RS485(предполагаю для внутренних настроек), а второй (контакты-4, 8, 10, 11, 12), наверное для управления.
Правый кабель: к шпинделю.
Пока готовил тему, отвлекался на инвертер. При разборке, на платах обнаружил копоть от дыма. Почистил их. Теперь на дисплее, как и положено "rd 0.0"

Владеет ли по данному частотнику кто-нибудь информацией?
Как его подключить к DSP A11Е?

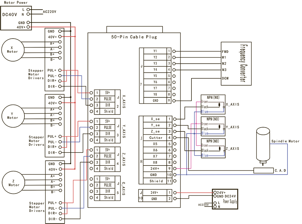
Схема подключения DSP A11 (1264 просмотра) <a class='original' href='./download/file.php?id=198674&sid=cf0a1878ab2e333179c695d2c88049ff&mode=view' target=_blank>Загрузить оригинал (302.54 КБ)</a>
Схема подключения DSP A11
Схема подключения COMMANDER SE (1264 просмотра) <a class='original' href='./download/file.php?id=198675&sid=cf0a1878ab2e333179c695d2c88049ff&mode=view' target=_blank>Загрузить оригинал (98.34 КБ)</a>
Схема подключения COMMANDER SE
Ещё схема подключения COMMANDER SE (1264 просмотра) <a class='original' href='./download/file.php?id=198676&sid=cf0a1878ab2e333179c695d2c88049ff&mode=view' target=_blank>Загрузить оригинал (107.63 КБ)</a>
Ещё схема подключения COMMANDER SE
comm_se_ug_issue_4_rus.pdf
Руководство COMMANDER SE
(1.19 МБ) 207 скачиваний
Аватара пользователя
spryt
Кандидат
Сообщения: 90
Зарегистрирован: 21 май 2017, 20:02
Репутация: 89
Настоящее имя: Тимур
Контактная информация:

Re: Восстановление AXYZ-4016 с заменой контроллера на RichAuto DSP A11

Сообщение spryt »

Схема на крышке частотника
mir_20211001_031337.jpg (1187 просмотров) <a class='original' href='./download/file.php?id=198697&sid=cf0a1878ab2e333179c695d2c88049ff&mode=view' target=_blank>Загрузить оригинал (373.92 КБ)</a>
Kost_irk
Мастер
Сообщения: 1000
Зарегистрирован: 19 июл 2018, 07:46
Репутация: 194
Откуда: Иркутск
Контактная информация:

Re: Восстановление AXYZ-4016 с заменой контроллера на RichAuto DSP A11

Сообщение Kost_irk »

А в чем проблема-то? GND на 0V, Y1 на 10, регулировка скорости тут убогая, не знаю, стоит ли ей заморачиваться. Возможно придется поставить перемычку 9-24V, чтобы enable подать. Все это написано в инструкции к частотнику и пульту, вам лень читать?
Аватара пользователя
spryt
Кандидат
Сообщения: 90
Зарегистрирован: 21 май 2017, 20:02
Репутация: 89
Настоящее имя: Тимур
Контактная информация:

Re: Восстановление AXYZ-4016 с заменой контроллера на RichAuto DSP A11

Сообщение spryt »

Kost_irk писал(а): А в чем проблема-то?
Спасибо, что откликнулись.
Про 10-Y1 и 4-GND я тоже так предполагал.
В интернете наткнулся на такую схему, на другой частотник
111.jpg (1151 просмотр) <a class='original' href='./download/file.php?id=198708&sid=cf0a1878ab2e333179c695d2c88049ff&mode=view' target=_blank>Загрузить оригинал (29.05 КБ)</a>
По ней предполагаю: 11-Y2, 8-Y3, 12-Y4
Enable-ом, как я понял, управляет тепловая зашита тормозного резистора.
Но это всё - догадки.
Не хочется джина выпускать.
Kost_irk
Мастер
Сообщения: 1000
Зарегистрирован: 19 июл 2018, 07:46
Репутация: 194
Откуда: Иркутск
Контактная информация:

Re: Восстановление AXYZ-4016 с заменой контроллера на RichAuto DSP A11

Сообщение Kost_irk »

Да забейте пока на Y2-Y4, эта схема вам не подойдет. Ваш частотник подерживает только 4 фиксированных скорости, есть ли смысл корячиться?
Ответить

Вернуться в «Фрезерные станки по дереву и пластикам, гравировальные станки, роутеры»