Фрезерный станок Beaver 24AV

Фрезерные и гравировальные станки для обработки мягких материалов (дерево, пластики, мягкие металлы).
Ilnur
Новичок
Сообщения: 8
Зарегистрирован: 27 июн 2021, 13:31
Репутация: 0
Настоящее имя: Ильнур
Контактная информация:

Фрезерный станок Beaver 24AV

Сообщение Ilnur »

Добрый день!
Можно ли где-нибудь найти информацию по системе управления данным станком? Где можно достать схемы по подключению (принципиальные схемы)? Есть сам станок без системы управления (отсутствует компьютер), некоторые провода явно откидывали (откручивали). В связи с этим и возникли вопросы.
Аватара пользователя
Rom327
Почётный участник
Почётный участник
Сообщения: 2989
Зарегистрирован: 03 апр 2015, 13:23
Репутация: 437
Настоящее имя: Роман
Откуда: Подольск
Контактная информация:

Re: Фрезерный станок Beaver 24AV

Сообщение Rom327 »

Ilnur писал(а): В связи с этим и возникли вопросы.
Ну если компа в комплекте нет, придется мудрить что-то свое. Выкладывай фотки что есть...
Это сугубо мое мнение, могу и ошибаться...
https://vk.com/rom327
GRBL настройки: http://blogandbux.blogspot.com/2018/07/ ... revod.html
G коды: http://3d-stanki.ru/spravochnik/program ... stankov-2/
Ilnur
Новичок
Сообщения: 8
Зарегистрирован: 27 июн 2021, 13:31
Репутация: 0
Настоящее имя: Ильнур
Контактная информация:

Re: Фрезерный станок Beaver 24AV

Сообщение Ilnur »

Модель 24AV, 5kW
Вложения
20210824_092221.jpg (1674 просмотра) <a class='original' href='./download/file.php?id=197581&sid=ca0d117bc92fe7c39b78e4316ef503ea&mode=view' target=_blank>Загрузить оригинал (3.27 МБ)</a>
20210824_092239.jpg (1674 просмотра) <a class='original' href='./download/file.php?id=197582&sid=ca0d117bc92fe7c39b78e4316ef503ea&mode=view' target=_blank>Загрузить оригинал (3.65 МБ)</a>
Аватара пользователя
Rom327
Почётный участник
Почётный участник
Сообщения: 2989
Зарегистрирован: 03 апр 2015, 13:23
Репутация: 437
Настоящее имя: Роман
Откуда: Подольск
Контактная информация:

Re: Фрезерный станок Beaver 24AV

Сообщение Rom327 »

Моторы есть? Какое посадочное место под моторы? Способ передачи зубчатая рейка?
Это сугубо мое мнение, могу и ошибаться...
https://vk.com/rom327
GRBL настройки: http://blogandbux.blogspot.com/2018/07/ ... revod.html
G коды: http://3d-stanki.ru/spravochnik/program ... stankov-2/
Ilnur
Новичок
Сообщения: 8
Зарегистрирован: 27 июн 2021, 13:31
Репутация: 0
Настоящее имя: Ильнур
Контактная информация:

Re: Фрезерный станок Beaver 24AV

Сообщение Ilnur »

Rom327 писал(а): 24 авг 2021, 09:55 Моторы есть? Какое посадочное место под моторы? Способ передачи зубчатая рейка?
Моторы есть, шаговые двигатели стоят. У меня вопрос в другом: нет мануалов и схемы управления. Некоторые элементы управления отсоединены (либо откинули). Есть ли вообще на такие станки принципиальные схемы? Чтобы понять что куда идет.
Евжений
Мастер
Сообщения: 1168
Зарегистрирован: 05 апр 2016, 20:18
Репутация: 136
Настоящее имя: Жэзэрэл
Откуда: Там, сям.
Контактная информация:

Re: Фрезерный станок Beaver 24AV

Сообщение Евжений »

Ilnur писал(а): У меня вопрос
Ilnur писал(а): Есть ли вообще на такие станки принципиальные схемы?
Не встречал.
ВК https://vk.com/id353124059
О Боже, дай мне .... пендель!
Аватара пользователя
Rom327
Почётный участник
Почётный участник
Сообщения: 2989
Зарегистрирован: 03 апр 2015, 13:23
Репутация: 437
Настоящее имя: Роман
Откуда: Подольск
Контактная информация:

Re: Фрезерный станок Beaver 24AV

Сообщение Rom327 »

Ilnur писал(а): Моторы есть, шаговые двигатели стоят. У меня вопрос в другом: нет мануалов и схемы управления. Некоторые элементы управления отсоединены (либо откинули). Есть ли вообще на такие станки принципиальные схемы? Чтобы понять что куда идет.
Судя по фотографиям которые ты прислал, невозможно понять, что у тебя есть, а чего нет! Пришли фотки ВСЕГО что есть... Иначе бессмысленно задавать вопросы...
Это сугубо мое мнение, могу и ошибаться...
https://vk.com/rom327
GRBL настройки: http://blogandbux.blogspot.com/2018/07/ ... revod.html
G коды: http://3d-stanki.ru/spravochnik/program ... stankov-2/
Ilnur
Новичок
Сообщения: 8
Зарегистрирован: 27 июн 2021, 13:31
Репутация: 0
Настоящее имя: Ильнур
Контактная информация:

Re: Фрезерный станок Beaver 24AV

Сообщение Ilnur »

Rom327 писал(а): 24 авг 2021, 11:13
Ilnur писал(а): Моторы есть, шаговые двигатели стоят. У меня вопрос в другом: нет мануалов и схемы управления. Некоторые элементы управления отсоединены (либо откинули). Есть ли вообще на такие станки принципиальные схемы? Чтобы понять что куда идет.
Судя по фотографиям которые ты прислал, невозможно понять, что у тебя есть, а чего нет! Пришли фотки ВСЕГО что есть... Иначе бессмысленно задавать вопросы...
А какие фотки нужны? И как это мне поможет в поиске документации по электрике (схемы)?
Аватара пользователя
Mamont
Мастер
Сообщения: 2005
Зарегистрирован: 10 дек 2015, 12:21
Репутация: 391
Настоящее имя: Виталий
Откуда: РБ Минск
Контактная информация:

Re: Фрезерный станок Beaver 24AV

Сообщение Mamont »

Ilnur писал(а): А какие фотки нужны?
Видишь на второй фотке провода заходят в коробку. Открой крышку, пофоткай внутренности.
Ilnur писал(а): И как это мне поможет в поиске документации по электрике (схемы)?
Никак. Но тебе расскажут чего не хватает, что нужно докупить, как подключить
Ilnur
Новичок
Сообщения: 8
Зарегистрирован: 27 июн 2021, 13:31
Репутация: 0
Настоящее имя: Ильнур
Контактная информация:

Re: Фрезерный станок Beaver 24AV

Сообщение Ilnur »

Mamont писал(а): 24 авг 2021, 13:13
Ilnur писал(а): А какие фотки нужны?
Видишь на второй фотке провода заходят в коробку. Открой крышку, пофоткай внутренности.
Ilnur писал(а): И как это мне поможет в поиске документации по электрике (схемы)?
Никак. Но тебе расскажут чего не хватает, что нужно докупить, как подключить
Вот фото. Внутри 4 драйвера ШГ и 1 частотник (начерно для всасывания стружки)
Вложения
20210824_092221.jpg (1609 просмотров) <a class='original' href='./download/file.php?id=197592&sid=ca0d117bc92fe7c39b78e4316ef503ea&mode=view' target=_blank>Загрузить оригинал (3.27 МБ)</a>
20210824_092239.jpg (1609 просмотров) <a class='original' href='./download/file.php?id=197593&sid=ca0d117bc92fe7c39b78e4316ef503ea&mode=view' target=_blank>Загрузить оригинал (3.65 МБ)</a>
20210824_133425.jpg (1609 просмотров) <a class='original' href='./download/file.php?id=197594&sid=ca0d117bc92fe7c39b78e4316ef503ea&mode=view' target=_blank>Загрузить оригинал (3.62 МБ)</a>
20210824_133439.jpg (1609 просмотров) <a class='original' href='./download/file.php?id=197595&sid=ca0d117bc92fe7c39b78e4316ef503ea&mode=view' target=_blank>Загрузить оригинал (3.2 МБ)</a>
20210824_133443.jpg (1609 просмотров) <a class='original' href='./download/file.php?id=197596&sid=ca0d117bc92fe7c39b78e4316ef503ea&mode=view' target=_blank>Загрузить оригинал (3.48 МБ)</a>
20210824_133501.jpg (1609 просмотров) <a class='original' href='./download/file.php?id=197597&sid=ca0d117bc92fe7c39b78e4316ef503ea&mode=view' target=_blank>Загрузить оригинал (3.51 МБ)</a>
20210824_133508.jpg (1609 просмотров) <a class='original' href='./download/file.php?id=197598&sid=ca0d117bc92fe7c39b78e4316ef503ea&mode=view' target=_blank>Загрузить оригинал (4.17 МБ)</a>
20210824_133512.jpg (1609 просмотров) <a class='original' href='./download/file.php?id=197599&sid=ca0d117bc92fe7c39b78e4316ef503ea&mode=view' target=_blank>Загрузить оригинал (3 МБ)</a>
nevkon
Почётный участник
Почётный участник
Сообщения: 2477
Зарегистрирован: 17 июл 2015, 10:25
Репутация: 310
Настоящее имя: Константин
Откуда: Балаково (Саратовская обл.)
Контактная информация:

Re: Фрезерный станок Beaver 24AV

Сообщение nevkon »

В этой мешанине проводов будет сложно что-нибудь понять сходу. Драйвера больше на серво смахивают, особенно разъемами.
Разъемчик на последнем фото похож на тот что используется в плате нц-студио. Хотя может быть и любая другая. Контроллера внутри не видно, значит был в ПК.
Аватара пользователя
Rom327
Почётный участник
Почётный участник
Сообщения: 2989
Зарегистрирован: 03 апр 2015, 13:23
Репутация: 437
Настоящее имя: Роман
Откуда: Подольск
Контактная информация:

Re: Фрезерный станок Beaver 24AV

Сообщение Rom327 »

Странно последнее время себя авторы вопросов ведут... Задают вопрос и не предоставляют полной информации. А на наводящие вопросы пытаются скалиться, типа "а это то вам зачем?" Непонятно, нужно им помогать или нет...
Это сугубо мое мнение, могу и ошибаться...
https://vk.com/rom327
GRBL настройки: http://blogandbux.blogspot.com/2018/07/ ... revod.html
G коды: http://3d-stanki.ru/spravochnik/program ... stankov-2/
Ilnur
Новичок
Сообщения: 8
Зарегистрирован: 27 июн 2021, 13:31
Репутация: 0
Настоящее имя: Ильнур
Контактная информация:

Re: Фрезерный станок Beaver 24AV

Сообщение Ilnur »

nevkon писал(а): 24 авг 2021, 15:30 В этой мешанине проводов будет сложно что-нибудь понять сходу. Драйвера больше на серво смахивают, особенно разъемами.
Разъемчик на последнем фото похож на тот что используется в плате нц-студио. Хотя может быть и любая другая. Контроллера внутри не видно, значит был в ПК.
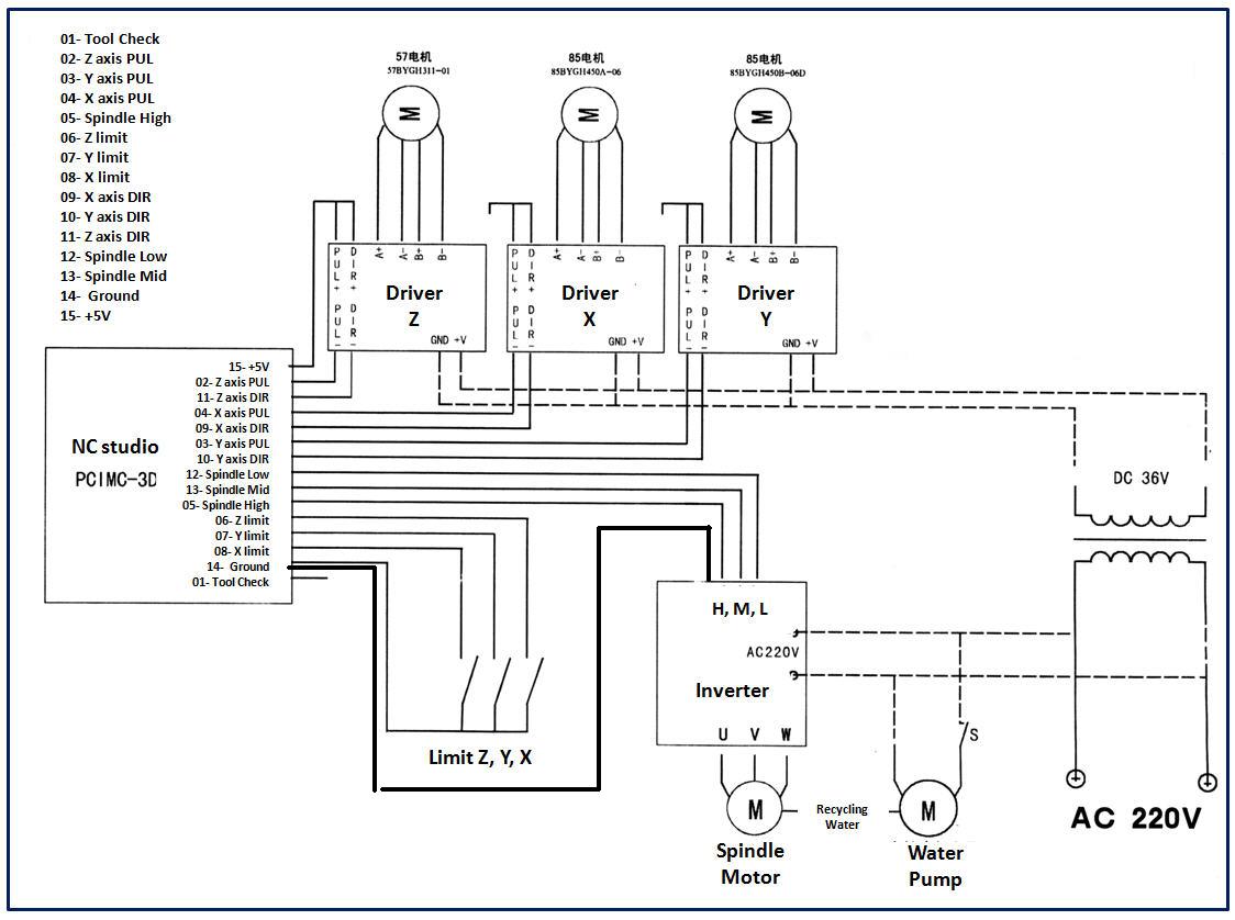
На этом станке точно шаговики стоят. Спасибо за помощь, в ближайшее время буду разбираться с электрикой. Думал, может у кого завалялись схемы или еще какая-нибудь информация по подобным станкам.
nevkon
Почётный участник
Почётный участник
Сообщения: 2477
Зарегистрирован: 17 июл 2015, 10:25
Репутация: 310
Настоящее имя: Константин
Откуда: Балаково (Саратовская обл.)
Контактная информация:

Re: Фрезерный станок Beaver 24AV

Сообщение nevkon »

Там у вас типовая схема подключения, ничего необычного не видно.
Аватара пользователя
Rom327
Почётный участник
Почётный участник
Сообщения: 2989
Зарегистрирован: 03 апр 2015, 13:23
Репутация: 437
Настоящее имя: Роман
Откуда: Подольск
Контактная информация:

Re: Фрезерный станок Beaver 24AV

Сообщение Rom327 »

Если стояла NCStudio То информации полно...
Вложения
NC.jpg (1501 просмотр) <a class='original' href='./download/file.php?id=197604&sid=ca0d117bc92fe7c39b78e4316ef503ea&mode=view' target=_blank>Загрузить оригинал (104.24 КБ)</a>
Это сугубо мое мнение, могу и ошибаться...
https://vk.com/rom327
GRBL настройки: http://blogandbux.blogspot.com/2018/07/ ... revod.html
G коды: http://3d-stanki.ru/spravochnik/program ... stankov-2/
Ответить

Вернуться в «Фрезерные станки по дереву и пластикам, гравировальные станки, роутеры»