Странности ПИД - регулятора.

Обсуждение установки, настройки и использования LinuxCNC. Вопросы по Gкоду.
SDRF
Новичок
Сообщения: 27
Зарегистрирован: 25 фев 2021, 12:17
Репутация: 0
Настоящее имя: Константин
Контактная информация:

Странности ПИД - регулятора.

Сообщение SDRF »

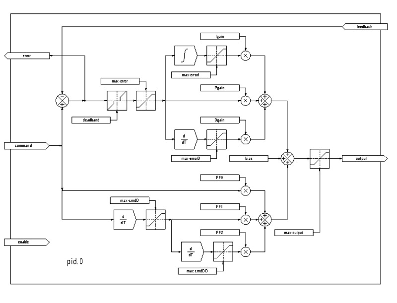
Добрый день, прошу помощи всех неравнодушных. В общем столкнулся со странным поведением ПИД-регулятора по оси Z, а именно непрогнозируемое вычисление выхода. Для сравнения ось X. Вывел на экран все параметры. Судя по схеме компонента все просто и по оси X более менее бьется (тупо ошибка перемножается на P-компоненту), а Z ни в какую За качество извиняюсь.
Вложения
pid-block-diag (1).png (805 просмотров) <a class='original' href='./download/file.php?id=197441&mode=view' target=_blank>Загрузить оригинал (37 КБ)</a>
фото ПИД.jpg (805 просмотров) <a class='original' href='./download/file.php?id=197442&mode=view' target=_blank>Загрузить оригинал (3.5 МБ)</a>
SVP
Мастер
Сообщения: 6140
Зарегистрирован: 19 дек 2012, 15:49
Репутация: 884
Откуда: Москва
Контактная информация:

Re: Странности ПИД - регулятора.

Сообщение SVP »

Z от X отличается тем, что по-разному работает в + и в - (если не подпружинена).

> (тупо ошибка перемножается на P-компоненту)
Это не ПИД...
SDRF
Новичок
Сообщения: 27
Зарегистрирован: 25 фев 2021, 12:17
Репутация: 0
Настоящее имя: Константин
Контактная информация:

Re: Странности ПИД - регулятора.

Сообщение SDRF »

SVP писал(а): 19 авг 2021, 11:02 Это не ПИД...
почему ? Судя по схеме, коэффициенты перемножаются на ошибку, результаты складываются и отправляются на выход
Ответить

Вернуться в «LinuxCNC»