Модернизация токарного Mazak QuickTurn 6T_Замена Mitsubishi
- gerka
- Кандидат
- Сообщения: 71
- Зарегистрирован: 11 дек 2013, 13:24
- Репутация: 44
- Откуда: Москва
- Контактная информация:
Модернизация токарного Mazak QuickTurn 6T_Замена Mitsubishi
Всем привет.
Появился у меня вот такой редкий станочек, Mazak QuickTurn 6T (QT6T) год выпуска середина 1998г. Стойка MAZATROL T Plus Габариты станка небольшие, ход по Z 195мм, по X 80мм, револьвер на 8мь инструментов.
По железу практически нет проблем, нужно перебрать и покрасить, а вот по электроники есть вопросы.
Как писал выше стойка MAZATROL T Plus, без опции G-кода (дорогая доп. опция) желание разбираться в Mazatrolе - нет...
Одним словом когда брал станок понимал, что беру под модернизацию.
Весь станок на комплектующих Mitsubishi, есть желание поставить стойку аля Fanuc, китайские аналоги - Но нужно подружить железо.
Помогите разобраться: 1. Серводрайверы Mitsubishi MDS-B-SVJ2-06 - инструкция - можно им управлять сторонний стойкой? как я понял управление только аналог +/- 10в
2. Драйвер Шпинделя Mitsubishi MDS-B-SP-75 - инструкция - можно управлять 0-10В?
3. Блок питания MDS-A-CR-55
С такими серводрайверами встречаюсь в первые...
Как видно на фото они соединены одной шиной и получают сигнал по ней же..
У меня нет задачи соединять все одной шиной, главное что бы можно было адаптировать под современную стойку.
Без помощи гуру будет сложно разобраться...
сам не электронщик, но фазу о нуля отличаю)))
Появился у меня вот такой редкий станочек, Mazak QuickTurn 6T (QT6T) год выпуска середина 1998г. Стойка MAZATROL T Plus Габариты станка небольшие, ход по Z 195мм, по X 80мм, револьвер на 8мь инструментов.
По железу практически нет проблем, нужно перебрать и покрасить, а вот по электроники есть вопросы.
Как писал выше стойка MAZATROL T Plus, без опции G-кода (дорогая доп. опция) желание разбираться в Mazatrolе - нет...
Одним словом когда брал станок понимал, что беру под модернизацию.
Весь станок на комплектующих Mitsubishi, есть желание поставить стойку аля Fanuc, китайские аналоги - Но нужно подружить железо.
Помогите разобраться: 1. Серводрайверы Mitsubishi MDS-B-SVJ2-06 - инструкция - можно им управлять сторонний стойкой? как я понял управление только аналог +/- 10в
2. Драйвер Шпинделя Mitsubishi MDS-B-SP-75 - инструкция - можно управлять 0-10В?
3. Блок питания MDS-A-CR-55
С такими серводрайверами встречаюсь в первые...
Как видно на фото они соединены одной шиной и получают сигнал по ней же..
У меня нет задачи соединять все одной шиной, главное что бы можно было адаптировать под современную стойку.
Без помощи гуру будет сложно разобраться...
сам не электронщик, но фазу о нуля отличаю)))
Последний раз редактировалось gerka 29 май 2021, 12:16, всего редактировалось 2 раза.
cncworks
- merkwurdigliebe
- Мастер
- Сообщения: 609
- Зарегистрирован: 17 дек 2013, 22:14
- Репутация: 580
- Откуда: București
- Контактная информация:
Re: Модернизация токарного Mazak QuickTurn 6T (QT6T)
эти сервы управляются только по шине. если менять - только на другой мицубисевский контроллер. или linuxcnc.
- gerka
- Кандидат
- Сообщения: 71
- Зарегистрирован: 11 дек 2013, 13:24
- Репутация: 44
- Откуда: Москва
- Контактная информация:
Re: Модернизация токарного Mazak QuickTurn 6T (QT6T)
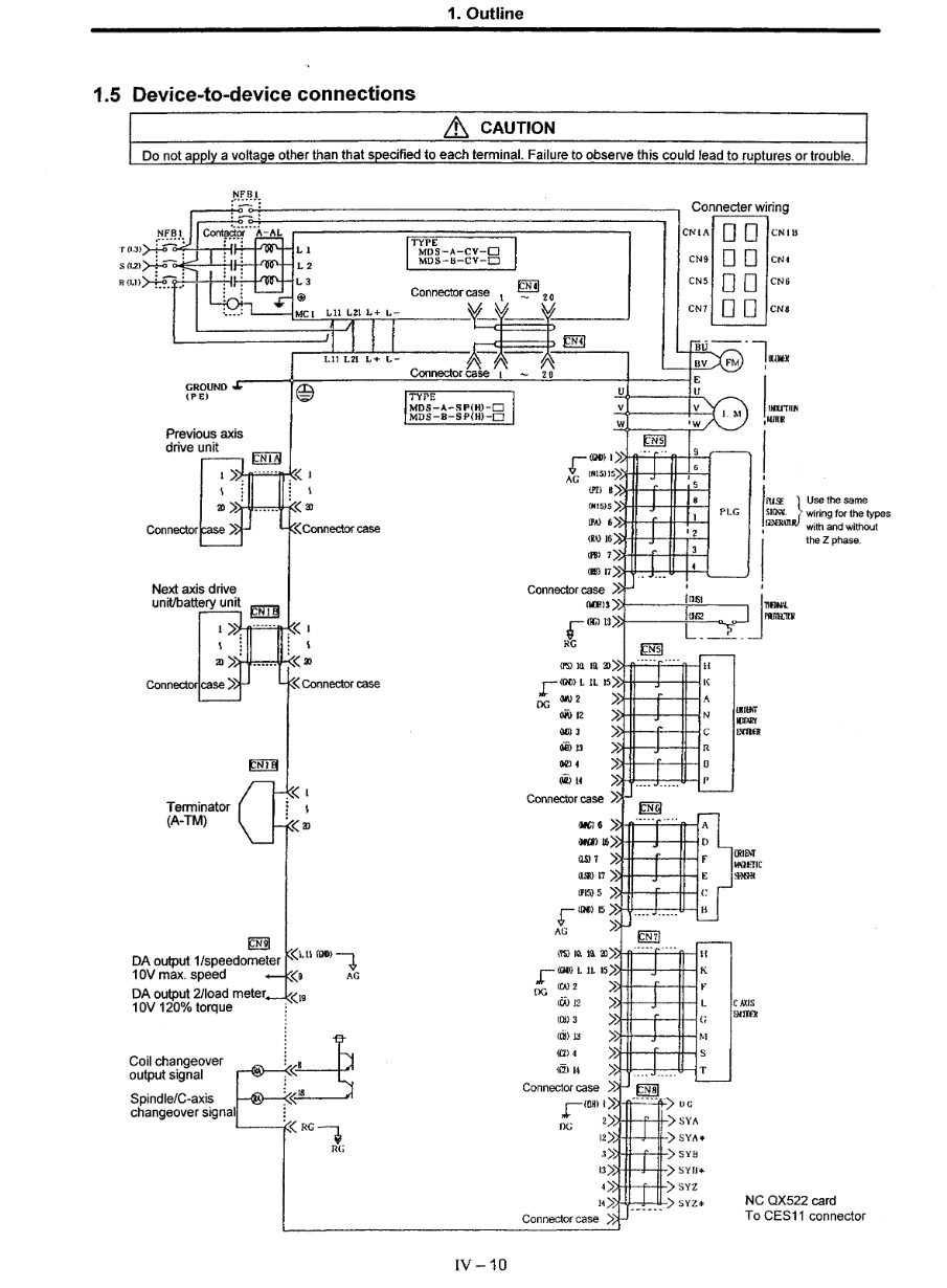
Вот страница из мануала драйвера (MDS-B-SP-75) шпинделя:
- Выход CN8 (внизу справа) - это выходы инкрементального энкодера, который можно завести в стойку.
- CN9 (внизу слева) это только для подключения спидометра и нагрузки шпинделя?
Т.е. тут тоже без вариантов управлять?
- CN9 (внизу слева) это только для подключения спидометра и нагрузки шпинделя?
Т.е. тут тоже без вариантов управлять?
cncworks
- merkwurdigliebe
- Мастер
- Сообщения: 609
- Зарегистрирован: 17 дек 2013, 22:14
- Репутация: 580
- Откуда: București
- Контактная информация:
- gerka
- Кандидат
- Сообщения: 71
- Зарегистрирован: 11 дек 2013, 13:24
- Репутация: 44
- Откуда: Москва
- Контактная информация:
Re: Модернизация токарного Mazak QuickTurn 6T (QT6T)
Тогда остается вопрос, можно ли оставить сервомотры и подобрать к ним серводрайверы?
И что делать со шпинделем? в данном станке шпиндель является шпиндель-мотор работатет на оборотах 35-7000 в мин. - к нему частотник подбирать?
cncworks
- merkwurdigliebe
- Мастер
- Сообщения: 609
- Зарегистрирован: 17 дек 2013, 22:14
- Репутация: 580
- Откуда: București
- Контактная информация:
Re: Модернизация токарного Mazak QuickTurn 6T (QT6T)
сервы маленькие - дешевле их заменить комплектом с усилками, чем заморачиваться с энкодерами. могут только быть механические сложности если они с коническими валами.
шпиндель - асинхронник. частотник подобрать можно, но надо на 200 вольт. трехфазный транс 400->200, наверное, на станке уже есть. энкодер (PLG) на шпинделе, скорее всего, модульный - где-то там присутствуют sin/cos аналоговые сигналы. их можно скормить какому-нить интерполятору и получить квадратуру для частотника и ЧПУ. C-оси, полагаю, нет... да, шпиндельные моторы бывают с 2 группами обмоток статора. MDS-B-SP их умеет переключать, а как частотники - я не знаю...
ну или вот посвежее мицушный контроллер (E68) продают: viewtopic.php?p=591825
шпиндель - асинхронник. частотник подобрать можно, но надо на 200 вольт. трехфазный транс 400->200, наверное, на станке уже есть. энкодер (PLG) на шпинделе, скорее всего, модульный - где-то там присутствуют sin/cos аналоговые сигналы. их можно скормить какому-нить интерполятору и получить квадратуру для частотника и ЧПУ. C-оси, полагаю, нет... да, шпиндельные моторы бывают с 2 группами обмоток статора. MDS-B-SP их умеет переключать, а как частотники - я не знаю...
ну или вот посвежее мицушный контроллер (E68) продают: viewtopic.php?p=591825
- gerka
- Кандидат
- Сообщения: 71
- Зарегистрирован: 11 дек 2013, 13:24
- Репутация: 44
- Откуда: Москва
- Контактная информация:
Re: Модернизация токарного Mazak QuickTurn 6T (QT6T)
Сервы относительно большие, фланец 130мм характеристики на фото.
Подбирал китайские аналоги по размеру и крутящему моменту, в итоги 130ST-M04025 на 1кВт, встают практически без переделки.
Отличие только по оборотам у родных 3000, а у китайских 2500. но думаю это не критично)
Теперь по шпинделю, фото:
Инструкции по нему нет, поэтому есть вопросы У станка есть большой трансформатор, но что у него на выходе пока не смотрел.
Нужно подобрать частотник под этот шпиндель, но как понять в какой диапазоне частот он должен работать? шпиндель высокооборотный (7000 в мин.)
Выходной ток 200в можно просто выставить в настройках частотника.
Энкодер встроен в шпиндель-мотор Вроде как выходит 8 проводов, что говорит о том что это инкрементальный энкодер?
Отличие только по оборотам у родных 3000, а у китайских 2500. но думаю это не критично)
Теперь по шпинделю, фото:
Инструкции по нему нет, поэтому есть вопросы У станка есть большой трансформатор, но что у него на выходе пока не смотрел.
Нужно подобрать частотник под этот шпиндель, но как понять в какой диапазоне частот он должен работать? шпиндель высокооборотный (7000 в мин.)
Выходной ток 200в можно просто выставить в настройках частотника.
Энкодер встроен в шпиндель-мотор Вроде как выходит 8 проводов, что говорит о том что это инкрементальный энкодер?
cncworks
- merkwurdigliebe
- Мастер
- Сообщения: 609
- Зарегистрирован: 17 дек 2013, 22:14
- Репутация: 580
- Откуда: București
- Контактная информация:
Re: Модернизация токарного Mazak QuickTurn 6T (QT6T)
HA43NC - 500Вт, киловаттных китайцев, да еще 2500рпм должно за глаза хватить.
энкодер - ну да, инкрементальный. датчик энкодера подключается к плате предусилителя, на разъеме которой должны уже быть нормальные дифференциальные ABZ сигналы. вот есть мануал по настройке: http://yurtaev.com/files/M500_PLG_Adjustment.pdf
если шпиндельный мотор четырехполюсный, 8000 рпм - это около 280Гц, ничего особенного. ток выставить можно, напряжение - нет. ну и я бы искал частотник, поддерживающий обратную связь с энкодера.. точнее узнать что за мотор и его характеристики можно, если конторллер живой и сохранились параметры шпиндельного усилка (SPnnn).
энкодер - ну да, инкрементальный. датчик энкодера подключается к плате предусилителя, на разъеме которой должны уже быть нормальные дифференциальные ABZ сигналы. вот есть мануал по настройке: http://yurtaev.com/files/M500_PLG_Adjustment.pdf
если шпиндельный мотор четырехполюсный, 8000 рпм - это около 280Гц, ничего особенного. ток выставить можно, напряжение - нет. ну и я бы искал частотник, поддерживающий обратную связь с энкодера.. точнее узнать что за мотор и его характеристики можно, если конторллер живой и сохранились параметры шпиндельного усилка (SPnnn).
- gerka
- Кандидат
- Сообщения: 71
- Зарегистрирован: 11 дек 2013, 13:24
- Репутация: 44
- Откуда: Москва
- Контактная информация:
Re: Модернизация токарного Mazak QuickTurn 6T (QT6T)
Эти схемы по энкодеру для меня - темный лес)
Стойка живая, покопаюсь в параметрах, может что найду по шпинделю.
Напряжение и ток можно настроить в частотнике, это есть не в каждом частотнике конкретно в этом от 0 до входящего напряжения... Или я не прав? Только не совсем понятно, на шильдике шпинделя указано максимально 38А а на частотнике 13.2 Аmerkwurdigliebe писал(а): ↑ ток выставить можно, напряжение - нет
Стойка живая, покопаюсь в параметрах, может что найду по шпинделю.
Последний раз редактировалось gerka 29 апр 2021, 12:52, всего редактировалось 1 раз.
cncworks
-
kfmut
- Мастер
- Сообщения: 1249
- Зарегистрирован: 30 янв 2021, 21:34
- Репутация: 147
- Настоящее имя: Максим
- Откуда: г.Тверь
- Контактная информация:
Re: Модернизация токарного Mazak QuickTurn 6T (QT6T)
Под максимальным током, видимо, подразумевается пусковой, он в 4-5 раз будет больше номинального/рабочего, да и при использовании частотника и плавного увеличения оборотов на старте этот максимальный ток не особо актуален наверное 
- gerka
- Кандидат
- Сообщения: 71
- Зарегистрирован: 11 дек 2013, 13:24
- Репутация: 44
- Откуда: Москва
- Контактная информация:
Re: Модернизация токарного Mazak QuickTurn 6T (QT6T)
Посмотрел в пользовательский и машинных параметрах, про шпиндель не слово... софт лимиты, скорости осей и прочие настройки но про шпиндель ни-ни.merkwurdigliebe писал(а): ↑ точнее узнать что за мотор и его характеристики можно, если конторллер живой и сохранились параметры шпиндельного усилка (SPnnn).
Может не там смотрю?
cncworks
- mikehv
- Мастер
- Сообщения: 2115
- Зарегистрирован: 14 авг 2013, 10:10
- Репутация: 1175
- Откуда: Иваново
- Контактная информация:
Re: Модернизация токарного Mazak QuickTurn 6T (QT6T)
Эх я бы лучше на родной стойке поработал сначала. Токарнику все же можно и без CAM обходиться.
- gerka
- Кандидат
- Сообщения: 71
- Зарегистрирован: 11 дек 2013, 13:24
- Репутация: 44
- Откуда: Москва
- Контактная информация:
Re: Модернизация токарного Mazak QuickTurn 6T (QT6T)
Согласен, но не могу я работать нормально когда не понимаю что в электрошкафу происходит. Плюс ко всему в случае выхода из строя чего то из мазатрола, ремонт стоит конских денег, да и еще не найдешь.
Позвонил в Мазак Россия, так они только за постановку на учет просят 3000 евро. После этого готовы консультировать по телефону.
Любой ремонт будет стоить от 1000 евро + запчасти...
Не говоря уже о внутренний памяти всего на 10-15 программ и отсутствие USB... в день бываете по 10 разных деталей нужно сделать по 5-10 шт.
cncworks
- mikehv
- Мастер
- Сообщения: 2115
- Зарегистрирован: 14 авг 2013, 10:10
- Репутация: 1175
- Откуда: Иваново
- Контактная информация:
Re: Модернизация токарного Mazak QuickTurn 6T (QT6T)
Это понимаю. У самого есть станок на древнем фануке. Те же проблемы. Но работаю, пока не встанет)
- gerka
- Кандидат
- Сообщения: 71
- Зарегистрирован: 11 дек 2013, 13:24
- Репутация: 44
- Откуда: Москва
- Контактная информация:
Re: Модернизация токарного Mazak QuickTurn 6T (QT6T)
В том то и дело что старый добрый фанук, а тут мазатрол, он конечно крутой но взять и изучить сложно.
Еще зыбыл сказать, что станок работал с барфидером и в элетршкафу немало проводов, релюшек и прочего хлама который не используется, но весят перемычки что бы станок игнорировал отсутствие барфидера.
Очень хочется все лишние убрать и модернизировать на современный лад. Китайцы в этом плане нас выручают)
cncworks
-
Malyarka74
- Мастер
- Сообщения: 695
- Зарегистрирован: 20 май 2017, 13:39
- Репутация: 158
- Настоящее имя: Сергей
- Контактная информация:
Re: Модернизация токарного Mazak QuickTurn 6T (QT6T)
Тогда может действительно проще сменить на Китай и шпиндель перевести на асинхронник с хорошим частотником. Но это как вариант
- gerka
- Кандидат
- Сообщения: 71
- Зарегистрирован: 11 дек 2013, 13:24
- Репутация: 44
- Откуда: Москва
- Контактная информация:
Re: Модернизация токарного Mazak QuickTurn 6T (QT6T)
Появилась такая мысль, а можно оставить старые сервомоторы и управлять ими современными минсубишивскими приводами?
Вот на алли, наткнулся (не реклама) https://aliexpress.ru/item/40004362355 ... 72f3dYiKQA
Вот на алли, наткнулся (не реклама) https://aliexpress.ru/item/40004362355 ... 72f3dYiKQA
cncworks
- inFamous
- Мастер
- Сообщения: 801
- Зарегистрирован: 04 янв 2018, 15:33
- Репутация: 278
- Контактная информация:
Re: Модернизация токарного Mazak QuickTurn 6T (QT6T)
ох уж эти попытки сэкономить на ровном месте и приобрести себе гемора в случае несовместимости привода и мотора...gerka писал(а): ↑17 май 2021, 11:59 Появилась такая мысль, а можно оставить старые сервомоторы и управлять ими современными минсубишивскими приводами?
Вот на алли, наткнулся (не реклама) https://aliexpress.ru/item/40004362355 ... 72f3dYiKQA
-
ex71
- Мастер
- Сообщения: 759
- Зарегистрирован: 18 май 2019, 13:23
- Репутация: 109
- Настоящее имя: Андрей
- Контактная информация:
Re: Модернизация токарного Mazak QuickTurn 6T (QT6T)
да особенно учитывая что на директе такие драйвера по 6-7к продаются. Но заказать с алика за 10-20 значительно интереснее, ведь надо сэъкономить.inFamous писал(а): ↑18 май 2021, 07:39ох уж эти попытки сэкономить на ровном месте и приобрести себе гемора в случае несовместимости привода и мотора...gerka писал(а): ↑17 май 2021, 11:59 Появилась такая мысль, а можно оставить старые сервомоторы и управлять ими современными минсубишивскими приводами?
Вот на алли, наткнулся (не реклама) https://aliexpress.ru/item/40004362355 ... 72f3dYiKQA
Зачем покупать на директе мотор+драйвер за 15, если можно на алике драйвер за 20 взять на 400вт )
