Всем, доброго времени суток!
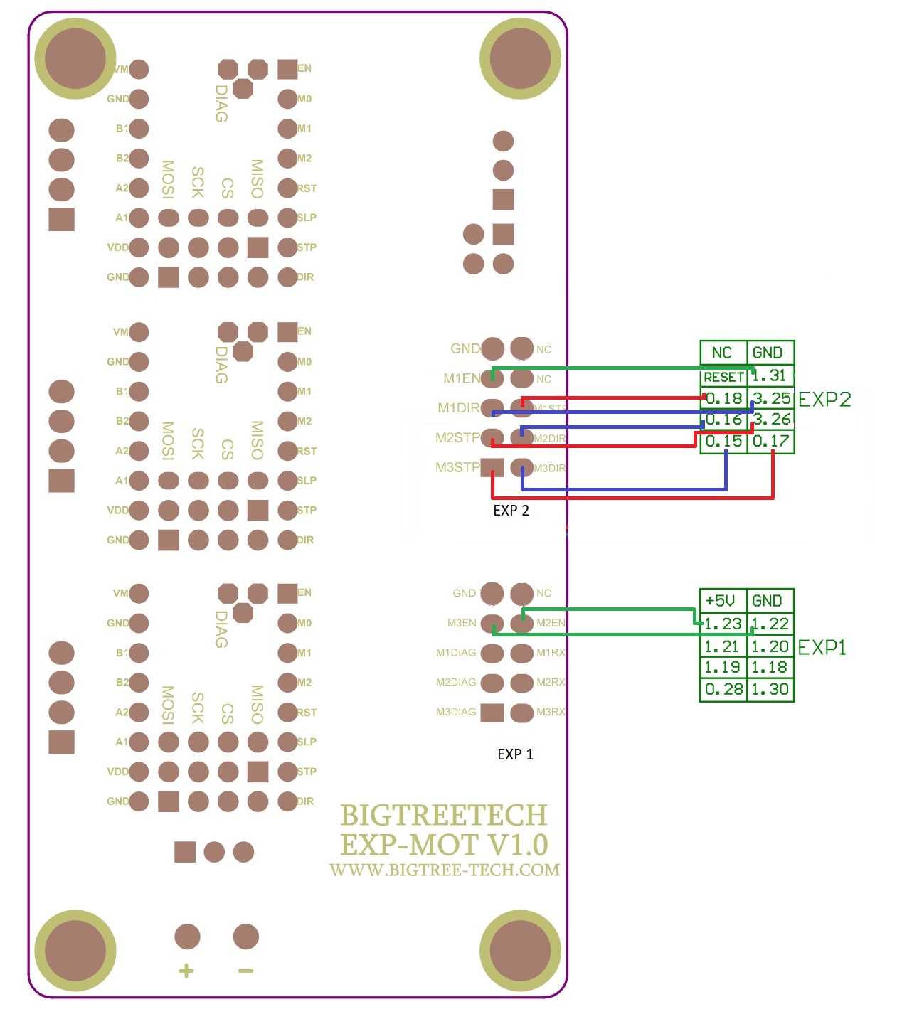
Задача заключается в том, чтобы подключить 4 ШД независимо друг от друга на ось Z. Параллельное/последовательное соединение двигателей на 1-2 драйвера не подходит. В конструкции используется SKR 1.4 turbo и EXP MOT V1 (расширение на 3 двигателя, подключаемое к основной плате через EXP1 и EXP2).
Проблема заключается в том, что из 4 ШД работает только 2. Все драйверы, платы и ШД в рабочем состоянии, проводка не нарушена. Возможно некорректно назначены пины для разъемов ШД 1 и 3 (ниже приведена схема и назначения пинов в прошивке). Возможно что-то не учтено в прошивке, но что - загадка.
Работает ШД 1 - подключен напрямую в SKR на ось Z,
Работает ШД 2 - подключен во второй разъем (М2) EXP MOT.
ШД 3 и 4 подключены в разъем М1 и М3 в EXP MOT, но не работают.
Буду очень благодарен, если будут идеи и предложения.
Прошивка Марлин версии 2:
Configuration_adv.h
#define NUM_Z_STEPPER_DRIVERS 4
Configuration.h
#define X_DRIVER_TYPE TMC2208_STANDALONE
#define Y_DRIVER_TYPE TMC2208_STANDALONE
#define Z_DRIVER_TYPE TMC2208_STANDALONE
#define Z2_DRIVER_TYPE TMC2208_STANDALONE
#define Z3_DRIVER_TYPE TMC2208_STANDALONE
#define Z4_DRIVER_TYPE TMC2208_STANDALONE
#define E0_DRIVER_TYPE TMC2208_STANDALONE
Назначение пинов в закладке платы:
#define Z_STEP_PIN P0_22
#define Z_DIR_PIN P2_11
#define Z_ENABLE_PIN P0_21
#ifndef Z_CS_PIN
#define Z_CS_PIN P1_08
#endif
#define Z2_STEP_PIN P0_18
#define Z2_DIR_PIN P3_25
#define Z2_ENABLE_PIN P1_31
#define Z3_STEP_PIN P3_26
#define Z3_DIR_PIN P0_16
#define Z3_ENABLE_PIN P1_23
#define Z4_STEP_PIN P0_17
#define Z4_DIR_PIN P0_15
#define Z4_ENABLE_PIN P1_22
4 драйвера на ось z
-
Kost_irk
- Мастер
- Сообщения: 1000
- Зарегистрирован: 19 июл 2018, 07:46
- Репутация: 194
- Откуда: Иркутск
- Контактная информация:
Re: 4 драйвера на ось z
А разъемы ехр1 и ехр2 это же экран был? А вы его в прошивке отключили?
-
HCDKutber
- Новичок
- Сообщения: 3
- Зарегистрирован: 06 фев 2021, 17:10
- Репутация: 0
- Настоящее имя: Виталий
- Контактная информация:
Re: 4 драйвера на ось z
В прошивке дисплей не выбран - пользуюсь дисплеем со своим мк.
-
HCDKutber
- Новичок
- Сообщения: 3
- Зарегистрирован: 06 фев 2021, 17:10
- Репутация: 0
- Настоящее имя: Виталий
- Контактная информация:
Re: 4 драйвера на ось z
Проблема решена. Итог.
Configuration h:
// Указываем драйверы:
#define X_DRIVER_TYPE TMC2208_STANDALONE
#define Y_DRIVER_TYPE TMC2208_STANDALONE
#define Z_DRIVER_TYPE TMC2208_STANDALONE
#define Z2_DRIVER_TYPE TMC2208_STANDALONE
#define Z3_DRIVER_TYPE TMC2208_STANDALONE
#define Z4_DRIVER_TYPE TMC2208_STANDALONE
Configuration h:
Еще можно инвертировать двигатели, если у кого то движутся в обратном направлении. У меня 3 двигателя крутились в одну сторону, один двигатель в обратную:
#define INVERT_X_DIR false
#define INVERT_Y_DIR false
#define INVERT_Z_DIR false
#define INVERT_Z1_DIR false
#define INVERT_Z2_DIR true
#define INVERT_Z3_DIR false
Configuration_adv.h:
// Указываем количество драйвером на ось Z
#define NUM_Z_STEPPER_DRIVERS 4
Pins - > LPC 1768 -> pins_BTT_SKR_V1.4.h
//Прописываем пины для двигателей
#define Z_STEP_PIN P0_22
#define Z_DIR_PIN P2_11
#define Z_ENABLE_PIN P0_21
#ifndef Z_CS_PIN
#define Z_CS_PIN P1_08
#endif
#define Z2_STEP_PIN P0_18
#define Z2_DIR_PIN P3_25
#define Z2_ENABLE_PIN P1_31
#ifndef Z2_CS_PIN
#define Z2_CS_PIN P1_21
#endif
#define Z3_STEP_PIN P3_26
#define Z3_DIR_PIN P0_16
#define Z3_ENABLE_PIN P1_23
#ifndef Z3_CS_PIN
#define Z3_CS_PIN P1_19
#endif
#define Z4_STEP_PIN P0_17
#define Z4_DIR_PIN P0_15
#define Z4_ENABLE_PIN P1_22
#ifndef Z4_CS_PIN
#define Z4_CS_PIN P0_28
#endif
Configuration h:
// Указываем драйверы:
#define X_DRIVER_TYPE TMC2208_STANDALONE
#define Y_DRIVER_TYPE TMC2208_STANDALONE
#define Z_DRIVER_TYPE TMC2208_STANDALONE
#define Z2_DRIVER_TYPE TMC2208_STANDALONE
#define Z3_DRIVER_TYPE TMC2208_STANDALONE
#define Z4_DRIVER_TYPE TMC2208_STANDALONE
Configuration h:
Еще можно инвертировать двигатели, если у кого то движутся в обратном направлении. У меня 3 двигателя крутились в одну сторону, один двигатель в обратную:
#define INVERT_X_DIR false
#define INVERT_Y_DIR false
#define INVERT_Z_DIR false
#define INVERT_Z1_DIR false
#define INVERT_Z2_DIR true
#define INVERT_Z3_DIR false
Configuration_adv.h:
// Указываем количество драйвером на ось Z
#define NUM_Z_STEPPER_DRIVERS 4
Pins - > LPC 1768 -> pins_BTT_SKR_V1.4.h
//Прописываем пины для двигателей
#define Z_STEP_PIN P0_22
#define Z_DIR_PIN P2_11
#define Z_ENABLE_PIN P0_21
#ifndef Z_CS_PIN
#define Z_CS_PIN P1_08
#endif
#define Z2_STEP_PIN P0_18
#define Z2_DIR_PIN P3_25
#define Z2_ENABLE_PIN P1_31
#ifndef Z2_CS_PIN
#define Z2_CS_PIN P1_21
#endif
#define Z3_STEP_PIN P3_26
#define Z3_DIR_PIN P0_16
#define Z3_ENABLE_PIN P1_23
#ifndef Z3_CS_PIN
#define Z3_CS_PIN P1_19
#endif
#define Z4_STEP_PIN P0_17
#define Z4_DIR_PIN P0_15
#define Z4_ENABLE_PIN P1_22
#ifndef Z4_CS_PIN
#define Z4_CS_PIN P0_28
#endif