Недочастотник

Шаговые и серво двигатели, шпиндели, инверторы.
Аватара пользователя
ART_ME
Мастер
Сообщения: 394
Зарегистрирован: 17 ноя 2015, 18:05
Репутация: -40
Контактная информация:

Недочастотник

Сообщение ART_ME »

Название девайса далеко не случайно. Объясняется оно прежде всего принципиальным нежеланием конкурировать с изготовителями частотников и решает вполне конкретную epre. задачу. Заключается она в том, что у меня в закромах давно и безнадежно осел частотник от Delta типа VFD075E43A, по которому прогулялась молния. Оно бы и ладно, если бы ремонт ограничился заменой модуля, восстановлением дорожек и заменой микросхем, но в данном случае умер МК. Умер по скотски – он работает, но жутко греется. Купить платы на ибэе или али по разумной цене не представилось возможным, дешевле б\у частотник купить.
Короче, смотрел я на этот частотник, смотрел и пришла мне в голову мысль сделать из него недочастотник. Под этим термином я обозначил некое устройство, которое будучи включенным в электросеть, управляет асинхронным двигателем, но более ничего. Т.е. никаких цепей контроля, никаких датчиков тока, никаких обратных связей, параметров мотора и т.п. нет от меня в принципе. Иными словами, главный лозунг частноникостроителей о том, что их изделия спасают двигатель, было намеренно проигнорировано. И не случайно – по моим наблюдениям, сгоревший частотник действительно спасает двигатель, только вот в российских условиях отремонтировать или заменить двигатель зачастую гораздо проще, чем спасший его частотник.
Анализ сгоревшего частотника показал, что с него можно использовать:
- его форм-фактор,
- блок питания (после его ремонта),
- радиатор,
- вентилятор.
Сразу скажу, что решение по использованию форм-фактора оказалось ошибочно. Многочисленные попытки впихнуть свое в имеющуюся коробку хоть и имели в итоге успех, но успех, по моему мнению, неоправданный – гораздо разумнее было бы пихать начинку в собственный ящик, тем более, что ни габариты, не вес, ни размеры никто не ограничивал.
IGBT. Одно время через мои руки проходили некие китайские драйверы HB-B3C для управления китайскими же гибридными шаговыми двигателями. Сразу бросилось в глаза, что, несмотря на жесточайшую эксплуатацию, ни у одного из этих драйверов не вылетел модуль IGBT. Причина проста – в них стоят т.н. интеллектуальные модули IGBT. Их особенность в том, что, во-первых, в них встроены собственные цепи управления транзисторами, а во-вторых, в них же находятся и схемы защиты. Довольно прикольно наблюдать мигающий красным светодиодом драйвер при КЗ в нагрузке, и при этом ему ничего не делается. В итоге, для недочастотника был выбран интеллектуальный модуль от Mitsubishi. Любопытно, что на али и ибэе предлагаются точно такие же модули от Hitachi, разница лишь в цене и… шаге контактов разъема.
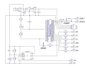
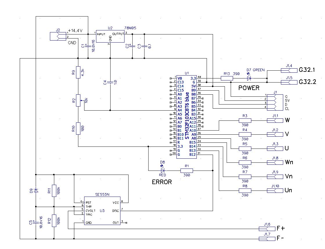
МК. Рассматривались два варианта: MC3PHAC и STM32.
Исходя из цены, доступности и универсальности был выбран STM32, причем bluepill.
А с кодом возникла история. Так как я ни разу не программист, появилось естественное для ламера желание использовать какой-нибудь готовый исходник, упростив его до приемлемого уровня. Но, как ни странно, в рунете ничего готового найти не удалось. Совсем ничего. Все разговоры об применении STM32 в частотнике начинались и заканчивались пустыми разговорами. Довольно с большим трудом удалось найти пакет STM32_FOC_ACIM, который создавался еще во времена до Standard Peripherals Library. Библиотека FOC на Std очень похожа, это помогало разбираться в коде. Код навороченный ужасно, да оно и понятно почему – он написан для настоящего векторного частотника. В результате плясок с бубном был создан код, в общем выполняющий задачу. Однако движок крутиться не захотел, поэтому я не нашел иного способа проверить свой недочастотник, как написать для него код самому. ( В последствие оказалось, что просто оторвался провод от движка).
Это оказалось намного проще, чем я ожидал. Код написан с использованием CubeMx и HAL. Для формирования синуса использован массив на 768 точек, управление с помощью двух таймеров, без применения DMA. В диапазоне от 20 до 50 Гц использована скалярная пропорциональная зависимость напряжения от частоты, общий диапазон регулирования частоты: примерно от 20 до 60 Гц. Частотник не имеет кнопок, включение при подаче на него питания, с задержкой на блокировку резисторов в цепи заряда емкостей и плавным разгоном от 20 Гц до установленной регулятором. Присутствуют два светодиода-индикатора: зеленый – питание и красный - авария. Используемый аварийный сигнал – штатная защита по току от модуля IGBT, причем она переведена в триггерный режим.
Как уже упоминалось выше, частотник почти не контролирует входное напряжение. Это означает, что от бытовой электросети 220В можно запросто питать трехфазный двигатель. С естественной потерей мощности при этом. Проще говоря, подключать можно что угодно к чему угодно, если конечно понимаешь последствия.

Приложение:
1. Фото недочастотника внутри и снаружи.
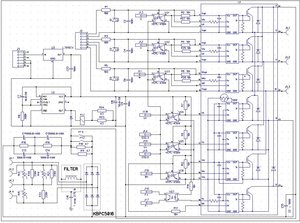
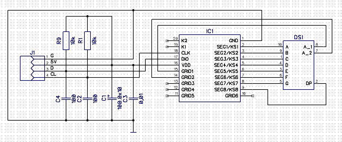
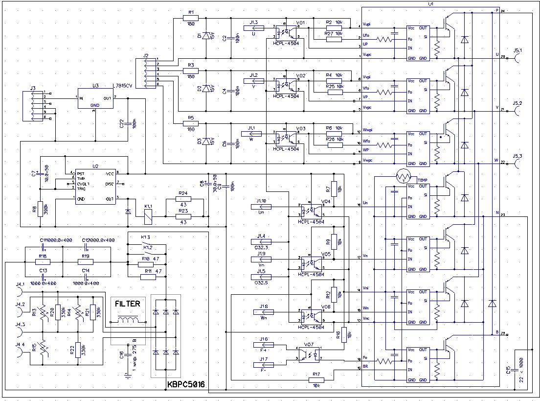
2. Принципиальные схемы.
3. Печатки двух узлов.
4. Прошивка STM32 bluepill.
Вложения
Main_board.JPG (1329 просмотров) <a class='original' href='./download/file.php?id=184917&mode=view' target=_blank>Загрузить оригинал (200.78 КБ)</a>
STM32.JPG (1329 просмотров) <a class='original' href='./download/file.php?id=184918&mode=view' target=_blank>Загрузить оригинал (106.64 КБ)</a>
ТМ1637.JPG (1329 просмотров) <a class='original' href='./download/file.php?id=184919&mode=view' target=_blank>Загрузить оригинал (175.13 КБ)</a>
фото 6.jpg (1329 просмотров) <a class='original' href='./download/file.php?id=184920&mode=view' target=_blank>Загрузить оригинал (3.36 МБ)</a>
фото 7.jpg (1329 просмотров) <a class='original' href='./download/file.php?id=184921&mode=view' target=_blank>Загрузить оригинал (864.57 КБ)</a>
IND_5.rar
(12.86 КБ) 158 скачиваний
ML.rar
(19.37 КБ) 193 скачивания
STM32_blue_inv_FINAL_IND_ВИД_СНИЗУ.rar
(19.31 КБ) 158 скачиваний
Никогда не спорьте с дураками. Они опустят Вас до своего уровня и победят за счет опыта.

Вернуться в «Двигатели и шпиндели»