Работа с программой CNC USB Controller (от cnc-planet)

Mach, популярные и не очень CAD, CAM. Обсуждение и разработка программ для управления станками.
fugi1
Кандидат
Сообщения: 94
Зарегистрирован: 16 окт 2019, 01:12
Репутация: 7
Настоящее имя: Александр
Контактная информация:

Re: Работа с программой CNC USB Controller (от cnc-planet)

Сообщение fugi1 »

dsbone писал(а):Сегодня озадачился тем, что у меня максимальная подача ограничена 4682 мм/мин (или что-то около того).
xvovanx писал(а):Поставь ускорение 50-75 и будет тебе счастье
При его скорости в 4.5 метра в мин ему увеличивать надо, иначе ждать будет вечность, а пока остановится, то точно воткнётся куданить.
Как помню, цифра ускорения, это шаг, т.е. 100, значит нарастание будет 100>200>300> и т.д.
но думаю, что это не здесь проблема. Либо он овердрайв поставил галку, либо надо посмотреть в настройки, там ещё в пункте "предпросмотр траектории" куча настроек касательно поворотов, скруглений и т.п. Я с этим тоже натр.. напреводился инструкции)). Разобрался.
dsbone
Кандидат
Сообщения: 57
Зарегистрирован: 10 ноя 2018, 12:45
Репутация: 1
Настоящее имя: Олег Пашкевич
Контактная информация:

Re: Работа с программой CNC USB Controller (от cnc-planet)

Сообщение dsbone »

fugi1, за пояснения спасибо, но уже разобрался!)
Дело было в том, что скорость подачи на переходах с одной строчки на другую такая же как и основная подача. Как исправить это в Powermill пока не знаю, но проблему решил иначе - просто поставил ускорения 300 по всем осям , а подачу рабочую 1000 - и счастлив - обрабатывает всё быстро и не "стучит" :)
Кстати, ставить новую версию программы всё равно не решился - она ж наверное будет при каджом запуске предлагать МК прошить. Как ткну не туда случайно раз и опять сносить)
Аватара пользователя
xvovanx
Мастер
Сообщения: 3776
Зарегистрирован: 25 фев 2016, 12:27
Репутация: 920
Настоящее имя: Владимир
Откуда: Latvia
Контактная информация:

Re: Работа с программой CNC USB Controller (от cnc-planet)

Сообщение xvovanx »

dsbone писал(а): ставить новую версию программы всё равно не решился - она ж наверное будет при каджом запуске предлагать МК прошить
она не запустится пока не прошьешь МК
fugi1
Кандидат
Сообщения: 94
Зарегистрирован: 16 окт 2019, 01:12
Репутация: 7
Настоящее имя: Александр
Контактная информация:

Re: Работа с программой CNC USB Controller (от cnc-planet)

Сообщение fugi1 »

dsbone писал(а):Как исправить это в Powermill пока не знаю
Не по теме, но поищи в теле траектории "подачи и скорости". И следи за системами координат, их там кругом надо указывать, даже на создании NC файла.
И попробуй вот этот постпроцессор "Michael_Fanuc.pmoptz", погугли. Я их кучу перебрал, пока нашёл тот, что корректно формирует G-код. Один из постпроцессоров мне даже новую фрезу и заготовку запорол, тупо среди траектории забурившись по центру по самое нехочу.
Павер Милл всё прекрасно делает, выточил уже достаточно моделей.
dsbone
Кандидат
Сообщения: 57
Зарегистрирован: 10 ноя 2018, 12:45
Репутация: 1
Настоящее имя: Олег Пашкевич
Контактная информация:

Re: Работа с программой CNC USB Controller (от cnc-planet)

Сообщение dsbone »

Господа, вылезла проблема неприятная:
Точил большой растр, под самый конец вылезла вот эта ошибка. В результате слетел ноль по Х на пару миллиметров и картина испорчена — все съехало.
Как это лечится? И если никак, то какой контроллер под usb Cnc посоветуете взять и где?
Вложения
70AEDAE2-AE80-4C9A-83AA-5069CB572753.jpeg (4049 просмотров) <a class='original' href='./download/file.php?id=175877&sid=88036617c99fbb27b1d4600b10b6185c&mode=view' target=_blank>Загрузить оригинал (1.09 МБ)</a>
theGRin
Новичок
Сообщения: 1
Зарегистрирован: 29 янв 2020, 16:13
Репутация: 0
Настоящее имя: Денис
Контактная информация:

Re: Работа с программой CNC USB Controller (от cnc-planet)

Сообщение theGRin »

Добрый день. Как и многие случайно обновил ПО и слетела лицензия, подскажите пожалуйста что делать? grin1993@mail.ru
Аватара пользователя
xvovanx
Мастер
Сообщения: 3776
Зарегистрирован: 25 фев 2016, 12:27
Репутация: 920
Настоящее имя: Владимир
Откуда: Latvia
Контактная информация:

Re: Работа с программой CNC USB Controller (от cnc-planet)

Сообщение xvovanx »

dsbone писал(а):Точил большой растр, под самый конец вылезла вот эта ошибка
Увы, не было ни разу и нигде по форумам такое не встречал. Контроллер какой, плата какая? Это ошибка системы, а не программы. Надо гуглить, что может быть.
dsbone
Кандидат
Сообщения: 57
Зарегистрирован: 10 ноя 2018, 12:45
Репутация: 1
Настоящее имя: Олег Пашкевич
Контактная информация:

Re: Работа с программой CNC USB Controller (от cnc-planet)

Сообщение dsbone »

xvovanx писал(а):
dsbone писал(а):Точил большой растр, под самый конец вылезла вот эта ошибка
Увы, не было ни разу и нигде по форумам такое не встречал. Контроллер какой, плата какая? Это ошибка системы, а не программы. Надо гуглить, что может быть.
Это вот такой китаец
https://aliexpress.ru/item/32426477959. ... 33edReBmFA

Я бы его поменял, но увы не знаю на что и побаиваюсь, так как у меня драйверы шаговиков там какие-то npn или что-то вроде этого, нестандартное. Не знаю как угадать то что мне надо)
trikot
Опытный
Сообщения: 165
Зарегистрирован: 08 апр 2017, 22:27
Репутация: 25
Настоящее имя: Ян
Откуда: Москва
Контактная информация:

Re: Работа с программой CNC USB Controller (от cnc-planet)

Сообщение trikot »

Драйверы как драйверы. Судя по надписям на них, самые что ни на есть стандартные. Не пожадничайте на фирменную плату и программу, и многие проблемы сразу уйдут.
Аватара пользователя
xvovanx
Мастер
Сообщения: 3776
Зарегистрирован: 25 фев 2016, 12:27
Репутация: 920
Настоящее имя: Владимир
Откуда: Latvia
Контактная информация:

Re: Работа с программой CNC USB Controller (от cnc-planet)

Сообщение xvovanx »

trikot писал(а):Не пожадничайте на фирменную плату и программу, и многие проблемы сразу уйдут.
И сразу добавятся проблемы в виде возможности подключить самодельный джойстик c MPG крутилкой без шины протокола и карточку воткнуть без переходника ;) . "Нет уж, уж лучше вы к нам" :)
trikot
Опытный
Сообщения: 165
Зарегистрирован: 08 апр 2017, 22:27
Репутация: 25
Настоящее имя: Ян
Откуда: Москва
Контактная информация:

Re: Работа с программой CNC USB Controller (от cnc-planet)

Сообщение trikot »

Думаю что беспроблемная работа фирменной платы компенсирует эти маленькие недостатки. Думаю и они решаемые, хотя мне все перечисленное пока не нужно. Зато я помню, что кто-то боролся с наводками от шпинделя на плату управления, а у меня таких проблем нет. Блок управления шпинделем вплотную у платы, и пофиг. Но, это выбор каждого.
Аватара пользователя
xvovanx
Мастер
Сообщения: 3776
Зарегистрирован: 25 фев 2016, 12:27
Репутация: 920
Настоящее имя: Владимир
Откуда: Latvia
Контактная информация:

Re: Работа с программой CNC USB Controller (от cnc-planet)

Сообщение xvovanx »

trikot писал(а):Зато я помню, что кто-то боролся с наводками от шпинделя на плату управления
Да согласен, МК1 боялись этого, МК2 и MDK1 не боялись. У МDK2 тоже поколдовать надо с заземлением и фильтром. Кстати МК3 тоже не имеет на плате синфазного фильтра (по сравнению с МК2) - нехорошо при сильных промышленных помехах.
dsbone
Кандидат
Сообщения: 57
Зарегистрирован: 10 ноя 2018, 12:45
Репутация: 1
Настоящее имя: Олег Пашкевич
Контактная информация:

Re: Работа с программой CNC USB Controller (от cnc-planet)

Сообщение dsbone »

xvovanx писал(а):
trikot писал(а):Зато я помню, что кто-то боролся с наводками от шпинделя на плату управления
Да согласен, МК1 боялись этого, МК2 и MDK1 не боялись. У МDK2 тоже поколдовать надо с заземлением и фильтром. Кстати МК3 тоже не имеет на плате синфазного фильтра (по сравнению с МК2) - нехорошо при сильных промышленных помехах.
Я бы и рад mk2 взять, но что-то меня решают мои драйверы. Не могу понять как это работает. Вот у меня на плате на каждую ось по 4 контакта : Ck+ Ck- dir+ dir- и на драйвере соотвественно 4 контакта.
Смотрю на фото плат мк2 — там по 3 контакта на ось - step, dir и +5 вольт.
Вложения
9C296998-B7F7-44DE-9E0B-AE9ADF5C4B62.png (3947 просмотров) <a class='original' href='./download/file.php?id=175952&sid=88036617c99fbb27b1d4600b10b6185c&mode=view' target=_blank>Загрузить оригинал (1.05 МБ)</a>
fugi1
Кандидат
Сообщения: 94
Зарегистрирован: 16 окт 2019, 01:12
Репутация: 7
Настоящее имя: Александр
Контактная информация:

Re: Работа с программой CNC USB Controller (от cnc-planet)

Сообщение fugi1 »

dsbone писал(а):Смотрю на фото плат мк2 — там по 3 контакта на ось - step, dir и +5 вольт.
Правильно, нафига +5 вольт два раза выводить?
дир- дирекшион - направление.
степ - шаг, пинок, команда шагнуть 1 раз.
Всё отлично работает, я перешёл как и ты, с МК1 на МДК2, МК1 точно такую брал и у того же продавана. МДК2 пока запара, второй спор открываю, третья плата в пути ко мне.
И драйвера у меня точно такие же.
dsbone
Кандидат
Сообщения: 57
Зарегистрирован: 10 ноя 2018, 12:45
Репутация: 1
Настоящее имя: Олег Пашкевич
Контактная информация:

Re: Работа с программой CNC USB Controller (от cnc-planet)

Сообщение dsbone »

fugi1 писал(а):
dsbone писал(а):Смотрю на фото плат мк2 — там по 3 контакта на ось - step, dir и +5 вольт.
Правильно, нафига +5 вольт два раза выводить?
дир- дирекшион - направление.
степ - шаг, пинок, команда шагнуть 1 раз.
Всё отлично работает, я перешёл как и ты, с МК1 на МДК2, МК1 точно такую брал и у того же продавана. МДК2 пока запара, второй спор открываю, третья плата в пути ко мне.
И драйвера у меня точно такие же.
То есть, будут эти драйверы работать с иного формата платой? (Где 3 контакта)
Если не сложно, можно ссылочку? Я бы тоже заказал себе мдк2 (это поудачнее, чем мк1?)
И вообще в чем разница между ними с точки зрения пользователя?
dsbone
Кандидат
Сообщения: 57
Зарегистрирован: 10 ноя 2018, 12:45
Репутация: 1
Настоящее имя: Олег Пашкевич
Контактная информация:

Re: Работа с программой CNC USB Controller (от cnc-planet)

Сообщение dsbone »

xvovanx писал(а):
trikot писал(а):Зато я помню, что кто-то боролся с наводками от шпинделя на плату управления
Да согласен, МК1 боялись этого, МК2 и MDK1 не боялись. У МDK2 тоже поколдовать надо с заземлением и фильтром. Кстати МК3 тоже не имеет на плате синфазного фильтра (по сравнению с МК2) - нехорошо при сильных промышленных помехах.
Уважаемый, а можете подсказать насчёт фильтров и заземлений?) может у меня вся проблема в этом кроется, в каких-то наводках? Потому что симптомы абсолютно такие же, как когда во время фрезерования вставить/вытащить флешку из соседнего порта - все подвисает и ошибка вылетает.
Защемления у меня вообще нет даже в розетках. Его, допустим я сделаю, а как плату заземлить и надо ли?
Аватара пользователя
xvovanx
Мастер
Сообщения: 3776
Зарегистрирован: 25 фев 2016, 12:27
Репутация: 920
Настоящее имя: Владимир
Откуда: Latvia
Контактная информация:

Re: Работа с программой CNC USB Controller (от cnc-planet)

Сообщение xvovanx »

dsbone писал(а):Уважаемый, а можете подсказать насчёт фильтров и заземлений?
http://www.cnc-club.ru/forum/viewtopic. ... 80#p546244
http://www.cnc-club.ru/forum/viewtopic. ... 00#p548577
Заземление в розетке не обязательно, главное чтоб корпус(экраны) платы были соединены с корпусом компа и станка.
Последний раз редактировалось xvovanx 31 янв 2020, 21:41, всего редактировалось 2 раза.
Аватара пользователя
xvovanx
Мастер
Сообщения: 3776
Зарегистрирован: 25 фев 2016, 12:27
Репутация: 920
Настоящее имя: Владимир
Откуда: Latvia
Контактная информация:

Re: Работа с программой CNC USB Controller (от cnc-planet)

Сообщение xvovanx »

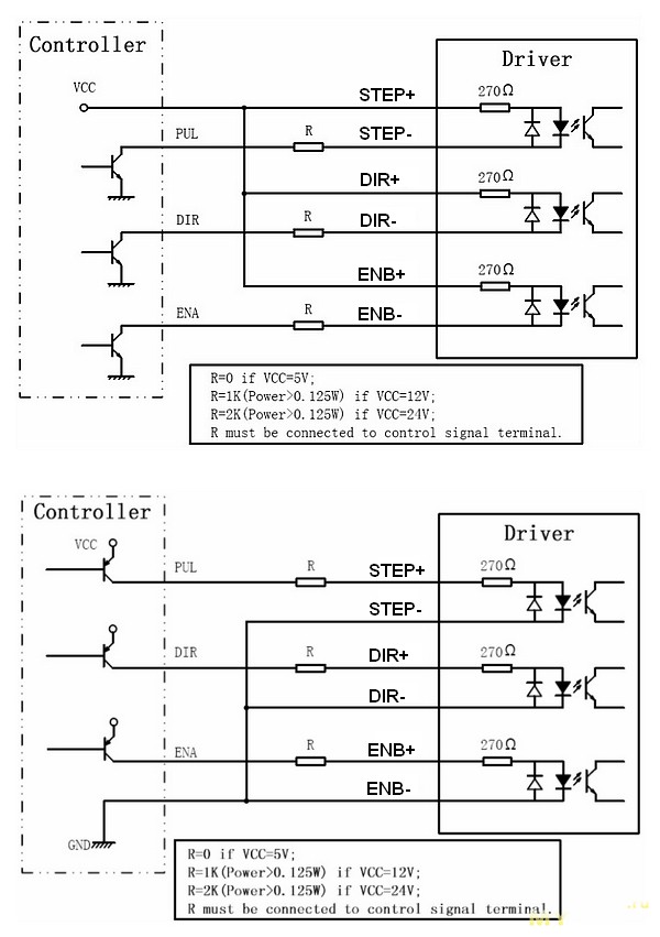
dsbone писал(а):То есть, будут эти драйверы работать с иного формата платой? (Где 3 контакта)
Подключайте по верхней схеме, резисторы не нужны, т.к. у нас 5В.
Вложения
Controller-Driver.jpg (3897 просмотров) <a class='original' href='./download/file.php?id=175965&sid=88036617c99fbb27b1d4600b10b6185c&mode=view' target=_blank>Загрузить оригинал (92.28 КБ)</a>
fugi1
Кандидат
Сообщения: 94
Зарегистрирован: 16 окт 2019, 01:12
Репутация: 7
Настоящее имя: Александр
Контактная информация:

Re: Работа с программой CNC USB Controller (от cnc-planet)

Сообщение fugi1 »

dsbone писал(а): Его, допустим я сделаю, а как плату заземлить и надо ли?
В твоей плате МК1, а она как у меня, хреново сделано. Там оптопары концевиков таким образом, что надо +12 вольт на массу станка сажать, чтоб ТУЛЗ использовать, искать ноль заготовки. Я перепаивал все оптопары. жесть)). На МДК2 всё путём. Ноль на массе, его к массе станка.
После этого сажал уже ноль питания на массу станка.
А станок всё же стоит заземлять, жизнь то одна, никто не знает, что, где и когда может прошить. Только заземление ессно, по правилам, без петель надо делать.
Кроме прочего ИБП на входе имеет фильтр, и тот ИБП, что для станка, и тот, что в компе стоит, и в частотнике, а фильтрЫ сливают всё на заземление. От этого без оного комп начинает не много кусаться током.
fugi1
Кандидат
Сообщения: 94
Зарегистрирован: 16 окт 2019, 01:12
Репутация: 7
Настоящее имя: Александр
Контактная информация:

Re: Работа с программой CNC USB Controller (от cnc-planet)

Сообщение fugi1 »

dsbone писал(а):И вообще в чем разница между ними с точки зрения пользователя?
Разница в мощности и возможностях. МК1 сделана на медленном PIC. Тупая и медленная, у меня при переходах, если чуть навалить скорости сбивались координаты. Короче, только для медленной обработки. Максимальная скорость 20 кГц
МДК2 - самолёт - 100 кГц. Построена на в разы более мощном контроллере.
Косяк лично у меня, что вторая плата уже приходит с косяком. Жду третью, первые две оспорил, вернул. Но ценник растёт, брал за 1200 > 1350 руб, последняя почти 2000руб (~33 $). У xvovanx, всё удачно, мой друг купил, у него тоже. х.з. и LMки на платах не верные, две по 5 вольт, а надо 12 и 5.
Ответить

Вернуться в «Windows / Mach»