Нужно изготовить пару деталей ст45 и дюраль

Запрос и предложение услуг по обработке, проектированию, моделированию и т.д.
Правила форума
Разрешается публиковать предложения по предоставлению услуг как физическим лицам так и коммерческим организациям, при соблюдении следующих условий:
1. должны присутствовать характеристики предлагаемых услуг, возможности оборудования
2. должна присутствовать стоимость услуги
3. должно присутствовать описание способов оплаты, доставки и места расположения (город)
4. один продавец - одна тема

Фотографии товаров приветствуются (фотографии должны быть вложениями к сообщениям).

Возможно размещение ссылки на свой сайт, с описанием товара, при обязательном соблюдении пунктов 1-3.

Администрация форума может удалить тему или сообщения из данного раздела на свое усмотрение, без объяснения причин!
Аватара пользователя
MrGraydin
Новичок
Сообщения: 20
Зарегистрирован: 20 окт 2015, 00:36
Репутация: -1
Настоящее имя: Владимир
Контактная информация:

Нужно изготовить пару деталей ст45 и дюраль

Сообщение MrGraydin »

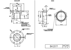
Здравствуйте. Ищу исполнителя, МСК или область. Вал и гайка ст45, фланец и шайбы д19т или другой прочный дюраль. Без термообработки и покрытий, хотя анодирование можно обсудить. Сроки не горят но не стоит откладывать на долго. Комплект один. Материал (вал, гайка, фланец) мой, на остальное ваш или привезу дополнительно. Точность как в чертежах.
Вложения
Вал.png (2070 просмотров) <a class='original' href='./download/file.php?id=175057&mode=view' target=_blank>Загрузить оригинал (87.83 КБ)</a>
фланец винта.png (2070 просмотров) <a class='original' href='./download/file.php?id=175058&mode=view' target=_blank>Загрузить оригинал (93.98 КБ)</a>
план-шайбы демпфера.png (2070 просмотров) <a class='original' href='./download/file.php?id=175059&mode=view' target=_blank>Загрузить оригинал (138.96 КБ)</a>
Anton3d
Новичок
Сообщения: 4
Зарегистрирован: 30 мар 2015, 00:32
Репутация: 0
Настоящее имя: Anton
Контактная информация:

Re: Нужно изготовить пару деталей ст45 и дюраль

Сообщение Anton3d »

Здравствуйте.
Можем изготовить.
МО г. Дзержинский
+7 926 613 7629
Антон
Ответить

Вернуться в «Услуги»