Обработка концов ШВП

Конструкции станков, линейные перемещения, направляющие, передачи.
Dmitriy777
Опытный
Сообщения: 124
Зарегистрирован: 10 апр 2017, 23:15
Репутация: 17
Настоящее имя: Дмитрий
Контактная информация:

Обработка концов ШВП

Сообщение Dmitriy777 »

Всем привет!!!
Знаю что данная тема уже давно разжевана и ответ можно где-то найти или посмотреть по каталогам производителей комплектующих. Но хочется получить ответ у опытных людей, чтобы избежать дальнейших проблем, так как данные на найденых чертежах из разных источников не много отличаются, из-за чего возникает путаница.
Интересуют чертежи обработки концов ШВП под опоры BK20; BF20 и FK20. Класс точности опор С5.
Также хочется узнать, имеет ли смысл устанавливать фиксирующие опоры по обоим сторонам винта или обойтись схемой фиксирующая - поддерживающая опоры? Станочек будет по дюралю, установочное основание для опор ШВП - поверочная плита, диаметр винта ШВП - 25мм
Enot_1
Мастер
Сообщения: 1359
Зарегистрирован: 28 апр 2015, 00:12
Репутация: 242
Настоящее имя: Arkadiy
Откуда: Краснодар
Контактная информация:

Re: Обработка концов ШВП

Сообщение Enot_1 »

Dmitriy777 писал(а):Интересуют чертежи обработки концов ШВП под опоры BK20; BF20 и FK20. Класс точности опор С5.
Запросить там, где будете брать швп. +- всё равно будет под опору сделано, что там может быть разное?
Dmitriy777 писал(а):фиксирующие опоры по обоим сторонам винта или обойтись схемой фиксирующая - поддерживающая опоры?
В поддерживающей опоре bf подшипник "плавает". Это плюс в принципе, тк даёт свободу в ошибке длины швп и компенсацию температурного расширения (как думается).
Dmitriy777
Опытный
Сообщения: 124
Зарегистрирован: 10 апр 2017, 23:15
Репутация: 17
Настоящее имя: Дмитрий
Контактная информация:

Re: Обработка концов ШВП

Сообщение Dmitriy777 »

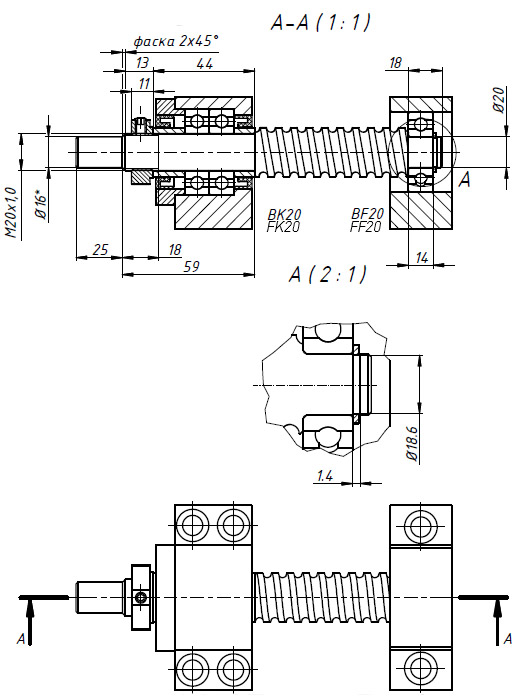
Вот, для примера, приведу пару чертежей с разных источников
20.jpg (4774 просмотра) <a class='original' href='./download/file.php?id=174793&mode=view' target=_blank>Загрузить оригинал (85.49 КБ)</a>
21.jpg (4774 просмотра) <a class='original' href='./download/file.php?id=174794&mode=view' target=_blank>Загрузить оригинал (115.11 КБ)</a>
Из них видно, что значения разные и каким чертежам верить?
Enot_1
Мастер
Сообщения: 1359
Зарегистрирован: 28 апр 2015, 00:12
Репутация: 242
Настоящее имя: Arkadiy
Откуда: Краснодар
Контактная информация:

Re: Обработка концов ШВП

Сообщение Enot_1 »

Dmitriy777 писал(а):Вот, для примера, приведу пару чертежей с разных источников
20.jpg
21.jpg
Из них видно, что значения разные и каким чертежам верить?
Первый darxton. Читата с сайта
"Гарантируется форма, обеспечивающая нормальную эксплуатацию винта."
Другой похоже Китайский.
Разницы в принципе нет особой нет.
Dmitriy777
Опытный
Сообщения: 124
Зарегистрирован: 10 апр 2017, 23:15
Репутация: 17
Настоящее имя: Дмитрий
Контактная информация:

Re: Обработка концов ШВП

Сообщение Dmitriy777 »

Да, первый с darxton
Второй чертеж из каталога Hiwin
Ещё прилагаю чертеж из каталога, под опору FK
23.jpg (4746 просмотров) <a class='original' href='./download/file.php?id=174799&mode=view' target=_blank>Загрузить оригинал (134.66 КБ)</a>
Из чертежа видно, что длина проточки под опору вместе с резьбой (параметр Е) на 5мм длинее
Аватара пользователя
Serg
Мастер
Сообщения: 21923
Зарегистрирован: 17 апр 2012, 14:58
Репутация: 5183
Заслуга: c781c134843e0c1a3de9
Настоящее имя: Сергей
Откуда: Москва
Контактная информация:

Re: Обработка концов ШВП

Сообщение Serg »

Ответы надо искать в доках выбранного производителя, ибо только он знает как правильно и отвечает за свои рекомендации.
Похожие опоры у разных производителей могут отличаться не смотря на одинаковые названия.
Я не Христос, рыбу не раздаю, но могу научить, как сделать удочку...
Dmitriy777
Опытный
Сообщения: 124
Зарегистрирован: 10 апр 2017, 23:15
Репутация: 17
Настоящее имя: Дмитрий
Контактная информация:

Re: Обработка концов ШВП

Сообщение Dmitriy777 »

Значит придется сначала дозаказать и получить оставшиеся опоры, а потом уже заказывать винты, а хотелось сделать заказ паралельно, ну да ладно...
Кто нибудь, все таки, пробовал схему из двух фиксирующих опор на практике, имеет ли смысл заморачиваться или не стоит оно того? Длина рабочей части винта (без обработанных концов) по проекту у меня получается 770мм, диаметр винта 25мм. С "температурными" моментами при использовании схемы фиксирующая - фиксирующая опоры, в принципе, понятно...
NickoM
Новичок
Сообщения: 30
Зарегистрирован: 04 сен 2017, 17:21
Репутация: 2
Настоящее имя: Николай
Контактная информация:

Re: Обработка концов ШВП

Сообщение NickoM »

вы всерьез считаете, что используя стандартные опоры, даже в полностью фиксированном варианте, крепя их "жалкими" болтиками, сможете настолько натянуть швп чтобы ей поплохело ? немного огорчу, скорее болты вытянутся, или площадка под них промнется на десятку, чем что то будет каленому стержню 25мм диаметром. температурные расширения туда же.
Вариант с двумя фиксированными применяется когда хотят уменьшить колебания швп при большой длине и Большой скорости, как в деревянных станках с ходами по паре метров и скоростями под 15м/с.
Аватара пользователя
frezeryga
Почётный участник
Почётный участник
Сообщения: 13712
Зарегистрирован: 18 авг 2013, 16:08
Репутация: 5069
Откуда: Жуковский
Контактная информация:

Re: Обработка концов ШВП

Сообщение frezeryga »

две фиксирующих опоры ставят для жесткости поскольку опоры это слабое место в системе.
NickoM
Новичок
Сообщения: 30
Зарегистрирован: 04 сен 2017, 17:21
Репутация: 2
Настоящее имя: Николай
Контактная информация:

Re: Обработка концов ШВП

Сообщение NickoM »

если опора с нормальными радиально-упорными подшипниками и собрана нормально, то ее жесткость не является определяющей в большинстве случаев работы станка. Достаточно сравнить предельные нагрузки для гаек швп и соответствующих опор винтов.
гайка наедается сильно быстрее чем опора. Проверено несколько раз.
А вот крепление самой стандартной опоры вызывает вопросы обычно. Тем у кого нагрузки реально серьезные не применяют стандартные BF/BKF и подобные им опоры
Аватара пользователя
frezeryga
Почётный участник
Почётный участник
Сообщения: 13712
Зарегистрирован: 18 авг 2013, 16:08
Репутация: 5069
Откуда: Жуковский
Контактная информация:

Re: Обработка концов ШВП

Сообщение frezeryga »

нагрузочная способность и жесткость разные вещи а также теория и практика отличаются. всегда ставлю хорошие опоры С5 на дуплексных подшипниках и всегда в них сотка-полторы упругий прожим подшипников есть.
sidor094
Мастер
Сообщения: 826
Зарегистрирован: 20 фев 2014, 09:13
Репутация: 81
Настоящее имя: Сергей
Откуда: Москва
Контактная информация:

Re: Обработка концов ШВП

Сообщение sidor094 »

Мне кажется задняя опора нужна в основном для того,чтобы избежать болтанки и вибрации свободного конца швп.Так как упорной нагрузки она не держит.Только радиальную.Отсюда вывод.Она нужна только на относительно длинных винтах.
Dmitriy777
Опытный
Сообщения: 124
Зарегистрирован: 10 апр 2017, 23:15
Репутация: 17
Настоящее имя: Дмитрий
Контактная информация:

Re: Обработка концов ШВП

Сообщение Dmitriy777 »

frezeryga писал(а):всегда ставлю хорошие опоры С5 на дуплексных подшипниках и всегда в них сотка-полторы упругий прожим подшипников есть.
Ставите 2 фиксированые опоры, правильно понял?
Если так, то есть ли разница в сравнении со стандартной схемой?
Аватара пользователя
frezeryga
Почётный участник
Почётный участник
Сообщения: 13712
Зарегистрирован: 18 авг 2013, 16:08
Репутация: 5069
Откуда: Жуковский
Контактная информация:

Re: Обработка концов ШВП

Сообщение frezeryga »

сам пока не ставил. но в станке микони именно так сделано и жесткость у него оч хорошая.
Ответить

Вернуться в «Механика»