Контроллер ЧПУ Координатного Стола на Arduino

Контроллеры, драйверы, датчики, управляющие устройства.
Аватара пользователя
vo1m1r
Новичок
Сообщения: 3
Зарегистрирован: 20 ноя 2019, 20:15
Репутация: 0
Контактная информация:

Контроллер ЧПУ Координатного Стола на Arduino

Сообщение vo1m1r »

Не моё просто просто случайно нашёл первоисточник и решил поделиться, помимо управления координатным столом контроллер подходит и для управления токарным станком.
На ютуб канале Alpha Mods есть несколько видео про контроллер ЧПУ координатного стола на Arduino, и есть ссылка на канал Electronoobs, который и разработал этот контроллер, на его канале видео (с ссылкой на сайт с файлами) доступно по ссылке(зайдя на его канал этого видео не найдёте), которую в виде видео я случайно нашёл. Найти оригинальное видео можно набрав в поиске ютуба - Manual control setup for 2-axis machine. Вот ссылка на сайт с проектом - https://www.electronoobs.com/eng_arduino_tut48.php. На ютуб канале Alpha Mods много народу спрашивало об этом проекте, но не кому он не ответил, а после того, как я опубликовал ссылку в комментариях под его видосами Alpha Mods всё потёр оставив лишь хвалебные отзывы, как быть с авторскими правами не знаю, но делюсь:
Вложения
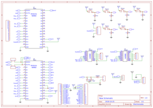
схема.png (1746 просмотров) <a class='original' href='./download/file.php?id=172246&mode=view' target=_blank>Загрузить оригинал (131.11 КБ)</a>
schematic.png (1746 просмотров) <a class='original' href='./download/file.php?id=172247&mode=view' target=_blank>Загрузить оригинал (3.03 МБ)</a>
плата.png (1746 просмотров) <a class='original' href='./download/file.php?id=172248&mode=view' target=_blank>Загрузить оригинал (71.69 КБ)</a>
CNC_2_axis_manual_ARDUINO_A.zip
(1.54 КБ) 331 скачивание
CNC_2_axis_manual_ARDUINO_B_16x2LCD.zip
(2.34 КБ) 321 скачивание
CNC_2_axis_manual_ARDUINO_B_20x4LCD.zip
(2.67 КБ) 324 скачивания
GERBERS.zip
(218.06 КБ) 328 скачиваний
Ответить

Вернуться в «Электроника»