Фрейзер по стали и цвет мету 400x400x150

Тяжелые фрезерные станки по металлу.
Figaro
Опытный
Сообщения: 180
Зарегистрирован: 04 окт 2017, 19:38
Репутация: 21
Контактная информация:

Фрейзер по стали и цвет мету 400x400x150

Сообщение Figaro »

Рабочее поле:
400х400мм
Обрабатываемые материалы:
Сталь , Алюминий
Чертежи, фото, видео станка:
1111.jpg (14548 просмотров) <a class='original' href='./download/file.php?id=157948&sid=76e657c728affa41eb8a7dccd0d64b69&mode=view' target=_blank>Загрузить оригинал (108.37 КБ)</a>

Вопросы:


Где лучше купить рельсы? :rail:
Какие бренды посоветуете? :rail:
Тоже самое про ШВП ?
Класс точности С7 или С5?


Ориентировочный бюджет:
*********************************
КУПЛЕНО
*********************************
Станина с доставкой 80.000 руб.
:controller: MESA 5i25+7i77 15.000 руб.

Итого: 95.000 руб.

********************************
ПЛАНИРУЕТСЯ
********************************
:angle_grinder: Плоскошлифовальные работы по станине

:stepper: Сервоприводы DELTA 400w ~50.000 руб.
XY ASD-B2-0421-B+ECMA-C20604RS
Z ASD-B2-0421-B+ECMA-C20604SS
ASD-B2-0421-B+ECMA-C20604RS.png (13640 просмотров) <a class='original' href='./download/file.php?id=158687&sid=76e657c728affa41eb8a7dccd0d64b69&mode=view' target=_blank>Загрузить оригинал (706.63 КБ)</a>
:dirll: Шпиндельная головка c АТС
JSX120-6/5.5 ~13.000 руб.
Головка2.jpg (13640 просмотров) <a class='original' href='./download/file.php?id=158688&sid=76e657c728affa41eb8a7dccd0d64b69&mode=view' target=_blank>Загрузить оригинал (25.26 КБ)</a>
:stepper: Сервопривод головки 2.6 Квт ~16.000 руб.
Серва.png (13640 просмотров) <a class='original' href='./download/file.php?id=158689&sid=76e657c728affa41eb8a7dccd0d64b69&mode=view' target=_blank>Загрузить оригинал (178.71 КБ)</a>
Последний раз редактировалось Figaro 10 мар 2019, 23:07, всего редактировалось 2 раза.
Adskiydart
Опытный
Сообщения: 145
Зарегистрирован: 30 сен 2016, 19:23
Репутация: 14
Контактная информация:

Re: [Фрейзер] по [стали и цвет мету] [400x400x150]

Сообщение Adskiydart »

1.2 $ /кг с учетом доставки или без? И до куда доставка?
Аватара пользователя
sivolap36
Мастер
Сообщения: 489
Зарегистрирован: 17 дек 2016, 21:30
Репутация: 122
Настоящее имя: Сергей
Откуда: Воронеж
Контактная информация:

Re: [Фрейзер] по [стали и цвет мету] [400x400x150]

Сообщение sivolap36 »

Крепление шпинделя и установка шпинделя на таком вылете, сомнительный шаг на обработку стали.
Figaro
Опытный
Сообщения: 180
Зарегистрирован: 04 окт 2017, 19:38
Репутация: 21
Контактная информация:

Re: [Фрейзер] по [стали и цвет мету] [400x400x150]

Сообщение Figaro »

Adskiydart писал(а):1.2 $ /кг с учетом доставки или без? И до куда доставка?
как бы полная доставка Производитель ----> Доставка до меня РТ Набережные Челны
Figaro
Опытный
Сообщения: 180
Зарегистрирован: 04 окт 2017, 19:38
Репутация: 21
Контактная информация:

Re: [Фрейзер] по [стали и цвет мету] [400x400x150]

Сообщение Figaro »

sivolap36 писал(а):Крепление шпинделя и установка шпинделя на таком вылете, сомнительный шаг на обработку стали.
На данный момент более жирную станину из чугуна с китая я не нашел, стенки 15-20мм крепление шпинделя если понадобиться переработаю, благо в городе есть станки на любой вкус и кошелек, на крайний случай можно Z полностью перелить 600 руб кг.

Силовую обработку 40х не предполагаю, на данный момент по 40х работы только по матрицам для TRAUB TD26 там трубка радиусом 50мм толщина 10мм
Smlua
Мастер
Сообщения: 806
Зарегистрирован: 15 май 2017, 16:29
Репутация: 374
Настоящее имя: Mikhail
Контактная информация:

Re: [Фрейзер] по [стали и цвет мету] [400x400x150]

Сообщение Smlua »

Интересна технология шабреня, ШД630 около 15мм шириной, рельса 25 - 25 соответственно, как выдержать плоскость? Просто интересен план действий.
Figaro
Опытный
Сообщения: 180
Зарегистрирован: 04 окт 2017, 19:38
Репутация: 21
Контактная информация:

Re: [Фрейзер] по [стали и цвет мету] [400x400x150]

Сообщение Figaro »

Smlua писал(а):Интересна технология шабреня, ШД630 около 15мм шириной, рельса 25 - 25 соответственно, как выдержать плоскость? Просто интересен план действий.
https://www.youtube.com/watch?time_cont ... 7mT0c0nH9Q + есть плита поверочная но там буртики хз влезет или нет
Последний раз редактировалось Figaro 27 фев 2019, 07:54, всего редактировалось 1 раз.
Аватара пользователя
sivolap36
Мастер
Сообщения: 489
Зарегистрирован: 17 дек 2016, 21:30
Репутация: 122
Настоящее имя: Сергей
Откуда: Воронеж
Контактная информация:

Re: Фрейзер]по стали и цвет мету 400x400x150

Сообщение sivolap36 »

Это не самый удачный пример шабрения
aftaev
Зачётный участник
Зачётный участник
Сообщения: 34042
Зарегистрирован: 04 апр 2010, 19:22
Репутация: 6194
Откуда: Казахстан.
Контактная информация:

Re: Фрейзер]по стали и цвет мету 400x400x150

Сообщение aftaev »

Figaro, спрашивали про выдерживание плоскостей, а не про выбор карски для шабрения :) Чтобы одна установочная под рельс, была в той же плоскости что и другая ;)
Дилетанту сложные вещи кажутся очень простыми, и только профессионал понимает насколько сложна самая простая вещь
Кто хочет - ищет возможности, кто не хочет - ищет оправдание.
Найди работу по душе и тебе не придется работать.
Figaro
Опытный
Сообщения: 180
Зарегистрирован: 04 окт 2017, 19:38
Репутация: 21
Контактная информация:

Re: Фрейзер]по стали и цвет мету 400x400x150

Сообщение Figaro »

aftaev писал(а):Figaro, спрашивали про выдерживание плоскостей, а не про выбор карски для шабрения :) Чтобы одна установочная под рельс, была в той же плоскости что и другая ;)
отступ и рисование линейкой X
Figaro
Опытный
Сообщения: 180
Зарегистрирован: 04 окт 2017, 19:38
Репутация: 21
Контактная информация:

Re: Фрейзер]по стали и цвет мету 400x400x150

Сообщение Figaro »

сходил к металлистам плиты есть сходил с проскошлифовальникам тоже есть так что думаю плиту нужного размера найду
art137137
Новичок
Сообщения: 8
Зарегистрирован: 14 апр 2017, 11:09
Репутация: 3
Настоящее имя: Артур
Контактная информация:

Re: Фрейзер]по стали и цвет мету 400x400x150

Сообщение art137137 »

я с похожей чугунятиной китайской 2 месяца провозился.
шабрением вывел вывел плоскостность в 3 сотки. теперь когда на шабер смотрю тошнит.
Figaro
Опытный
Сообщения: 180
Зарегистрирован: 04 окт 2017, 19:38
Репутация: 21
Контактная информация:

Re: Фрейзер]по стали и цвет мету 400x400x150

Сообщение Figaro »

art137137 писал(а):я с похожей чугунятиной китайской 2 месяца провозился.
шабрением вывел вывел плоскостность в 3 сотки. теперь когда на шабер смотрю тошнит.
У меня большие надежды на плоскошлифовальный станок. А шабером почистить останется.
https://www.youtube.com/watch?v=ed93vo3EmUU
Smlua
Мастер
Сообщения: 806
Зарегистрирован: 15 май 2017, 16:29
Репутация: 374
Настоящее имя: Mikhail
Контактная информация:

Re: Фрейзер]по стали и цвет мету 400x400x150

Сообщение Smlua »

у него ширина обработки 540 вроде- может не хватить. длина обработки 800 по памяти. мне на таком же обрабатывали. главное чтоб не убитый был, иначе не будет дела. 3 сотки на даком поле для рельс - это много, особенно если рельсы с преднатягом будут. работать оно будет, но не так долго как хотелось бы.
Аватара пользователя
Dimka
Мастер
Сообщения: 1400
Зарегистрирован: 14 июл 2016, 23:40
Репутация: 347
Настоящее имя: Дима
Откуда: Санкт-Петербург
Контактная информация:

Re: Фрейзер]по стали и цвет мету 400x400x150

Сообщение Dimka »

Smlua, с мобилы неудобно искать, но что-то подсказывает, что для шариковых рельс и такого поля 3 сотки не так много..
Smlua
Мастер
Сообщения: 806
Зарегистрирован: 15 май 2017, 16:29
Репутация: 374
Настоящее имя: Mikhail
Контактная информация:

Re: Фрейзер]по стали и цвет мету 400x400x150

Сообщение Smlua »

Dimka_almighty писал(а):Smlua, с мобилы неудобно искать, но что-то подсказывает, что для шариковых рельс и такого поля 3 сотки не так много..
да, для хивина посмотрел, там больше допуск на разницу в высоте
Figaro
Опытный
Сообщения: 180
Зарегистрирован: 04 окт 2017, 19:38
Репутация: 21
Контактная информация:

Re: Фрейзер]по стали и цвет мету 400x400x150

Сообщение Figaro »

ОЦ Плоскошлифы есть за это не переживаю на крайняк на Камаз в РИЗ закину, вопрос больше по шпинделю думаю на сервоприводе от швейки и шпинделе СССР на ремне сделать, Кто что скажет п этому поводу?
Sashalex24
Мастер
Сообщения: 632
Зарегистрирован: 23 янв 2016, 11:40
Репутация: 195
Настоящее имя: Александр
Откуда: Рязань
Контактная информация:

Re: Фрейзер]по стали и цвет мету 400x400x150

Сообщение Sashalex24 »

У меня так сделан шпиндель серва панасоник 750w через ремень с редукцией 1:1.6 На выходе обороты на фрезе получились 3000. И поднялся момент засчет редукции. Лучше конечно килавата на 2 или больше и засчет редукции поднять обороты на фрезе. Но это будет в перспективе. Шпиндель самодельный с конусом 40 от немецкого станка переделаный под имеющиеся шариковые подшипники и корпус. Мое мнение это самый козырный вариант по сравнению с высокоскоростными шпинделями. Момент высокии на любых оборотах сома конструкция шпинделя жесче и большой асортимент разных оправок. Глянь в моей теме есть последнее видео как грызет д16т
Figaro
Опытный
Сообщения: 180
Зарегистрирован: 04 окт 2017, 19:38
Репутация: 21
Контактная информация:

Re: Фрейзер]по стали и цвет мету 400x400x150

Сообщение Figaro »

https://aurora.ru/catalog/goods/Sevopri ... JW-75/799/ думал временно поставить этот взять шпиндель от советского станка на лазере из 8мм стали порезать крепления сварить, а в дальнейшем уйти на Шпиндель с сервоприводом на 1.5-2 Квт + АТС на пневме
Figaro
Опытный
Сообщения: 180
Зарегистрирован: 04 окт 2017, 19:38
Репутация: 21
Контактная информация:

Re: Фрейзер]по стали и цвет мету 400x400x150

Сообщение Figaro »

Sashalex24 писал(а):У меня так сделан шпиндель серва панасоник 750w через ремень с редукцией 1:1.6 На выходе обороты на фрезе получились 3000. И поднялся момент засчет редукции. Лучше конечно килавата на 2 или больше и засчет редукции поднять обороты на фрезе. Но это будет в перспективе. Шпиндель самодельный с конусом 40 от немецкого станка переделаный под имеющиеся шариковые подшипники и корпус. Мое мнение это самый козырный вариант по сравнению с высокоскоростными шпинделями. Момент высокии на любых оборотах сома конструкция шпинделя жесче и большой асортимент разных оправок. Глянь в моей теме есть последнее видео как грызет д16т
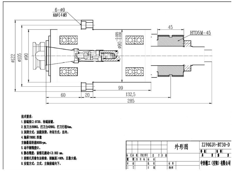
Так поискал нашел в бюджет попадаю вот такой вот красавец: + к нему Китайская серва AASD-30A+130ST-M10025 2,6 кВт 10Нм
Ссылка на серву :
головка чертеж.jpg (13838 просмотров) <a class='original' href='./download/file.php?id=158338&sid=76e657c728affa41eb8a7dccd0d64b69&mode=view' target=_blank>Загрузить оригинал (60.46 КБ)</a>
головка.jpg (13838 просмотров) <a class='original' href='./download/file.php?id=158337&sid=76e657c728affa41eb8a7dccd0d64b69&mode=view' target=_blank>Загрузить оригинал (28.56 КБ)</a>
головка 4.jpg (13838 просмотров) <a class='original' href='./download/file.php?id=158336&sid=76e657c728affa41eb8a7dccd0d64b69&mode=view' target=_blank>Загрузить оригинал (21.53 КБ)</a>
головка 3.jpg (13838 просмотров) <a class='original' href='./download/file.php?id=158335&sid=76e657c728affa41eb8a7dccd0d64b69&mode=view' target=_blank>Загрузить оригинал (26.57 КБ)</a>
на сколько я понимаю можно привинтить пневмоцилиндр как тут:
Ответить

Вернуться в «Фрезерные станки по металлам»