Лазер + Mach3
-
qulet
- Новичок
- Сообщения: 28
- Зарегистрирован: 13 май 2017, 18:30
- Репутация: 5
- Настоящее имя: Marek
- Контактная информация:
Re: Лазер + Mach3
Отредактированный / г направлять водителя. Для меня, если сигналы «Z_STEP; Z_DIR Mach3»
положительный импульс - переключает лазерный диод с частотой постоянная. Модуляция ручной работы, когда Arduino Z_STEP Z_DIR и устанавливается на отрицательный импульс.
С кодом ЧПУ генерируемого в ARTCAM не работает должным образом. Лазер включается случайным образом ...
"radist07" - В оригинальной печатной плате драйвера TTL-лазера (-) 12V является общим с отрицательной массой TTL сигнала г Arduino. НЕ МОЖЕТ ИХ гальваническим неразделимы! Мой контроль Mill_Laser_CNC : Пожалуйста, каждая игра сохраняются симпатические коллег за помощь в запуске и настройке Arduino драйвера и Mach3. Пожалуйста, «printscren» профайл «ЛАЗЕР» Сорри МОЙ РУССКИЙ ЯЗЫК _translate.google.........
положительный импульс - переключает лазерный диод с частотой постоянная. Модуляция ручной работы, когда Arduino Z_STEP Z_DIR и устанавливается на отрицательный импульс.
С кодом ЧПУ генерируемого в ARTCAM не работает должным образом. Лазер включается случайным образом ...
"radist07" - В оригинальной печатной плате драйвера TTL-лазера (-) 12V является общим с отрицательной массой TTL сигнала г Arduino. НЕ МОЖЕТ ИХ гальваническим неразделимы! Мой контроль Mill_Laser_CNC : Пожалуйста, каждая игра сохраняются симпатические коллег за помощь в запуске и настройке Arduino драйвера и Mach3. Пожалуйста, «printscren» профайл «ЛАЗЕР» Сорри МОЙ РУССКИЙ ЯЗЫК _translate.google.........
-
desertEA
- Опытный
- Сообщения: 100
- Зарегистрирован: 13 фев 2017, 19:02
- Репутация: 12
- Настоящее имя: Николай Иглёнок
- Контактная информация:
Re: Лазер + Mach3
Как Вам удалось добиться оттенков ? Я на этом этапе очень сильно застрял. Удалось даже выбить плугин у Японца - для Mach. Но и с ним не получилось выжечь все оттенки серого. Какая суть коробочки с Ардуино ? У меня MACH напрямую подключен к драйверу. Жгёт без проблем, но проблема с градациями.
-
radist07
- Новичок
- Сообщения: 8
- Зарегистрирован: 31 мар 2017, 13:54
- Репутация: 0
- Настоящее имя: Валерий
- Контактная информация:
Re: Лазер + Mach3
qulet У Вас драйвер совсем другой чем у меня.
-
Gerter
- Новичок
- Сообщения: 17
- Зарегистрирован: 20 окт 2017, 09:50
- Репутация: 0
- Настоящее имя: Василий
- Контактная информация:
Re: Лазер + Mach3
Выставленный скетч весь перелопатил. Добавил регулировку яркости экрана(есть мысль связать с переменной brightness для наглядности).
Но есть некоторые проблемы.
Значения переменных STMM и Smax никак у меня не получается оставить в энергонезависимой памяти.
В объявлении переменных убираю значения этих переменных, в теле, перед обращением к порту вместо eeprom.write использую eeprom.put, чтоб в память залетало полное значение, а не первый бит. Вроде бы всё начинает работать, STMM в памяти остается, а значение Smax скакать начинает. Голову уже сломал что не так. С ардуиной первый день знаком. С программированием знаком вроде нормально.
И мне никак не понятно, почему используется eeprom.write и eeprom.read??? Числа ведь всяко больше 255, и мне бы думается использовать eeprom.get вместо eeprom.read, а вместо eeprom.write брать вообще eeprom.update(это поднимет производительность).
Или всё не так?
Но есть некоторые проблемы.
Значения переменных STMM и Smax никак у меня не получается оставить в энергонезависимой памяти.
В объявлении переменных убираю значения этих переменных, в теле, перед обращением к порту вместо eeprom.write использую eeprom.put, чтоб в память залетало полное значение, а не первый бит. Вроде бы всё начинает работать, STMM в памяти остается, а значение Smax скакать начинает. Голову уже сломал что не так. С ардуиной первый день знаком. С программированием знаком вроде нормально.
И мне никак не понятно, почему используется eeprom.write и eeprom.read??? Числа ведь всяко больше 255, и мне бы думается использовать eeprom.get вместо eeprom.read, а вместо eeprom.write брать вообще eeprom.update(это поднимет производительность).
Или всё не так?
- serg1958
- Кандидат
- Сообщения: 57
- Зарегистрирован: 25 июн 2015, 01:13
- Репутация: 31
- Настоящее имя: Сергей
- Контактная информация:
Re: Лазер + Mach3
Добрый день.
Давно не заглядывал в форум, думал ни кому это не надь, ан нет кому то надь.
Библиотека EEPROM2 может записывать и читать 4-х байтные типа long, может и не надо было, но подстраховался. Библиотеку (прикладываю к ответу) нашёл на просторах инета, автора не помню, но огромная ему благодарность!
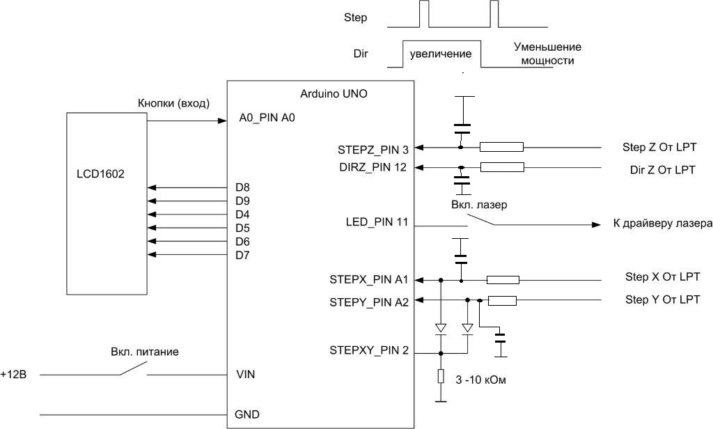
Все входа в Ардуину зашунтируйте керамическими конденсаторами 1 нФ и подключите через резисторы 1 кОм к выходам контроллера ЧПУ (все STEP и DIR).
Работать можно, как с растром, так и с векторами. При выжигании по вектору или резке (например по бумаге) уставите в блоке лазера низкую скорость например 50 мм/мин. Концы вектора обгорать не будут, так как мощность лазера снижается вместе со скоростью движения по осям X,Y. Полагаю, все поняли, что ось Z нужно переключать на вход лазера, а ось например А подключать к Z для возможности фокусировать лазер.
Разрешение лазера по времени (цикл программы) составляет примерно 500 мкс, т.е. при скорости движения 1000 мм/мин. - около 0,01мм., что вполне достаточно для качественного выжигания.
Пробуйте на разных материалах, можно дерево протереть содовым раствором, можно попробовать по краске, по крашеному стеклу и т.д.
Удачи.
Давно не заглядывал в форум, думал ни кому это не надь, ан нет кому то надь.
Библиотека EEPROM2 может записывать и читать 4-х байтные типа long, может и не надо было, но подстраховался. Библиотеку (прикладываю к ответу) нашёл на просторах инета, автора не помню, но огромная ему благодарность!
Все входа в Ардуину зашунтируйте керамическими конденсаторами 1 нФ и подключите через резисторы 1 кОм к выходам контроллера ЧПУ (все STEP и DIR).
Работать можно, как с растром, так и с векторами. При выжигании по вектору или резке (например по бумаге) уставите в блоке лазера низкую скорость например 50 мм/мин. Концы вектора обгорать не будут, так как мощность лазера снижается вместе со скоростью движения по осям X,Y. Полагаю, все поняли, что ось Z нужно переключать на вход лазера, а ось например А подключать к Z для возможности фокусировать лазер.
Разрешение лазера по времени (цикл программы) составляет примерно 500 мкс, т.е. при скорости движения 1000 мм/мин. - около 0,01мм., что вполне достаточно для качественного выжигания.
Пробуйте на разных материалах, можно дерево протереть содовым раствором, можно попробовать по краске, по крашеному стеклу и т.д.
Удачи.
- Вложения
-
- EEPROM2.zip
- (3.17 КБ) 413 скачиваний
-
Gerter
- Новичок
- Сообщения: 17
- Зарегистрирован: 20 окт 2017, 09:50
- Репутация: 0
- Настоящее имя: Василий
- Контактная информация:
Re: Лазер + Mach3
Блин, спасибо по поводу библиотеки)))) а то я начал уже думать как переменные Smax и STMM разбить на 2 части и записывать их по частям в разные ячейки и считывать, а потом склеивать значения, код бы вырос раза в 2-3)))serg1958 писал(а):Добрый день.
Давно не заглядывал в форум, думал ни кому это не надь, ан нет кому то надь.
Библиотека EEPROM2 может записывать и читать 4-х байтные типа long, может и не надо было, но подстраховался. Библиотеку (прикладываю к ответу) нашёл на просторах инета, автора не помню, но огромная ему благодарность!
Все входа в Ардуину зашунтируйте керамическими конденсаторами 1 нФ и подключите через резисторы 1 кОм к выходам контроллера ЧПУ (все STEP и DIR).
Работать можно, как с растром, так и с векторами. При выжигании по вектору или резке (например по бумаге) уставите в блоке лазера низкую скорость например 50 мм/мин. Концы вектора обгорать не будут, так как мощность лазера снижается вместе со скоростью движения по осям X,Y. Полагаю, все поняли, что ось Z нужно переключать на вход лазера, а ось например А подключать к Z для возможности фокусировать лазер.
Разрешение лазера по времени (цикл программы) составляет примерно 500 мкс, т.е. при скорости движения 1000 мм/мин. - около 0,01мм., что вполне достаточно для качественного выжигания.
Пробуйте на разных материалах, можно дерево протереть содовым раствором, можно попробовать по краске, по крашеному стеклу и т.д.
Удачи.
Но переделаю на библиотеку EEPROM2.h раз оно с ней у Вас работало, а то в моем программировании может представляться одно, а в железке я не уверен как будет работать, уж лучше по проверенному пути пойти)))
Входы конденсатором зашунтировать на землю? А подтяжку резистором оставить как на схеме?
При векторном выжигании Вы рекомендуете ставить низкую скорость в блоке с целью скомпенсировать ускорения по осям, как я понял?! Потому что при реальной такой скорости загорится всё это дело...
По поводу оси A у меня никак, у меня она занята, она подчинена оси Y(2 ШВП по Y). Поэтому просто откинул Z и на её место подоткнул Ардуинку, а провод от шпинделя к лазеру и цепляю, а второй конец от инвертора к ардуинке(он как раз экранированный).
-
qulet
- Новичок
- Сообщения: 28
- Зарегистрирован: 13 май 2017, 18:30
- Репутация: 5
- Настоящее имя: Marek
- Контактная информация:
Re: Лазер + Mach3
serg1958
Как выбран режим работы контроллера?
Cut, Vektor, Raster. Указывает ли позиция курсора на дисплее о рабочем режиме?
Я принимаю сигналы Dir, STP с контроллера MACH3 USB MOTION CARD STB4100. Этот драйвер работает на 100 кГц. Нужно ли что-то менять в коде для arduino в связи с этим временем 100 кГц?
Должно ли размещение этих резисторов и конденсаторов в схеме?
http://www.cnc-club.ru/forum/download/f ... 0425b5a9eb
С наилучшими пожеланиями! и спасибо
Как выбран режим работы контроллера?
Cut, Vektor, Raster. Указывает ли позиция курсора на дисплее о рабочем режиме?
Я принимаю сигналы Dir, STP с контроллера MACH3 USB MOTION CARD STB4100. Этот драйвер работает на 100 кГц. Нужно ли что-то менять в коде для arduino в связи с этим временем 100 кГц?
Должно ли размещение этих резисторов и конденсаторов в схеме?
http://www.cnc-club.ru/forum/download/f ... 0425b5a9eb
С наилучшими пожеланиями! и спасибо
-
qulet
- Новичок
- Сообщения: 28
- Зарегистрирован: 13 май 2017, 18:30
- Репутация: 5
- Настоящее имя: Marek
- Контактная информация:
Re: Лазер + Mach3
Чеба, однако, да !!! Пожалуйста, подтвердите!
http://www.cnc-club.ru/forum/download/f ... 6dd8d82d71,
http://www.cnc-club.ru/forum/download/f ... 6dd8d82d71,
-
qulet
- Новичок
- Сообщения: 28
- Зарегистрирован: 13 май 2017, 18:30
- Репутация: 5
- Настоящее имя: Marek
- Контактная информация:
Re: Лазер + Mach3
Почему никто не отвечает на мои вопросы на этом форуме?
Потому что я из Польши?
Мой драйвер TTL работает 0V = на 5V = выключен, возможно, он интровертирован, что нет модуляции мощности лазера ...
Потому что я из Польши?
Мой драйвер TTL работает 0V = на 5V = выключен, возможно, он интровертирован, что нет модуляции мощности лазера ...
- Serg
- Мастер
- Сообщения: 21923
- Зарегистрирован: 17 апр 2012, 14:58
- Репутация: 5183
- Заслуга: c781c134843e0c1a3de9
- Настоящее имя: Сергей
- Откуда: Москва
- Контактная информация:
Re: Лазер + Mach3
Потому что ты из галактики Млечный путь.qulet писал(а):Почему никто не отвечает на мои вопросы на этом форуме?
Потому что я из Польши?
Видимо нечего ответить. Мне например Mach3 совсем не интересен.
Как и земляне.
Я не Христос, рыбу не раздаю, но могу научить, как сделать удочку...
-
Gerter
- Новичок
- Сообщения: 17
- Зарегистрирован: 20 окт 2017, 09:50
- Репутация: 0
- Настоящее имя: Василий
- Контактная информация:
Re: Лазер + Mach3
Нужно править скетч. Можно просто инвертировать ось, но это не решит проблему с нулевым уровнем. Дома когда буду вечером посмотрю скетч, что там подправить, и сообщу.qulet писал(а):Почему никто не отвечает на мои вопросы на этом форуме?
Потому что я из Польши?
Мой драйвер TTL работает 0V = на 5V = выключен, возможно, он интровертирован, что нет модуляции мощности лазера ...
Последний раз редактировалось Gerter 10 май 2018, 13:05, всего редактировалось 2 раза.
-
Gerter
- Новичок
- Сообщения: 17
- Зарегистрирован: 20 окт 2017, 09:50
- Репутация: 0
- Настоящее имя: Василий
- Контактная информация:
Re: Лазер + Mach3
А вот у меня вопрос есть вот какой: В арткаме задаю стратегию обработки "растр", всё вроде бы нормально, НО при изменении мощности,(изменении высоты рельефа) происходит поддергивание оси Х(изменение скорости). Всё логично т.к. в УП задается перемещение оси X до следующего изменения перемещения Z. Есть ли способ в арткаме способ сохранения линейной скорости оси X пни изменении координат Z до конца перехода по растру или нужно постпроцессор править?
-
ALViktor
- Кандидат
- Сообщения: 84
- Зарегистрирован: 07 апр 2015, 17:24
- Репутация: 50
- Настоящее имя: Виктор
- Контактная информация:
Re: Лазер + Mach3
Здравствуйте.
Что то я запутался. Собрал блок. Выжигает, но притормаживает в местах где темнее должно быть, то есть скоростью движения черноту регулирует. Я вообще то думал будет мощностью лазера манипулировать.
Как должно быть ?
Сегодня первый раз пробую.
Должна ли меняться мощность лазера при передвижении оси Z ?
Как вообще можно проверить блок? Не выжигая картинку.
Что то я запутался. Собрал блок. Выжигает, но притормаживает в местах где темнее должно быть, то есть скоростью движения черноту регулирует. Я вообще то думал будет мощностью лазера манипулировать.
Как должно быть ?
Сегодня первый раз пробую.
Должна ли меняться мощность лазера при передвижении оси Z ?
Как вообще можно проверить блок? Не выжигая картинку.
-
aleksha
- Новичок
- Сообщения: 11
- Зарегистрирован: 08 дек 2018, 13:02
- Репутация: 0
- Настоящее имя: Алексей
- Контактная информация:
Re: Лазер + Mach3
serg1958 Собрал контроллер, все по инструкции -при подключении к станку не работает
есть вопросы: выходы с осей XYZ подключать напрямую с LPT порта?
поподробней о настройках в мач3, если можно со скриншотами
есть вопросы: выходы с осей XYZ подключать напрямую с LPT порта?
поподробней о настройках в мач3, если можно со скриншотами
-
aleksha
- Новичок
- Сообщения: 11
- Зарегистрирован: 08 дек 2018, 13:02
- Репутация: 0
- Настоящее имя: Алексей
- Контактная информация:
Re: Лазер + Mach3
к контролеру подключать все выходы с ардуино? Step Z, DirZ, StepY, StepХ или только Step Z, DirZ, StepY,
какой сигнал (параметры сигнала)должен подаваться на вход ардуино Step Z,StepY, StepХ
какой сигнал (параметры сигнала)должен подаваться на вход ардуино Step Z,StepY, StepХ
-
aleksha
- Новичок
- Сообщения: 11
- Зарегистрирован: 08 дек 2018, 13:02
- Репутация: 0
- Настоящее имя: Алексей
- Контактная информация:
Re: Лазер + Mach3
какой сигнал (параметры сигнала)должен подаваться на вход ардуино Step Z,StepY, StepХ
-
aleksha
- Новичок
- Сообщения: 11
- Зарегистрирован: 08 дек 2018, 13:02
- Репутация: 0
- Настоящее имя: Алексей
- Контактная информация:
Re: Лазер + Mach3
Почему никто не отвечает на мои вопросы на этом форуме?
Потому что я из России?
Потому что я из России?
- evgenymcp
- Мастер
- Сообщения: 1422
- Зарегистрирован: 23 апр 2017, 05:37
- Репутация: 328
- Настоящее имя: Евгений
- Откуда: Абакан,Хакасия
- Контактная информация:
Re: Лазер + Mach3
Может все заняты предновогодними делами. По поводу ответа на вопрос - несколько раз перечитал, так ничего и не понял. Всё смешалось. Мач, плата опторазвязки и ардуино 