Изготовление детали на токарном станке. Интересует стоимость

Запрос и предложение услуг по обработке, проектированию, моделированию и т.д.
Правила форума
Разрешается публиковать предложения по предоставлению услуг как физическим лицам так и коммерческим организациям, при соблюдении следующих условий:
1. должны присутствовать характеристики предлагаемых услуг, возможности оборудования
2. должна присутствовать стоимость услуги
3. должно присутствовать описание способов оплаты, доставки и места расположения (город)
4. один продавец - одна тема

Фотографии товаров приветствуются (фотографии должны быть вложениями к сообщениям).

Возможно размещение ссылки на свой сайт, с описанием товара, при обязательном соблюдении пунктов 1-3.

Администрация форума может удалить тему или сообщения из данного раздела на свое усмотрение, без объяснения причин!
Andruxa
Новичок
Сообщения: 9
Зарегистрирован: 03 июн 2018, 10:40
Репутация: 0
Настоящее имя: Андрей В.
Контактная информация:

Изготовление детали на токарном станке. Интересует стоимость

Сообщение Andruxa »

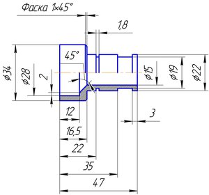
Требуется изготовление деталеи (2шт.), чертеж в прикреп . файле.
Материал - можно д16т, а можно и стальную, не сильно принципиально.
Интересует стоимость изготовления с вашим материалом.
Спасибо! (red-devil-7@mail.ru)(г.Москва)
Вложения
Втулка.jpg (1051 просмотр) <a class='original' href='./download/file.php?id=143055&mode=view' target=_blank>Загрузить оригинал (367.73 КБ)</a>

Вернуться в «Услуги»