Подключение драйверов к контроллеру

Контроллеры, драйверы, датчики, управляющие устройства.
Ruosiniai
Новичок
Сообщения: 12
Зарегистрирован: 24 май 2018, 20:31
Репутация: 0
Настоящее имя: Rolandas
Контактная информация:

Re: Подключение драйверов к контроллеру

Сообщение Ruosiniai »

Ну наконец то все пошло поехало!! :good:
Сегодня пришел этот кабель ЛПТ-ЛПТ.(две недели искал).
Спасибо всем огромное за все Ваши советы и терпение таково неудачника :oops:
Kmikola
Новичок
Сообщения: 3
Зарегистрирован: 11 июл 2018, 22:43
Репутация: 0
Настоящее имя: Hutko
Контактная информация:

Re: Подключение драйверов к контроллеру

Сообщение Kmikola »

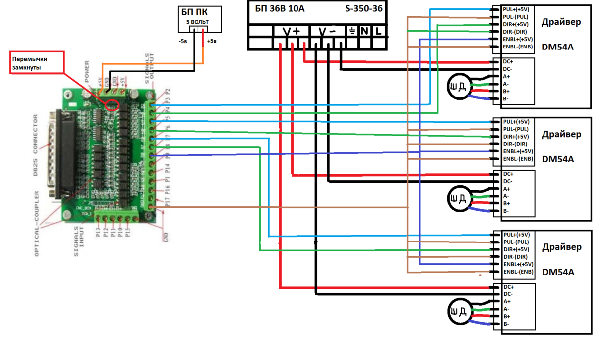
Nil$ писал(а):Расщитые на пучек провода с контактов p1 и gnd уходят на драйверы на контакты enbl+ И enbl-

На контроллер приходит 5 вольт с внешнего блока питания на контакты +5v и gnd на отдельный разьем (фото номер 1 разьем снизу)
Kmikola
Новичок
Сообщения: 3
Зарегистрирован: 11 июл 2018, 22:43
Репутация: 0
Настоящее имя: Hutko
Контактная информация:

Re: Подключение драйверов к контроллеру

Сообщение Kmikola »

Может поможете мне подключить индуктивные датчики к db 25 1205
Аватара пользователя
Nonstopich
Мастер
Сообщения: 1016
Зарегистрирован: 02 авг 2015, 19:46
Репутация: 284
Настоящее имя: Александр Абдулаев
Откуда: Москва, ФО Крым - Феодосия
Контактная информация:

Re: Подключение драйверов к контроллеру

Сообщение Nonstopich »

Только сначала: они у вас npn или pnp?
Вложения
this.png (3188 просмотров) <a class='original' href='./download/file.php?id=142825&sid=b641eb13502e2cfdeb585fbfa388f209&mode=view' target=_blank>Загрузить оригинал (93.03 КБ)</a>
Чехлы для телефонов с вышивкой: https://www.instagram.com/lumberry.brand/
Soul-OMON
Новичок
Сообщения: 6
Зарегистрирован: 31 янв 2022, 15:00
Репутация: 0
Настоящее имя: Алексей
Контактная информация:

Re: Подключение драйверов к контроллеру

Сообщение Soul-OMON »

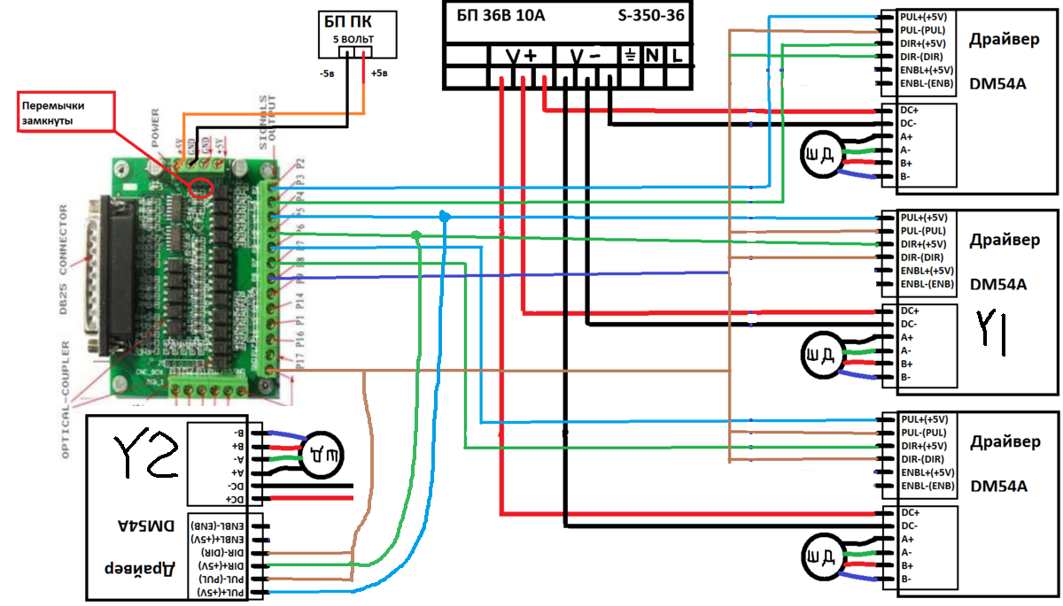
Подскажите кто сталкивался с подключением 2х драйверов к одной оси (Y) через плату DB25-1205.

Станок на тесте работал с 3мя драйверами и к одному драйверу были подключены 2 двигателя параллельно, но появлялось смещение по оси на пару миллиметров за сотни проходов.

Решил собрать, как говорится "по уму", подключив двигатели каждый к своему драйверу, а сами драйверы к плате развязки параллельно (DIR и STEP), но они перестали ездить, иногда какие-то судороги проскакивают на одном из двигателей и не более того.
В случае если выдергиваю колодку с сигнальными проводами из одного из драй веров, то работает.
Подключено так:
Комутация DB25-1205.png (1757 просмотров) <a class='original' href='./download/file.php?id=201441&sid=b641eb13502e2cfdeb585fbfa388f209&mode=view' target=_blank>Загрузить оригинал (315.05 КБ)</a>
Аватара пользователя
xvovanx
Мастер
Сообщения: 3776
Зарегистрирован: 25 фев 2016, 12:27
Репутация: 920
Настоящее имя: Владимир
Откуда: Latvia
Контактная информация:

Re: Подключение драйверов к контроллеру

Сообщение xvovanx »

Soul-OMON писал(а): Подключено так:
и где на схеме у вас
Soul-OMON писал(а): а сами драйверы к плате развязки параллельно (DIR и STEP)
?
Soul-OMON писал(а): но они перестали ездить
ищите ошибку у себя в подключении
drey82
Мастер
Сообщения: 639
Зарегистрирован: 24 авг 2014, 10:29
Репутация: 82
Настоящее имя: Drey
Откуда: Воронеж
Контактная информация:

Re: Подключение драйверов к контроллеру

Сообщение drey82 »

енейбл отключи, 100500 раз обсуждали
Soul-OMON
Новичок
Сообщения: 6
Зарегистрирован: 31 янв 2022, 15:00
Репутация: 0
Настоящее имя: Алексей
Контактная информация:

Re: Подключение драйверов к контроллеру

Сообщение Soul-OMON »

xvovanx писал(а): 31 янв 2022, 22:21
Soul-OMON писал(а): Подключено так:
и где на схеме у вас
xvovanx писал(а): 31 янв 2022, 22:21
Soul-OMON писал(а): а сами драйверы к плате развязки параллельно (DIR и STEP)
?
Дорисовал схему для наглядности параллельности подключения драйвера.
xvovanx писал(а): 31 янв 2022, 22:21
Soul-OMON писал(а): но они перестали ездить
ищите ошибку у себя в подключении
Если один из драйверов отключаю от платы, то ездит другой нормально.
drey82 писал(а): 01 фев 2022, 10:02 енейбл отключи, 100500 раз обсуждали
Енейбл еще не подключал, т.к. не понял как он должен работать.

Комутация DB25-1205.png (1675 просмотров) <a class='original' href='./download/file.php?id=201488&sid=b641eb13502e2cfdeb585fbfa388f209&mode=view' target=_blank>Загрузить оригинал (369.96 КБ)</a>
Аватара пользователя
Rom327
Почётный участник
Почётный участник
Сообщения: 2989
Зарегистрирован: 03 апр 2015, 13:23
Репутация: 437
Настоящее имя: Роман
Откуда: Подольск
Контактная информация:

Re: Подключение драйверов к контроллеру

Сообщение Rom327 »

Soul-OMON писал(а): Если один из драйверов отключаю от платы, то ездит другой нормально.
Похоже не хватает сигнала с платы, чтобы засветить 2 светодиода оптопар драйверов. Надо мерить напряжение, и лучше осциллографом, на входе step при одном подключенном драйвере и двух.
Это сугубо мое мнение, могу и ошибаться...
https://vk.com/rom327
GRBL настройки: http://blogandbux.blogspot.com/2018/07/ ... revod.html
G коды: http://3d-stanki.ru/spravochnik/program ... stankov-2/
Soul-OMON
Новичок
Сообщения: 6
Зарегистрирован: 31 янв 2022, 15:00
Репутация: 0
Настоящее имя: Алексей
Контактная информация:

Re: Подключение драйверов к контроллеру

Сообщение Soul-OMON »

Rom327 писал(а): 02 фев 2022, 14:38
Soul-OMON писал(а): Если один из драйверов отключаю от платы, то ездит другой нормально.
Похоже не хватает сигнала с платы, чтобы засветить 2 светодиода оптопар драйверов. Надо мерить напряжение, и лучше осциллографом, на входе step при одном подключенном драйвере и двух.
К сожалению осциллографа нет, пробовал подключать блок питания 5В/2А к плате опторазвязки, нет эффекта, а поднимать напряжение боюсь.

Смотрю на модных станках используют платы синхронизации Sen_Sync V1.3, но ценник 2.8тр, это прям тумач... :-(
Аватара пользователя
Лодочник
Мастер
Сообщения: 2178
Зарегистрирован: 10 авг 2012, 05:24
Репутация: 1835
Настоящее имя: Олег
Откуда: г.Королев
Контактная информация:

Re: Подключение драйверов к контроллеру

Сообщение Лодочник »

У оптронов 817 выход - открытый коллектор. То есть у него активный выход низкиого уровня. Соединяй все + драйверов в кучу и кидай на +5В, а выходы с платы подключай к соответствующим минусам.
Аватара пользователя
xvovanx
Мастер
Сообщения: 3776
Зарегистрирован: 25 фев 2016, 12:27
Репутация: 920
Настоящее имя: Владимир
Откуда: Latvia
Контактная информация:

Re: Подключение драйверов к контроллеру

Сообщение xvovanx »

Лодочник писал(а): 02 фев 2022, 16:03 У оптронов 817 выход - открытый коллектор. То есть у него активный выход низкиого уровня. Соединяй все + драйверов в кучу и кидай на +5В, а выходы с платы подключай к соответствующим минусам.
Прям с языка снял ;)
Soul-OMON
Новичок
Сообщения: 6
Зарегистрирован: 31 янв 2022, 15:00
Репутация: 0
Настоящее имя: Алексей
Контактная информация:

Re: Подключение драйверов к контроллеру

Сообщение Soul-OMON »

Лодочник писал(а): 02 фев 2022, 16:03 У оптронов 817 выход - открытый коллектор. То есть у него активный выход низкиого уровня. Соединяй все + драйверов в кучу и кидай на +5В, а выходы с платы подключай к соответствующим минусам.
Спасибо огромное, завелось! :good:
Единственное пришлось перевернуть все двигатели на драйвере, т.к. поехали все в другую сторону... :cheesy:

Почему все китайцы и весь интернет вещает про общий ГНД? О_о

И еще вопрос, что лучше 2 БП по 10А или 1 БП на 20-25А для 4х 3-амперных двигателей? :thinking:
Аватара пользователя
xvovanx
Мастер
Сообщения: 3776
Зарегистрирован: 25 фев 2016, 12:27
Репутация: 920
Настоящее имя: Владимир
Откуда: Latvia
Контактная информация:

Re: Подключение драйверов к контроллеру

Сообщение xvovanx »

Soul-OMON писал(а): И еще вопрос, что лучше 2 БП по 10А или 1 БП на 20-25А для 4х 3-амперных двигателей?
Лучше один, и на 10-12А, его вполне хватит для 4х 3-амперных двигателей ;)
Soul-OMON
Новичок
Сообщения: 6
Зарегистрирован: 31 янв 2022, 15:00
Репутация: 0
Настоящее имя: Алексей
Контактная информация:

Re: Подключение драйверов к контроллеру

Сообщение Soul-OMON »

xvovanx писал(а): 03 фев 2022, 21:19
Soul-OMON писал(а): И еще вопрос, что лучше 2 БП по 10А или 1 БП на 20-25А для 4х 3-амперных двигателей?
Лучше один, и на 10-12А, его вполне хватит для 4х 3-амперных двигателей ;)
А как же математика 3А*4шт+25%(что бы не на пределе работать)=15А :thinking:
Аватара пользователя
xenon-alien
Почётный участник
Почётный участник
Сообщения: 4520
Зарегистрирован: 01 янв 2013, 13:13
Репутация: 925
Настоящее имя: Daniel
Откуда: Закарпатская обл. Украина
Контактная информация:

Re: Подключение драйверов к контроллеру

Сообщение xenon-alien »

Soul-OMON писал(а): А как же математика
Это не математика
И почему бы не разобраться для начала, как работает драйвер и каким напряжением питает мотор? (если грубо считать, то 4х3а уже с запасом получается)
Soul-OMON
Новичок
Сообщения: 6
Зарегистрирован: 31 янв 2022, 15:00
Репутация: 0
Настоящее имя: Алексей
Контактная информация:

Re: Подключение драйверов к контроллеру

Сообщение Soul-OMON »

xenon-alien писал(а): 04 фев 2022, 10:59
Soul-OMON писал(а): А как же математика
Это не математика
И почему бы не разобраться для начала, как работает драйвер и каким напряжением питает мотор? (если грубо считать, то 4х3а уже с запасом получается)
Это к тому, что 3А это пиковое, а рабочее порядка 50-60%?
Аватара пользователя
xenon-alien
Почётный участник
Почётный участник
Сообщения: 4520
Зарегистрирован: 01 янв 2013, 13:13
Репутация: 925
Настоящее имя: Daniel
Откуда: Закарпатская обл. Украина
Контактная информация:

Re: Подключение драйверов к контроллеру

Сообщение xenon-alien »

Soul-OMON писал(а): Это к тому, что 3А это пиковое, а рабочее порядка 50-60%?
Это к тому что ШД питается 5-10в и 3а и это сколько ватт? А БП сколько ватт ? (можно первый пост моей темы почитать "Box-1 ЧПУ станок v2.0 ...." раздел "небольшие подсказки" пункт 3)
Там есть свои нюансы, но упрощено для себя вывел так.
kfmut
Мастер
Сообщения: 1249
Зарегистрирован: 30 янв 2021, 21:34
Репутация: 147
Настоящее имя: Максим
Откуда: г.Тверь
Контактная информация:

Re: Подключение драйверов к контроллеру

Сообщение kfmut »

Soul-OMON писал(а): Это к тому, что 3А это пиковое, а рабочее порядка 50-60%?
Номинальный ток в спеках ШД дан для номинального напряжения(в районе 2.5-5 вольт), а не для для выходного напряжения вашего бп-шника. В статике на удержании там в районе просто электрической мощности потребление( 2 * ( 0.7 * <номинальный_ток>)^2 * <номинальное_сопротивление_обмотки_ШД>), плюс потери, например, на диодном мосту в драйвере. А для расчёта потребного тока в пике(на ускорениях) есть куча эмпирических предположений с верхней оценкой <ток_одного_щд>*<кол-во_шд>+<запас>, и чтобы кто-нибудь где-нибудь продемонстрировал их верность, я такого не видел.
Ответить

Вернуться в «Электроника»