Ну, можно и так.
Транзистор взять попроще: 2N7000, BS170 или даже биполяр - только на входе делитель 10ком/10кОм...
Еще раз по сборке CNC3018 + enhancement
-
Viktor3018
- Новичок
- Сообщения: 16
- Зарегистрирован: 25 мар 2018, 06:45
- Репутация: 0
- Настоящее имя: Виктор
- Контактная информация:
Re: Еще раз по сборке CNC3018 + enhancement
Прежде чем продолжу по электронике, отчитаюсь по механике о своей не быстрой сборке станка.
А во по оси X решил сделать сальники. По совету BiFoot-а. За основу взял отходы кухни, а именно пластиковые горлышки и крышки от картонных коробок из-под молока (именно чтобы можно было подлезть, раскрутить). По два сальника с каждой стороны по бокам каретки стянул пластиковыми хомутиками. И два сальника по бокам каретки на винт оси Х. Первоначально вложил по 2 кружка из войлока в каждый сальник. Потом оставил по одному кружку войлока толщиной 8 мм (фетра не нашлось под рукой). Иначе каретка перемещалась очень туго.
Пока выводы делать рано, но было бы время безгранично - лучше бы сделал пыльники и на ось X, поскольку сальники все равно оказывают дополнительное сопротивление. Но на это у меня ушла бы еще одна неделя.
Пыльники VS сальники
Долго и кропотливо доделал пыльники на наплавляющие стола. Процесс сборки тут на картинках. Обращаю внимание, что передняя "гармошка" на сужение - чтобы плотнее сжималась. А задняя прямая, иначе будет задевать за профиль.А во по оси X решил сделать сальники. По совету BiFoot-а. За основу взял отходы кухни, а именно пластиковые горлышки и крышки от картонных коробок из-под молока (именно чтобы можно было подлезть, раскрутить). По два сальника с каждой стороны по бокам каретки стянул пластиковыми хомутиками. И два сальника по бокам каретки на винт оси Х. Первоначально вложил по 2 кружка из войлока в каждый сальник. Потом оставил по одному кружку войлока толщиной 8 мм (фетра не нашлось под рукой). Иначе каретка перемещалась очень туго.
Пока выводы делать рано, но было бы время безгранично - лучше бы сделал пыльники и на ось X, поскольку сальники все равно оказывают дополнительное сопротивление. Но на это у меня ушла бы еще одна неделя.
Последний раз редактировалось Viktor3018 01 апр 2018, 22:41, всего редактировалось 1 раз.
-
Viktor3018
- Новичок
- Сообщения: 16
- Зарегистрирован: 25 мар 2018, 06:45
- Репутация: 0
- Настоящее имя: Виктор
- Контактная информация:
Re: Еще раз по сборке CNC3018 + enhancement
peratron писал(а):Работать не будет!Viktor3018 писал(а):Поэтому мой предварительный пока еще никем не проверенный на практике вариант подключения платы управления лазером по каналу управления (канал питания, как на картинке по ссылке выше) :
На коннекторах шпинделя и лазера плюс привязан к шинам 24 и 12 В соответственно, а минус коммутируется ключом IRF540.
Таким образом, на этих разъёмах ШИМ инверсный!
И именно по этой причине возникает проблема инвертирования ШИМ для стандартного входа лазерного контроллера.
Вариант решения - тут: http://www.cnc-club.ru/forum/viewtopic. ... 46#p424346
Согласен с замечанием. Долго не мог понять, где ошибся. Оказалось, что у мультиметра, которым пользовался (у меня их несколько) в режиме прозвона цепи красный щуп - это минус.
Предложенный вариант решения не устраивает, во первых я его не понимаю
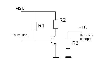
Как, зачем + 12V напрямую на ТТL вход платы лазера подать? А минус коммутировать. На моей плате минус входа TTL "на корпусе". Поэтому не годится. Мне кажется не нужно мудрить, сделать классический ключ на биполярнике, практически любом с коэффициентом H21э > 100: Делитель должен приводить в район 4V, поэтому R2 = 4к, R3 = 2 к. R1 к примеру 50к. Можно было бы и больше, но непонятно какие характеристики по малым токам у силового ключа на контроллере, поэтому чтобы не заморачиваться. Транзистор на схеме будет работать в режиме насыщения (особое быстродействие тут не нужно, а вот надежность переключения нужна). Поэтому вроде как должно работать.BiFoot писал(а):Схемка попалась подключения через лазерный выход с развязкой.
Отсюда: http://micronc.ru/engraver/
PS, кстати на TTL входе открытая база, и нет там никакого сопротивления на +. Поэтому режим работы когда TTL вход не подключен, - там будет наводиться 1, но это нежелательный режим работы. Т.е. совет коммутацией по питанию от комрадов из поднебесной тоже не катит.
-
Viktor3018
- Новичок
- Сообщения: 16
- Зарегистрирован: 25 мар 2018, 06:45
- Репутация: 0
- Настоящее имя: Виктор
- Контактная информация:
Re: Еще раз по сборке CNC3018 + enhancement
Станок собран и испытан Работает!
Реализованы следующие улучшения (на фотографиях обведены):
1. Пыльники (информация выше в данной теме)
2. Сальники (информация выше в данной теме)
3. Прокладка между одной из втулок и алюминиевым столиком (на фото ее не видно). Прежде чем прикрутить столик ко втулкам на направляющих оси Y нужно втулки повернуть вверх плоскостями креплений и просто положить столик сверху. Если встанет на все четыре втулки без зазоров, "играть" и качаться не будет - ОК. Если будет играть, будет зазор (несмотря на то что рама выровнена по горизонтали идеально) - нужно в зазор прокладку положить. У меня это 8 слоев скотча - общий слой около 0,3 мм. Если этого не сделать - не будет свободного хода, подшипники будет подклинивать и возможны пропуски тактов шаговых двигателей.
4. На фото не видно. Открутить куллер лазера. В зазоры м-ду радиатором и гильзой лазера вставить полоски из 3-4 слоев толстой фольги перемазанные термопастой. Для улучшения термоконтакта (информация выше в теме)
5. Просто пробка на линзу лазера. Когда не используется станок - закрыть от грязи и пыли.
6. Просто радиатор на микросхему импульсного источника питания. У меня лазер потребляет по линии питания 1,67 А. Полагаю лишнем не будет. Везде, где в инете встречал примеры использования данной микросхемы - везде она с радиатором.
7. Плата сопряжения выхода "Лазер" со входом "TTL" на плате лазера. Реализована на макетной плате по схеме: По мне это лучший вариант из всех, которые тут предлагались с точки зрения наилучшего соответствия номинальным режимам работы схем.
1. Пыльники (информация выше в данной теме)
2. Сальники (информация выше в данной теме)
3. Прокладка между одной из втулок и алюминиевым столиком (на фото ее не видно). Прежде чем прикрутить столик ко втулкам на направляющих оси Y нужно втулки повернуть вверх плоскостями креплений и просто положить столик сверху. Если встанет на все четыре втулки без зазоров, "играть" и качаться не будет - ОК. Если будет играть, будет зазор (несмотря на то что рама выровнена по горизонтали идеально) - нужно в зазор прокладку положить. У меня это 8 слоев скотча - общий слой около 0,3 мм. Если этого не сделать - не будет свободного хода, подшипники будет подклинивать и возможны пропуски тактов шаговых двигателей.
4. На фото не видно. Открутить куллер лазера. В зазоры м-ду радиатором и гильзой лазера вставить полоски из 3-4 слоев толстой фольги перемазанные термопастой. Для улучшения термоконтакта (информация выше в теме)
5. Просто пробка на линзу лазера. Когда не используется станок - закрыть от грязи и пыли.
6. Просто радиатор на микросхему импульсного источника питания. У меня лазер потребляет по линии питания 1,67 А. Полагаю лишнем не будет. Везде, где в инете встречал примеры использования данной микросхемы - везде она с радиатором.
7. Плата сопряжения выхода "Лазер" со входом "TTL" на плате лазера. Реализована на макетной плате по схеме: По мне это лучший вариант из всех, которые тут предлагались с точки зрения наилучшего соответствия номинальным режимам работы схем.
-
peratron
- Мастер
- Сообщения: 605
- Зарегистрирован: 05 фев 2017, 07:43
- Репутация: 36
- Настоящее имя: Eugene
- Контактная информация:
Re: Еще раз по сборке CNC3018 + enhancement
А вы посмотрите штатную схему силовой части дятла: там, простите, выход на лазер к минусу подтягивается через диод - таким образом ваш инвертор фактически не будет закрываться из-за остаточного напряжения на этом диоде.Viktor3018 писал(а):По мне это лучший вариант из всех, которые тут предлагались с точки зрения наилучшего соответствия номинальным режимам работы схем.
Ну, и выход инвертора не нуждается в подтяжке к плюсу и бессмысленном делителе - достаточно ОК (открытого коллектора).
Так, что разберитесь с той схемой, которая вам рекомендована: она спроектирована правильно для данного применения. Она самодостаточна...
-
Viktor3018
- Новичок
- Сообщения: 16
- Зарегистрирован: 25 мар 2018, 06:45
- Репутация: 0
- Настоящее имя: Виктор
- Контактная информация:
Re: Еще раз по сборке CNC3018 + enhancement
Диод там стоит Шотки. С очень малым перепадом напряжения. Замеры по схеме показывают - ключ нормально закрывается. В закрытом состоянии на делителе 4,25 В - то, что надо для логической единицы ТТЛperatron писал(а):А вы посмотрите штатную схему силовой части дятла: там, простите, выход на лазер к минусу подтягивается через диод - таким образом ваш инвертор фактически не будет закрываться из-за остаточного напряжения на этом диоде.Viktor3018 писал(а):По мне это лучший вариант из всех, которые тут предлагались с точки зрения наилучшего соответствия номинальным режимам работы схем.
Так, что разберитесь с той схемой, которая вам рекомендована: она спроектирована правильно для данного применения. Она самодостаточна...
Ну, и выход инвертора не нуждается в подтяжке к плюсу и бессмысленном делителе - достаточно ОК (открытого коллектора).
Открытый коллектор подавать сразу на вход ТТЛ без подтяжки к плюсу - не в коем случае нельзя. Так меня учили. Я было повелся, что на входе платы лазера уже есть привязка к +. Но ничего подобного - там на входе открытая база биполярника (сопротивление 500 КОм к плюсу). А логическая единица на входе может наводится обратными токами базы - но это не рекомендуемый режим работы схемы TTL, надежности и долговечности схеме не прибавляет.