Помогите пожалуйста с CNC 2418

Фрезерные и гравировальные станки для обработки мягких материалов (дерево, пластики, мягкие металлы).
Аватара пользователя
iMaks-RS
Мастер
Сообщения: 1807
Зарегистрирован: 10 июл 2017, 09:25
Репутация: 205
Настоящее имя: Maks
Откуда: От туда.
Контактная информация:

Re: Помогите пожалуйста с CNC 2418

Сообщение iMaks-RS »

Запустил свои клешни в исходный код 1.1f, рассматривая cpu_map.h нашёл такой кусок

Код: Выделить всё

// Prescaled, 8-bit Fast PWM mode.
  #define SPINDLE_TCCRA_INIT_MASK   ((1<<WGM20) | (1<<WGM21))  // Configures fast PWM mode.
  // #define SPINDLE_TCCRB_INIT_MASK   (1<<CS20)               // Disable prescaler -> 62.5kHz
  // #define SPINDLE_TCCRB_INIT_MASK   (1<<CS21)               // 1/8 prescaler -> 7.8kHz (Used in v0.9)
  // #define SPINDLE_TCCRB_INIT_MASK   ((1<<CS21) | (1<<CS20)) // 1/32 prescaler -> 1.96kHz
  #define SPINDLE_TCCRB_INIT_MASK      (1<<CS22)               // 1/64 prescaler -> 0.98kHz (J-tech laser)
Частота ШИМ на 16 ноге (12 цифровой выход Uno) уменьшена в семь раз по сравнению с версией 0.9... в угоду лазеру.. Отключил делитель.. интересно как изменятся аккустические шумы с оботок на холостом и под нагрузкой.. Хотел залить в дятла... но на ровном месте возникли трудности... при заливки опять IDE теряет чип... Залил изменённый grbl в UNO, подлючил осцилл.. 62.5кГц.. осталось на бред-борде организовать сопельный монтаж и подключить шапниддель..

upd 18-02
Продолжаю "жечь напалмом" Бгг.... Захотелось таки реализовать идею платы управления с 100% изоляцией... да так, что-бы можно было использовать не только с игрушечным макетом, но и на вполне взрослом с пром. драйверами...На Али заказаны ADUM для развяки usb-интерфейса.. На макетку поставил ширпотребовский PC817... в общем... плохая идея их использовать.. но можно в качестве удешевления поставить на аварийную кнопку, Z-щуп.. Нужно смотреть в сторону высоко-скоростных оптопар.. почитал форумы.. заказал HCPL2630.
Поначалу проводил эксперемент с портом 11.. Выяснил, что при частоте выше 1кГц имеем печальку с PC817. На частоте 62кГц при ШИМ заполнении выше 60% - на транзисторе имеем "прямую линию". Т.к. каждый раз компилировать в лом, как и доставать генератор.. установил в уставках GRBL (110-112 )подачу 12000, ускорение 200, шаги на оборот 100/160/100 (как у большого, под управлением RZNC 0501)
Отредактировал ini файл "свечки"

Код: Выделить всё

[code=ini]
jogFeeds=1000, 2000, 3000, 4000, 5000, 6000, 7000, 8000, 9000, 12000
jogFeed=4000
jogSteps=Непрерывно, 0.01, 0.1, 1, 5, 10, 100, 1000
[/code]
При указанных выше настройках подчи и ускорения получил:
подача 1000 - частота 1.67кГц
подача 2000 - частота 3.33кГц
подача 3000 - частота 5.0кГц
подача 4000 - частота 6.66кГц
подача 5000 - частота 8.33кГц
подача 6000 - частота 9.99кГц
подача 7000 - частота 11.66кГц
подача 8000 - частота 13.31кГц
подача 9000 - частота 14.98кГц
подача 12000 - частота 19.97кГц

Включал на макетке по разному...
optocouple test.jpg (2974 просмотра) <a class='original' href='./download/file.php?id=132740&mode=view' target=_blank>Загрузить оригинал (345.03 КБ)</a>
На форумах разработчики говорят, что параметры 817х могут "гулять" в зависимости от производителя.. желательно брать именно Филипс.. У них по крайней мере ДШ соответсвует реалиям... но... все характеристики даны при Т=25 градусов.. что мало вероятно в среде их использования.. при 50 градусах может и вовсе отказать работать.. :cheesy: Предельная частота 80кГц...

В общем жду окончания Чинайского НГ... покупать в офф-лайне 6N136 по цене десятка на Али.. зелёная душит.. :eat:

v 0.1, жёлтый - 11 порт, розовый - эмитер 817 https://youtu.be/NwpRjspDn1k
v 0.2, жёлтый - анод 817го, розовый - эмитер 547го транзистора https://youtu.be/RH5DOkklKBo

возможно применив напильник можно добиться результата... но.. имхо лучше искать другую опто-пару..
Пока на этом всё... по факту наличия и проверки годных опто-пар уже буду продолжать рукоблудие.. :rail: :hottabych:

upd спустя пару часов.... шаря по форумам, прочитал рекомендация - 2531... именно такие оптроны стоят по STEP/Dir в лидшайнах 542... плюсом является использование все ног корпуса.. т.е экономим место на плате. вместо 2х корпусов на ось - 1.. Заказал ещё и их.. HCPL-2531... за туже сумму что 10шт 136х, получает в 2 раза больше коммутируемых линий..
Последний раз редактировалось iMaks-RS 18 фев 2018, 16:14, всего редактировалось 1 раз.
SerЫй
Новичок
Сообщения: 32
Зарегистрирован: 11 янв 2018, 19:09
Репутация: 2
Контактная информация:

Re: Помогите пожалуйста с CNC 2418

Сообщение SerЫй »

Осциллограф хороший, жаль не успел обзавестись таким.
marselus
Кандидат
Сообщения: 51
Зарегистрирован: 22 ноя 2017, 19:11
Репутация: 3
Настоящее имя: Алексей
Контактная информация:

Re: Помогите пожалуйста с CNC 2418

Сообщение marselus »

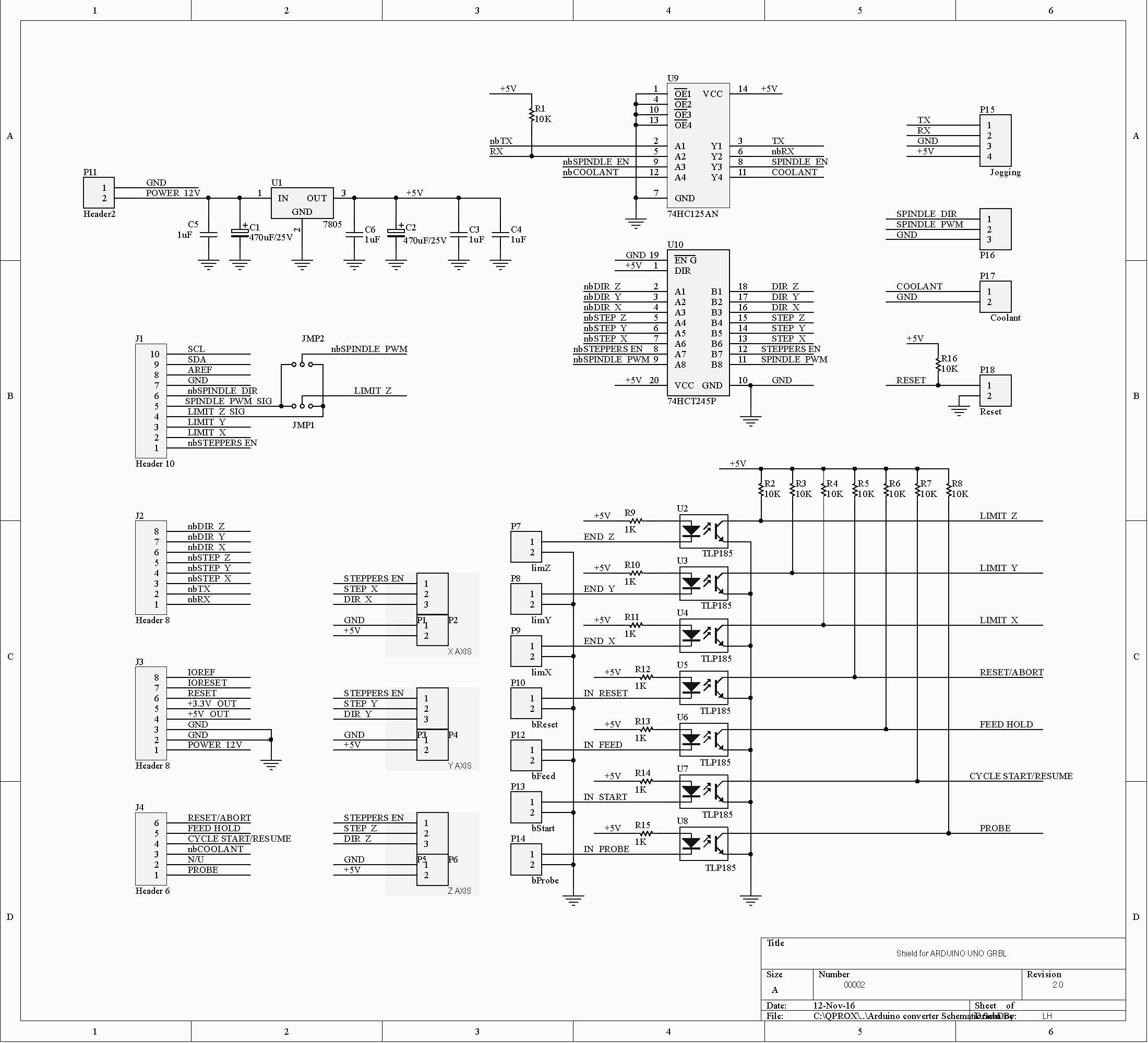
iMaks-RS писал(а):Захотелось таки реализовать идею платы управления с 100% изоляцией...
Все придумано до нас.
bc9c4aac-ddc1-11e6-971c-1dee2bae6a95.jpg (2956 просмотров) <a class='original' href='./download/file.php?id=132750&mode=view' target=_blank>Загрузить оригинал (276.71 КБ)</a>
Источник: https://github.com/gnea/grbl/issues/96
А я вот хочу уйти от GRBL в сторону Mach3 или LinuxCNC только вот нету LPT порта :roll:
Аватара пользователя
selenur
Почётный участник
Почётный участник
Сообщения: 4605
Зарегистрирован: 21 авг 2013, 19:44
Репутация: 1622
Настоящее имя: Сергей
Откуда: Новый Уренгой
Контактная информация:

Re: Помогите пожалуйста с CNC 2418

Сообщение selenur »

marselus писал(а):А я вот хочу уйти от GRBL в сторону Mach3 или LinuxCNC только вот нету LPT порта
Ну как-бы и не нужен тебе LPT, можно так: http://www.cnc-club.ru/forum/viewtopic.php?f=41&t=16788
Есть более производительные платы, там ещё шустрее всё работает, чем в текущем исполнении, но в ближайшее время получиться значительно ускорить, и на этом решении.
Мой сайт: http://selenur.ru
Исходники моих программ: https://github.com/selenur
Instagram https://www.instagram.com/zheigurov/
Аватара пользователя
iMaks-RS
Мастер
Сообщения: 1807
Зарегистрирован: 10 июл 2017, 09:25
Репутация: 205
Настоящее имя: Maks
Откуда: От туда.
Контактная информация:

Re: Помогите пожалуйста с CNC 2418

Сообщение iMaks-RS »

SerЫй писал(а):
Осциллограф хороший, жаль не успел обзавестись таким.
осцилл с хардверным багом... продавец на али снял его с продажи.. на запрос прислать нужные компоненты - не ответил... Как и суппорт сиглента... обидно.. Не критично... но обидно блин...

На сколько я могу понять, у немецкой схемы нет полной развязки.. имхо преобразователь уровня и буфер не обеспечат полной развязки.... оптроны только для лимитов и кнопок управления используются... Имхо схема разрабатывалась под минимальный бюджет... если уж в ЧиД эти буферы цену по 10руб имеют... Валяется пара дохлых сетевух... нужно с них трансформаторы снять... в теории должно заработать....
dale
Новичок
Сообщения: 23
Зарегистрирован: 25 янв 2018, 23:21
Репутация: 5
Настоящее имя: Andrey
Контактная информация:

Re: Помогите пожалуйста с CNC 2418

Сообщение dale »

marselus писал(а): А я вот хочу уйти от GRBL в сторону Mach3 или LinuxCNC только вот нету LPT порта :roll:
Так вот для Mach3 через USB (все уже есть):
https://www.aliexpress.com/item/Factory ... 51366.html
dale
Новичок
Сообщения: 23
Зарегистрирован: 25 янв 2018, 23:21
Репутация: 5
Настоящее имя: Andrey
Контактная информация:

Re: Помогите пожалуйста с CNC 2418

Сообщение dale »

А вобще у станка основные беды из-за механики. Причем тут каждый узел вносит свою лепту и исправляя одно - натыкаемся на следующий шаг. Так что электроника на мой взгляд как раз на порядок выше механики и дорабатывать надо прежде всего механику (ну или просто менять все в комплексе... на другую механику).
dale
Новичок
Сообщения: 23
Зарегистрирован: 25 янв 2018, 23:21
Репутация: 5
Настоящее имя: Andrey
Контактная информация:

Re: Помогите пожалуйста с CNC 2418

Сообщение dale »

iMaks-RS писал(а):Запустил свои клешни в исходный код 1.1f, рассматривая ....
Частота ШИМ на 16 ноге (12 цифровой выход Uno) уменьшена в семь раз по сравнению с версией 0.9... в угоду лазеру.. Отключил делитель.. интересно как изменятся аккустические шумы с оботок на холостом и под нагрузкой.. Хотел залить в дятла... но на ровном месте возникли трудности... при заливки опять IDE теряет чип... Залил изменённый grbl в UNO, подлючил осцилл.. 62.5кГц.. осталось на бред-борде организовать сопельный монтаж и подключить шапниддель..
Все можно проверить проще - питать шпиндель от лабораторного блока питания без всяких ШИМ'ов. Я попробовал (тоже была идея что станет лучше) - но на больших оборотах разница не ощущается (по крайней мере не критичная разница). А на малых - никто и не работает (там заметна, собственно писал об этом).
Аватара пользователя
iMaks-RS
Мастер
Сообщения: 1807
Зарегистрирован: 10 июл 2017, 09:25
Репутация: 205
Настоящее имя: Maks
Откуда: От туда.
Контактная информация:

Re: Помогите пожалуйста с CNC 2418

Сообщение iMaks-RS »

dale , я подключал от ЛБП шпиндель... разница на самом деле есть... уходит акустический шум, который возникает в обмотках при ШИМ... Поэтому хотел переключить на 62кГц... что-бы уйти от звуковых диапазонов 1 и 7 кГц... исключительно в целях проверки...
AlexZW
Новичок
Сообщения: 33
Зарегистрирован: 22 ноя 2017, 13:58
Репутация: 2
Настоящее имя: Александр
Контактная информация:

Re: Помогите пожалуйста с CNC 2418

Сообщение AlexZW »

Подскажите как лучше крепить заготовку к столу оперативно для лазера? кто чего придумал?
По идее надо чтоб было оперативно т.е. какие-то пружины или эксцентрики и захват не отъедал много края от заготовки.
Аватара пользователя
Rom327
Почётный участник
Почётный участник
Сообщения: 2989
Зарегистрирован: 03 апр 2015, 13:23
Репутация: 437
Настоящее имя: Роман
Откуда: Подольск
Контактная информация:

Re: Помогите пожалуйста с CNC 2418

Сообщение Rom327 »

AlexZW писал(а):Подскажите как лучше крепить заготовку к столу оперативно для лазера? кто чего придумал?
По идее надо чтоб было оперативно т.е. какие-то пружины или эксцентрики и захват не отъедал много края от заготовки.
Грузики металлические... ;)
Это сугубо мое мнение, могу и ошибаться...
https://vk.com/rom327
GRBL настройки: http://blogandbux.blogspot.com/2018/07/ ... revod.html
G коды: http://3d-stanki.ru/spravochnik/program ... stankov-2/
Mkishimoto
Опытный
Сообщения: 184
Зарегистрирован: 05 янв 2017, 11:39
Репутация: 15
Настоящее имя: Мирон
Контактная информация:

Re: Помогите пожалуйста с CNC 2418

Сообщение Mkishimoto »

AlexZW писал(а):Подскажите как лучше крепить заготовку к столу оперативно для лазера? кто чего придумал?
По идее надо чтоб было оперативно т.е. какие-то пружины или эксцентрики и захват не отъедал много края от заготовки.
Канцелярский зажим Не помню какие у меня по размеру, но прижимаю даже фанеру для резки фрезой. Притопаю домой сделаю замеры зажимов и отпишусь.
Пример (2787 просмотров) <a class='original' href='./download/file.php?id=132880&mode=view' target=_blank>Загрузить оригинал (1.19 МБ)</a>
Пример
AlexZW
Новичок
Сообщения: 33
Зарегистрирован: 22 ноя 2017, 13:58
Репутация: 2
Настоящее имя: Александр
Контактная информация:

Re: Помогите пожалуйста с CNC 2418

Сообщение AlexZW »

вот тут две засады:
1. Рабочее поле довольно небольшое и отбирать от него полезные сантиметры не айс т.е. думаю над какие-то острые цеплялки, которые держатся за край в пределах 5мм..
2. При резке лазером полезно наблюдать прорезаемость, да и жечь подложку не айс.. мне под руку попались два люминевых радиатора почти на ширину стола - положил их ребрами вверх - получилась поднятая плоскость, но не сплошная, а решетчатая... но высота поднялась мм на 10 и к ним уже канц прищепками не прицепишься..
I_am_the_Lexx
Опытный
Сообщения: 166
Зарегистрирован: 04 апр 2017, 14:15
Репутация: 15
Настоящее имя: Алексей
Откуда: Подольск
Контактная информация:

Re: Помогите пожалуйста с CNC 2418

Сообщение I_am_the_Lexx »

Всем привет! Есть очередная проблема. Ранее в форуме не обсуждалась.

На фото изображен появляющийся брак. В данном случае черновая фреза (3.175мм) срезала по 0.5 мм за проход верхний слой заготовки, скорость 500 мм/мин. Из рисунка среза видно, что фреза смещалась по чуть-чуть вправо(X+), т.е. срезала не прямоугольник, а параллелограмм, далее снова переместилась в начало координат. Т.к. при каждом проходе фрезы был постоянный малый сдвиг по оси X, то фреза переместилась в току примерно на 8 мм правее начала координат. Следующий рез она делала только до металлического крепления), т.к. уперлась в него.

При холостом перемещении до запуска резки станок перемещался верно и не выходил за границы допустимого.

PS: Ранее тоже наблюдался этот эффект, когда резал рельеф сразу чистовую, но там за один проход, поэтому этот плавный сдвиг вправо не был критичен. На картинке сдвиг не был заметен, а края, в любом случае, обрезал лобзиком, чтобы выровнять.

На ум смутно приходят либо подпружиненная гайка или же понятие попутного реза и реза против направления вращения шпинделя. Может еще что-то. Но подогнать теорию под результат не могу. И не ясно, как это устранить. Прошу помощи!
Вложения
IMG_20180220_082229.jpg (2760 просмотров) <a class='original' href='./download/file.php?id=132881&mode=view' target=_blank>Загрузить оригинал (3.34 МБ)</a>
IMG_20180220_082242.jpg (2760 просмотров) <a class='original' href='./download/file.php?id=132882&mode=view' target=_blank>Загрузить оригинал (3.24 МБ)</a>
Mkishimoto
Опытный
Сообщения: 184
Зарегистрирован: 05 янв 2017, 11:39
Репутация: 15
Настоящее имя: Мирон
Контактная информация:

Re: Помогите пожалуйста с CNC 2418

Сообщение Mkishimoto »

AlexZW писал(а):вот тут две засады:
1. Рабочее поле довольно небольшое и отбирать от него полезные сантиметры не айс т.е. думаю над какие-то острые цеплялки, которые держатся за край в пределах 5мм..
2. При резке лазером полезно наблюдать прорезаемость, да и жечь подложку не айс.. мне под руку попались два люминевых радиатора почти на ширину стола - положил их ребрами вверх - получилась поднятая плоскость, но не сплошная, а решетчатая... но высота поднялась мм на 10 и к ним уже канц прищепками не прицепишься..
Rom327 » Сегодня, 11:41 Написал: Грузики Ваше все. Тем более что нет таких ускорений чтобы сдвинуть их с места.
Резал фетр, придавливал в местах где не режет гайками М12 и никуда ничего не сползало.
Mkishimoto
Опытный
Сообщения: 184
Зарегистрирован: 05 янв 2017, 11:39
Репутация: 15
Настоящее имя: Мирон
Контактная информация:

Re: Помогите пожалуйста с CNC 2418

Сообщение Mkishimoto »

I_am_the_Lexx писал(а):Всем привет! Есть очередная проблема. Ранее в форуме не обсуждалась.
Для начала, я думаю, стоит посмотреть не подкусывает ли где ось Х, и четко ли отрабатывает шаговик (похоже что пропускает несколько шагов в какой то момент и причем на каждом проходе в одном и том же месте).
Если закусываний оси нет, то возможно стоят большие ускорения и при разгоне в начале реза шаговик пропускает шаги (типа когда по оси стол или каретка упирается в конец рабочей зоны (в крепления направляющих валов) и двигатель стоит на месте а программа все равно отсчитывает шаги). Как вариант уменьшить скорость подачи, а затем если не помогло ускорения $ 120 $ 121 $ 122 = 50,000 (z разгона, мм / сек ^ 2)
Сняли бы вы видео и дали посмотреть чисто ради интереса.

Если бы виновата была гайка ходовая, то просто не совпадал бы размер, но ступеньки не было. Попутный и встречный резы тут тоже не причем. Симметрия направляющих тоже не причем, иначе был бы просто ромб без ступеньки.
Последний раз редактировалось Mkishimoto 20 фев 2018, 13:58, всего редактировалось 2 раза.
kip96
Новичок
Сообщения: 35
Зарегистрирован: 13 янв 2017, 20:41
Репутация: 0
Настоящее имя: Игорь
Контактная информация:

Re: Помогите пожалуйста с CNC 2418

Сообщение kip96 »

AlexZW писал(а):2. При резке лазером полезно наблюдать прорезаемость, да и жечь подложку не айс.. мне под руку попались два люминевых радиатора почти на ширину стола - положил их ребрами вверх - получилась поднятая плоскость, но не сплошная, а решетчатая... но высота поднялась мм на 10 и к ним уже канц прищепками не прицепишься..
Я ложу на стекло. Всё отлично видно.
I_am_the_Lexx
Опытный
Сообщения: 166
Зарегистрирован: 04 апр 2017, 14:15
Репутация: 15
Настоящее имя: Алексей
Откуда: Подольск
Контактная информация:

Re: Помогите пожалуйста с CNC 2418

Сообщение I_am_the_Lexx »

Спасибо за ответ. На основании Вашего ответа, сделаю некоторые уточнения.

"Не подкусывает ли где ось Х" - Нет, притом и муфта гибкая(кстати!). Регулировал и перезатягивал ось X перед работой. Каретка ходит хорошо.
"...стол или каретка упирается в конец рабочей зоны (в крепления направляющих валов)" - нет.
"...в начале реза шаговик пропускает шаги" - не знаю. Визуально и на слух не слышал.
Скорость 500, 500, 60. Ускорения 50,50,30. Ранее гонял на холостом ходу до 1000 мм/мин., ускорение 500. Заданные параметры скорости и ускорения не велики.

"Сняли бы вы видео и дали посмотреть чисто ради интереса." - Проблемы с временем для запуска/съемки + нужен монтаж видео. Не выкладывать же полчасовой ролик. Вечером попробую заснять.
Mkishimoto
Опытный
Сообщения: 184
Зарегистрирован: 05 янв 2017, 11:39
Репутация: 15
Настоящее имя: Мирон
Контактная информация:

Re: Помогите пожалуйста с CNC 2418

Сообщение Mkishimoto »

I_am_the_Lexx писал(а):Спасибо за ответ. На основании Вашего ответа, сделаю некоторые уточнения.
"...стол или каретка упирается в конец рабочей зоны (в крепления направляющих валов)" - нет.
Тут мы немного друг друга недопоняли, я пытался объяснить как можно понять пропуск шагов, упирание в стойки как пример.
А на счет видео, то монтировать ничего ненужно! Будем смотреть до посинения и думать.
I_am_the_Lexx писал(а): Скорость 500, 500, 60. Ускорения 50,50,30. Ранее гонял на холостом ходу до 1000 мм/мин., ускорение 500. Заданные параметры скорости и ускорения не велики.
Раз на холостом ходу нет пропусков таких, то скорее всего ток драйвера и как следствие пропуск шагов (шаговик из-за слабого тока на драйвере не может продвинуть фрезу на шаг и получается пропуск шага). Как вариант поднять ток на драйверах.
peratron
Мастер
Сообщения: 605
Зарегистрирован: 05 фев 2017, 07:43
Репутация: 36
Настоящее имя: Eugene
Контактная информация:

Re: Помогите пожалуйста с CNC 2418

Сообщение peratron »

AlexZW писал(а):но высота поднялась мм на 10 и к ним уже канц прищепками не прицепишься..
А привинтить к рёбрам уголки для пришепок - не судьба?
Ответить

Вернуться в «Фрезерные станки по дереву и пластикам, гравировальные станки, роутеры»