ШИМ управление через mach3, плата plc4

Mach, популярные и не очень CAD, CAM. Обсуждение и разработка программ для управления станками.
atom
Новичок
Сообщения: 3
Зарегистрирован: 18 окт 2012, 23:49
Репутация: 0
Контактная информация:

ШИМ управление через mach3, плата plc4

Сообщение atom »

здравствуйте. сразу прошу прощения если тема поднималась, но конфа новая для меня не смог найти.
Итак шпиндель as-1500, инвертор h1c. настройка произвел быструю по документации с сайта пурлоджик ;)
изменил настройки чтобы брал частоту с аналогового напряжения. запустил-крутится на минимальном уровне, покрутил.. почитал, в output signal указал 14 пин. Шпиндель закрутился на частоте близкой к максимальной 400(герц я так понимаю судя по дисплею инвертора). но регулировать конечно не получилось. крутится на одной частоте постоянно.
Вопросы в следующем- То что напряжение в шим меняется от 0 до 10 это величина общепринятая или где то в маче нужно это прописать? тогда подскажите нубу где )) инструкцию по матчу читал, несколько раз нужные главы, но не доходит,тыкнуть прям надо ))
и второй вопрос автоматическое включение из под матча, как понимаю можно прямо с реле установленные на плате сделать, послать сигнал на вход инвертора форвадр, мыслю верно? если да, то не могу понять как это проводочками то сделать, подскажите )
Аватара пользователя
Nick
Мастер
Сообщения: 22776
Зарегистрирован: 23 ноя 2009, 16:45
Репутация: 1735
Заслуга: Developer
Откуда: Gatchina, Saint-Petersburg distr., Russia
Контактная информация:

Re: ШИМ управление через mach3, плата plc4

Сообщение Nick »

atom писал(а):То что напряжение в шим меняется от 0 до 10 это величина общепринятая или где то в маче нужно это прописать?
0-10 это выдает контроллер, на вход ему приходит ШИМ 5В. В маче максимум задается зависимость скорость<->напряжение (скважность шим).
посмотри настройки выходных сигналов.
atom писал(а):как понимаю можно прямо с реле установленные на плате сделать, послать сигнал на вход инвертора форвадр, мыслю верно?
Смотря какой у тебя инвертор, может проще все это не через релле, а просто с обычного пина вывода это сделать. Есть ман по инвертору?
atom
Новичок
Сообщения: 3
Зарегистрирован: 18 окт 2012, 23:49
Репутация: 0
Контактная информация:

Re: ШИМ управление через mach3, плата plc4

Сообщение atom »

Nick писал(а):То что напряжение в шим меняется от 0 до 10 это величина общепринятая или где то в маче нужно это прописать?
0-10 это выдает контроллер, на вход ему приходит ШИМ 5В. В маче максимум задается зависимость скорость<->напряжение (скважность шим).
1350673894-clip-24kb.png (6889 просмотров) <a class='original' href='./download/file.php?id=8607&mode=view' target=_blank>Загрузить оригинал (24.41 КБ)</a>
включил пвм, читал мануал по мачу,но видимо много инфы поступает не могу объять сразу, подскажите где надо галочку добавить, циферки поменять. Как для самого безрукого :(
Nick писал(а):посмотри настройки выходных сигналов.
1350674178-clip-28kb.png (6889 просмотров) <a class='original' href='./download/file.php?id=8606&mode=view' target=_blank>Загрузить оригинал (28.14 КБ)</a>
это вот тут я должен посмотреть? )

Nick писал(а):Смотря какой у тебя инвертор, может проще все это не через релле, а просто с обычного пина вывода это сделать. Есть ман по инвертору?
Инвертор HC1C01D523B, такой вот инвертор,http://www.purelogic.ru/files/downloads ... C+_rus.pdf это ман к нему. в нем есть входной порт форвард и реверс, попробую перечитать сейчас ман в нуных местах, но если знаете как подключить помогите советом.
Аватара пользователя
Nick
Мастер
Сообщения: 22776
Зарегистрирован: 23 ноя 2009, 16:45
Репутация: 1735
Заслуга: Developer
Откуда: Gatchina, Saint-Petersburg distr., Russia
Контактная информация:

Re: ШИМ управление через mach3, плата plc4

Сообщение Nick »

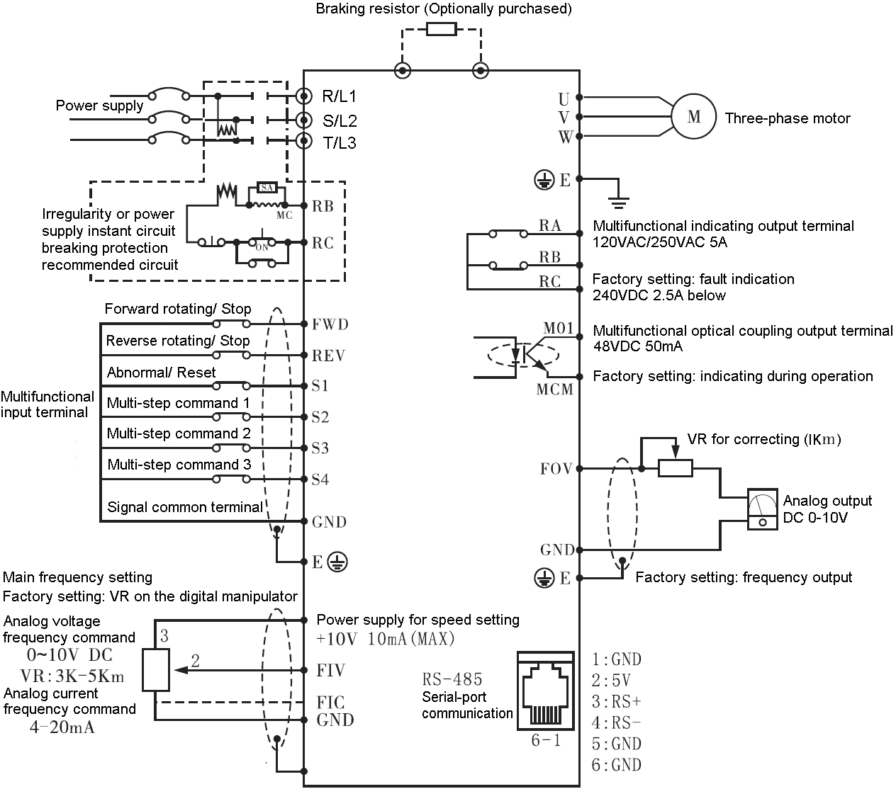
Судя по этой схеме и табличке, которая тоже есть в мануале то при замыкании контактов FWD или REV на землю шпиндель будет крутиться в ту или иную сторону.
По идее их можно повесить напрямую на выходы контроллера, или кстати точно можно повесить на релле, надо только посмотреть, чтобы они были замкнуты или разомкнуты в нужное время.
Просто в электронике я :monkey:, поэтому про пины не знаю, но реле точно ничего не произойдет.
инвертор.png (6889 просмотров) <a class='original' href='./download/file.php?id=8605&mode=view' target=_blank>Загрузить оригинал (104.39 КБ)</a>

Далее, по твоим картинкам, на первой судя по всему, убирай галку с Disable Spindle relays.
Потом назначь разные номера на Clockwise и CCW.

Какой у тебя контроллер? Там ничего не говорится про частоту ШИМ? Просто ИМХО 50 Гц это очень мало (PWMBase freq).
Да, на остановку и запуск шпинделя можно наверное по-больше времени поставить.

Потом на второй картинке прописываешь номера пинов для выходов указанных для CW и CCW.

И поищи там что-нибудь связанное с ШИМ, может у тебя он тупо не выводится.

ЗЫ LinuxCNC не хочешь попробовать? Там все проще :).

ЗЫЫ Картинки лучше прямо на форум заливай, так есть гарантия, что они через пару месяцев не пропадут.
atom писал(а):Инвертор HC1C01D523B, такой вот инвертор, http://www.purelogic.ru/files/downloads ... C+_rus.pdf это ман к нему. в нем есть входной порт форвард и реверс, попробую перечитать сейчас ман в нуных местах, но если знаете как подключить помогите советом.
Да, забавная инстукция :):

Пожалуйста, упакуйте инвертор твердо от основания до по-
верхности во время поставки, уменьшите любое возможное повре-
ждение пользователем и изделиями.

Пожалуйста, установите ин вертор в невоспламеняющемся месте,
и держите отдельно от огня.

используйте под следующими условиями окружающей среды:
Экологическая температура:-10С ~ 40 (без инея);

Высота: на 1000 м. ниже или выше уровня моря (инвертор дол-
жен использоваться в более низком шаге, когда он используется в
месте на 1000 м. выше уровня моря).
atom
Новичок
Сообщения: 3
Зарегистрирован: 18 окт 2012, 23:49
Репутация: 0
Контактная информация:

Re: ШИМ управление через mach3, плата plc4

Сообщение atom »

инструкция даааа ) я забыл как по разговаривать после ее прочтения. попробую завтра на релюшку повесить и покрутить указанные значения.
линукс конечно хотел бы попробовать, дистрибутив даже качал. но так и не дошли руки, подскажите может ссылки на руссфицированный(если такой бывает в природе). меня только волнует как там дела со всякими КАМами? я тут кое как подружился с арткамом.
Аватара пользователя
Nick
Мастер
Сообщения: 22776
Зарегистрирован: 23 ноя 2009, 16:45
Репутация: 1735
Заслуга: Developer
Откуда: Gatchina, Saint-Petersburg distr., Russia
Контактная информация:

Re: ШИМ управление через mach3, плата plc4

Сообщение Nick »

atom писал(а):подскажите может ссылки на руссфицированный
Ну как тебе сказать, а он изначально весь русифицированный, просто надо при установке русский язык выбрать и все :).
Ну потом может попросит дополнительные пакеты локализации скачать, но очень многое будет переведено изначально. И то для установки жтих пакетов надо будет просто иметь подключение к интернету и нажать клавишу ок.

Дела с CAMами не очень. А какие обработки ты делаешь и на чем сейчас работаешь?


ЗЫ Его можно даже не ставить, просто загружаешься с диска или USB и работаешь как на обычной системе, (для этого при загрузке надо нажать TRY). У меня кстати примерно так на лазерном станке сделано, в комп просто вставлена флешка с LinuxCNC, монитор и питание, и больше вообще ничего.
Ответить

Вернуться в «Windows / Mach»