Куплю пазовые сухари, Т-гайки, Т-болты

Запросы на покупку оборудования, комплектующих и материалов
Аватара пользователя
Ulfednar
Новичок
Сообщения: 16
Зарегистрирован: 05 апр 2014, 20:32
Репутация: 0
Настоящее имя: Андрей
Контактная информация:

Куплю пазовые сухари, Т-гайки, Т-болты

Сообщение Ulfednar »

Доброго времени суток!
Купил профиль для стола, а вот с крепежом вышла накладка. Возможно у кого нибудь есть излишки нужного мне крепежа.
Что нужно:
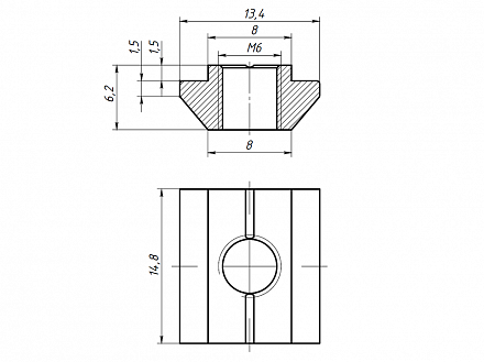
Сухарь пазовый М6, паз 8 - 18 шт.
2014_12_01-10_52_24-snsd.30.51.24.-sukhar-pazovyy-m6_-paz-8_c52_.pdf-_-adobe-reader.png (1588 просмотров) <a class='original' href='./download/file.php?id=115450&mode=view' target=_blank>Загрузить оригинал (54.85 КБ)</a>
Винт с полукруглой головкой и внутренним шестигранником М6х8 (или М6х10) ISO 7380-1 - 18 шт.
f06fe0e2168911e4bfa10050569f5c63_47703def7bb411e493e80050569c5dcb.jpg (1588 просмотров) <a class='original' href='./download/file.php?id=115453&mode=view' target=_blank>Загрузить оригинал (67.89 КБ)</a>
Т-болт M8х20, паз 10 - 8 шт.
Т-болт M8х30, паз 10 - 8 шт.

Т-гайка М6, паз 10 - 8 шт.
Т-гайка М8, паз 10 - 8 шт.

Вернуться в «Куплю»