Детали из Стали 10: токарка, фрезеровка, координатка

Запрос и предложение услуг по обработке, проектированию, моделированию и т.д.
Правила форума
Разрешается публиковать предложения по предоставлению услуг как физическим лицам так и коммерческим организациям, при соблюдении следующих условий:
1. должны присутствовать характеристики предлагаемых услуг, возможности оборудования
2. должна присутствовать стоимость услуги
3. должно присутствовать описание способов оплаты, доставки и места расположения (город)
4. один продавец - одна тема

Фотографии товаров приветствуются (фотографии должны быть вложениями к сообщениям).

Возможно размещение ссылки на свой сайт, с описанием товара, при обязательном соблюдении пунктов 1-3.

Администрация форума может удалить тему или сообщения из данного раздела на свое усмотрение, без объяснения причин!
mihail.elanichev
Новичок
Сообщения: 23
Зарегистрирован: 10 апр 2017, 16:55
Репутация: 0
Настоящее имя: Михаил
Контактная информация:

Детали из Стали 10: токарка, фрезеровка, координатка

Сообщение mihail.elanichev »

Здравствуйте!

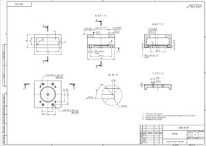
Требуется изготовить:
  1. Деталь 058-01.01 – 2 шт.
  2. Деталь 200-02 – 2 шт.
КД_13042017_Страница_1.jpg (2550 просмотров) <a class='original' href='./download/file.php?id=108847&mode=view' target=_blank>Загрузить оригинал (822.12 КБ)</a>
КД_13042017_Страница_2.jpg (2550 просмотров) <a class='original' href='./download/file.php?id=108848&mode=view' target=_blank>Загрузить оригинал (313.02 КБ)</a>
Покрытие обсуждается.

Жду предложений по ценам и срокам в личку или на почту mihail.elanichev@yandex.ru.
mihail.elanichev
Новичок
Сообщения: 23
Зарегистрирован: 10 апр 2017, 16:55
Репутация: 0
Настоящее имя: Михаил
Контактная информация:

Re: Детали из Стали 10: токарка, фрезеровка, координатка

Сообщение mihail.elanichev »

Изготовитель найден, детали в работе. Всем спасибо за ответы.
Ответить

Вернуться в «Услуги»