Подделка DRV8825
- ScrewDriver
- Мастер
- Сообщения: 1942
- Зарегистрирован: 06 сен 2016, 01:44
- Репутация: 498
- Настоящее имя: Василий
- Откуда: Москва
- Контактная информация:
Подделка DRV8825
Добрый день, уважаемые.
Натолкнулся в своих опытах на подделку драйвера DRV8825, купленную на AliExpress
В чем кривость:
Согласно документации производителя после включения драйвера DRV8825 обмотки ШД запитываются таким образом, что электрический угол должен составить 45 градусов
Страница 14, строка выделена серым: http://www.ti.com/lit/ds/symlink/drv8825.pdf Поддельный драйвер при выставлении тока большем, чем 0.7-1А после включения не держит ток в обмотках одинаковым.
В моем случае было 1.8А и 0.4А. Какие еще в нем глюки - одному богу известно, но максимальные скорости перемещения у меня были примерно в 2 раза ниже, чем с оригинальным драйвером.
Отличил случайно - были куплены 2 комплекта драйверов у разных продавцов.
На фото поддельный драйвер справа, у подделки из ярко выраженных отличий:
1) черный двусторонний скотч на радиаторе (в оригинале у меня белый)
2) на верхней стороне платы промаркированы резисторы и конденсаторы (На оригинале маркировки нет)
3) на тыльной стороне платы термопад белый (в оригинале желтый)
4) на тыльной стороне платы нет точки у надписи stp, в целом маркировка более размазанная(у оригинала есть точка у stp)
6) на тыльной стороне платы переходные отверстия не соединены общим полигоном (у оригинала они на общем полигоне)
Натолкнулся в своих опытах на подделку драйвера DRV8825, купленную на AliExpress
В чем кривость:
Согласно документации производителя после включения драйвера DRV8825 обмотки ШД запитываются таким образом, что электрический угол должен составить 45 градусов
Страница 14, строка выделена серым: http://www.ti.com/lit/ds/symlink/drv8825.pdf Поддельный драйвер при выставлении тока большем, чем 0.7-1А после включения не держит ток в обмотках одинаковым.
В моем случае было 1.8А и 0.4А. Какие еще в нем глюки - одному богу известно, но максимальные скорости перемещения у меня были примерно в 2 раза ниже, чем с оригинальным драйвером.
Отличил случайно - были куплены 2 комплекта драйверов у разных продавцов.
На фото поддельный драйвер справа, у подделки из ярко выраженных отличий:
1) черный двусторонний скотч на радиаторе (в оригинале у меня белый)
2) на верхней стороне платы промаркированы резисторы и конденсаторы (На оригинале маркировки нет)
3) на тыльной стороне платы термопад белый (в оригинале желтый)
4) на тыльной стороне платы нет точки у надписи stp, в целом маркировка более размазанная(у оригинала есть точка у stp)
6) на тыльной стороне платы переходные отверстия не соединены общим полигоном (у оригинала они на общем полигоне)
Промышленная автоматика, ПЛК, приводы, SCADA системы
Мой Ютуб канал.
Мой Ютуб канал.
- xenon-alien
- Почётный участник

- Сообщения: 4520
- Зарегистрирован: 01 янв 2013, 13:13
- Репутация: 925
- Настоящее имя: Daniel
- Откуда: Закарпатская обл. Украина
- Контактная информация:
Re: Подделка DRV8825
Ты меня прости, но наверное ты имел ввиду боле качественный драйвер.
А то оригинала цена думаю выше, чем покупал на али. (хотя могу ошибаться)
А то оригинала цена думаю выше, чем покупал на али. (хотя могу ошибаться)
- Сергей Саныч
- Мастер
- Сообщения: 9116
- Зарегистрирован: 30 май 2012, 14:20
- Репутация: 2858
- Откуда: Тюмень
- Контактная информация:
Re: Подделка DRV8825
Прикидка по фото показывает, что китайцы особо не напрягались в плане правильности разводки обеих ПП. Так, у "фейковой" ширина дорожек к токоизмерительным резисторам где-то около 0,1мм. Это при толщине фольги 18мкм и длине дорожки около 7мм дает сопротивление примерно 0,06-0,07 Ом, что соизмеримо с значением резистора (0,1 Ом). Дефекты на такой тонкой дорожке дадут еще большее сопротивление, соответственно изменится выдаваемый ток. У другой платы эти дорожки раза в два шире. Кроме того, у "подделки" одна из токоизмерительных цепей находится в непосредственной близости от дорожки питания, по которой текут нехилые импульсы тока.
Чудес не бывает. Бывают фокусы.
- ScrewDriver
- Мастер
- Сообщения: 1942
- Зарегистрирован: 06 сен 2016, 01:44
- Репутация: 498
- Настоящее имя: Василий
- Откуда: Москва
- Контактная информация:
Re: Подделка DRV8825
Само собой и тот и другой брался в китае.xenon-alien писал(а): Ты меня прости, но наверное ты имел ввиду боле качественный драйвер.
А то оригинала цена думаю выше, чем покупал на али. (хотя могу ошибаться)
Оба кстати в у проверенных больших продавцов - и на фото у обоих не фейковые, а нормальные =)
Ну и я бы не заметил разницы, если бы мне два комплекта не пришли.
А вот это интересно - будет время - перекину чип с фейковой на нормальную плату и посмотрю - может сам чип-то и нормальный, дело в разводке.Сергей Саныч писал(а):У другой платы эти дорожки раза в два шире
Промышленная автоматика, ПЛК, приводы, SCADA системы
Мой Ютуб канал.
Мой Ютуб канал.
- Сергей Саныч
- Мастер
- Сообщения: 9116
- Зарегистрирован: 30 май 2012, 14:20
- Репутация: 2858
- Откуда: Тюмень
- Контактная информация:
Re: Подделка DRV8825
Может. Хотя от китайцев всего можно ожидать. Скажем, перемаркировки DRV8824 в 8825. Разводка у них одинаковая, а вот максимальный ток - разный. Отличить, отпаяв, можно по размеру термопада - у 8825 он больше. На такую версию, кстати, намекает вид и размер сетки переходов под микросхемой.ScrewDriver писал(а):может сам чип-то и нормальный
Чудес не бывает. Бывают фокусы.
- ScrewDriver
- Мастер
- Сообщения: 1942
- Зарегистрирован: 06 сен 2016, 01:44
- Репутация: 498
- Настоящее имя: Василий
- Откуда: Москва
- Контактная информация:
Re: Подделка DRV8825
Термопады одинаковые - слева плохой драйвер.Сергей Саныч писал(а): На такую версию, кстати, намекает вид и размер сетки переходов под микросхемой.
Щас пересажу и посмотрю, как он себя поведет. UPD: не-а, микросхемы тоже видимо какие-то левые - при токе 1.8А все так же отрубается. Да и греется заметно сильнее.
В мусор в общем...
Промышленная автоматика, ПЛК, приводы, SCADA системы
Мой Ютуб канал.
Мой Ютуб канал.
- Сергей Саныч
- Мастер
- Сообщения: 9116
- Зарегистрирован: 30 май 2012, 14:20
- Репутация: 2858
- Откуда: Тюмень
- Контактная информация:
Re: Подделка DRV8825
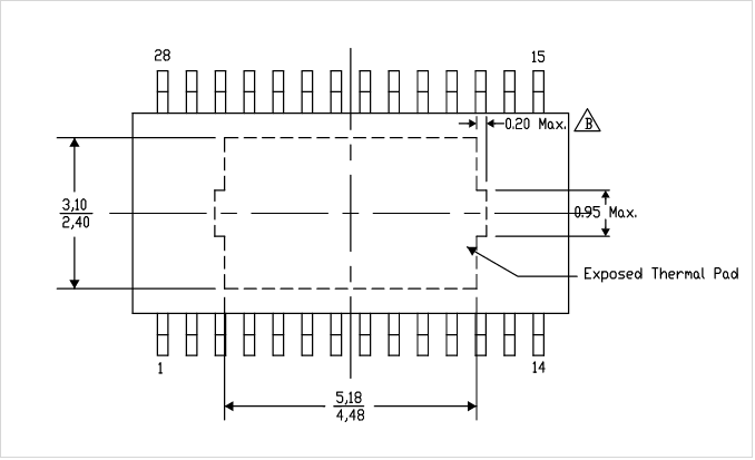
Собственно, у настоящей 8825 термопад должен быть таким:
И стОят эти микросхемы (голые) больше 2 долларов в партиях по 2000 шт. Это у оф. дилеров TI (не у нас).
А нам китайцы продают готовые драйверы примерно за $1.3 (74-85 руб).
Причем поштучно и с доставкой
А нам китайцы продают готовые драйверы примерно за $1.3 (74-85 руб).
Причем поштучно и с доставкой
Чудес не бывает. Бывают фокусы.
- ScrewDriver
- Мастер
- Сообщения: 1942
- Зарегистрирован: 06 сен 2016, 01:44
- Репутация: 498
- Настоящее имя: Василий
- Откуда: Москва
- Контактная информация:
Re: Подделка DRV8825
Если честно у них были какие-то крылья, не обратил внимания - опять выпаивать уже лень.Сергей Саныч писал(а): И стОят эти микросхемы (голые) больше 2 долларов в партиях по 2000 шт. Это у оф. дилеров TI (не у нас).
А нам китайцы продают готовые драйверы примерно за $1.3 (74-85 руб).
Причем поштучно и с доставкой
я все думаю попробовать на mouser`е заказать, но отпугивает доставка.... где-то читал, что очень долго.
Промышленная автоматика, ПЛК, приводы, SCADA системы
Мой Ютуб канал.
Мой Ютуб канал.
- michael-yurov
- Почётный участник

- Сообщения: 11730
- Зарегистрирован: 26 июл 2012, 00:10
- Репутация: 4703
- Настоящее имя: Михаил Львович
- Откуда: Новоуральск
- Контактная информация:
Re: Подделка DRV8825
У нас в Екатеринбурге в Промэлектронике продают сами микросхемы по 276 руб.
http://www.promelec.ru/product/192909/
Производитель Texas Instruments.
Написано, что в розничном магазине нет в наличии, но склад в двух шагах от него - там есть немного.
http://www.promelec.ru/product/192909/
Производитель Texas Instruments.
Написано, что в розничном магазине нет в наличии, но склад в двух шагах от него - там есть немного.
- Сергей Саныч
- Мастер
- Сообщения: 9116
- Зарегистрирован: 30 май 2012, 14:20
- Репутация: 2858
- Откуда: Тюмень
- Контактная информация:
Re: Подделка DRV8825
Кстати, забыл спросить - много драйверов проверили?
Или только по штуке от каждого продавца?
Или только по штуке от каждого продавца?
Чудес не бывает. Бывают фокусы.
- AndyBig
- Мастер
- Сообщения: 3971
- Зарегистрирован: 07 мар 2014, 04:01
- Репутация: 1121
- Откуда: юг России
- Контактная информация:
Re: Подделка DRV8825
В Компэле пололушные драйвера на этих микросхемах продают по 447 рублейmichael-yurov писал(а):У нас в Екатеринбурге в Промэлектронике продают сами микросхемы по 276 руб.
- ScrewDriver
- Мастер
- Сообщения: 1942
- Зарегистрирован: 06 сен 2016, 01:44
- Репутация: 498
- Настоящее имя: Василий
- Откуда: Москва
- Контактная информация:
Re: Подделка DRV8825
Все. У всех одни и те же симптомы.Сергей Саныч писал(а):Кстати, забыл спросить - много драйверов проверили?
Или только по штуке от каждого продавца?
Тут уже возникает вопрос доверия... я мало общался с отечественными поставщиками, но мне кажется - купят на том же али, продадут как оригинал - не дорого возьмут.AndyBig писал(а): В Компэле пололушные драйвера на этих микросхемах продают по 447 рублей
Промышленная автоматика, ПЛК, приводы, SCADA системы
Мой Ютуб канал.
Мой Ютуб канал.
-
SergeyСергей
- Новичок
- Сообщения: 3
- Зарегистрирован: 02 ноя 2018, 11:50
- Репутация: 0
- Настоящее имя: Сергей
- Контактная информация:
Re: Подделка DRV8825
Коллеги,
Прошу Вашего совета где купить "оригинальный" (= нормальный) драйвер DRV8825 в Москве в розницу.
Извините за такой вопрос не в личку, но я зарегистрировался недавно и мне пока не дают в личку писать.
Делаем с ребёнком робота.
Нету времени тратиться на оборудование плохого качества.
С уважением,
Сергей.
Прошу Вашего совета где купить "оригинальный" (= нормальный) драйвер DRV8825 в Москве в розницу.
Извините за такой вопрос не в личку, но я зарегистрировался недавно и мне пока не дают в личку писать.
Делаем с ребёнком робота.
Нету времени тратиться на оборудование плохого качества.
С уважением,
Сергей.
- R6MF49T2
- Мастер
- Сообщения: 235
- Зарегистрирован: 14 июл 2016, 17:18
- Репутация: 32
- Откуда: Великий Новгород/Санкт-Петербург
- Контактная информация:
Re: Подделка DRV8825
100% оригинальный тут - https://store.ti.com/Search.aspx?k=DRV8825&pt=-1SergeyСергей писал(а):Коллеги,
Прошу Вашего совета где купить "оригинальный" (= нормальный) драйвер DRV8825 в Москве в розницу.
Извините за такой вопрос не в личку, но я зарегистрировался недавно и мне пока не дают в личку писать.
Делаем с ребёнком робота.
Нету времени тратиться на оборудование плохого качества.
С уважением,
Сергей.
Если нужно прям сейчас и здесь - Компэл, Терраэлектроника и прочие оф. дистрибьюторы
-
SergeyСергей
- Новичок
- Сообщения: 3
- Зарегистрирован: 02 ноя 2018, 11:50
- Репутация: 0
- Настоящее имя: Сергей
- Контактная информация:
Re: Подделка DRV8825
Спасибо большое.
Нужно действительно тут и сейчас.
Заказал в компэле, там написано что плата от pololu. На следующей неделе получу попробую.
Спасибо!
С уважением,
Сергей
Нужно действительно тут и сейчас.
Заказал в компэле, там написано что плата от pololu. На следующей неделе получу попробую.
Спасибо!
С уважением,
Сергей
- xenon-alien
- Почётный участник

- Сообщения: 4520
- Зарегистрирован: 01 янв 2013, 13:13
- Репутация: 925
- Настоящее имя: Daniel
- Откуда: Закарпатская обл. Украина
- Контактная информация:
Re: Подделка DRV8825
Мне "повезло" и попался двойной фейк в одной партии...
А я то думаю, чего они так фигово работают и так сильно греются при 1А...
А я то думаю, чего они так фигово работают и так сильно греются при 1А...