Подскажите к как подключить концевик?
-
grafix888
- Новичок
- Сообщения: 7
- Зарегистрирован: 05 дек 2016, 14:26
- Репутация: 0
- Настоящее имя: Жан
- Контактная информация:
Подскажите к как подключить концевик?
Описание станка, основные характеристики: Стандартный китаец
Рабочее поле: 2x1метр
Обрабатываемые материалы: дерево
Подскажите к как подключить концевик? К каким контактам? И если можно где бы скачать документацию на драйвер?
Рабочее поле: 2x1метр
Обрабатываемые материалы: дерево
Подскажите к как подключить концевик? К каким контактам? И если можно где бы скачать документацию на драйвер?
- РЕКЛАМА
- Почётный участник

- Сообщения: 736
- Зарегистрирован: 11 дек 2012, 21:46
- Репутация: 80
- Откуда: Брянск
- Контактная информация:
Re: Подскажите к как подключить концевик?
А для каких целей вам концевик?
-
grafix888
- Новичок
- Сообщения: 7
- Зарегистрирован: 05 дек 2016, 14:26
- Репутация: 0
- Настоящее имя: Жан
- Контактная информация:
Re: Подскажите к как подключить концевик?
Хм..Тоесть? Станок без концевика как будет работать? Однако престранный вопрос. Чтоб в дом уходил. Однако. фото шкафа прилагаю.
Последний раз редактировалось grafix888 05 дек 2016, 18:32, всего редактировалось 1 раз.
- Mamont
- Мастер
- Сообщения: 2005
- Зарегистрирован: 10 дек 2015, 12:21
- Репутация: 391
- Настоящее имя: Виталий
- Откуда: РБ Минск
- Контактная информация:
Re: Подскажите к как подключить концевик?
В дом по концевикам? А точности точно хватит? Мне казалось для хоума надо чтото более точное, типа щелевого оптопрерывателяgrafix888 писал(а):Чтоб в дом уходил. Однако.
-
grafix888
- Новичок
- Сообщения: 7
- Зарегистрирован: 05 дек 2016, 14:26
- Репутация: 0
- Настоящее имя: Жан
- Контактная информация:
Re: Подскажите к как подключить концевик?
Ну может и так. Просто на станке изначально стоял подобный концевик. Китайцы на заводе поставили.
- РЕКЛАМА
- Почётный участник

- Сообщения: 736
- Зарегистрирован: 11 дек 2012, 21:46
- Репутация: 80
- Откуда: Брянск
- Контактная информация:
Re: Подскажите к как подключить концевик?
И куда он делся?
И что мешает поставить новый на старое место?
На других осях стоят концевики?
Что мешает поставить так как на них?
И что мешает поставить новый на старое место?
На других осях стоят концевики?
Что мешает поставить так как на них?
-
grafix888
- Новичок
- Сообщения: 7
- Зарегистрирован: 05 дек 2016, 14:26
- Репутация: 0
- Настоящее имя: Жан
- Контактная информация:
Re: Подскажите к как подключить концевик?
Фото шкафа видели? Пук проводов. И большое количество колодок с проводами. В том числе и на станке. Концевик неисправный был снят ранее.Как он стоял без понятия. По аналогии не так просто. При неправильном подключении питания можно сжечь концевик (транзистор концевика).
- Mamont
- Мастер
- Сообщения: 2005
- Зарегистрирован: 10 дек 2015, 12:21
- Репутация: 391
- Настоящее имя: Виталий
- Откуда: РБ Минск
- Контактная информация:
Re: Подскажите к как подключить концевик?
Врятли концевик цепляется к дайверу сервопривода.
На фоте шкафа справа виднеется зеленая фигня . Она похоже на контроллер. Посмотреть в нее, может туда заходят концевики
На фоте шкафа справа виднеется зеленая фигня . Она похоже на контроллер. Посмотреть в нее, может туда заходят концевики
-
grafix888
- Новичок
- Сообщения: 7
- Зарегистрирован: 05 дек 2016, 14:26
- Репутация: 0
- Настоящее имя: Жан
- Контактная информация:
Re: Подскажите к как подключить концевик?
Это не контроллер это колодка. Разьем LPT. в нее воткнут кабель LPT уходящий к компьютеру. Сама плата контроллера установлена в компьютере. Работает с NC-studio.
Вот например плата контролера NC-Studio синяя для 5 версии студио. У меня же стоит почти такая же но для 4 студии зеленая.
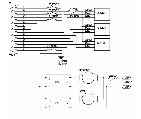
Нашел принципиальную схему (возможную схему) подключения какая у меня непонятно.....
как подключать пока тоже непонятно.... От какой печки плясать?
Вот например плата контролера NC-Studio синяя для 5 версии студио. У меня же стоит почти такая же но для 4 студии зеленая.
Нашел принципиальную схему (возможную схему) подключения какая у меня непонятно.....
как подключать пока тоже непонятно.... От какой печки плясать?
-
AVD3485
- Новичок
- Сообщения: 17
- Зарегистрирован: 24 май 2016, 19:00
- Репутация: 16
- Настоящее имя: Александр
- Контактная информация:
Re: Подскажите к как подключить концевик?
Выставил оси в ноль в ручном режиме. Обнулил в машинный ноль. поработал, перед тем как выключить станок G28. Но чтоб по датчику в ноль... Первый раз слышу. Датчик нужен для того, чтобы если драйвера пропускать шаги стали, чтоб концевик подхватил. Поэтому мое мнение таково, если уж и ставить концевик то никак не для хоума. А так, есть в драйвере вход на 5 вольт по моему ENA (enable). Если на него придет 5 вольт драйвер остановит движок. И не отпустит пока не пропадет 5 вольт(что и естественно для аварии). как решение задачи. но чтото мне подсказывает что датчик 12-24 вольта и при сработке он даст такой же + как и питание датчика. релюшку еще на 12 вольт для комутации. а через релюшку 5 вольт на драйвер.
-Ну,было приятно познакомиться, пойду, убью себя.
-Постой, ты мой единственный друг.
-Ты хочешь дружить с роботом?
-Мечтал с шести лет.
-Ладно, но я не хочу, чтоб люди считали нас робосексуалами. Если спросят, ты - мой партнер.
-Постой, ты мой единственный друг.
-Ты хочешь дружить с роботом?
-Мечтал с шести лет.
-Ладно, но я не хочу, чтоб люди считали нас робосексуалами. Если спросят, ты - мой партнер.
-
grafix888
- Новичок
- Сообщения: 7
- Зарегистрирован: 05 дек 2016, 14:26
- Репутация: 0
- Настоящее имя: Жан
- Контактная информация:
Re: Подскажите к как подключить концевик?
Так реле итак типа должно быть. На реле все и построено китайцами.Хм а китайцы для дома и ставят. Настройки даже есть в пультах (серии RZNC напр 0501 и 11S) и в NC-studio 
- Mamont
- Мастер
- Сообщения: 2005
- Зарегистрирован: 10 дек 2015, 12:21
- Репутация: 391
- Настоящее имя: Виталий
- Откуда: РБ Минск
- Контактная информация:
Re: Подскажите к как подключить концевик?
открываеш даташиту на концевик, где есть схемы подключения.
для 2-проводного дачика с NPN транзистором цепь тока такая вырисовывается:
+ питания -> реле обмотка_1 ->реле обмотка_2-> коричневый провод концевика->синий провод концевика->gnd питания
для 2-проводного дачика с NPN транзистором цепь тока такая вырисовывается:
+ питания -> реле обмотка_1 ->реле обмотка_2-> коричневый провод концевика->синий провод концевика->gnd питания
- Serg
- Мастер
- Сообщения: 21923
- Зарегистрирован: 17 апр 2012, 14:58
- Репутация: 5183
- Заслуга: c781c134843e0c1a3de9
- Настоящее имя: Сергей
- Откуда: Москва
- Контактная информация:
Re: Подскажите к как подключить концевик?
Потом включаешь станок и шаговики неконтролируемо поворачиваются на 0-3 шага - и твой ноль будет теперь там.AVD3485 писал(а):Выставил оси в ноль в ручном режиме. Обнулил в машинный ноль. поработал, перед тем как выключить станок G28.
И если надо будет продолжать обработку детали, то хорошо заметная ступенька обеспечена.
Я не Христос, рыбу не раздаю, но могу научить, как сделать удочку...
- Mamont
- Мастер
- Сообщения: 2005
- Зарегистрирован: 10 дек 2015, 12:21
- Репутация: 391
- Настоящее имя: Виталий
- Откуда: РБ Минск
- Контактная информация:
Re: Подскажите к как подключить концевик?
Придется как Штирлицу выработать привычку включать питание станка после запуска компа и загрузки виндоуса.UAVpilot писал(а): Потом включаешь станок и шаговики неконтролируемо поворачиваются на 0-3 шага - и твой ноль будет теперь там.
Но и при этом тоже будет 1-2шага проскока, когда драйвер подаст питание а ротор мотора будет не в фазе
- Kuzyakin
- Мастер
- Сообщения: 313
- Зарегистрирован: 08 фев 2013, 13:17
- Репутация: -5
- Настоящее имя: Роман
Re: Подскажите к как подключить концевик?
У себя тоже заметил что при включении станка шд чутка поворачиваются . Так что датчики хоума необходимы!
- Serg
- Мастер
- Сообщения: 21923
- Зарегистрирован: 17 апр 2012, 14:58
- Репутация: 5183
- Заслуга: c781c134843e0c1a3de9
- Настоящее имя: Сергей
- Откуда: Москва
- Контактная информация:
Re: Подскажите к как подключить концевик?
Я про этот случай и пишу. Тут не важно включен комп или нет. И именно на 0-3 шага: две обмотки * два варианта полярности = 4 шага.Mamont писал(а):Но и при этом тоже будет 1-2шага проскока, когда драйвер подаст питание а ротор мотора будет не в фазе
Я не Христос, рыбу не раздаю, но могу научить, как сделать удочку...
-
grafix888
- Новичок
- Сообщения: 7
- Зарегистрирован: 05 дек 2016, 14:26
- Репутация: 0
- Настоящее имя: Жан
- Контактная информация:
Re: Подскажите к как подключить концевик?
Все разобрался сам. Подключил все работает. Спасибо тем кто отписался.