Pulse train это по сути step/dir?

Контроллеры, драйверы, датчики, управляющие устройства.
Александр_
Мастер
Сообщения: 1743
Зарегистрирован: 24 дек 2013, 17:47
Репутация: 122
Контактная информация:

Pulse train это по сути step/dir?

Сообщение Александр_ »

если в описании к сервоусилителю написано "Pulse train/speed control type" это значит что управляется по степдиру и по аналогу на выбор? Отлистал мануал до семы подачи управляющего сигнала - что-то не очень на степдир похоже. Усилитель Fuji Faldic RYS 401 S3-VVS
Заходите в гости: www.pandicon.net www.graver36.ru
aftaev
Зачётный участник
Зачётный участник
Сообщения: 34042
Зарегистрирован: 04 апр 2010, 19:22
Репутация: 6194
Откуда: Казахстан.
Контактная информация:

Re: Pulse train это по сути step/dir?

Сообщение aftaev »

Александр_ писал(а): "Pulse train/speed control type" это значит что управляется по степдиру и по аналогу на выбор?
да
Дилетанту сложные вещи кажутся очень простыми, и только профессионал понимает насколько сложна самая простая вещь
Кто хочет - ищет возможности, кто не хочет - ищет оправдание.
Найди работу по душе и тебе не придется работать.
aftaev
Зачётный участник
Зачётный участник
Сообщения: 34042
Зарегистрирован: 04 апр 2010, 19:22
Репутация: 6194
Откуда: Казахстан.
Контактная информация:

Re: Pulse train это по сути step/dir?

Сообщение aftaev »

Александр_ писал(а):тлистал мануал до семы подачи управляющего сигнала - что-то не очень на степдир похоже.
Схему подключения сервы выложи.
Дилетанту сложные вещи кажутся очень простыми, и только профессионал понимает насколько сложна самая простая вещь
Кто хочет - ищет возможности, кто не хочет - ищет оправдание.
Найди работу по душе и тебе не придется работать.
Александр_
Мастер
Сообщения: 1743
Зарегистрирован: 24 дек 2013, 17:47
Репутация: 122
Контактная информация:

Re: Pulse train это по сути step/dir?

Сообщение Александр_ »

вот скрины из мануала. что за схема подачи сигнала не пойму.
Вложения
Untitled-5 copy.jpg (3270 просмотров) <a class='original' href='./download/file.php?id=87730&mode=view' target=_blank>Загрузить оригинал (24.53 КБ)</a>
Untitled-4 copy.jpg (3270 просмотров) <a class='original' href='./download/file.php?id=87731&mode=view' target=_blank>Загрузить оригинал (150.16 КБ)</a>
Untitled-3 copy.jpg (3270 просмотров) <a class='original' href='./download/file.php?id=87732&mode=view' target=_blank>Загрузить оригинал (158.74 КБ)</a>
post-12452-0-87018700-1440841688.jpg (3270 просмотров) <a class='original' href='./download/file.php?id=87733&mode=view' target=_blank>Загрузить оригинал (165.88 КБ)</a>
Заходите в гости: www.pandicon.net www.graver36.ru
Александр_
Мастер
Сообщения: 1743
Зарегистрирован: 24 дек 2013, 17:47
Репутация: 122
Контактная информация:

Re: Pulse train это по сути step/dir?

Сообщение Александр_ »

есть просто возможность купить таких но не знаю стоит ли связываться. почти нет упоминаний чтобы кто-то ими пользовался. хотя характеристики отменные - и система подавления вибраций и прочие навороты. только не пойму понимают ли степдир они. ко всему прочему на вход хотят 3х220В. частотник нужен который преобразует однофазное напряжение или трансформатор 3х380->3х220?
Заходите в гости: www.pandicon.net www.graver36.ru
aftaev
Зачётный участник
Зачётный участник
Сообщения: 34042
Зарегистрирован: 04 апр 2010, 19:22
Репутация: 6194
Откуда: Казахстан.
Контактная информация:

Re: Pulse train это по сути step/dir?

Сообщение aftaev »

Александр_ писал(а):вот скрины из мануала. что за схема подачи сигнала не пойму.
Маловато схем.
Александр_ писал(а): ко всему прочему на вход хотят 3х220В.
Мощь какая?
Александр_ писал(а):частотник нужен который преобразует однофазное напряжение
К частотникам можно подключать только двигатель. Даже два движка подключить к одному частотнику не всегда можно.
Александр_ писал(а):трансформатор 3х380->3х220?
1. подключить через понижающий транс
2. подключить через электронный транс Питание 3ф серв 220в от 380в (электронный трансформатор) #1
3. Если мосчь до 1.5квт скорее всего будет пахать от 1ф 220в ;)
Дилетанту сложные вещи кажутся очень простыми, и только профессионал понимает насколько сложна самая простая вещь
Кто хочет - ищет возможности, кто не хочет - ищет оправдание.
Найди работу по душе и тебе не придется работать.
Александр_
Мастер
Сообщения: 1743
Зарегистрирован: 24 дек 2013, 17:47
Репутация: 122
Контактная информация:

Re: Pulse train это по сути step/dir?

Сообщение Александр_ »

мощность 400Вт. мануалы прикрепил.
нет, судя по всему не так как мицубиши - от одной фазы с потерей мощности работает. подавай им 3х220В.
Вложения
Fuji FALDIC-Alpha servo katalogu.pdf
(6.72 МБ) 2647 скачиваний
User's manual for FALDIC-Alpha(V-Type).pdf
(5.91 МБ) 772 скачивания
Заходите в гости: www.pandicon.net www.graver36.ru
Александр_
Мастер
Сообщения: 1743
Зарегистрирован: 24 дек 2013, 17:47
Репутация: 122
Контактная информация:

Re: Pulse train это по сути step/dir?

Сообщение Александр_ »

вот чтобы быть конкретнее - см. картинку.
в описании пульстрейна говорится фактически о сигналах степ+, степ-, дир+, дир-?
Вложения
Untitled-1 copy.jpg (3230 просмотров) <a class='original' href='./download/file.php?id=87743&mode=view' target=_blank>Загрузить оригинал (122.27 КБ)</a>
Заходите в гости: www.pandicon.net www.graver36.ru
aftaev
Зачётный участник
Зачётный участник
Сообщения: 34042
Зарегистрирован: 04 апр 2010, 19:22
Репутация: 6194
Откуда: Казахстан.
Контактная информация:

Re: Pulse train это по сути step/dir?

Сообщение aftaev »

Александр_ писал(а):мощность 400Вт. мануалы прикрепил.
99% будет пахать от 1ф 220в ;)
Александр_ писал(а):вот чтобы быть конкретнее - см. картинку.
Конкретно нужно брать и название сервы расшифровывать по букаФкам ;)
Александр_ писал(а):в описании пульстрейна говорится фактически о сигналах степ+, степ-, дир+, дир-?
В в мануале есть что какие то сервы можно подключать и по аналогу и степ/дир
01.png (3218 просмотров) <a class='original' href='./download/file.php?id=87758&mode=view' target=_blank>Загрузить оригинал (64.17 КБ)</a>
Дилетанту сложные вещи кажутся очень простыми, и только профессионал понимает насколько сложна самая простая вещь
Кто хочет - ищет возможности, кто не хочет - ищет оправдание.
Найди работу по душе и тебе не придется работать.
Александр_
Мастер
Сообщения: 1743
Зарегистрирован: 24 дек 2013, 17:47
Репутация: 122
Контактная информация:

Re: Pulse train это по сути step/dir?

Сообщение Александр_ »

приложил картинку. это V-серия. получается, обычный степ-дир? та схема что вы обвели красным это и есть подача степ-дир сигнала? уж больно необычная.
заманчиво было бы запитать их от 1ф 220В. но как? в мануале про это ни слова.
Вложения
Untitled-3 copy.jpg (3212 просмотров) <a class='original' href='./download/file.php?id=87760&mode=view' target=_blank>Загрузить оригинал (88.09 КБ)</a>
Untitled-2 copy.jpg (3212 просмотров) <a class='original' href='./download/file.php?id=87761&mode=view' target=_blank>Загрузить оригинал (215.65 КБ)</a>
Заходите в гости: www.pandicon.net www.graver36.ru
aftaev
Зачётный участник
Зачётный участник
Сообщения: 34042
Зарегистрирован: 04 апр 2010, 19:22
Репутация: 6194
Откуда: Казахстан.
Контактная информация:

Re: Pulse train это по сути step/dir?

Сообщение aftaev »

Александр_ писал(а):та схема что вы обвели красным это и есть подача степ-дир сигнала?
Написано же Pulse train https://translate.google.ru/#en/ru/Pulse%20train
Дилетанту сложные вещи кажутся очень простыми, и только профессионал понимает насколько сложна самая простая вещь
Кто хочет - ищет возможности, кто не хочет - ищет оправдание.
Найди работу по душе и тебе не придется работать.
Александр_
Мастер
Сообщения: 1743
Зарегистрирован: 24 дек 2013, 17:47
Репутация: 122
Контактная информация:

Re: Pulse train это по сути step/dir?

Сообщение Александр_ »

ну мало ли каких импульсов - может других каких-то. не мне вам рассказывать что ошибешься в 1 букве в маркировке и можно потом выбросить. в общем, к мачу получается их вполне можно прикрутить? 500Кгц это нормальная частота для степ-дира?
Заходите в гости: www.pandicon.net www.graver36.ru
Аватара пользователя
NightV
Почётный участник
Почётный участник
Сообщения: 6610
Зарегистрирован: 30 дек 2011, 09:14
Репутация: 2279
Настоящее имя: Владимир Айрапетян
Откуда: Israel
Контактная информация:

Re: Pulse train это по сути step/dir?

Сообщение NightV »

aftaev писал(а):1. подключить через понижающий транс
у меня на обоих станках такие... один отдельный, погрузчиком заносили... второй на окуме, прям на станке висит... но и сервы не по 1kw :)
Всё просто! если знаешь КАК!
Александр_
Мастер
Сообщения: 1743
Зарегистрирован: 24 дек 2013, 17:47
Репутация: 122
Контактная информация:

Re: Pulse train это по сути step/dir?

Сообщение Александр_ »

а что такое DI/DO?
Заходите в гости: www.pandicon.net www.graver36.ru
Аватара пользователя
N1X
Мастер
Сообщения: 3653
Зарегистрирован: 16 фев 2015, 21:19
Репутация: 1646
Настоящее имя: Владимир
Откуда: Беларусь, Гомель
Контактная информация:

Re: Pulse train это по сути step/dir?

Сообщение N1X »

DigitalInput/DigitalOutput
Александр_
Мастер
Сообщения: 1743
Зарегистрирован: 24 дек 2013, 17:47
Репутация: 122
Контактная информация:

Re: Pulse train это по сути step/dir?

Сообщение Александр_ »

N1X писал(а):DigitalInput/DigitalOutput
я уж думал что-то страшное :-)
то есть получается можно брать? теоретически все должно с тем же мачем работать?
не пойму только два момента:
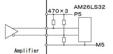
1. если на вход подается степ/дир то что это за диаграмма? должно быть 4 сигнала на 4 соответствующих пина в разъеме. а тут какие-то две линии из треугольника.
2. 500КГц это нормальная частота? У меня в SmoothStepper для шаговиков максимальная частота импульсов что-то около 4МГц а тут вроде сервы.
Вложения
01 (1).jpg (3156 просмотров) <a class='original' href='./download/file.php?id=87793&mode=view' target=_blank>Загрузить оригинал (19.95 КБ)</a>
Заходите в гости: www.pandicon.net www.graver36.ru
Аватара пользователя
N1X
Мастер
Сообщения: 3653
Зарегистрирован: 16 фев 2015, 21:19
Репутация: 1646
Настоящее имя: Владимир
Откуда: Беларусь, Гомель
Контактная информация:

Re: Pulse train это по сути step/dir?

Сообщение N1X »

Насчет частоты не скажу, на схеме - включение дифференциальной линии, один сигнал передается по двум проводам. AM26LS32 - приемник, треугольником они передатчик нарисовали.
https://ru.m.wikipedia.org/wiki/LVDS - физический принцип тот же.
Александр_
Мастер
Сообщения: 1743
Зарегистрирован: 24 дек 2013, 17:47
Репутация: 122
Контактная информация:

Re: Pulse train это по сути step/dir?

Сообщение Александр_ »

спасибо! тогда наверное, нужно брать.
в этих роботах в силовом шкафу такие трансформаторы - вероятно с их помощью 3х220В и получали?
Вложения
IMG_1668 (1).JPG (3147 просмотров) <a class='original' href='./download/file.php?id=87807&mode=view' target=_blank>Загрузить оригинал (98.61 КБ)</a>
Заходите в гости: www.pandicon.net www.graver36.ru
Александр_
Мастер
Сообщения: 1743
Зарегистрирован: 24 дек 2013, 17:47
Репутация: 122
Контактная информация:

Re: Pulse train это по сути step/dir?

Сообщение Александр_ »

в общем если удастся сторговаться попробую купить такие комплекты на пробу.
только с питанием непонятка вышла - трехфазного напряжения у меня нет и не предвидится, думал выйти из ситуации простеньким частотником. настроить его на 50Гц и 220В на выходе и запитать этим усилитель. но как я понял это неправильно? получается нет никакого сопособба сделать из однофазного напряжения трехфазное?
вопрос не праздный - куплен помимо этого привод мицубиши на шпиндель (или ось Z). там тоже 3 фазы. будет работать и от одной, конечно, но слабовато
Заходите в гости: www.pandicon.net www.graver36.ru
Ответить

Вернуться в «Электроника»