помогите разобраться...

Шаговые и серво двигатели, шпиндели, инверторы.
мамонт1978
Новичок
Сообщения: 10
Зарегистрирован: 14 мар 2015, 00:09
Репутация: 0
Настоящее имя: Носов Дмитрий Валентинович
Откуда: северодвинск
Контактная информация:

помогите разобраться...

Сообщение мамонт1978 »

Приобрел на али наборчик
HTB1HRzILXXXXXbzXFXXq6xXFXXXn.jpg (3076 просмотров) <a class='original' href='./download/file.php?id=87071&mode=view' target=_blank>Загрузить оригинал (105.19 КБ)</a>
.Шпиндель и частотник на 3 кв.
захотел подключить на управление через МАЧ через rs485 вот такой
DSC_2526.JPG
DSC_2526.JPG (46.65 КБ) 3076 просмотров
.
пользуясь вот этой инструкцией
mach3_rs485.zip
(4.81 МБ) 283 скачивания
(она здесь выложена в Wiki)
нечего не выходит. :thinking:
шпиндель не запускается....
что возможно я делаю не так???
Аватара пользователя
NightV
Почётный участник
Почётный участник
Сообщения: 6610
Зарегистрирован: 30 дек 2011, 09:14
Репутация: 2279
Настоящее имя: Владимир Айрапетян
Откуда: Israel
Контактная информация:

Re: помогите разобраться...

Сообщение NightV »

пробуй сначала запустить (и настроить инвертор) шпиндель в ручном режиме, а уж потом играйся с удалеными интерфейсами.
действуй пошагово..
Всё просто! если знаешь КАК!
AVK74
Почётный участник
Почётный участник
Сообщения: 1854
Зарегистрирован: 02 июл 2013, 09:03
Репутация: 335
Откуда: Уфа
Контактная информация:

Re: помогите разобраться...

Сообщение AVK74 »

Угу, телепаты в отпуске.
Возможно вы забыли подать питание на плату переходника например, или перепутали провода на частотнике. Или частотник неправильно настроили. Или в маче что не так настроили.
Последний раз редактировалось AVK74 16 авг 2016, 23:37, всего редактировалось 1 раз.
Аватара пользователя
Serg
Мастер
Сообщения: 21923
Зарегистрирован: 17 апр 2012, 14:58
Репутация: 5183
Заслуга: c781c134843e0c1a3de9
Настоящее имя: Сергей
Откуда: Москва
Контактная информация:

Re: помогите разобраться...

Сообщение Serg »

Хорошо-бы ещё выяснить распаян-ли в инверторе интерфейс RS485...
Я не Христос, рыбу не раздаю, но могу научить, как сделать удочку...
мамонт1978
Новичок
Сообщения: 10
Зарегистрирован: 14 мар 2015, 00:09
Репутация: 0
Настоящее имя: Носов Дмитрий Валентинович
Откуда: северодвинск
Контактная информация:

Re: помогите разобраться...

Сообщение мамонт1978 »

в ручном режиме все запускается.
мамонт1978
Новичок
Сообщения: 10
Зарегистрирован: 14 мар 2015, 00:09
Репутация: 0
Настоящее имя: Носов Дмитрий Валентинович
Откуда: северодвинск
Контактная информация:

Re: помогите разобраться...

Сообщение мамонт1978 »

AVK74 писал(а):Угу, телепаты в отпуске.
Возможно вы забыли подать питание на плату переходника например, или перепутали провода на частотнике. Или частотник неправильно настроили. Или в маче что не так настроили.
по поводу питания ...вроде оно там как и не требо....
мамонт1978
Новичок
Сообщения: 10
Зарегистрирован: 14 мар 2015, 00:09
Репутация: 0
Настоящее имя: Носов Дмитрий Валентинович
Откуда: северодвинск
Контактная информация:

Re: помогите разобраться...

Сообщение мамонт1978 »

UAVpilot писал(а):Хорошо-бы ещё выяснить распаян-ли в инверторе интерфейс RS485...
это требо вскрыть частотник???
Аватара пользователя
Serg
Мастер
Сообщения: 21923
Зарегистрирован: 17 апр 2012, 14:58
Репутация: 5183
Заслуга: c781c134843e0c1a3de9
Настоящее имя: Сергей
Откуда: Москва
Контактная информация:

Re: помогите разобраться...

Сообщение Serg »

мамонт1978 писал(а):это требо вскрыть частотник???
Да.
Я не Христос, рыбу не раздаю, но могу научить, как сделать удочку...
AVK74
Почётный участник
Почётный участник
Сообщения: 1854
Зарегистрирован: 02 июл 2013, 09:03
Репутация: 335
Откуда: Уфа
Контактная информация:

Re: помогите разобраться...

Сообщение AVK74 »

мамонт1978 писал(а):по поводу питания ...вроде оно там как и не требо....
Все побывавшие у меня переходники с COM на 485 требуют внешнего питания. Ваш ни разу не исключение. 5-12В ему надо для работы. Вас нисколько не напрягло наличие на колодке четырех контактов, два из которых подписаны как gnd и power (ну или типа того)?
С USB не надо, а на коме как бы питания нет своего.
Аватара пользователя
Serg
Мастер
Сообщения: 21923
Зарегистрирован: 17 апр 2012, 14:58
Репутация: 5183
Заслуга: c781c134843e0c1a3de9
Настоящее имя: Сергей
Откуда: Москва
Контактная информация:

Re: помогите разобраться...

Сообщение Serg »

Есть и те, что не требуют, да ещё и с опторазвязкой, но стоят они совсем других денег. :)
Я не Христос, рыбу не раздаю, но могу научить, как сделать удочку...
мамонт1978
Новичок
Сообщения: 10
Зарегистрирован: 14 мар 2015, 00:09
Репутация: 0
Настоящее имя: Носов Дмитрий Валентинович
Откуда: северодвинск
Контактная информация:

Re: помогите разобраться...

Сообщение мамонт1978 »

AVK74 писал(а):
мамонт1978 писал(а):по поводу питания ...вроде оно там как и не требо....
Все побывавшие у меня переходники с COM на 485 требуют внешнего питания. Ваш ни разу не исключение. 5-12В ему надо для работы. Вас нисколько не напрягло наличие на колодке четырех контактов, два из которых подписаны как gnd и power (ну или типа того)?
С USB не надо, а на коме как бы питания нет своего.
ВСЕ РЕШИЛОСЬ ))))
Просто поменял вот на это
RS232-RS-232-в-RS-485-Интерфейс-RS485-Серийный-Адаптер-Конвертер-НОВЫЙ.jpg_640x640.jpg (3004 просмотра) <a class='original' href='./download/file.php?id=87105&mode=view' target=_blank>Загрузить оригинал (51.21 КБ)</a>
...
ПИТАНИЕ НЕ ПОДКЛЮЧАЛ....
все замечательно работает...
мамонт1978
Новичок
Сообщения: 10
Зарегистрирован: 14 мар 2015, 00:09
Репутация: 0
Настоящее имя: Носов Дмитрий Валентинович
Откуда: северодвинск
Контактная информация:

Re: помогите разобраться...

Сообщение мамонт1978 »

ВСЕМ ОГРОМНОЕ СПАСИБО !!!!
проблема решилась заменой ПЕРЕХОДНИКА...
как сказал один киногерой -фашист не обманул))))
когды заказывал на Алике .Заказал три разных...
ОДИН СТРЕЛЬНУЛ)))))
AVK74
Почётный участник
Почётный участник
Сообщения: 1854
Зарегистрирован: 02 июл 2013, 09:03
Репутация: 335
Откуда: Уфа
Контактная информация:

Re: помогите разобраться...

Сообщение AVK74 »

мамонт1978 писал(а):ВСЕ РЕШИЛОСЬ ))))
Просто поменял вот на это
Это у вас волшебство какое-то.
У меня точно такой же переходник, без питания не работает.
мамонт1978
Новичок
Сообщения: 10
Зарегистрирован: 14 мар 2015, 00:09
Репутация: 0
Настоящее имя: Носов Дмитрий Валентинович
Откуда: северодвинск
Контактная информация:

Re: помогите разобраться...

Сообщение мамонт1978 »

могу СФОТКАТЬ
Аватара пользователя
ART_ME
Мастер
Сообщения: 394
Зарегистрирован: 17 ноя 2015, 18:05
Репутация: -40
Контактная информация:

Re: помогите разобраться...

Сообщение ART_ME »

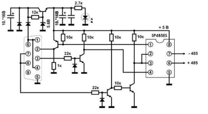
Вариант конвертера RS232-RS485 без внешнего питания.
RS485.JPG (2965 просмотров) <a class='original' href='./download/file.php?id=87117&mode=view' target=_blank>Загрузить оригинал (35.41 КБ)</a>
Никогда не спорьте с дураками. Они опустят Вас до своего уровня и победят за счет опыта.
Ответить

Вернуться в «Двигатели и шпиндели»