GladeVCP и PyVCP для начинающих
-
nkp
- Мастер
- Сообщения: 8340
- Зарегистрирован: 28 ноя 2011, 00:25
- Репутация: 1589
- Контактная информация:
Re: GladeVCP и PyVCP для начинающих
Эта "точечка" для изменения размера текстового поля G-кода.Можно совсем убрать.
-
nkp
- Мастер
- Сообщения: 8340
- Зарегистрирован: 28 ноя 2011, 00:25
- Репутация: 1589
- Контактная информация:
Re: GladeVCP и PyVCP для начинающих
у меня с твоим файлом работает корректно
на что смотреть -что не так работает ?
-
billsmith
- Опытный
- Сообщения: 128
- Зарегистрирован: 04 июн 2012, 23:46
- Репутация: 5
- Контактная информация:
Re: GladeVCP и PyVCP для начинающих
Ну в моём фале нужно ещё переместить слова "Ось","Шпиндель"
-
nkp
- Мастер
- Сообщения: 8340
- Зарегистрирован: 28 ноя 2011, 00:25
- Репутация: 1589
- Контактная информация:
Re: GladeVCP и PyVCP для начинающих
а если совсем убрать :
-
billsmith
- Опытный
- Сообщения: 128
- Зарегистрирован: 04 июн 2012, 23:46
- Репутация: 5
- Контактная информация:
Re: GladeVCP и PyVCP для начинающих
Спасибо, неплохо.
Если можно, ещё понаглею. Кнопки "Задать отступ" и "Исполнить" также опустить ниже на строку, чтоб ещё сузить.
Только в прошлом файле я одну ошибку не исправил, поэтому бери этот файл.
Если можно, ещё понаглею. Кнопки "Задать отступ" и "Исполнить" также опустить ниже на строку, чтоб ещё сузить.
Только в прошлом файле я одну ошибку не исправил, поэтому бери этот файл.
- Вложения
-
- axis.tcl.tar.gz
- Axis 2.5.0
- (11.99 КБ) 1127 скачиваний
- Serg
- Мастер
- Сообщения: 21923
- Зарегистрирован: 17 апр 2012, 14:58
- Репутация: 5183
- Заслуга: c781c134843e0c1a3de9
- Настоящее имя: Сергей
- Откуда: Москва
- Контактная информация:
Re: GladeVCP и PyVCP для начинающих
потерпите до понедельника-вторника - на работе сделаю для 2.5.0. 
А лучше будет, если на скриншоте нафотошопите чего хотите. Сильно польших изменений не обещаю - для этого там много чего надо переписывать.
В принципе я так или иначе собираюсь переписать (но не скоро), поэтому давайте идеи. Но в первую очередь буду рассматривать идеи для управления на тачскрине.
P.S. А где можно по inkscape вопросы задавать? Можно конечно пойти на соотв. форум, но вот столкнулся с глюком втяжки для компенсации размера инструмента, хотелось-бы понять что произошло.
А лучше будет, если на скриншоте нафотошопите чего хотите. Сильно польших изменений не обещаю - для этого там много чего надо переписывать.
В принципе я так или иначе собираюсь переписать (но не скоро), поэтому давайте идеи. Но в первую очередь буду рассматривать идеи для управления на тачскрине.
P.S. А где можно по inkscape вопросы задавать? Можно конечно пойти на соотв. форум, но вот столкнулся с глюком втяжки для компенсации размера инструмента, хотелось-бы понять что произошло.
Я не Христос, рыбу не раздаю, но могу научить, как сделать удочку...
-
billsmith
- Опытный
- Сообщения: 128
- Зарегистрирован: 04 июн 2012, 23:46
- Репутация: 5
- Контактная информация:
Re: GladeVCP и PyVCP для начинающих
Поставил второй вариант, супер. Спасибо. Теперь много места для моей правой панели GladeVCP.
-
Виталий
- Мастер
- Сообщения: 223
- Зарегистрирован: 26 янв 2012, 20:30
- Репутация: 1
- Откуда: Полтава
- Контактная информация:
Re: GladeVCP и PyVCP для начинающих
есть два ж кода арткама круг и квадрат,соответственно с разным инструментом.emc кормлю без проблем,но хотельсь склеять ети ж коды в один с ручной сменой инстрмента.по сути можна и по оддельности ,но много получается манипуляций .да кстати есть проблемка с обнулением ,проблема в том что обнуление сделал на кнопку gladevcp прописал в ини (MDI_COMMAND = O<touchoff> CALL) создал файл с кодом и кинул в nc_files (ж код сам работает )Nick писал(а):Так какой будет Gкод? Вообще, модно легко написать Filter, который к каждой строчке с M6 добавит произвольное действие (произвольный Gкод), причем в linux это делается одной строчкой .
- Вложения
-
- Рабочий стол.tar.gz
- (1.46 КБ) 1117 скачиваний
- Nick
- Мастер
- Сообщения: 22776
- Зарегистрирован: 23 ноя 2009, 16:45
- Репутация: 1735
- Заслуга: Developer
- Откуда: Gatchina, Saint-Petersburg distr., Russia
- Контактная информация:
Re: GladeVCP и PyVCP для начинающих
С этим MDI_command - проблема, там надо что-то хитрее делать или на несколько команд раскидывать.Виталий писал(а): (MDI_COMMAND = O<touchoff> CALL) создал файл с кодом и кинул в nc_files (ж код сам работает )
Суть в том что MDI_COMMAND может правильно обработать только 1 перемещение.
Как у тебя выглядит touchoff?
-
Виталий
- Мастер
- Сообщения: 223
- Зарегистрирован: 26 янв 2012, 20:30
- Репутация: 1
- Откуда: Полтава
- Контактная информация:
Re: GladeVCP и PyVCP для начинающих
4 строчкиNick писал(а):Как у тебя выглядит touchoff?
в интернете нарыл ,что при помощи ClassicLadder можна сделать на несколько строк ,пытаюсь сделатьпоправте если не так
в custom.hal докидаю
Код: Выделить всё
loadrt classicladder_rt
addf classicladder.0.refresh servo-thread
loadusr -w classicladder --nogui Touch_OFF_Button.clpКод: Выделить всё
net remote-z-axis-touchoff classicladder.0.in-00 <= gladevcp.hal_button2
net mode halui.mode.is-mdi => classicladder.0.in-01
net in_pos motion.motion-inpos => classicladder.0.in-02
net z-touchoff classicladder.0.out-00 => halui.mdi-command-01
net z-zero classicladder.0.out-01 => halui.mdi-command-02
net rapid-away classicladder.0.out-02 => halui.mdi-command-03
Код: Выделить всё
Print file information:
RUN_IN_PLACE=no
LINUXCNC_DIR=
LINUXCNC_BIN_DIR=/usr/bin
LINUXCNC_TCL_DIR=/usr/lib/tcltk/linuxcnc
LINUXCNC_SCRIPT_DIR=
LINUXCNC_RTLIB_DIR=/usr/realtime-2.6.32-122-rtai/modules/linuxcnc
LINUXCNC_CONFIG_DIR=
LINUXCNC_LANG_DIR=/usr/share/linuxcnc/tcl/msgs
INIVAR=inivar
HALCMD=halcmd
LINUXCNC_EMCSH=/usr/bin/wish8.5
LINUXCNC - 2.5.0
Machine configuration directory is '/home/vitaliy/linuxcnc/configs/cnc'
Machine configuration file is 'cnc.ini'
INIFILE=/home/vitaliy/linuxcnc/configs/cnc/cnc.ini
PARAMETER_FILE=linuxcnc.var
TASK=milltask
HALUI=halui
DISPLAY=axis
Starting LinuxCNC...
Starting LinuxCNC server program: linuxcncsvr
Loading Real Time OS, RTAPI, and HAL_LIB modules
Starting LinuxCNC IO program: io
Starting HAL User Interface program: halui
INFO CLASSICLADDER- No ladder GUI requested-Realtime runs till HAL closes.
Starting TASK program: milltask
Starting DISPLAY program: axis
RTAPI: ERROR: Unexpected realtime delay on task 1
This Message will only display once per session.
Run the Latency Test and resolve before continuing.
Shutting down and cleaning up LinuxCNC...
progname=gladevcp; RGBA=on
**** GLADE VCP INFO: Not a libglade project, trying to load as a GTK builder project
Xlib.protocol.request.QueryExtension
Xlib.protocol.request.QueryExtension
**** GLADE VCP ERROR: X Protocol Error: 3
Killing task linuxcncsvr, PID=3121
Killing task milltask, PID=3171
Removing HAL_LIB, RTAPI, and Real Time OS modules
Removing NML shared memory segments
Cleanup done
Debug file information:
Can not find -sec MOT -var MOT -num 1
Can not find -sec IO -var IO -num 1
Can not find -sec LINUXCNC -var NML_FILE -num 1
Can not find -sec EMC -var NML_FILE -num 1
(gladevcp:3178): libglade-WARNING **: Expected <glade-interface>. Got <interface>.
(gladevcp:3178): libglade-WARNING **: did not finish in PARSER_FINISH state
/usr/bin/gladevcp:290: GtkWarning: gtk_widget_size_allocate(): attempt to allocate widget with width -5 and height 17
gtk.main()
postgui.hal:31: Pin 'motion.motion-inpos' does not exist
/usr/bin/gladevcp:290: GtkWarning: GdkWindow 0x4800004 unexpectedly destroyed
gtk.main()
3121
PID TTY STAT TIME COMMAND
3171
PID TTY STAT TIME COMMAND
Stopping realtime threads
Unloading hal components
Kernel message information:
[ 7082.500317] I-pipe: Domain RTAI registered.
[ 7082.500326] RTAI[hal]: <3.8.1> mounted over IPIPE-NOTHREADS 2.6-03.
[ 7082.500329] RTAI[hal]: compiled with gcc version 4.4.3 (Ubuntu 4.4.3-4ubuntu5) .
[ 7082.500334] RTAI[hal]: mounted (IPIPE-NOTHREADS, IMMEDIATE (INTERNAL IRQs DISPATCHED), ISOL_CPUS_MASK: 0).
[ 7082.500336] PIPELINE layers:
[ 7082.500339] f867ae20 9ac15d93 RTAI 200
[ 7082.500341] c085cb20 0 Linux 100
[ 7082.526095] RTAI[malloc]: global heap size = 2097152 bytes, <BSD>.
[ 7082.526295] RTAI[sched]: IMMEDIATE, MP, USER/KERNEL SPACE: <with RTAI OWN KTASKs>, kstacks pool size = 524288 bytes.
[ 7082.526299] RTAI[sched]: hard timer type/freq = APIC/12564314(Hz); default timing: periodic; linear timed lists.
[ 7082.526303] RTAI[sched]: Linux timer freq = 250 (Hz), TimeBase freq = 2211222000 hz.
[ 7082.526305] RTAI[sched]: timer setup = 999 ns, resched latency = 2944 ns.
[ 7082.526437] RTAI[usi]: enabled.
[ 7082.626248] RTAI[math]: loaded.
[ 7082.744542] config string '0x378 out '
[ 7082.770956] creating ladder-state
[ 7085.849281] RTAPI: ERROR: Unexpected realtime delay on task 1
[ 7085.849285] This Message will only display once per session.
[ 7085.849287] Run the Latency Test and resolve before continuing.
[ 7086.885763] RTAI[math]: unloaded.
[ 7086.945753] SCHED releases registered named ALIEN RTGLBH
[ 7086.960894] RTAI[malloc]: unloaded.
[ 7087.060037] RTAI[sched]: unloaded (forced hard/soft/hard transitions: traps 0, syscalls 0).
[ 7087.063379] I-pipe: Domain RTAI unregistered.
[ 7087.063389] RTAI[hal]: unmounted.-
Виталий
- Мастер
- Сообщения: 223
- Зарегистрирован: 26 янв 2012, 20:30
- Репутация: 1
- Откуда: Полтава
- Контактная информация:
Re: GladeVCP и PyVCP для начинающих
а да и такое докидал в конфигурацию
- Вложения
-
- Touch_OFF_Button.clp.tar.gz
- (1.26 КБ) 1135 скачиваний
-
nkp
- Мастер
- Сообщения: 8340
- Зарегистрирован: 28 ноя 2011, 00:25
- Репутация: 1589
- Контактная информация:
Re: GladeVCP и PyVCP для начинающих
вот в этой строчке
наверно все таки надо
motion.in-position (bit, out) равен TRUE если станок находится в нужном положении.
Код: Выделить всё
net in_pos motion.motion-inpos => classicladder.0.in-02motion.in-position (bit, out) равен TRUE если станок находится в нужном положении.
-
Виталий
- Мастер
- Сообщения: 223
- Зарегистрирован: 26 янв 2012, 20:30
- Репутация: 1
- Откуда: Полтава
- Контактная информация:
Re: GladeVCP и PyVCP для начинающих
nkp -снова
,емс стартонул ,но кнопка не работает
ps ребята что вы курите что так помагает в борьбе с линуксом
ps ребята что вы курите что так помагает в борьбе с линуксом
-
nkp
- Мастер
- Сообщения: 8340
- Зарегистрирован: 28 ноя 2011, 00:25
- Репутация: 1589
- Контактная информация:
Re: GladeVCP и PyVCP для начинающих
вот в эту строку
измени
теперь смотри по схеме ладдера что -когда срабатывает
Код: Выделить всё
loadusr -w classicladder --nogui Touch_OFF_Button.clpКод: Выделить всё
loadusr -w classicladder Touch_OFF_Button.clp-
Виталий
- Мастер
- Сообщения: 223
- Зарегистрирован: 26 янв 2012, 20:30
- Репутация: 1
- Откуда: Полтава
- Контактная информация:
Re: GladeVCP и PyVCP для начинающих
а как сие чудо то запустить ,статус чайника пока не позволяет
-
nkp
- Мастер
- Сообщения: 8340
- Зарегистрирован: 28 ноя 2011, 00:25
- Репутация: 1589
- Контактная информация:
Re: GladeVCP и PyVCP для начинающих
какое чудо?
такое:
такое:
-
nkp
- Мастер
- Сообщения: 8340
- Зарегистрирован: 28 ноя 2011, 00:25
- Репутация: 1589
- Контактная информация:
Re: GladeVCP и PyVCP для начинающих
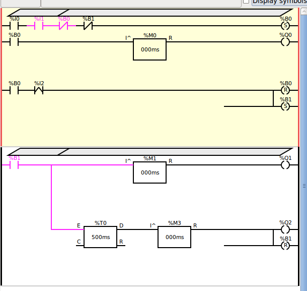
так ты его уже и запустил
по порядку:
нажимаешь свою кнопку в панели - должен срабатывать %I0 (в правом верхн углу ладдера сними галку-) если срабатывает (меняет цвет)- едем дальше
по порядку:
нажимаешь свою кнопку в панели - должен срабатывать %I0 (в правом верхн углу ладдера сними галку-) если срабатывает (меняет цвет)- едем дальше
-
Виталий
- Мастер
- Сообщения: 223
- Зарегистрирован: 26 янв 2012, 20:30
- Репутация: 1
- Откуда: Полтава
- Контактная информация:
Re: GladeVCP и PyVCP для начинающих
от себя скажу файл/pcl редакторnkp писал(а):так ты его уже и запустил
цвет меняет,чтот хреновенько у него с графикой
