Тш3 под чпу под 2 оси

Токарные станки с ЧПУ.
Erectly
Новичок
Сообщения: 7
Зарегистрирован: 07 сен 2014, 10:42
Репутация: 0
Контактная информация:

Тш3 под чпу под 2 оси

Сообщение Erectly »

Тш3 и 2 шаговых двигателя по продольной и поперечной оси:
Дерево:
Вопросы: Всем добрый вечер, помогите разобраться с уп для токарного двух осевого станка. Станок советский переделанный с двумя шаговыми двигателями по x и y. Под управлением mach3. Обороты у патрона куда зажимается заготовка постоянные. Собственно проблема в том что не получается у меня создать уп (проще говоря простую операцию точения) под две оси. На форуме нашел метод составления такой уп в арткаме простой фрезеровкой по вектору но мне это не подходит. Что можете посоветовать в таком случае? И возможно ли создавать такие операции точения в Deskproto или что то приблеженно похожее на нее? Возможно что для этого дела нужен постпроцессор? И что можно посмотреть почитать по теме создания уп точения для токарного чпу.
Аватара пользователя
aegis
Мастер
Сообщения: 3171
Зарегистрирован: 22 мар 2012, 06:59
Репутация: 1810
Настоящее имя: Михайло
Откуда: Україна, Конотоп=>Запоріжжя=>Харьків

Re: Тш3 под чпу под 2 оси

Сообщение aegis »

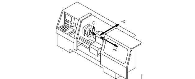
Erectly, в токарной обработке принято использовать не XY а XZ систему координат. может в этом бок
нікому нічого не нав'язую.
Erectly
Новичок
Сообщения: 7
Зарегистрирован: 07 сен 2014, 10:42
Репутация: 0
Контактная информация:

Re: Тш3 под чпу под 2 оси

Сообщение Erectly »

aegis писал(а):Erectly, в токарной обработке принято использовать не XY а XZ систему координат. может в этом бок
За z идет продольное точение а x поперечное так?
Аватара пользователя
aegis
Мастер
Сообщения: 3171
Зарегистрирован: 22 мар 2012, 06:59
Репутация: 1810
Настоящее имя: Михайло
Откуда: Україна, Конотоп=>Запоріжжя=>Харьків

Re: Тш3 под чпу под 2 оси

Сообщение aegis »

Erectly, да. обычно ноль детали это правый центр. зет увеличивается вправо, Х идет на себя и тоже так увеличивается
нікому нічого не нав'язую.
Аватара пользователя
rebire
Мастер
Сообщения: 219
Зарегистрирован: 25 сен 2015, 00:43
Репутация: 25
Настоящее имя: Дмитрий
Откуда: ульяновск
Контактная информация:

Re: Тш3 под чпу под 2 оси

Сообщение rebire »

как то так
image025.jpg (2603 просмотра) <a class='original' href='./download/file.php?id=76362&mode=view' target=_blank>Загрузить оригинал (16.15 КБ)</a>
_____________________
Собрали и смело включайте, лишнее выгорит!
Erectly
Новичок
Сообщения: 7
Зарегистрирован: 07 сен 2014, 10:42
Репутация: 0
Контактная информация:

Re: Тш3 под чпу под 2 оси

Сообщение Erectly »

Спасибо за отзывы. так а изначальный вопрос в чем можно строить уп для таких операций?
Аватара пользователя
NightV
Почётный участник
Почётный участник
Сообщения: 6610
Зарегистрирован: 30 дек 2011, 09:14
Репутация: 2279
Настоящее имя: Владимир Айрапетян
Откуда: Israel
Контактная информация:

Re: Тш3 под чпу под 2 оси

Сообщение NightV »

Erectly писал(а):так а изначальный вопрос в чем можно строить уп для таких операций?
самый простой способ, ручками. для сложных деталей связку CAD-CAM программ, например SolidWorks - SolidCAM
а здесь если интересно, я наснимал несколько роликов, как отбивать ноль заготовки и инструмента

https://www.youtube.com/playlist?list=P ... 0lejPc5PI2
Всё просто! если знаешь КАК!
Аватара пользователя
MX_Master
Мастер
Сообщения: 7489
Зарегистрирован: 27 июн 2015, 19:45
Репутация: 3113
Настоящее имя: Михаил
Откуда: Алматы
Контактная информация:

Re: Тш3 под чпу под 2 оси

Сообщение MX_Master »

Ответить

Вернуться в «Токарные станки»