Драйвер от Mitsubishi

Общие вопросы станкостроения и организиции труда.
Crocomus
Новичок
Сообщения: 6
Зарегистрирован: 06 мар 2016, 21:27
Репутация: 0
Настоящее имя: Андрей
Контактная информация:

Драйвер от Mitsubishi

Сообщение Crocomus »

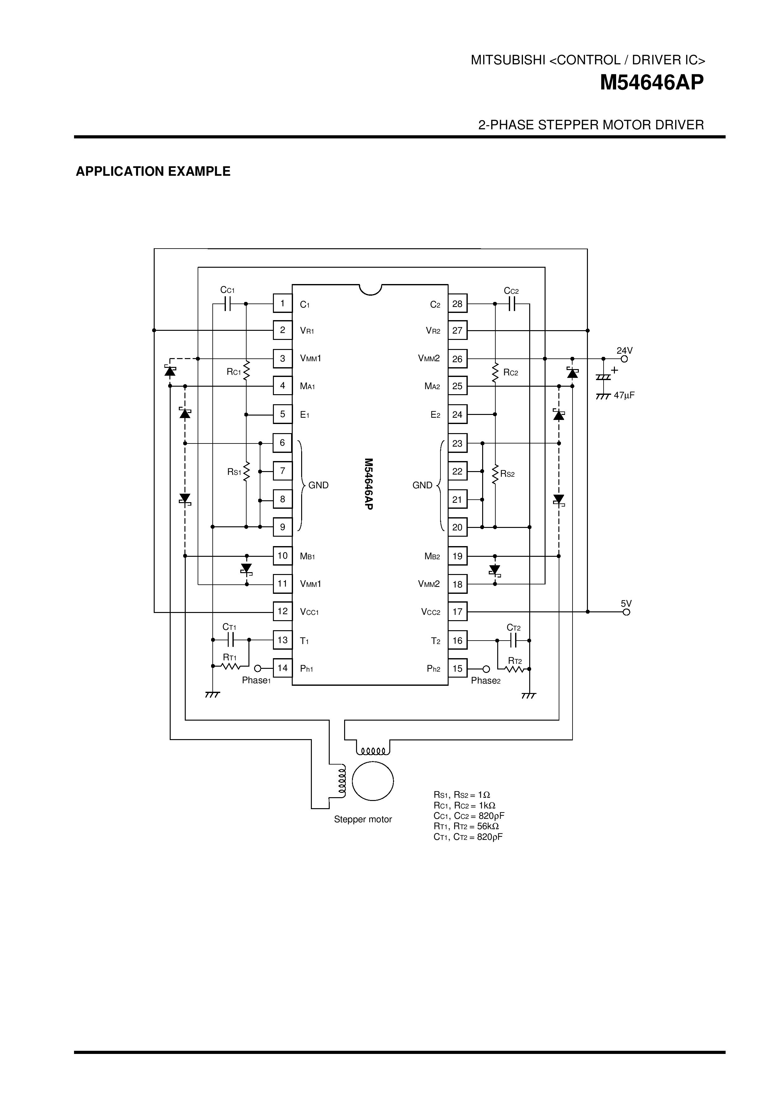
Добрые люди,подскажите,куда подключаются выводыс микрухи,Ph1 Ph2.Если к lpt пору,то на какие выводы.
Вложения
M54646AP-page-005.jpg (1749 просмотров) <a class='original' href='./download/file.php?id=74422&mode=view' target=_blank>Загрузить оригинал (340.67 КБ)</a>

Вернуться в «Общие вопросы»