АВТОНОМНЫЙ КОНТРОЛЛЕР

Правила форума
Разрешается публиковать предложения по покупке/продаже как физическим лицам так и коммерческим организациям, при соблюдении следующих условий:
1. должны присутствовать характеристики товаров
2. должна присутствовать стоимость товара или услуги
3. должно присутствовать описание способов оплаты и доставки
4. один продавец - одна тема

Фотографии товаров приветствуются (фотографии должны быть вложениями к сообщениям).

Возможно размещение ссылки на свой сайт, с описанием товара, при обязательном соблюдении пунктов 1-3.

Администрация форума может удалить тему или сообщения из данного раздела, без объяснения причин!

Внимание, общий раздел закрыт для создания новых тем! Создавайте темы в профильных разделах (Куплю, Продам, Услуги)!
Аватара пользователя
grakun
Мастер
Сообщения: 273
Зарегистрирован: 30 сен 2015, 02:47
Репутация: 53
Настоящее имя: Гракун
Откуда: г.Саратов
Контактная информация:

Re: АВТОНОМНЫЙ КОНТРОЛЛЕР

Сообщение grakun »

Сергей Саныч писал(а):Это тот самый случай, про который сказано: "Нет ничего практичнее хорошей теории".
Сегодня проверил алгоритм, понравился, очень простой. Мой намного "тяжелее". Спасибо за совет.
Вот что получилось, код на одно направление, остальные два аналогичны.
void axayaz()//ax>ay и ax>az
{
long os=0;long os1=0;// погрешность
long nx=0;


os=2*ay-ax;// погрешность ay
os1=2*ay-az;// погрешность az
while (nx<ax)
{
if(vn>vx && ax-nx>q) { skp();}//ускорение
if(vn<=4*vx && ax-nx<q) { skm();}// торможение

perx();nx++; // перемещение x всегда шагает
if(os>=0){pery();os=os+2*(ay-ax);} else os=os+2*ay; // y шагает если остаток больше нуля
if(os1>=0){perz();os1=os1+2*(az-ax);} else os1=os1+2*az;// z шагает если остаток больше нуля
pz(); stp();// папуза, стоп
}nx=0;
lcdxyz();//индикация.
}
Завтра проверю на станке.
Аватара пользователя
grakun
Мастер
Сообщения: 273
Зарегистрирован: 30 сен 2015, 02:47
Репутация: 53
Настоящее имя: Гракун
Откуда: г.Саратов
Контактная информация:

Re: АВТОНОМНЫЙ КОНТРОЛЛЕР

Сообщение grakun »

Сергей Саныч писал(а):Это тот самый случай, про который сказано: "Нет ничего практичнее хорошей теории".
Алгоритм реализован, результат https://www.youtube.com/watch?v=ldz4Dr1xWPQ
popcorn
Мастер
Сообщения: 252
Зарегистрирован: 21 янв 2015, 00:20
Репутация: 18
Откуда: Янтарный край
Контактная информация:

Re: АВТОНОМНЫЙ КОНТРОЛЛЕР

Сообщение popcorn »

Имхо, если бы прошивки просто было обновлять(без программатора, паяльника, UART и COM), я бы купил прям сейчас.
Изображение
Аватара пользователя
aegis
Мастер
Сообщения: 3171
Зарегистрирован: 22 мар 2012, 06:59
Репутация: 1810
Настоящее имя: Михайло
Откуда: Україна, Конотоп=>Запоріжжя=>Харьків

Re: АВТОНОМНЫЙ КОНТРОЛЛЕР

Сообщение aegis »

grakun, чет ан видио рывки какие-то есть... или паузы
нікому нічого не нав'язую.
Аватара пользователя
grakun
Мастер
Сообщения: 273
Зарегистрирован: 30 сен 2015, 02:47
Репутация: 53
Настоящее имя: Гракун
Откуда: г.Саратов
Контактная информация:

Re: АВТОНОМНЫЙ КОНТРОЛЛЕР

Сообщение grakun »

popcorn писал(а):Имхо, если бы прошивки просто было обновлять(без программатора, паяльника, UART и COM), я бы купил прям сейчас.
Да нет, там этого всего не нужно. Небольшая китайская плата на FT232RL стоит примерно 150-200 рублей и среда Ардуино, разъем USB. Первые две прошивки (загрузчик и занесение данных меню в память) думаю вряд ли придется менять. А сама программа прошивается через usb примерно 30 секунд. Сейчас разработан вариант платы под стандартный корпус. Плата, и прошитая микросхема будут доступны для самостоятельной сборки, как альтернативный более дешевый вариант. Для тех кто не дружит с паяльником и компьютером можно сделать по другому. Просто поменять микросхему, Вынуть из панельки и поставить другую, с обновленной прошивкой.
Аватара пользователя
grakun
Мастер
Сообщения: 273
Зарегистрирован: 30 сен 2015, 02:47
Репутация: 53
Настоящее имя: Гракун
Откуда: г.Саратов
Контактная информация:

Re: АВТОНОМНЫЙ КОНТРОЛЛЕР

Сообщение grakun »

aegis писал(а):чет ан видио рывки какие-то есть... или паузы
Я тоже обратил на это внимание уже на видео, когда снимал не заметил. Скорость оси z стояла в два раза меньше чем на осях x,y .Получается если интерполяция относительно осей x,y скорость будет выше, если относительно оси z в два раза ниже. Думаю поэтому. A может быть из за неправильно настроенного ускорения торможения. Сейчас разбираюсь.
popcorn
Мастер
Сообщения: 252
Зарегистрирован: 21 янв 2015, 00:20
Репутация: 18
Откуда: Янтарный край
Контактная информация:

Re: АВТОНОМНЫЙ КОНТРОЛЛЕР

Сообщение popcorn »

grakun писал(а):
popcorn писал(а):Имхо, если бы прошивки просто было обновлять(без программатора, паяльника, UART и COM), я бы купил прям сейчас.
Да нет, там этого всего не нужно. Небольшая китайская плата на FT232RL стоит примерно 150-200 рублей и среда Ардуино, разъем USB. Первые две прошивки (загрузчик и занесение данных меню в память) думаю вряд ли придется менять. А сама программа прошивается через usb примерно 30 секунд. Сейчас разработан вариант платы под стандартный корпус. Плата, и прошитая микросхема будут доступны для самостоятельной сборки, как альтернативный более дешевый вариант. Для тех кто не дружит с паяльником и компьютером можно сделать по другому. Просто поменять микросхему, Вынуть из панельки и поставить другую, с обновленной прошивкой.
Вот мне главное, что бы можно было быстро получить обновление именно третьей части. Пульт который у Вас в сборе, может по USB обновляться?
Изображение
Аватара пользователя
grakun
Мастер
Сообщения: 273
Зарегистрирован: 30 сен 2015, 02:47
Репутация: 53
Настоящее имя: Гракун
Откуда: г.Саратов
Контактная информация:

Re: АВТОНОМНЫЙ КОНТРОЛЛЕР

Сообщение grakun »

popcorn писал(а):Вот мне главное, что бы можно было быстро получить обновление именно третьей части. Пульт который у Вас в сборе, может по USB обновляться?
Да, там есть специальный разъем. В разъем вставляется плата FT232RL, она подключается кабелем к USB. Завтра постараюсь выложить фото.
Аватара пользователя
grakun
Мастер
Сообщения: 273
Зарегистрирован: 30 сен 2015, 02:47
Репутация: 53
Настоящее имя: Гракун
Откуда: г.Саратов
Контактная информация:

Re: АВТОНОМНЫЙ КОНТРОЛЛЕР

Сообщение grakun »

IMG_0254_.jpg (7963 просмотра) <a class='original' href='./download/file.php?id=61990&sid=fc2f108ce54a34a5616cf3c1ea49baa8&mode=view' target=_blank>Загрузить оригинал (162.31 КБ)</a>
Фото
popcorn
Мастер
Сообщения: 252
Зарегистрирован: 21 янв 2015, 00:20
Репутация: 18
Откуда: Янтарный край
Контактная информация:

Re: АВТОНОМНЫЙ КОНТРОЛЛЕР

Сообщение popcorn »

grakun писал(а):FT232RL
В общем, понял - шить через конвертер.
Остались ещё готовые?
Изображение
Аватара пользователя
grakun
Мастер
Сообщения: 273
Зарегистрирован: 30 сен 2015, 02:47
Репутация: 53
Настоящее имя: Гракун
Откуда: г.Саратов
Контактная информация:

Re: АВТОНОМНЫЙ КОНТРОЛЛЕР

Сообщение grakun »

popcorn писал(а):Остались ещё готовые?
Сейчас нет в наличии, закончились. На следующей неделе приходит комплектация, будем собирать. Через пару недель появятся новые.
Аватара пользователя
grakun
Мастер
Сообщения: 273
Зарегистрирован: 30 сен 2015, 02:47
Репутация: 53
Настоящее имя: Гракун
Откуда: г.Саратов
Контактная информация:

Re: АВТОНОМНЫЙ КОНТРОЛЛЕР

Сообщение grakun »

prog_v_5.7z
(5.56 КБ) 530 скачиваний
Обновленная прошивка.
Аватара пользователя
grakun
Мастер
Сообщения: 273
Зарегистрирован: 30 сен 2015, 02:47
Репутация: 53
Настоящее имя: Гракун
Откуда: г.Саратов
Контактная информация:

Re: АВТОНОМНЫЙ КОНТРОЛЛЕР

Сообщение grakun »

328uno.jpg (7510 просмотров) <a class='original' href='./download/file.php?id=65463&sid=fc2f108ce54a34a5616cf3c1ea49baa8&mode=view' target=_blank>Загрузить оригинал (55.41 КБ)</a>
Прошивку можно протестировать без контроллера с платой ардуино( uno R3). Если тема кому то будет интересна выложу схему подключения.
Аватара пользователя
yurayerz
Опытный
Сообщения: 132
Зарегистрирован: 04 янв 2015, 02:46
Репутация: 33
Настоящее имя: Юрий
Откуда: Ярославль
Контактная информация:

Re: АВТОНОМНЫЙ КОНТРОЛЛЕР

Сообщение yurayerz »

интересно, выкладывайте!
Аватара пользователя
grakun
Мастер
Сообщения: 273
Зарегистрирован: 30 сен 2015, 02:47
Репутация: 53
Настоящее имя: Гракун
Откуда: г.Саратов
Контактная информация:

Re: АВТОНОМНЫЙ КОНТРОЛЛЕР

Сообщение grakun »

Хорошо, вечером начну рисовать.
Аватара пользователя
grakun
Мастер
Сообщения: 273
Зарегистрирован: 30 сен 2015, 02:47
Репутация: 53
Настоящее имя: Гракун
Откуда: г.Саратов
Контактная информация:

Re: АВТОНОМНЫЙ КОНТРОЛЛЕР

Сообщение grakun »

Ссылку удалил, оказалась бесполезная. Версию arduino-1.0.5-r2 можно скачать здесь https://www.arduino.cc/en/Main/OldSoftw ... s#previous
Последний раз редактировалось grakun 09 дек 2015, 06:03, всего редактировалось 2 раза.
Аватара пользователя
grakun
Мастер
Сообщения: 273
Зарегистрирован: 30 сен 2015, 02:47
Репутация: 53
Настоящее имя: Гракун
Откуда: г.Саратов
Контактная информация:

Re: АВТОНОМНЫЙ КОНТРОЛЛЕР

Сообщение grakun »

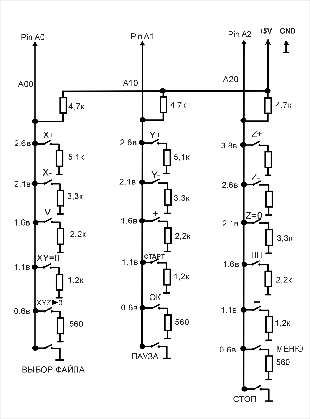
Клавиатура аналоговая, номиналы могут отличатся. Возле каждой кнопки примерное напряжение которое должно получится на шине при ее нажатии.
Вложения
схема клавиатуры.JPG (7416 просмотров) <a class='original' href='./download/file.php?id=65522&sid=fc2f108ce54a34a5616cf3c1ea49baa8&mode=view' target=_blank>Загрузить оригинал (240.09 КБ)</a>
Последний раз редактировалось grakun 09 дек 2015, 04:58, всего редактировалось 1 раз.
Аватара пользователя
grakun
Мастер
Сообщения: 273
Зарегистрирован: 30 сен 2015, 02:47
Репутация: 53
Настоящее имя: Гракун
Откуда: г.Саратов
Контактная информация:

Re: АВТОНОМНЫЙ КОНТРОЛЛЕР

Сообщение grakun »

плата.JPG (7410 просмотров) <a class='original' href='./download/file.php?id=65523&sid=fc2f108ce54a34a5616cf3c1ea49baa8&mode=view' target=_blank>Загрузить оригинал (232.13 КБ)</a>
Подключение индикатора стандартный вариант, подключение любым другим способом отразится на работе. Я имею ввиду использование LiquidCrystal_I2C.h. При подключении этой библиотеки не стабильно чтение SD карты. Почему так и не понял.
Индикатор WH1602B-YYK-CTK. подробней http://robocraft.ru/blog/arduino/503.html
Последний раз редактировалось grakun 09 дек 2015, 05:12, всего редактировалось 2 раза.
Аватара пользователя
yurayerz
Опытный
Сообщения: 132
Зарегистрирован: 04 янв 2015, 02:46
Репутация: 33
Настоящее имя: Юрий
Откуда: Ярославль
Контактная информация:

Re: АВТОНОМНЫЙ КОНТРОЛЛЕР

Сообщение yurayerz »

grakun писал(а):В прошивке используются нестандартные библиотеки, лучше скачать эту версию оболочки с библиотеками, там все добавлено
https://yadi.sk/d/HcOPFsvocqbch
2015-12-08 20-33-36 prog_v_5   Arduino 1.0.5-r2.png (7385 просмотров) <a class='original' href='./download/file.php?id=65526&sid=fc2f108ce54a34a5616cf3c1ea49baa8&mode=view' target=_blank>Загрузить оригинал (18.93 КБ)</a>
Не компилируется...
Может таки - EEPROM.read(0, vr); ?
#include <EEPROM2.h>
Что это?
Аватара пользователя
grakun
Мастер
Сообщения: 273
Зарегистрирован: 30 сен 2015, 02:47
Репутация: 53
Настоящее имя: Гракун
Откуда: г.Саратов
Контактная информация:

Re: АВТОНОМНЫЙ КОНТРОЛЛЕР

Сообщение grakun »

библиотека.jpg (7357 просмотров) <a class='original' href='./download/file.php?id=65564&sid=fc2f108ce54a34a5616cf3c1ea49baa8&mode=view' target=_blank>Загрузить оригинал (53.57 КБ)</a>
yurayerz писал(а):Что это?
EEPROM.read(0, vr); не работает с числами с запятой, поэтому EEPROM_read(0, vr);
#include <EEPROM2.h> это библиотека для работы с памятью http://www.freeduino.ru/arduino/sample_EEPROM.html
Ответить

Вернуться в «Предложения покупки/продажи/услуг»