ЧПУ на Maho 600
- mikehv
- Мастер
- Сообщения: 2115
- Зарегистрирован: 14 авг 2013, 10:10
- Репутация: 1175
- Откуда: Иваново
- Контактная информация:
Re: ЧПУ на Maho 600
Да нормально точил. Завтра прикину сколько выставлялось. Это я к тому, что на 16к20 без проблем всё проточится.
-
Supermagnetto
- Мастер
- Сообщения: 344
- Зарегистрирован: 10 фев 2015, 10:55
- Репутация: 63
- Настоящее имя: Николай
- Откуда: Москва
- Контактная информация:
Re: ЧПУ на Maho 600
Всем большое спасибо...
Токарь у меня свой...поэтому всё просто: надо отложить плановые работы в сторону(а лучше сделать их заранее) и проточить мне ШВП))))) Ладно на всякий случай завтра возьму пруток ф25 и скажу чтоб сделал пробный вариант)) а там буду смотреть)
А самое главное: Чем обрабатывать то? ВК8 пойдёт? или не возьмёт ?
Токарь у меня свой...поэтому всё просто: надо отложить плановые работы в сторону(а лучше сделать их заранее) и проточить мне ШВП))))) Ладно на всякий случай завтра возьму пруток ф25 и скажу чтоб сделал пробный вариант)) а там буду смотреть)
А самое главное: Чем обрабатывать то? ВК8 пойдёт? или не возьмёт ?
- Serg
- Мастер
- Сообщения: 21923
- Зарегистрирован: 17 апр 2012, 14:58
- Репутация: 5183
- Заслуга: c781c134843e0c1a3de9
- Настоящее имя: Сергей
- Откуда: Москва
- Контактная информация:
Re: ЧПУ на Maho 600
Есть какие-то пластинки без роду-племени, протачивал ими прямо по калёному слою. На всякий случай пользую одну из них только для сдирания калёного слоя - типа всё равно тупая, хотя внешне разницы со свежей не заметно.Supermagnetto писал(а):А самое главное: Чем обрабатывать то? ВК8 пойдёт? или не возьмёт ?
Я не Христос, рыбу не раздаю, но могу научить, как сделать удочку...
-
Supermagnetto
- Мастер
- Сообщения: 344
- Зарегистрирован: 10 фев 2015, 10:55
- Репутация: 63
- Настоящее имя: Николай
- Откуда: Москва
- Контактная информация:
Re: ЧПУ на Maho 600
Вот тут то и постигла меня засада...UAVpilot писал(а):Есть какие-то пластинки без роду-племени, протачивал ими прямо по калёному слою. На всякий случай пользую одну из них только для сдирания калёного слоя - типа всё равно тупая, хотя внешне разницы со свежей не заметно.Supermagnetto писал(а):А самое главное: Чем обрабатывать то? ВК8 пойдёт? или не возьмёт ?
Пробовали сегодня ободрать хотябы калёный слой...В итоге ничего не получилось((( Пробовали и пластинками(как вы понимаете теми которые есть..а какие они непонятно) и резцами Т15 вообще не взял сразу сломался, ВК8 вроде бодро пошёл по дай бог 1мм прошёл и обломился, Токарь очень сильно кричал,что нужны либьо керамические пластины либо эльбор или чтонибудь подобное.. а ему ещё на ней резьбу резать М20х0.75.. вообщем незнаю что делать... Что посоветуете? Может у кого есть чем это дело обработать и нарезать резьбу... готов купить...или арендовать)))
- N1X
- Мастер
- Сообщения: 3653
- Зарегистрирован: 16 фев 2015, 21:19
- Репутация: 1646
- Настоящее имя: Владимир
- Откуда: Беларусь, Гомель
- Контактная информация:
Re: ЧПУ на Maho 600
Где-то видел пост что в токарнике врубали обороты небольшие и тупо сдирали болгаркой прикаленный слой (этакий ручной круглошлиф), а потом уже точили...
-
aftaev
- Зачётный участник

- Сообщения: 34042
- Зарегистрирован: 04 апр 2010, 19:22
- Репутация: 6194
- Откуда: Казахстан.
- Контактная информация:
Re: ЧПУ на Maho 600
отпустить сталюку перед точениемSupermagnetto писал(а): Что посоветуете?
Дилетанту сложные вещи кажутся очень простыми, и только профессионал понимает насколько сложна самая простая вещь
Кто хочет - ищет возможности, кто не хочет - ищет оправдание.
Найди работу по душе и тебе не придется работать.
Кто хочет - ищет возможности, кто не хочет - ищет оправдание.
Найди работу по душе и тебе не придется работать.
-
Supermagnetto
- Мастер
- Сообщения: 344
- Зарегистрирован: 10 фев 2015, 10:55
- Репутация: 63
- Настоящее имя: Николай
- Откуда: Москва
- Контактная информация:
Re: ЧПУ на Maho 600
Боюсь чтоaftaev писал(а): aftaev » 2 минуты назад
Supermagnetto писал(а):
Что посоветуете?
отпустить сталюку перед точением
1) поведёт
2) лишнее отпущу
3) а если там не калка, а азотирование или ещё что?...
Да и мне кажеться лучше так не делать...а то малоли)
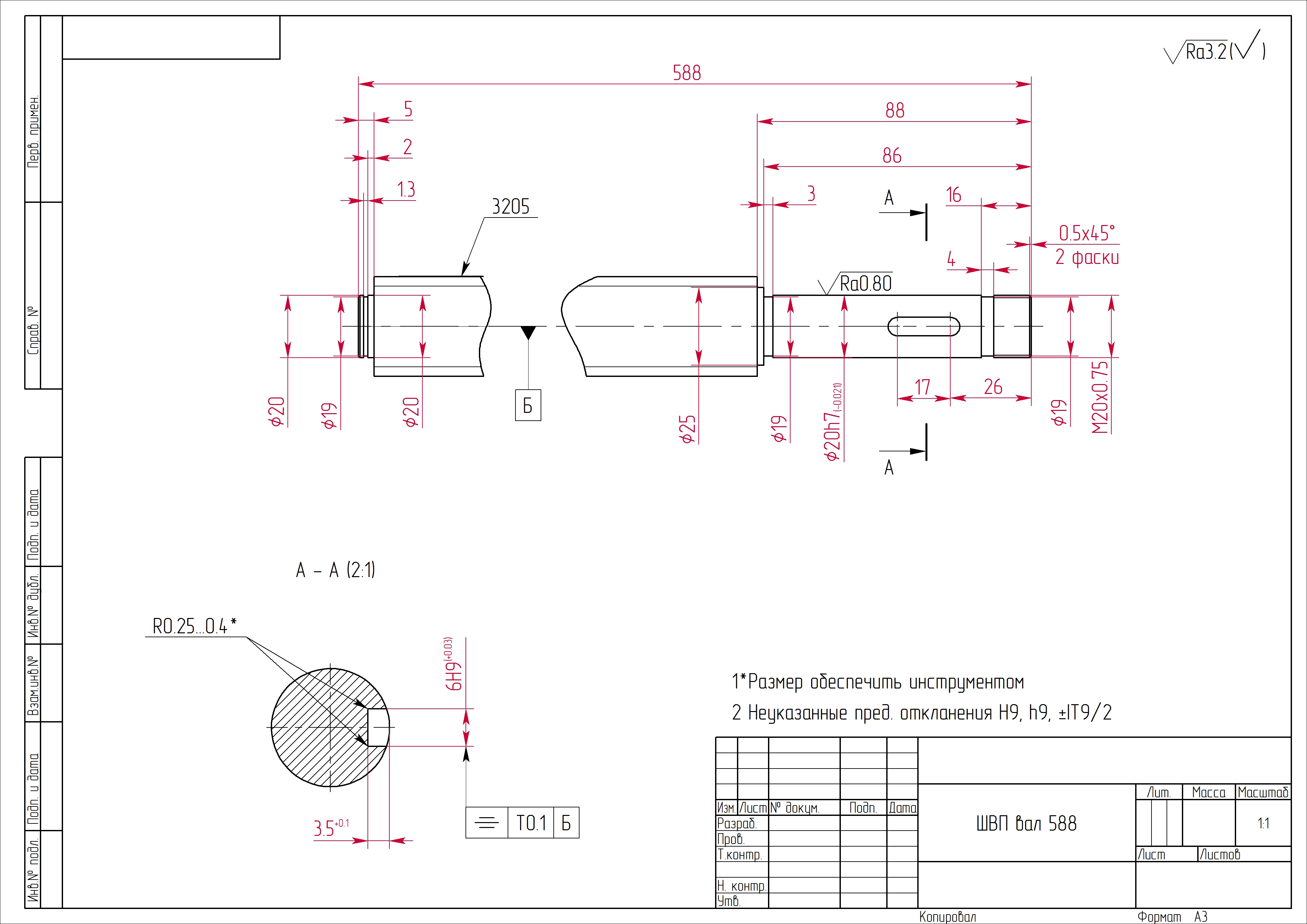
Ну эт варварство))) Конечно можно но на самый крайний случай...да и для него жестковато..А как ровные торцы то сделать вот например чертеж одного из ШВП(на Z):N1X писал(а):Где-то видел пост что в токарнике врубали обороты небольшие и тупо сдирали болгаркой прикаленный слой (этакий ручной круглошлиф), а потом уже точили...
- mikehv
- Мастер
- Сообщения: 2115
- Зарегистрирован: 14 авг 2013, 10:10
- Репутация: 1175
- Откуда: Иваново
- Контактная информация:
Re: ЧПУ на Maho 600
Я точил советской пластиной неизвестной маркировки. С желтым покрытием. Закален только верхний слой. Больше проблем создает не закалка, а то, что точится на удар. Но с маленьким съемом все получится.
-
aftaev
- Зачётный участник

- Сообщения: 34042
- Зарегистрирован: 04 апр 2010, 19:22
- Репутация: 6194
- Откуда: Казахстан.
- Контактная информация:
Re: ЧПУ на Maho 600
если речь про ШВПSupermagnetto писал(а):Боюсь что
1) поведёт
2) лишнее отпущу
3) а если там не калка, а азотирование или ещё что?...
Да и мне кажеться лучше так не делать...а то малоли)
https://www.youtube.com/watch?v=_Jc_E7Yam9s
https://www.youtube.com/watch?v=Gsh2PMUPKKg
Дилетанту сложные вещи кажутся очень простыми, и только профессионал понимает насколько сложна самая простая вещь
Кто хочет - ищет возможности, кто не хочет - ищет оправдание.
Найди работу по душе и тебе не придется работать.
Кто хочет - ищет возможности, кто не хочет - ищет оправдание.
Найди работу по душе и тебе не придется работать.
- andrew75
- Опытный
- Сообщения: 154
- Зарегистрирован: 03 сен 2014, 00:45
- Репутация: 107
- Откуда: Пенза
- Контактная информация:
Re: ЧПУ на Maho 600
Если есть возможность обработать на круглошлифовальном,то тоже вариант.Как пример https://youtu.be/-0Cn0WRXPKs?t=287 В принципе,можно сделать хоть обдирку,а далее и на токарник.
-
Supermagnetto
- Мастер
- Сообщения: 344
- Зарегистрирован: 10 фев 2015, 10:55
- Репутация: 63
- Настоящее имя: Николай
- Откуда: Москва
- Контактная информация:
Re: ЧПУ на Maho 600
Блин ну если бы у меня была возможностьотшлифовать то конечно отшлифовал бы...
Ладно тогда вопрс где купить резцы из КНБ(пластины,вставки) в Москве(желательно на севере?) Рассмотрю все варианты нал,безнал....
Конечно афтаев(думаю сам того не подозревая) уже дал наводочку,но чё то смущяет что там в магазине кроме маркировки и надписи набор пласин из 7 штук больше никакой инфы...Ну понятно что Китай,но вопрос хороший или Г)))
Ладно тогда вопрс где купить резцы из КНБ(пластины,вставки) в Москве(желательно на севере?) Рассмотрю все варианты нал,безнал....
Конечно афтаев(думаю сам того не подозревая) уже дал наводочку,но чё то смущяет что там в магазине кроме маркировки и надписи набор пласин из 7 штук больше никакой инфы...Ну понятно что Китай,но вопрос хороший или Г)))
- ukr-sasha
- Мастер
- Сообщения: 3401
- Зарегистрирован: 21 мар 2011, 07:47
- Репутация: 2181
- Настоящее имя: Украинец Александр Григорьевич
- Откуда: Киев, Украина
- Контактная информация:
Re: ЧПУ на Maho 600
На точиле снять верхний каленый слой. Толщина его примерно 2мм.
Сам так делал.
Потом легко обрабатывается.
Сам так делал.
Потом легко обрабатывается.
-
john1987887
- Мастер
- Сообщения: 3296
- Зарегистрирован: 08 сен 2013, 17:26
- Репутация: 1802
- Контактная информация:
Re: ЧПУ на Maho 600
Москвичи, как всегда, жгут не по детски. Спрашивать на форуме, где взять.... Это должны подсказать люди из Сибири, Казахстана, где в Москве взять... Дубль гис открой, блин.Supermagnetto писал(а):Ладно тогда вопрс где купить резцы из КНБ(пластины,вставки) в Москве(желательно на севере?)
Brother TC - 229 http://www.cnc-club.ru/forum/viewtopic. ... 46&t=15250
Brother TC - 225 viewtopic.php?f=146&t=31044
7045 http://www.cnc-club.ru/forum/viewtopic.php?t=6965
токарный http://www.cnc-club.ru/forum/viewtopic. ... 48&t=14096
Brother TC - 225 viewtopic.php?f=146&t=31044
7045 http://www.cnc-club.ru/forum/viewtopic.php?t=6965
токарный http://www.cnc-club.ru/forum/viewtopic. ... 48&t=14096
-
Supermagnetto
- Мастер
- Сообщения: 344
- Зарегистрирован: 10 фев 2015, 10:55
- Репутация: 63
- Настоящее имя: Николай
- Откуда: Москва
- Контактная информация:
Re: ЧПУ на Maho 600
Ну во первых вроде и Москвичей тут хватает...А во вторых я рассчитываю на то, что кто-то откликнется у кого есть и готов продать)john1987887 писал(а):Москвичи, как всегда, жгут не по детски. Спрашивать на форуме, где взять.... Это должны подсказать люди из Сибири, Казахстана, где в Москве взять... Дубль гис открой, блин.Supermagnetto писал(а):Ладно тогда вопрс где купить резцы из КНБ(пластины,вставки) в Москве(желательно на севере?)
Что такое дубль гис?
- Serg
- Мастер
- Сообщения: 21923
- Зарегистрирован: 17 апр 2012, 14:58
- Репутация: 5183
- Заслуга: c781c134843e0c1a3de9
- Настоящее имя: Сергей
- Откуда: Москва
- Контактная информация:
Re: ЧПУ на Maho 600
Москвичи спрашивают у москвичей и тех, кто в теме проверенные места, где товар есть в наличии.
А то понаехло в столицу куча супер-пупер менеджеров, понаоткрывали конторок типа "купи-продай", у которых якобы есть всё, но в реальности никакого склада нет, а есть только офис, где они сидят, ковыряют в носу и ждут клиента, который заплатит им кучу бабла и подождёт, пока они сделают заказ в китае и расплатятся за него принесённым баблом т.к. своего отродясь небыло...
А то понаехло в столицу куча супер-пупер менеджеров, понаоткрывали конторок типа "купи-продай", у которых якобы есть всё, но в реальности никакого склада нет, а есть только офис, где они сидят, ковыряют в носу и ждут клиента, который заплатит им кучу бабла и подождёт, пока они сделают заказ в китае и расплатятся за него принесённым баблом т.к. своего отродясь небыло...
Я не Христос, рыбу не раздаю, но могу научить, как сделать удочку...
-
nik1
- Мастер
- Сообщения: 8408
- Зарегистрирован: 02 окт 2012, 07:37
- Репутация: 3629
- Откуда: Красногорск
- Контактная информация:
Re: ЧПУ на Maho 600
На чипмейкере есть товарищ из Митино, много чего продает по инструменту
ник Маузер
ник Маузер
- Сергей Саныч
- Мастер
- Сообщения: 9116
- Зарегистрирован: 30 май 2012, 14:20
- Репутация: 2858
- Откуда: Тюмень
- Контактная информация:
Re: ЧПУ на Maho 600
http://www.2gis.ruSupermagnetto писал(а):Что такое дубль гис?
Чудес не бывает. Бывают фокусы.
-
Supermagnetto
- Мастер
- Сообщения: 344
- Зарегистрирован: 10 фев 2015, 10:55
- Репутация: 63
- Настоящее имя: Николай
- Откуда: Москва
- Контактная информация:
Re: ЧПУ на Maho 600
Вообщем почти решил вопрос.. вроде сделают...сказали сегодня вечером ответ дадут...всё кроме шпонок...
Шпонки сделают в другом месте, вроде всё налаживается)))
Шпонки сделают в другом месте, вроде всё налаживается)))
- Predator
- Мастер
- Сообщения: 9583
- Зарегистрирован: 18 июл 2013, 18:26
- Репутация: 2531
- Контактная информация:
Re: ЧПУ на Maho 600
Как-то так http://2gis.ru/Supermagnetto писал(а):Что такое дубль гис?
PS: Упс опоздал, Саныч, уже ответил
-
Supermagnetto
- Мастер
- Сообщения: 344
- Зарегистрирован: 10 фев 2015, 10:55
- Репутация: 63
- Настоящее имя: Николай
- Откуда: Москва
- Контактная информация:
Re: ЧПУ на Maho 600
Всех С праздником!!!!!!!!! УРА УРА УРА