Так асинхронник без ведения сетью не может генерить. Поэтому если он него отключить питание и повесить на него резисторы, то он будет просто крутиться по инерции что с ними, что без, т.к. для работы в генераторном режиме ему нужно возбуждение в виде остающего от ротора магнитного поля, т.е. нужно отрицательное скольжение создать... Вот подавая постоянку и получают стоящее неподвижно поле, и соответсвенно скольжение равное -n ротора...Тима писал(а):А нельзя просто поставить тормозные резисторы через пускатель?
6Д81Ш восстановил. вопросы по строгальному
- N1X
- Мастер
- Сообщения: 3653
- Зарегистрирован: 16 фев 2015, 21:19
- Репутация: 1646
- Настоящее имя: Владимир
- Откуда: Беларусь, Гомель
- Контактная информация:
Re: восстановление 6Д81Ш
- Тима
- Почётный участник

- Сообщения: 3162
- Зарегистрирован: 01 мар 2012, 20:47
- Репутация: 1089
- Настоящее имя: Тимур
- Откуда: КБР
- Контактная информация:
Re: восстановление 6Д81Ш
Должен. Мы экспериментировали, цепляли два двига вал к валу, один крутили от сети и меряли параметры на втором. По напряжению не помню сколько выдавало, но частота была ниже 50 гц. Но напряжение выдавало.N1X писал(а):Так асинхронник без ведения сетью не может генерить.
Еще был случай, забирал двиг 132 кВт. с перемотки. Я затребовал чтоб мне показали как он работает. Его раскрутили, показали токи на стенде и отключили. Пацан полез отсоединять провода пока крутился двиг и его током еб... т.е. ударило.
Дорогу осилит идущий!
Я все пойму, Вы только дайте денег!!!
Я все пойму, Вы только дайте денег!!!
-
aftaev
- Зачётный участник

- Сообщения: 34042
- Зарегистрирован: 04 апр 2010, 19:22
- Репутация: 6194
- Откуда: Казахстан.
- Контактная информация:
Re: восстановление 6Д81Ш
Тима, из обычных асинхроников делают генераторыТима писал(а):Еще был случай, забирал двиг 132 кВт. с перемотки. Я затребовал чтоб мне показали как он работает. Его раскрутили, показали токи на стенде и отключили. Пацан полез отсоединять провода пока крутился двиг и его током еб... т.е. ударило.
Дилетанту сложные вещи кажутся очень простыми, и только профессионал понимает насколько сложна самая простая вещь
Кто хочет - ищет возможности, кто не хочет - ищет оправдание.
Найди работу по душе и тебе не придется работать.
Кто хочет - ищет возможности, кто не хочет - ищет оправдание.
Найди работу по душе и тебе не придется работать.
- Тима
- Почётный участник

- Сообщения: 3162
- Зарегистрирован: 01 мар 2012, 20:47
- Репутация: 1089
- Настоящее имя: Тимур
- Откуда: КБР
- Контактная информация:
Re: восстановление 6Д81Ш
Я это знаю. Это N1X говорит что асинхронник не генерит без опорной сети...
Дорогу осилит идущий!
Я все пойму, Вы только дайте денег!!!
Я все пойму, Вы только дайте денег!!!
- N1X
- Мастер
- Сообщения: 3653
- Зарегистрирован: 16 фев 2015, 21:19
- Репутация: 1646
- Настоящее имя: Владимир
- Откуда: Беларусь, Гомель
- Контактная информация:
Re: восстановление 6Д81Ш
Не генерит. Факт вытекающий из теории АД. То что он может генерить какие-то жалкие вольты из-за остаточной намагниченности ротора ничего не меняет. Нагрузи его и генерация сорвется...
- Тима
- Почётный участник

- Сообщения: 3162
- Зарегистрирован: 01 мар 2012, 20:47
- Репутация: 1089
- Настоящее имя: Тимур
- Откуда: КБР
- Контактная информация:
Re: восстановление 6Д81Ш
Выдержда отсюда: http://eurosamodelki.ru/katalog-samodel ... a&mobile=0В качестве асинхронного генератора может быть использован обычный асинхронный короткозамкнутый электродвигатель соответствующей мощности без каких-либо переделок. Мощность электродвигателя-генератора определяется мощностью подключаемых устройств.
Особо хочу остановиться на эксплуатации бытовых сварочных трансформаторов.
Их подключение к автономному источнику электроэнергии наиболее желательно, т.к. при работе от промышленной сети они создают целый ряд неудобств для других потребителей электроэнергии. Если бытовой сварочный трансформатор рассчитан на работу с электродами диаметром 2…3 мм, то его полная мощность составляет примерно 4…6 кВт, мощность асинхронного генератора для его питания должна быть в пределах 5…7 кВт.
Вот бензиновый генератор на основе асинхронника http://www.instrumenti-online.ru/genera ... -mhba.html
Сам лично разбирал такой генератор на 1.5кВт
Последний раз редактировалось Тима 25 апр 2015, 20:55, всего редактировалось 1 раз.
Дорогу осилит идущий!
Я все пойму, Вы только дайте денег!!!
Я все пойму, Вы только дайте денег!!!
- Serg
- Мастер
- Сообщения: 21923
- Зарегистрирован: 17 апр 2012, 14:58
- Репутация: 5183
- Заслуга: c781c134843e0c1a3de9
- Настоящее имя: Сергей
- Откуда: Москва
- Контактная информация:
Re: восстановление 6Д81Ш
ТЭН в баке свои киловатты рассеивает с помощью холодной воды. А выдранный из бака куда тепло девать будет?..tooshka писал(а):Та ТЭН какой нибудь из бака нагревательного выдрать и все.
Я не Христос, рыбу не раздаю, но могу научить, как сделать удочку...
- N1X
- Мастер
- Сообщения: 3653
- Зарегистрирован: 16 фев 2015, 21:19
- Репутация: 1646
- Настоящее имя: Владимир
- Откуда: Беларусь, Гомель
- Контактная информация:
Re: восстановление 6Д81Ш
Только там обычно либо конденсаторы подключены (обычно 3 штуки в треугольник), чтобы фазу сдвинуть, либо схема управления специальная...Тима писал(а):Вот бензиновый генератор на основе асинхронника
- Тима
- Почётный участник

- Сообщения: 3162
- Зарегистрирован: 01 мар 2012, 20:47
- Репутация: 1089
- Настоящее имя: Тимур
- Откуда: КБР
- Контактная информация:
Re: восстановление 6Д81Ш
Кондеры стоят. И на том, что я разбирал, тоже стояли.
Дорогу осилит идущий!
Я все пойму, Вы только дайте денег!!!
Я все пойму, Вы только дайте денег!!!
-
nkp
- Мастер
- Сообщения: 8340
- Зарегистрирован: 28 ноя 2011, 00:25
- Репутация: 1589
- Контактная информация:
Re: восстановление 6Д81Ш
так кто скажет - "что" там ударило человека ?Тима писал(а):Еще был случай, забирал двиг 132 кВт. с перемотки. Я затребовал чтоб мне показали как он работает. Его раскрутили, показали токи на стенде и отключили. Пацан полез отсоединять провода пока крутился двиг и его током еб... т.е. ударило.
- ukr-sasha
- Мастер
- Сообщения: 3401
- Зарегистрирован: 21 мар 2011, 07:47
- Репутация: 2181
- Настоящее имя: Украинец Александр Григорьевич
- Откуда: Киев, Украина
- Контактная информация:
Re: восстановление 6Д81Ш
Тогда подключить бойлер и добывать горячую воду.UAVpilot писал(а):ТЭН в баке свои киловатты рассеивает с помощью холодной воды. А выдранный из бака куда тепло девать будет?..
- N1X
- Мастер
- Сообщения: 3653
- Зарегистрирован: 16 фев 2015, 21:19
- Репутация: 1646
- Настоящее имя: Владимир
- Откуда: Беларусь, Гомель
- Контактная информация:
Re: восстановление 6Д81Ш
132 кВт немалая болванка... Скорее всего ротор намагничен был и двиг генерил в синхронном режиме...nkp писал(а):так кто скажет - "что" там ударило человека ?
- Тима
- Почётный участник

- Сообщения: 3162
- Зарегистрирован: 01 мар 2012, 20:47
- Репутация: 1089
- Настоящее имя: Тимур
- Откуда: КБР
- Контактная информация:
Re: восстановление 6Д81Ш
ротор около 400 кг. Весь двиг - 850кгN1X писал(а):132 кВт немалая болванка...
Дорогу осилит идущий!
Я все пойму, Вы только дайте денег!!!
Я все пойму, Вы только дайте денег!!!
- tooshka
- Почётный участник

- Сообщения: 1803
- Зарегистрирован: 24 окт 2012, 14:26
- Репутация: 209
- Настоящее имя: Андрей
- Откуда: Нижний Новгород
- Контактная информация:
Re: восстановление 6Д81Ш
В радиатор засунуть из двух половинок.UAVpilot писал(а):ТЭН в баке свои киловатты рассеивает с помощью холодной воды. А выдранный из бака куда тепло девать будет?..
Милая, ты услышь меня
под окном стою со своим я ЧПУ! (Протяжно; с надрывом; форте)
Внимание!!! Чрезмерное увлечение ЧПУ приводит к проблемам в семейных отношениях!
под окном стою со своим я ЧПУ! (Протяжно; с надрывом; форте)
Внимание!!! Чрезмерное увлечение ЧПУ приводит к проблемам в семейных отношениях!
- Тима
- Почётный участник

- Сообщения: 3162
- Зарегистрирован: 01 мар 2012, 20:47
- Репутация: 1089
- Настоящее имя: Тимур
- Откуда: КБР
- Контактная информация:
Re: восстановление 6Д81Ш
я думаю это лишнее будет. Той энергии, что выделится при торможении будет немного. Думаю будет достаточно того теплообмена, что позволит площадь самого тэна. Вопрос в другом, будет ли от этого толк?
Дорогу осилит идущий!
Я все пойму, Вы только дайте денег!!!
Я все пойму, Вы только дайте денег!!!
- Тима
- Почётный участник

- Сообщения: 3162
- Зарегистрирован: 01 мар 2012, 20:47
- Репутация: 1089
- Настоящее имя: Тимур
- Откуда: КБР
- Контактная информация:
Re: восстановление 6Д81Ш
Дело пошло...
Снял монтажную панель со станка... Демонтировал все... Вот это все... Подготовил новое к монтажу. Будет примерно так... Пол-шкафа будет пустым.
И на самом интересном месте работа остановилась... Нужна щетка для зачистки на болгарку и краска, а магазины уже закрыты...
Нервничаю я, когда вот так из-за мелочи работа тормозится...
Снял монтажную панель со станка... Демонтировал все... Вот это все... Подготовил новое к монтажу. Будет примерно так... Пол-шкафа будет пустым.
И на самом интересном месте работа остановилась... Нужна щетка для зачистки на болгарку и краска, а магазины уже закрыты...
Нервничаю я, когда вот так из-за мелочи работа тормозится...
Дорогу осилит идущий!
Я все пойму, Вы только дайте денег!!!
Я все пойму, Вы только дайте денег!!!
- ukr-sasha
- Мастер
- Сообщения: 3401
- Зарегистрирован: 21 мар 2011, 07:47
- Репутация: 2181
- Настоящее имя: Украинец Александр Григорьевич
- Откуда: Киев, Украина
- Контактная информация:
Re: восстановление 6Д81Ш
Тщательнее нужно планировать работу, тщательнее.Тима писал(а):Нервничаю я, когда вот так из-за мелочи работа тормозится...
- tooshka
- Почётный участник

- Сообщения: 1803
- Зарегистрирован: 24 окт 2012, 14:26
- Репутация: 209
- Настоящее имя: Андрей
- Откуда: Нижний Новгород
- Контактная информация:
Re: восстановление 6Д81Ш
Красота.
Милая, ты услышь меня
под окном стою со своим я ЧПУ! (Протяжно; с надрывом; форте)
Внимание!!! Чрезмерное увлечение ЧПУ приводит к проблемам в семейных отношениях!
под окном стою со своим я ЧПУ! (Протяжно; с надрывом; форте)
Внимание!!! Чрезмерное увлечение ЧПУ приводит к проблемам в семейных отношениях!
- Тима
- Почётный участник

- Сообщения: 3162
- Зарегистрирован: 01 мар 2012, 20:47
- Репутация: 1089
- Настоящее имя: Тимур
- Откуда: КБР
- Контактная информация:
Re: восстановление 6Д81Ш
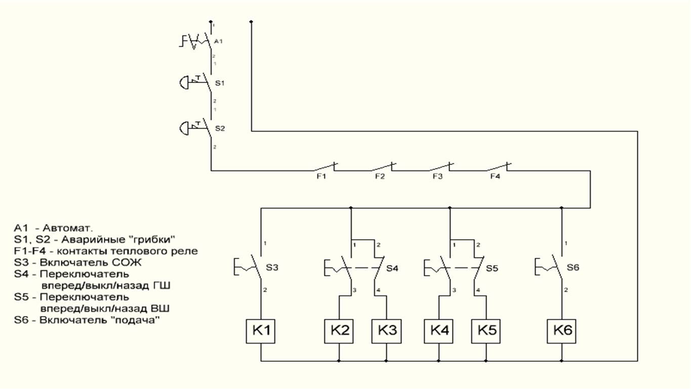
Набросал новую схему управления на переключателях...
Забыл на схеме дописать, К1-К6 - катушки пускателей.
Еще такой вопрос: Нужно ли делать освещение стола станка?
Еще такой вопрос: Нужно ли делать освещение стола станка?
Дорогу осилит идущий!
Я все пойму, Вы только дайте денег!!!
Я все пойму, Вы только дайте денег!!!
- Predator
- Мастер
- Сообщения: 9583
- Зарегистрирован: 18 июл 2013, 18:26
- Репутация: 2531
- Контактная информация:
Re: восстановление 6Д81Ш
А почему не нужно?!Тима писал(а):Нужно ли делать освещение стола станка?