ЧПУ пульты

Контроллеры, драйверы, датчики, управляющие устройства.
adif
Кандидат
Сообщения: 69
Зарегистрирован: 02 дек 2010, 09:55
Репутация: 18
Контактная информация:

Re: ЧПУ пульты

Сообщение adif »

А вот на такой проект кто нибудь попадал? USB HID Interface card for Linux EMC and Mach 3 http://martzis.wippiesblog.com/martzis- ... -and-mach/
Inputs:
64 digital inputs (LS TTL)
4 analog inputs (0-5V)
4 encoder inputs (1x or 2x)
Можно сделать пульт на USB и как к линуксу подключить рассказывается.
Аватара пользователя
Nick
Мастер
Сообщения: 22776
Зарегистрирован: 23 ноя 2009, 16:45
Репутация: 1735
Заслуга: Developer
Откуда: Gatchina, Saint-Petersburg distr., Russia
Контактная информация:

Re: ЧПУ пульты

Сообщение Nick »

Насколько я понимаю в EMC2 все будет из userspace?
Вообще компоненты userspace можно легко подключать по любому интерфейсу. В том числе например Arduino через USB (Arduino Linux CNC - советы начинающим #1). Плохо то, что на эти пины не повесить никакие компоненты связанные с движением...
adif
Кандидат
Сообщения: 69
Зарегистрирован: 02 дек 2010, 09:55
Репутация: 18
Контактная информация:

Re: ЧПУ пульты

Сообщение adif »

Nick писал(а):Плохо то, что на эти пины не повесить никакие компоненты связанные с движением...
В смысле связанные с движением? Вот здесь показано как уже пульт подключен через этот USB HID Interface card for Linux EMC http://www.cnc-tekniikka.com/CNC-forum1 ... 94#msg3794
muhipendant.jpg (3434 просмотра) <a class='original' href='./download/file.php?id=4404&mode=view' target=_blank>Загрузить оригинал (233.93 КБ)</a>
pendant.jpg (3434 просмотра) <a class='original' href='./download/file.php?id=4403&mode=view' target=_blank>Загрузить оригинал (236.5 КБ)</a>
В чем минуса такого решения?
zilk
Опытный
Сообщения: 139
Зарегистрирован: 07 янв 2012, 19:05
Репутация: 1
Откуда: Украина, Харьков
Контактная информация:

Re: ЧПУ пульты

Сообщение zilk »

Здравствуйте, коллеги! :)

Хотел бы услышать ваше мнение об оптимальной конфигурации пульта - какой она должна быть? Т.е. какие кнопки, переключатели и пр. MPG должны быть размещены на его панели для максимальной функциональности и удобства, возможности производить какие-либо действия без участия клавиатуры и мышы?
Я, например, планирую сделать пульт в виде коробочки, висящей на вращающейся конструкции в виде изогнутой трубы, чтобы иметь возможность перемещать его в любое место рабочей зоны - на фрезере 6Б75ВФ1 такая есть в наличии изначально. На пульте предусмотрены следующие органы управления:
- кнопка E-Stop
- кнопка ON/OFF
- 2 кнопки RUN/STEP и PAUSE/RESUME
- кнопка FLOOD ON/OFF
- кнопка управления шпинделем FWD/REV/STOP
- MPG
- переключатель режимов AXIS 0, 1, 2, 3, 4, OFF, FEED OVERRIDE, SPINDLE OVERRIDE
- переключатель масштаба 1, 0.1, 0.01, 0.001 мм.

На данный момент эта конфигурация отлажена и работает без сбоев. Вопрос состоит в следующем - нужно ли все вышеперечисленное на пульте или было бы неплохо туда еще чего-нибудь добавить для полного счастья? У меня фантазия закончилась... :freak:

Спасибо!
vladimir74
Почётный участник
Почётный участник
Сообщения: 544
Зарегистрирован: 25 май 2011, 14:14
Репутация: 19
Откуда: Магнитогорск
Контактная информация:

Re: ЧПУ пульты

Сообщение vladimir74 »

может быть мр3 плеер?
кнопки HOME нет, мне кажется с пульта удобно будет.
Аватара пользователя
Nick
Мастер
Сообщения: 22776
Зарегистрирован: 23 ноя 2009, 16:45
Репутация: 1735
Заслуга: Developer
Откуда: Gatchina, Saint-Petersburg distr., Russia
Контактная информация:

Re: ЧПУ пульты

Сообщение Nick »

adif писал(а):В смысле связанные с движением? Вот здесь показано как уже пульт подключен через этот USB HID Interface card for Linux EMC http://www.cnc-tekniikka.com/CNC-forum1 ... 94#msg3794
вот строка загрузки компонента: loadusr -W hal_input usb-0000:00:1f.4-1/input0 usb-0000:00:1f.4-1/input1
Для устройств ввода не критичных к задержкам он пойдет (хотя энкодер мпг может взглюкнуть). Т.е. для пульта пойдет, но например энкодер оси через него не стоит подключать. Или вывод на пины двигателей или драйверов тоже не стоит.
Аватара пользователя
Тима
Почётный участник
Почётный участник
Сообщения: 3162
Зарегистрирован: 01 мар 2012, 20:47
Репутация: 1089
Настоящее имя: Тимур
Откуда: КБР
Контактная информация:

Re: ЧПУ пульты

Сообщение Тима »

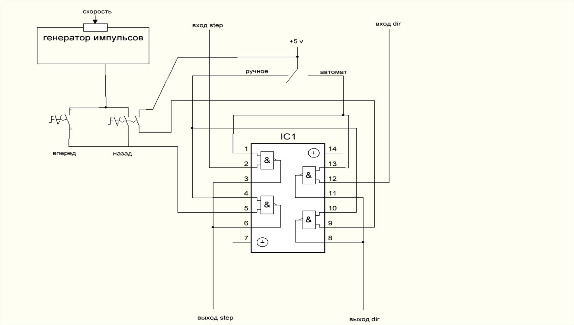
Набросал небольшую схемку пульта на ттл-логике, который должен работать и без компа. Блок будет иметь два разъема под LPT(вход-выход) и питание 5 вольт! Выход с порта компа подключается к блоку, а выход блока к контроллеру. на блоке управления имеется(будет иметься) переключатель с ручного в автомат На каждый канал идет одна микросхема к155ли1.
Прошу посмотреть схемку, и сказать имеет ли это"чудо" право на жизнь?
Это на 1 канал (3284 просмотра) <a class='original' href='./download/file.php?id=4779&mode=view' target=_blank>Загрузить оригинал (85.35 КБ)</a>
Это на 1 канал
Дорогу осилит идущий!
Я все пойму, Вы только дайте денег!!!
aftaev
Зачётный участник
Зачётный участник
Сообщения: 34042
Зарегистрирован: 04 апр 2010, 19:22
Репутация: 6194
Откуда: Казахстан.
Контактная информация:

Re: ЧПУ пульты

Сообщение aftaev »

Нужно ось медленно разгонять. Вставил подстроечником среднюю скорость и нажал вперед ось резко дерниться и проустит шаги. Если портал с 2мя двигами может перекосить.
Дилетанту сложные вещи кажутся очень простыми, и только профессионал понимает насколько сложна самая простая вещь
Кто хочет - ищет возможности, кто не хочет - ищет оправдание.
Найди работу по душе и тебе не придется работать.
Аватара пользователя
Тима
Почётный участник
Почётный участник
Сообщения: 3162
Зарегистрирован: 01 мар 2012, 20:47
Репутация: 1089
Настоящее имя: Тимур
Откуда: КБР
Контактная информация:

Re: ЧПУ пульты

Сообщение Тима »

Понятно! А есть выход из данной ситуации, в плане доработки данной схемы?
Дорогу осилит идущий!
Я все пойму, Вы только дайте денег!!!
Аватара пользователя
Lexxa
Мастер
Сообщения: 2703
Зарегистрирован: 16 дек 2011, 16:48
Репутация: 319
Настоящее имя: Алексей
Откуда: ryazan
Контактная информация:

Re: ЧПУ пульты

Сообщение Lexxa »

zilk писал(а):Здравствуйте, коллеги! :)

Хотел бы услышать ваше мнение об оптимальной конфигурации пульта - какой она должна быть? Т.е. какие кнопки, переключатели и пр. MPG должны быть размещены на его панели для максимальной функциональности и удобства, возможности производить какие-либо действия без участия клавиатуры и мышы?
Я, например, планирую сделать пульт в виде коробочки, висящей на вращающейся конструкции в виде изогнутой трубы, чтобы иметь возможность перемещать его в любое место рабочей зоны - на фрезере 6Б75ВФ1 такая есть в наличии изначально. На пульте предусмотрены следующие органы управления:
- кнопка E-Stop
- кнопка ON/OFF
- 2 кнопки RUN/STEP и PAUSE/RESUME
- кнопка FLOOD ON/OFF
- кнопка управления шпинделем FWD/REV/STOP
- MPG
- переключатель режимов AXIS 0, 1, 2, 3, 4, OFF, FEED OVERRIDE, SPINDLE OVERRIDE
- переключатель масштаба 1, 0.1, 0.01, 0.001 мм.

На данный момент эта конфигурация отлажена и работает без сбоев. Вопрос состоит в следующем - нужно ли все вышеперечисленное на пульте или было бы неплохо туда еще чего-нибудь добавить для полного счастья? У меня фантазия закончилась... :freak:

Спасибо!
Помнится мне удобная штука была в headenhain. ТАм были два резистора переменных - первый для плавного регулирования подачи независимо от режима. Т.е. масштаб подачи. А второй - скорость вращения шпинделя. При наладке мегаудобно, особенно подачу крутить.
:bender:
Аватара пользователя
Nick
Мастер
Сообщения: 22776
Зарегистрирован: 23 ноя 2009, 16:45
Репутация: 1735
Заслуга: Developer
Откуда: Gatchina, Saint-Petersburg distr., Russia
Контактная информация:

Re: ЧПУ пульты

Сообщение Nick »

Надо в такой пульт все параметры станка зашивать (скорость+ускорение по осям (микрошаг)) + за координатами следить, чтобы за пределы не выбежать. И сами пределы обрабатывать.
Ей богу проще к EMC2 джойстик прикрутить и им управлять. Тогда и за пределы не убежишь и проблем со скоростью и ускорениями не будет, и много чего еще :).
Аватара пользователя
Lexxa
Мастер
Сообщения: 2703
Зарегистрирован: 16 дек 2011, 16:48
Репутация: 319
Настоящее имя: Алексей
Откуда: ryazan
Контактная информация:

Re: ЧПУ пульты

Сообщение Lexxa »

абсолютно согласен
:bender:
Аватара пользователя
Тима
Почётный участник
Почётный участник
Сообщения: 3162
Зарегистрирован: 01 мар 2012, 20:47
Репутация: 1089
Настоящее имя: Тимур
Откуда: КБР
Контактная информация:

Re: ЧПУ пульты

Сообщение Тима »

Понял!
З.Ы. Это меня просто немного штормит на новые идеи, пока еще неопытный, "зеленый" :mrgreen:
Дорогу осилит идущий!
Я все пойму, Вы только дайте денег!!!
aftaev
Зачётный участник
Зачётный участник
Сообщения: 34042
Зарегистрирован: 04 апр 2010, 19:22
Репутация: 6194
Откуда: Казахстан.
Контактная информация:

Re: ЧПУ пульты

Сообщение aftaev »

Ручной MPG не есть удобный впультах,заменил бы его на джойстик.
Тима писал(а):З.Ы. Это меня просто немного штормит на новые идеи, пока еще неопытный, "зеленый"
Касаельно твоей идеи: пульты чаще всего применяются для подгонки инструмента к нужно точке. Подогнали, потом оси сбрасваем в нули. Когда подгоняем пультом что там в координатах показываем мало интерено. Так что товоя идея вполне воплотима.
Дилетанту сложные вещи кажутся очень простыми, и только профессионал понимает насколько сложна самая простая вещь
Кто хочет - ищет возможности, кто не хочет - ищет оправдание.
Найди работу по душе и тебе не придется работать.
Аватара пользователя
Nick
Мастер
Сообщения: 22776
Зарегистрирован: 23 ноя 2009, 16:45
Репутация: 1735
Заслуга: Developer
Откуда: Gatchina, Saint-Petersburg distr., Russia
Контактная информация:

Re: ЧПУ пульты

Сообщение Nick »

aftaev писал(а):что там в координатах показываем мало интерено
Да, но при этом все равно не хотелось бы уехать за пределы осей в любом случае.
А если случайно зажмешь кнопку и станок поедет спрыгивать с рельсов?
aftaev
Зачётный участник
Зачётный участник
Сообщения: 34042
Зарегистрирован: 04 апр 2010, 19:22
Репутация: 6194
Откуда: Казахстан.
Контактная информация:

Re: ЧПУ пульты

Сообщение aftaev »

Nick писал(а):Да, но при этом все равно не хотелось бы уехать за пределы осей в любом случае.
Нет у меня датчиков ХОМЕ и Лимитов и портал с рельс еще не спрыгивал :)

Ну а потом что тако MPG? Это ручной генератор имульсов. Импульсы квадратичные генерируются в зависимости от скорости вращения. И его без проблем подключают к Мач/ЕМС.
А если взять генератор как Тима нарисовал и поставить потонциометр(джойстик). Чем сильнее отклоняем тем шустрее импульсы. И все это подключаем как MPG
Джойстик.jpg (3270 просмотров) <a class='original' href='./download/file.php?id=4780&mode=view' target=_blank>Загрузить оригинал (23.11 КБ)</a>
А если все это сделать на контроллере каком нибудь то можно сделать много наворотов. Например выбираем шаг перемещения 0,01мм 0,1мм 1мм 10мм(дергаем джойстик ось шагает) или постоянный переезд(чем сильнее джойстик отклоняем тем шустрее).
И пульт этот заводится как обычный пульт с MPG
В этом случае ускорение,слежение за лимитами и тд ложится на Мач/ЕМС :beer_blow:
Дилетанту сложные вещи кажутся очень простыми, и только профессионал понимает насколько сложна самая простая вещь
Кто хочет - ищет возможности, кто не хочет - ищет оправдание.
Найди работу по душе и тебе не придется работать.
Аватара пользователя
Тима
Почётный участник
Почётный участник
Сообщения: 3162
Зарегистрирован: 01 мар 2012, 20:47
Репутация: 1089
Настоящее имя: Тимур
Откуда: КБР
Контактная информация:

Re: ЧПУ пульты

Сообщение Тима »

Nick писал(а):Да, но при этом все равно не хотелось бы уехать за пределы осей в любом случае.
Ну, если идея имеет право на существование, я планировал добавить в схему остановку по концевикам.
aftaev писал(а):поставить потонциометр(джойстик). Чем сильнее отклоняем тем шустрее импульсы. И все это подключаем как MPG
Надо попробовать! :thinking: Только теперь надо найти такой джойстик... попробую заказать в радиотоварах.
Если не найду, можно попробовать самому сварганить! :hammer: :pliers:
Дорогу осилит идущий!
Я все пойму, Вы только дайте денег!!!
Аватара пользователя
Nick
Мастер
Сообщения: 22776
Зарегистрирован: 23 ноя 2009, 16:45
Репутация: 1735
Заслуга: Developer
Откуда: Gatchina, Saint-Petersburg distr., Russia
Контактная информация:

Re: ЧПУ пульты

Сообщение Nick »

К linuxcnc можно подключить любой джойстик, даже без мпг, хоть от Dandy :)
Аватара пользователя
Тима
Почётный участник
Почётный участник
Сообщения: 3162
Зарегистрирован: 01 мар 2012, 20:47
Репутация: 1089
Настоящее имя: Тимур
Откуда: КБР
Контактная информация:

Re: ЧПУ пульты

Сообщение Тима »

Nick писал(а):К linuxcnc можно подключить любой джойстик, даже без мпг, хоть от Dandy
Ну, тут сама идея была в том, чтоб можно было управлять станком без компа!
Nick писал(а):подключить любой джойстик..... хоть от Dandy
А где про это можно почитать?
Дорогу осилит идущий!
Я все пойму, Вы только дайте денег!!!
Аватара пользователя
Nick
Мастер
Сообщения: 22776
Зарегистрирован: 23 ноя 2009, 16:45
Репутация: 1735
Заслуга: Developer
Откуда: Gatchina, Saint-Petersburg distr., Russia
Контактная информация:

Re: ЧПУ пульты

Сообщение Nick »

Тима писал(а):А где про это можно почитать?
Вот например: EMC2 и Joystick #2
Правда до ума я так и не довел конфиг, попробовал, что работает и на этом забросил :). Но если что помогу сделат так, чтобы заработало :).
Ответить

Вернуться в «Электроника»