Нужна консультация по плазменной резке
Нужна консультация по плазменной резке
Доброго времени суток.
У меня есть задача раскраивать сталь 08пс(черная халоднокатанная) толщиной от 1мм до 2мм, со скорость от 10 м/мин. минимальный диаметр отверстий 2,5мм.
Есть мысль реализовать это с помощью плазмы.
Из имеющегося: неплохой опыт в изготовлении координатных столов и источник высококачественного воздуха (компрессорная станция с влагомасло отделителем рефрежераторного типа) как я понял качество воздуха важно для плазмы.
Подскажите пожалуйста:
1.Как подобрать источник плазмы (какие параметры необходимы, другие толщины резать неабезательно)
2.Как реализуется контактный поджиг (просмотрев форум я понял что с вч поджигом очень много проблем)
3.Реализовывал ли кто нибудь смену столов (хочется увеличить производительность снижением времени загрузки выгрузки)
Заранее спасибо
У меня есть задача раскраивать сталь 08пс(черная халоднокатанная) толщиной от 1мм до 2мм, со скорость от 10 м/мин. минимальный диаметр отверстий 2,5мм.
Есть мысль реализовать это с помощью плазмы.
Из имеющегося: неплохой опыт в изготовлении координатных столов и источник высококачественного воздуха (компрессорная станция с влагомасло отделителем рефрежераторного типа) как я понял качество воздуха важно для плазмы.
Подскажите пожалуйста:
1.Как подобрать источник плазмы (какие параметры необходимы, другие толщины резать неабезательно)
2.Как реализуется контактный поджиг (просмотрев форум я понял что с вч поджигом очень много проблем)
3.Реализовывал ли кто нибудь смену столов (хочется увеличить производительность снижением времени загрузки выгрузки)
Заранее спасибо
-
aftaev
- Зачётный участник

- Сообщения: 34042
- Зарегистрирован: 04 апр 2010, 19:22
- Репутация: 6194
- Откуда: Казахстан.
- Контактная информация:
Re: Нужна консультация по плазменной резке
почему от 10м/мин так хочется?Gozz писал(а):толщиной от 1мм до 2мм, со скорость от 10 м/мин.
не прокатитGozz писал(а): минимальный диаметр отверстий 2,5мм.
Hypertherm 45Gozz писал(а):1.Как подобрать источник плазмы (какие параметры необходимы, другие толщины резать неабезательно)
2.Как реализуется контактный поджиг (просмотрев форум я понял что с вч поджигом очень много проблем)
делается стол в 2 раза больше, пока режет один лист, второй укладывается.Gozz писал(а):3.Реализовывал ли кто нибудь смену столов (хочется увеличить производительность снижением времени загрузки выгрузки)
Что то мне подсказывает что плазма вам не подойдет, нужен лазер
Дилетанту сложные вещи кажутся очень простыми, и только профессионал понимает насколько сложна самая простая вещь
Кто хочет - ищет возможности, кто не хочет - ищет оправдание.
Найди работу по душе и тебе не придется работать.
Кто хочет - ищет возможности, кто не хочет - ищет оправдание.
Найди работу по душе и тебе не придется работать.
Re: Нужна консультация по плазменной резке
какой минимальный диаметр возможен?aftaev писал(а):Gozz писал(а):
минимальный диаметр отверстий 2,5мм.
не прокатит
неудобно с точки зрения компоновки пространства, носить листы неудобноaftaev писал(а):Gozz писал(а):
3.Реализовывал ли кто нибудь смену столов (хочется увеличить производительность снижением времени загрузки выгрузки)
делается стол в 2 раза больше, пока режет один лист, второй укладывается.
скорость необходимая для обеспечения производительность в одну рабочую сменуaftaev писал(а):почему от 10м/мин так хочется?
Re: Нужна консультация по плазменной резке
мне вообще нужен координатно пробивной, на сколько мне известно крайне дорогое у довольствие:-(aftaev писал(а):Что то мне подсказывает что плазма вам не подойдет, нужен лазер
-
aftaev
- Зачётный участник

- Сообщения: 34042
- Зарегистрирован: 04 апр 2010, 19:22
- Репутация: 6194
- Откуда: Казахстан.
- Контактная информация:
Re: Нужна консультация по плазменной резке
чертеж детали, допуски и скорее всего отобью желание на плазмуGozz писал(а):какой минимальный диаметр возможен?
у плазмы прокол будет примерно 3-4мм, и отверстие будет подкалено так что потом будет плохо расверливаться
ОЦК0126Ф4 координатно пробивной пресс #1Gozz писал(а):мне вообще нужен координатно пробивной, на сколько мне известно крайне дорогое у довольствие:-(
https://www.avito.ru/ekaterinburg/oboru ... _144349942
Дилетанту сложные вещи кажутся очень простыми, и только профессионал понимает насколько сложна самая простая вещь
Кто хочет - ищет возможности, кто не хочет - ищет оправдание.
Найди работу по душе и тебе не придется работать.
Кто хочет - ищет возможности, кто не хочет - ищет оправдание.
Найди работу по душе и тебе не придется работать.
- donvictorio
- Мастер
- Сообщения: 2457
- Зарегистрирован: 11 окт 2012, 16:26
- Репутация: 683
- Настоящее имя: Виктор
- Откуда: Санкт-Петербург
- Контактная информация:
Re: Нужна консультация по плазменной резке
лазер на замену плазме будет ещё дороже, но под ваши требования катит только он.Gozz писал(а):мне вообще нужен координатно пробивной, на сколько мне известно крайне дорогое у довольствие:-(aftaev писал(а):Что то мне подсказывает что плазма вам не подойдет, нужен лазер
2 стола это широко практикуемая схема, посмотрите в промышленные лазерные раскройщики.
попробуйте сменить тех процесс. круглые отверстия сверлить на чпу столе, потом лист кроить на плазме.
на плазме большую часть времени занимает поджиг и переходные процессы, если обеспечить максимально непрерывный рез - скорость обработки возрастает очень сильно.
-
aftaev
- Зачётный участник

- Сообщения: 34042
- Зарегистрирован: 04 апр 2010, 19:22
- Репутация: 6194
- Откуда: Казахстан.
- Контактная информация:
Re: Нужна консультация по плазменной резке
Например вот эти штуки Re: установка ЧПУ на 6Т80Ш #118 мы резали на плазме из стали 1мм за смену примерно резалось около 1000 шт. Резали сразу по 3 листа 
Дилетанту сложные вещи кажутся очень простыми, и только профессионал понимает насколько сложна самая простая вещь
Кто хочет - ищет возможности, кто не хочет - ищет оправдание.
Найди работу по душе и тебе не придется работать.
Кто хочет - ищет возможности, кто не хочет - ищет оправдание.
Найди работу по душе и тебе не придется работать.
Re: Нужна консультация по плазменной резке
вариант рассматривался, неудачный станок (малое рабочее поле, очень низкая соосность инструмента что ведет к необходимости увлечения зазора на пробивных комплектах в следствии чего образуется такая заусенка с которой никакой грат не сравнится)aftaev писал(а):ОЦК0126Ф4 координатно пробивной пресс #1
https://www.avito.ru/ekaterinburg/oboru ... _144349942
детали нормально потом разъеденяються, или приходится отрывать друг от друга?aftaev писал(а): Резали сразу по 3 листа
Re: Нужна консультация по плазменной резке
aftaev писал(а):чертеж детали, допуски и скорее всего отобью желание на плазму
-
TAV
- Мастер
- Сообщения: 383
- Зарегистрирован: 08 авг 2013, 13:14
- Репутация: 117
- Настоящее имя: Антон
- Откуда: Иркутск
- Контактная информация:
Re: Нужна консультация по плазменной резке
Это точно не для плазмы, во внутренних углах будут радиусы
Если у вас не много разных деталей, то может проще штамп сделать.
Если у вас не много разных деталей, то может проще штамп сделать.
-
TAV
- Мастер
- Сообщения: 383
- Зарегистрирован: 08 авг 2013, 13:14
- Репутация: 117
- Настоящее имя: Антон
- Откуда: Иркутск
- Контактная информация:
Re: Нужна консультация по плазменной резке
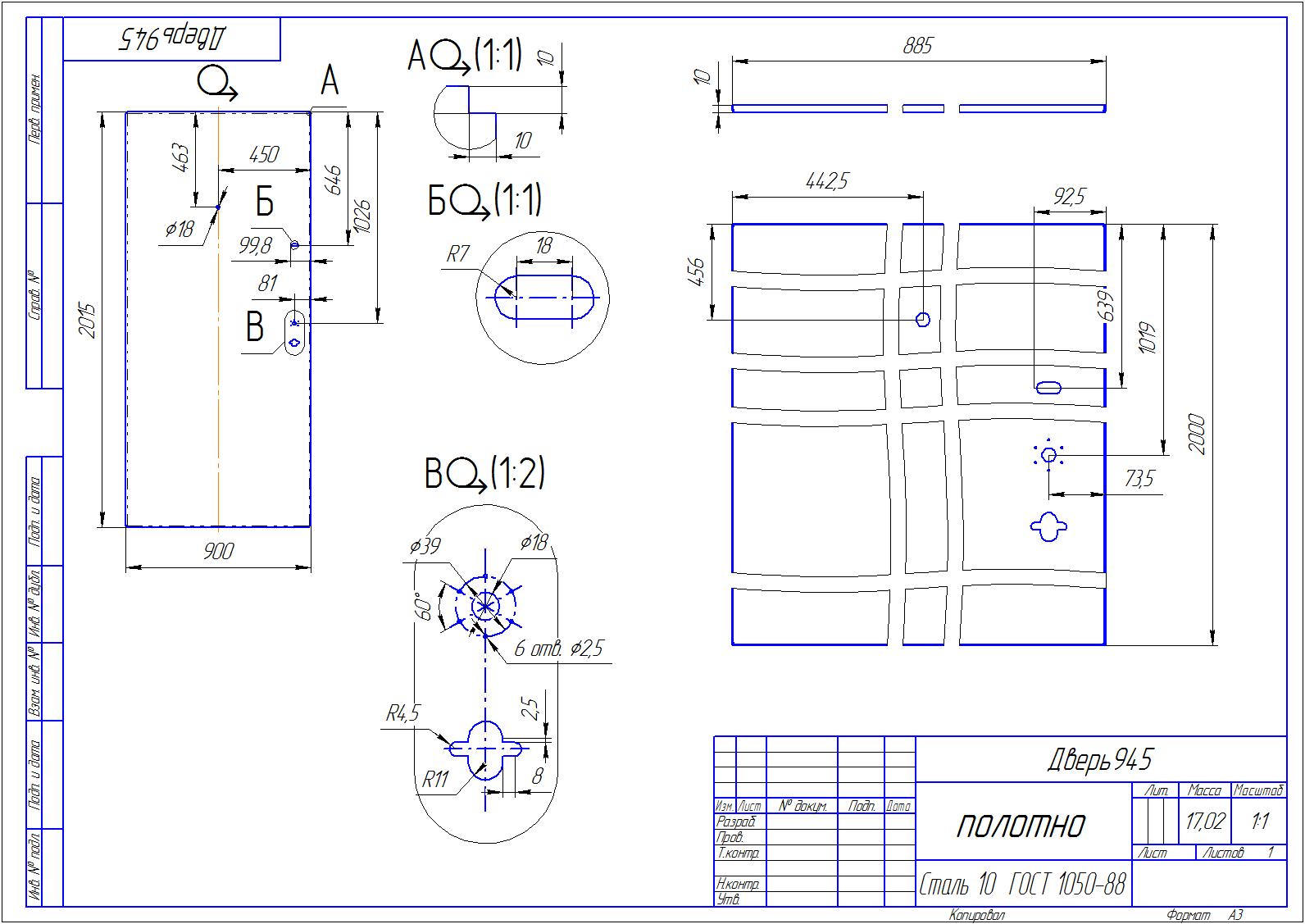
Блин сначала подумал что это детали замков
А это целая дверь ))))
Лазер желательно, плазмой не очень будет
А это целая дверь ))))
Лазер желательно, плазмой не очень будет
Re: Нужна консультация по плазменной резке
в том то и проблема что у меня уже этих штампов откидываться можно.TAV писал(а):Если у вас не много разных деталей, то может проще штамп сделать.
получается следующие захотел новый, замок сделай 3 штампа (30к рублей конструктору, 150к рублей инстументальщикам) вот поэтому и задумался
-
aftaev
- Зачётный участник

- Сообщения: 34042
- Зарегистрирован: 04 апр 2010, 19:22
- Репутация: 6194
- Откуда: Казахстан.
- Контактная информация:
Re: Нужна консультация по плазменной резке
откуды такие данные в живую видели работу?Gozz писал(а):вариант рассматривался, неудачный станок (малое рабочее поле, очень низкая соосность инструмента что ведет к необходимости увлечения зазора на пробивных комплектах в следствии чего образуется такая заусенка с которой никакой грат не сравнится)
слегка отрыватьGozz писал(а):детали нормально потом разъеденяються, или приходится отрывать друг от друга?
лазер такие отверстия тоже может не взять, у него тож пробивка естьTAV писал(а):Лазер желательно, плазмой не очень будет
Дилетанту сложные вещи кажутся очень простыми, и только профессионал понимает насколько сложна самая простая вещь
Кто хочет - ищет возможности, кто не хочет - ищет оправдание.
Найди работу по душе и тебе не придется работать.
Кто хочет - ищет возможности, кто не хочет - ищет оправдание.
Найди работу по душе и тебе не придется работать.
Re: Нужна консультация по плазменной резке
да видел в живую, люди эксплуатируют.aftaev писал(а):откуды такие данные в живую видели работу?
причем станок восстановлен на заводе изготовители: новые сервы, новые мозги, а качество деталей хромает. Но людей устраивает: простата обслуживания, ремонтопрегодность и производитель в росси)))
- scout
- Опытный
- Сообщения: 114
- Зарегистрирован: 11 янв 2010, 00:52
- Репутация: 11
- Откуда: Протвино
- Контактная информация:
Re: Нужна консультация по плазменной резке
Мысль реализовать производство дверей с применением плазмы правильная. Есть ньюансы.Gozz писал(а):Доброго времени суток.
У меня есть задача раскраивать сталь 08пс(черная халоднокатанная) толщиной от 1мм до 2мм, со скорость от 10 м/мин. минимальный диаметр отверстий 2,5мм.
Есть мысль реализовать это с помощью плазмы.
Из имеющегося: неплохой опыт в изготовлении координатных столов и источник высококачественного воздуха (компрессорная станция с влагомасло отделителем рефрежераторного типа) как я понял качество воздуха важно для плазмы.
Подскажите пожалуйста:
1.Как подобрать источник плазмы (какие параметры необходимы, другие толщины резать неабезательно)
2.Как реализуется контактный поджиг (просмотрев форум я понял что с вч поджигом очень много проблем)
3.Реализовывал ли кто нибудь смену столов (хочется увеличить производительность снижением времени загрузки выгрузки)
Из опыта производства (на котором наши станки работают) дверей "в размер"
- Отверстие 2.5 - условно можно - для отверстий под крепеж напроход.
- Скорость резки, как я понимаю, рассчитана из необходимого тиража в день. Нужно учесть что время на дуге занимает в среднем от 30 до 60% времени раскроя - зависит от размера и конфигурации деталей.
2. Контактный, здесь имеется ввиду контактный пневмоподжиг с подвижным электродом - реализован в Powermax-ах.
3. Челночный стол не даст какого либо серьезного прироста производительности, время на выгрузку деталей - загрузку листа составляет, ну 2-3 минуты, его имеет смысл делать только если очень хочется. А еще можно кернить а потом сверлить: В приведенных чертежах плазмой, кроме отверстий Ø2.5 мм (нужно понимать для чего они), реализуемо абсолютно все.
Re: Нужна консультация по плазменной резке
Нужно брать источник серии HPR130 с автоматической подачей газа, только тогда отверстия получатся качественными, учитывая диаметр отверстий и толщину металла. Так же необходима хорошая механика и чпу.
-
mr.mekurenkov
- Новичок
- Сообщения: 1
- Зарегистрирован: 20 июн 2015, 11:01
- Репутация: 0
- Настоящее имя: Михаил
- Контактная информация:
Re: Нужна консультация по плазменной резке
Добрый день, подскажите пожалуйста, как на плазме менять место врезки. Режем фигурную плитку из латуни толщиной 5мм, остаются следы врезки по краям, как сделать так что бы врезка начиналась с середины вырезаемого элемента? Работаю на плазме 2дня, ни как разобраться не могу... заранее спасибо)
-
aftaev
- Зачётный участник

- Сообщения: 34042
- Зарегистрирован: 04 апр 2010, 19:22
- Репутация: 6194
- Откуда: Казахстан.
- Контактная информация:
Re: Нужна консультация по плазменной резке
Это задается в САМ программе
Дилетанту сложные вещи кажутся очень простыми, и только профессионал понимает насколько сложна самая простая вещь
Кто хочет - ищет возможности, кто не хочет - ищет оправдание.
Найди работу по душе и тебе не придется работать.
Кто хочет - ищет возможности, кто не хочет - ищет оправдание.
Найди работу по душе и тебе не придется работать.
-
mikle
- Мастер
- Сообщения: 376
- Зарегистрирован: 24 май 2015, 10:13
- Репутация: 24
- Настоящее имя: Михаил
- Откуда: Иркутск
- Контактная информация:
Re: Нужна консультация по плазменной резке
расскажите пожалуйста про одновременную резку нескольких листов, просто не приходила такая мысль. свариваться вроде будут. или если неплотно прилегают друг к другу. Режимы резки - просто на кратное к-во листов толщина? Отрицательные стороны сего метода?aftaev писал(а):Резали сразу по 3 листа
-
mikle
- Мастер
- Сообщения: 376
- Зарегистрирован: 24 май 2015, 10:13
- Репутация: 24
- Настоящее имя: Михаил
- Откуда: Иркутск
- Контактная информация:
Re: Нужна консультация по плазменной резке
конкретно про ваше оборудование - это когда задаете программу резки в шиткаме - нажимаете вкладку "обработка" - затем в выпавшем меню -плазменный рез. затем в открывшейся вкладке выбираете слой и указываете со смещением внутрь. внизу выбирайте - заход по дуге и 3-4 мм заход. у вас вроде все резы внутренние. кроме того что вокруг. там смещение наружу и наоборот. компенсации реза смотрите в документации на плазмуmr.mekurenkov писал(а):Добрый день, подскажите пожалуйста, как на плазме менять место врезки. Режем фигурную плитку из латуни толщиной 5мм, остаются следы врезки по краям, как сделать так что бы врезка начиналась с середины вырезаемого элемента? Работаю на плазме 2дня, ни как разобраться не могу... заранее спасибо)