какой выбрать кабель для ШД?

Контроллеры, драйверы, датчики, управляющие устройства.
Аватара пользователя
Predator
Мастер
Сообщения: 9583
Зарегистрирован: 18 июл 2013, 18:26
Репутация: 2531
Контактная информация:

Re: какой выбрать кабель для ШД?

Сообщение Predator »

Ворон226 писал(а):может кто-то находил фирму, которая лифтовые кабеля продает?
Например вот
ХОЧУВСЁЗНАТЬ
Опытный
Сообщения: 122
Зарегистрирован: 13 авг 2014, 17:51
Репутация: 5
Настоящее имя: Алексей
Откуда: Армавир.Краснодарский край.
Контактная информация:

Re: какой выбрать кабель для ШД?

Сообщение ХОЧУВСЁЗНАТЬ »

michael-yurov писал(а):
UAVpilot писал(а):Вообще-то форма импульсов там прямоугольная, а э то значит что там присутствует не только основная частота, но и нечётные гармоники...
Это на низких скоростях она прямоугольная (трапецеидальная). В этом случае речь о десятках герц.
а на максимальных скоростях форма сигнала уже получается пилообразная, т.к. драйвер не способен мгновенно изменять ток.
Так что там уровень этих гармоник очень низкий.
Разум и наука-продукты человечества!
ХОЧУВСЁЗНАТЬ
Опытный
Сообщения: 122
Зарегистрирован: 13 авг 2014, 17:51
Репутация: 5
Настоящее имя: Алексей
Откуда: Армавир.Краснодарский край.
Контактная информация:

Re: какой выбрать кабель для ШД?

Сообщение ХОЧУВСЁЗНАТЬ »

michael-yurov писал(а):
(для просмотра содержимого нажмите на ссылку)
UAVpilot писал(а):Специально для любителей забивать штыри в планету: я не про заземление.
ziemia jest jak co.jpg (4895 просмотров) <a class='original' href='./download/file.php?id=38397&mode=view' target=_blank>Загрузить оригинал (22.21 КБ)</a>
Разум и наука-продукты человечества!
Аватара пользователя
AndyBig
Мастер
Сообщения: 3971
Зарегистрирован: 07 мар 2014, 04:01
Репутация: 1121
Откуда: юг России
Контактная информация:

Re: какой выбрать кабель для ШД?

Сообщение AndyBig »

В какую тему с новыми сообщениями не зайду - ХОЧУВСЁЗНАТЬ кого-то молча цитирует :) Цитатный спам на форуме :)
Аватара пользователя
michael-yurov
Почётный участник
Почётный участник
Сообщения: 11731
Зарегистрирован: 26 июл 2012, 00:10
Репутация: 4703
Настоящее имя: Михаил Львович
Откуда: Новоуральск
Контактная информация:

Re: какой выбрать кабель для ШД?

Сообщение michael-yurov »

AndyBig писал(а):В какую тему с новыми сообщениями не зайду - ХОЧУВСЁЗНАТЬ кого-то молча цитирует :) Цитатный спам на форуме :)
Да, что-то странное происходит.
Может с телефона не получается сообщение отправить?
Аватара пользователя
Predator
Мастер
Сообщения: 9583
Зарегистрирован: 18 июл 2013, 18:26
Репутация: 2531
Контактная информация:

Re: какой выбрать кабель для ШД?

Сообщение Predator »

AndyBig писал(а):В какую тему с новыми сообщениями не зайду - ХОЧУВСЁЗНАТЬ кого-то молча цитирует :) Цитатный спам на форуме :)
Тоже заметил такую тенденцию :wik:
ХОЧУВСЁЗНАТЬ
Опытный
Сообщения: 122
Зарегистрирован: 13 авг 2014, 17:51
Репутация: 5
Настоящее имя: Алексей
Откуда: Армавир.Краснодарский край.
Контактная информация:

Re: какой выбрать кабель для ШД?

Сообщение ХОЧУВСЁЗНАТЬ »

это я интересные темы добавляю в (Ваши сообщения) что бы под рукой были.как то так
Разум и наука-продукты человечества!
Аватара пользователя
Predator
Мастер
Сообщения: 9583
Зарегистрирован: 18 июл 2013, 18:26
Репутация: 2531
Контактная информация:

Re: какой выбрать кабель для ШД?

Сообщение Predator »

ХОЧУВСЁЗНАТЬ писал(а):это я интересные темы добавляю в (Ваши сообщения) что бы под рукой были
По-другому, это называется - флуд! Как-то так...
ХОЧУВСЁЗНАТЬ
Опытный
Сообщения: 122
Зарегистрирован: 13 авг 2014, 17:51
Репутация: 5
Настоящее имя: Алексей
Откуда: Армавир.Краснодарский край.
Контактная информация:

Re: какой выбрать кабель для ШД?

Сообщение ХОЧУВСЁЗНАТЬ »

я не забиваю ваше интернет пространство мусором
Разум и наука-продукты человечества!
Аватара пользователя
Predator
Мастер
Сообщения: 9583
Зарегистрирован: 18 июл 2013, 18:26
Репутация: 2531
Контактная информация:

Re: какой выбрать кабель для ШД?

Сообщение Predator »

ХОЧУВСЁЗНАТЬ писал(а):я не забиваю ваше интернет пространство мусором
Это уже — радует! :)
Аватара пользователя
T72
Опытный
Сообщения: 167
Зарегистрирован: 27 апр 2015, 12:58
Репутация: 12
Настоящее имя: Алексей
Контактная информация:

Re: какой выбрать кабель для ШД?

Сообщение T72 »

Вопрос на засыпку! Экранированные кабели к ШД - необходимы, чтобы защитить их от взаимных наводок, или чтобы исключить их влияние на слаботочные сигнальные провода от тех же концевых выключателей?

Была мысль соединить блок управления со станком двумя хвостами - в одном вся слаботочка через единый разъём, в другом все 16 проводов (с запасом на четвёртую ось) к шаговым двгателям, так же через единый разъём. Индивидуального экранирования в таком случае уже не получится.
mikle
Мастер
Сообщения: 376
Зарегистрирован: 24 май 2015, 10:13
Репутация: 24
Настоящее имя: Михаил
Откуда: Иркутск
Контактная информация:

Re: какой выбрать кабель для ШД?

Сообщение mikle »

вроде как витые пары к шаговикам - и все нормально
Meg@VaD
Новичок
Сообщения: 24
Зарегистрирован: 14 июн 2015, 12:03
Репутация: 3
Настоящее имя: Вадик
Откуда: Бор
Контактная информация:

Re: какой выбрать кабель для ШД?

Сообщение Meg@VaD »

T72 писал(а):Вопрос на засыпку! Экранированные кабели к ШД - необходимы, чтобы защитить их от взаимных наводок, или чтобы исключить их влияние на слаботочные сигнальные провода от тех же концевых выключателей?

Была мысль соединить блок управления со станком двумя хвостами - в одном вся слаботочка через единый разъём, в другом все 16 проводов (с запасом на четвёртую ось) к шаговым двгателям, так же через единый разъём. Индивидуального экранирования в таком случае уже не получится.
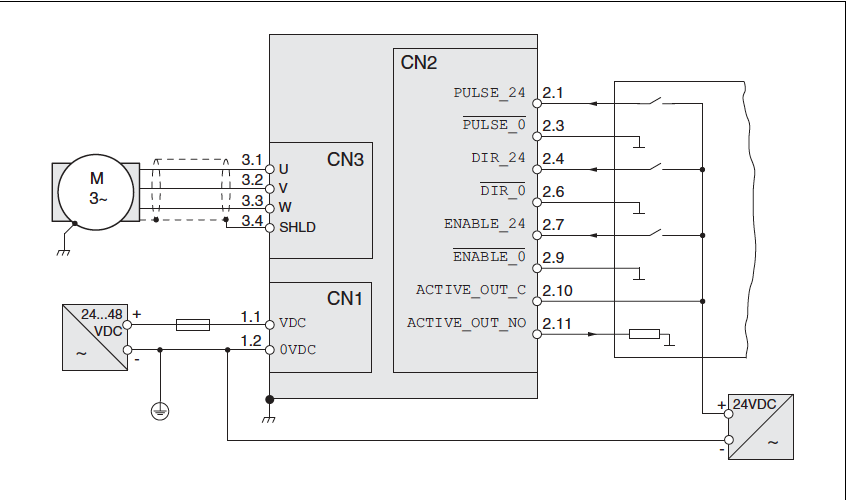
Для чего бы ни было - экран нужОн. Вот от дойче инженерен картинка - один кабель - один экран (картинка взята из документа, возможно - он окажется полезным в данной теме, приложу и его на всякий случай к сообщению). Иногда от шкафов идут обычные кабеля до распред. коробок, на коробке разъём типа [гуглим "industrial connector", смотрим картинки], от коробки уже Flex кабель до мотора. Каждый энкодер, тахо, сила - в своём кабеле, в своём разъёме. Сигнальные 24V могут идти по многожильному.
Вложения
Снимок экрана 2015-06-15 в 22.21.52.png (4478 просмотров) <a class='original' href='./download/file.php?id=52355&mode=view' target=_blank>Загрузить оригинал (55.42 КБ)</a>
Catalogue_SD3.pdf
(2.54 МБ) 1305 скачиваний
Аватара пользователя
AndyBig
Мастер
Сообщения: 3971
Зарегистрирован: 07 мар 2014, 04:01
Репутация: 1121
Откуда: юг России
Контактная информация:

Re: какой выбрать кабель для ШД?

Сообщение AndyBig »

T72 писал(а):чтобы защитить их от взаимных наводок, или чтобы исключить их влияние на слаботочные сигнальные провода
Скорее для второго, чем для первого :)
Аватара пользователя
lexalex83
Мастер
Сообщения: 211
Зарегистрирован: 17 июн 2013, 08:34
Репутация: 7
Контактная информация:

Re: какой выбрать кабель для ШД?

Сообщение lexalex83 »

как правильно заделывать экранированный кабель? и надо ли все экраны замыкать вместе и заземлять?
Аватара пользователя
T72
Опытный
Сообщения: 167
Зарегистрирован: 27 апр 2015, 12:58
Репутация: 12
Настоящее имя: Алексей
Контактная информация:

Re: какой выбрать кабель для ШД?

Сообщение T72 »

В итоге заказал Lapp Kabel, все экранированные. Кабели классные, но, конечно, очень дорого и очень долго. Отрезают сколько надо, хоть метр. Каталогов каких-то понаприслали, брелок с дурацким красным фонариком.
Несколько "скрашивает горечь утраты" то, что всвязи с последним ростом курса Евро обошлись бы они ещё на 3 тыр дороже. :hehehe:

Почти четыре килограмма удовольствия:
Lapp Kabel.JPG (4265 просмотров) <a class='original' href='./download/file.php?id=56408&mode=view' target=_blank>Загрузить оригинал (520.37 КБ)</a>
Аватара пользователя
alexg-nn
Мастер
Сообщения: 793
Зарегистрирован: 08 фев 2015, 12:45
Репутация: 127
Настоящее имя: Алексей
Откуда: Нижний Новгород
Контактная информация:

Re: какой выбрать кабель для ШД?

Сообщение alexg-nn »

T72 писал(а):очень дорого
А почём вышло эти 4 кг?
Аватара пользователя
T72
Опытный
Сообщения: 167
Зарегистрирован: 27 апр 2015, 12:58
Репутация: 12
Настоящее имя: Алексей
Контактная информация:

Re: какой выбрать кабель для ШД?

Сообщение T72 »

Около 230 евро или 14530р за 29 метров. Это с небольшим запасом. Доставка до двери в стоимости. Так на моторы кабель 4G1 стоил 440 рублей метр, на шпиндель 4G1.5 710 рублей, на концевики 260 рублей.

В целом самарцы порадовали. Чувствуется серьезный подход. Ладно каталогов наслали - изначально менеджер звонил, сказал, что будет в командировке в Москве скоро, хотел передать их лично, а заодно и пообщаться на кабельную тему. :hehehe:
Аватара пользователя
xvovanx
Мастер
Сообщения: 3776
Зарегистрирован: 25 фев 2016, 12:27
Репутация: 920
Настоящее имя: Владимир
Откуда: Latvia
Контактная информация:

Re: какой выбрать кабель для ШД?

Сообщение xvovanx »

Добрый вечер, Коллеги.
Доделываю станочек и возник вопрос по точке заземления экранированных кабелей. То, что заземлять нужно в одной точке на выходе - это ясная истина. Но как быть в такой ситуации: все кабеля станка экранированные и на шаговики и на концевики и на шпиндель и на вентиляторы обдува. В "ящике" ЧПУ стоит USB контроллер, для него БП на 5В, БП на 24В на шаговики, БП на 12В на охлаждение, БП на 0-48В на шпиндель и три драйвера. На что заземлять экраны? На корпус контроллера и компа? На минус БП 24В? Или на корпус БП шпинделя? Или соединить минусы всех БП вместе и заземлить в этой точке? Но как-то не хочется минус шпинделя с корпусом контроллера соединять, чтоб помехи шпинделя всюду лезли. Может разные экраны к разным местам подключить: экраны шаговиков - к корпусам драйверов, экраны концевиков - к контроллеру, а экраны шпинделя и пропеллеров - с корпусам своих БП? Кто как подлючает, поделитесь идеями?
bawero
Опытный
Сообщения: 153
Зарегистрирован: 20 дек 2015, 22:02
Репутация: 23
Откуда: BY
Контактная информация:

Re: какой выбрать кабель для ШД?

Сообщение bawero »

xvovanx писал(а):Добрый вечер, Коллеги.
Доделываю станочек и возник вопрос по точке заземления экранированных кабелей. То, что заземлять нужно в одной точке на выходе - это ясная истина. Но как быть в такой ситуации: все кабеля станка экранированные и на шаговики и на концевики и на шпиндель и на вентиляторы обдува. В "ящике" ЧПУ стоит USB контроллер, для него БП на 5В, БП на 24В на шаговики, БП на 12В на охлаждение, БП на 0-48В на шпиндель и три драйвера. На что заземлять экраны? На корпус контроллера и компа? На минус БП 24В? Или на корпус БП шпинделя? Или соединить минусы всех БП вместе и заземлить в этой точке? Но как-то не хочется минус шпинделя с корпусом контроллера соединять, чтоб помехи шпинделя всюду лезли. Может разные экраны к разным местам подключить: экраны шаговиков - к корпусам драйверов, экраны концевиков - к контроллеру, а экраны шпинделя и пропеллеров - с корпусам своих БП? Кто как подлючает, поделитесь идеями?
Все экраны от кабелей заземлять с одного конца. Я подпаивал на экран кусок провода для удобства. Никакие минуса от БП на землю "кидать" и наоборот не нужно. У нормального БП есть клемма заземления. Минуса БП просто можно скрутить вместе , но никуда не заземлять. Все концы "земли" собрать в одной точке, можно вырезать медную пластину и по кругу насверлить отверстий и к ним прикрутить все концы. А от самой пластины толстым медным проводом на шину. Ещё желательно соединить проводом корпус ПК и ящик с электроникой. Ну и корпус станка на шину.
Ответить

Вернуться в «Электроника»