Знатокам схемотехники (необходим совет)
-
Driver
- Новичок
- Сообщения: 1
- Зарегистрирован: 11 дек 2014, 23:42
- Репутация: 0
- Настоящее имя: Владимирович
- Контактная информация:
Знатокам схемотехники (необходим совет)
Есть шаговые двигателя с мед. оборудования, имеются комплектные драйвера и схема для них. Нужен совет по подключению и возможно ли вообще их подключить ?
------- 
- megagad
- Почётный участник

- Сообщения: 3207
- Зарегистрирован: 05 апр 2014, 18:57
- Репутация: 712
- Откуда: Реуспублика Крым, Бахчисарай.
- Контактная информация:
Re: Знатокам схемотехники (необходим совет)
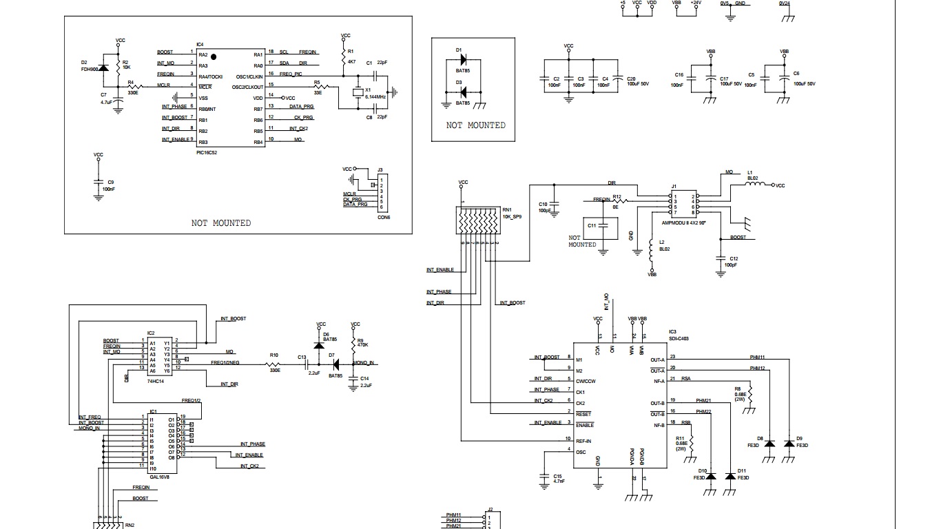
Возможно, хоть схема и "раскидана" - вам нужен только кусок справа внизу. Там показана микруха sdi-c403 - она-же TA8435H - думаю после этого вы поймёте как и что делать с драйверами 
We Do What We Must, Because We Can!
Причинять добро, наносить пользу и подвергать ласке.
Причинять добро, наносить пользу и подвергать ласке.