Бюджетный ЧПУ 1150х660мм с пос. модернизацией до 2250х1650

Фрезерные и гравировальные станки для обработки мягких материалов (дерево, пластики, мягкие металлы).
Аватара пользователя
michael-yurov
Почётный участник
Почётный участник
Сообщения: 11731
Зарегистрирован: 26 июл 2012, 00:10
Репутация: 4703
Настоящее имя: Михаил Львович
Откуда: Новоуральск
Контактная информация:

Re: Бюджетный ЧПУ 1150х660мм с пос. модернизацией до 2250х16

Сообщение michael-yurov »

crazydnb писал(а):ну не с землей а с минусом блока питания, думаю что минус БП датчиков должен быть связан с минусом питания платы развязки.
Вот этого точно делать не стоит, а то после этого появляются вопросы - как что заземлить и экранировать, чтобы избавиться от помех.
Аватара пользователя
crazydnb
Опытный
Сообщения: 164
Зарегистрирован: 01 май 2013, 16:59
Репутация: 100
Настоящее имя: Александр Гончаров
Откуда: Питер
Контактная информация:

Re: Бюджетный ЧПУ 1150х660мм с пос. модернизацией до 2250х16

Сообщение crazydnb »

michael-yurov писал(а):
crazydnb писал(а):ну не с землей а с минусом блока питания, думаю что минус БП датчиков должен быть связан с минусом питания платы развязки.
Вот этого точно делать не стоит, а то после этого появляются вопросы - как что заземлить и экранировать, чтобы избавиться от помех.
ну мои скудные познания в электронике мне говорят :) что если есть два устройства которые обмениваются данными то они должны быть связаны минусом и проводом по которому идет связь, вообщем спорить не буду по теме в которой не особо разбираюсь :)
Аватара пользователя
michael-yurov
Почётный участник
Почётный участник
Сообщения: 11731
Зарегистрирован: 26 июл 2012, 00:10
Репутация: 4703
Настоящее имя: Михаил Львович
Откуда: Новоуральск
Контактная информация:

Re: Бюджетный ЧПУ 1150х660мм с пос. модернизацией до 2250х16

Сообщение michael-yurov »

crazydnb писал(а):ну мои скудные познания в электронике мне говорят что если есть два устройства которые обмениваются данными то они должны быть связаны минусом и проводом по которому идет связь, вообщем спорить не буду по теме в которой не особо разбираюсь
Там есть ноль на разъеме для подключения датчиков - к нему и нужно минус питания датчиков подключить.
Для того оптопары и стоят на входах, чтобы не было электрической связи между входами и остальной платой.
Аватара пользователя
master_70
Мастер
Сообщения: 1935
Зарегистрирован: 30 ноя 2010, 22:52
Репутация: 317
Настоящее имя: Сергей Викторович
Откуда: Московская_обл
Контактная информация:

Re: Бюджетный ЧПУ 1150х660мм с пос. модернизацией до 2250х16

Сообщение master_70 »

а теперь исправте меня!
подключение датчиков2.png (4991 просмотр) <a class='original' href='./download/file.php?id=31046&mode=view' target=_blank>Загрузить оригинал (723.96 КБ)</a>
Кайт клуб "Za Vetrom" г. Киров
тел. 8 953 678 19 59 Сергей; Skype: zavetrom.ru
ICQ: 248622151 mail: master_70@mail.ru
http://www.zavetrom.ru
Аватара пользователя
michael-yurov
Почётный участник
Почётный участник
Сообщения: 11731
Зарегистрирован: 26 июл 2012, 00:10
Репутация: 4703
Настоящее имя: Михаил Львович
Откуда: Новоуральск
Контактная информация:

Re: Бюджетный ЧПУ 1150х660мм с пос. модернизацией до 2250х16

Сообщение michael-yurov »

master_70 писал(а):а теперь исправте меня!
Если вопрос ко мне - то, полагаю, нужно использовать два отдельных блока питания. Один для блока входов, а второй для всего остального.
И вот этой связи, что сверху платы красный и коричневый провод - не должно быть.
Аватара пользователя
master_70
Мастер
Сообщения: 1935
Зарегистрирован: 30 ноя 2010, 22:52
Репутация: 317
Настоящее имя: Сергей Викторович
Откуда: Московская_обл
Контактная информация:

Re: Бюджетный ЧПУ 1150х660мм с пос. модернизацией до 2250х16

Сообщение master_70 »

michael-yurov писал(а):
master_70 писал(а):а теперь исправте меня!
Если вопрос ко мне - то, полагаю, нужно использовать два отдельных блока питания. Один для блока входов, а второй для всего остального.
И вот этой связи, что сверху платы красный и коричневый провод - не должно быть.
да не проблемма, хоть три источника .
помогите развести контакты датчиков
Кайт клуб "Za Vetrom" г. Киров
тел. 8 953 678 19 59 Сергей; Skype: zavetrom.ru
ICQ: 248622151 mail: master_70@mail.ru
http://www.zavetrom.ru
Аватара пользователя
master_70
Мастер
Сообщения: 1935
Зарегистрирован: 30 ноя 2010, 22:52
Репутация: 317
Настоящее имя: Сергей Викторович
Откуда: Московская_обл
Контактная информация:

Re: Бюджетный ЧПУ 1150х660мм с пос. модернизацией до 2250х16

Сообщение master_70 »

вопросик . что будет если не правельно подключу датчик(и)??? чотнить перегорит или выйдет из строя???
у меня нет пробных попыток чтоб чтото спалитьи заменить. . прошу помощи кто знает и делал развести концевики .
подключение датчиков2.png (4948 просмотров) <a class='original' href='./download/file.php?id=31083&mode=view' target=_blank>Загрузить оригинал (805.13 КБ)</a>
Кайт клуб "Za Vetrom" г. Киров
тел. 8 953 678 19 59 Сергей; Skype: zavetrom.ru
ICQ: 248622151 mail: master_70@mail.ru
http://www.zavetrom.ru
Аватара пользователя
master_70
Мастер
Сообщения: 1935
Зарегистрирован: 30 ноя 2010, 22:52
Репутация: 317
Настоящее имя: Сергей Викторович
Откуда: Московская_обл
Контактная информация:

Re: Бюджетный ЧПУ 1150х660мм с пос. модернизацией до 2250х16

Сообщение master_70 »

вобщем вот пока что смог сделать с помощью Сергея (sergey27rus)
проверил работы на столе то и нарисовал
только вопрос к Е-СТОП как его и куда воткнуть
пока нарисовал так .. будем думать
Схема разводки1 1920.jpg (4906 просмотров) <a class='original' href='./download/file.php?id=31113&mode=view' target=_blank>Загрузить оригинал (790.07 КБ)</a>
Кайт клуб "Za Vetrom" г. Киров
тел. 8 953 678 19 59 Сергей; Skype: zavetrom.ru
ICQ: 248622151 mail: master_70@mail.ru
http://www.zavetrom.ru
Аватара пользователя
master_70
Мастер
Сообщения: 1935
Зарегистрирован: 30 ноя 2010, 22:52
Репутация: 317
Настоящее имя: Сергей Викторович
Откуда: Московская_обл
Контактная информация:

Re: Бюджетный ЧПУ 1150х660мм с пос. модернизацией до 2250х16

Сообщение master_70 »

еще доработал схему
Схема разводки2 1920.jpg (4852 просмотра) <a class='original' href='./download/file.php?id=31154&mode=view' target=_blank>Загрузить оригинал (922.54 КБ)</a>
Кайт клуб "Za Vetrom" г. Киров
тел. 8 953 678 19 59 Сергей; Skype: zavetrom.ru
ICQ: 248622151 mail: master_70@mail.ru
http://www.zavetrom.ru
Аватара пользователя
master_70
Мастер
Сообщения: 1935
Зарегистрирован: 30 ноя 2010, 22:52
Репутация: 317
Настоящее имя: Сергей Викторович
Откуда: Московская_обл
Контактная информация:

Re: Бюджетный ЧПУ 1150х660мм с пос. модернизацией до 2250х16

Сообщение master_70 »

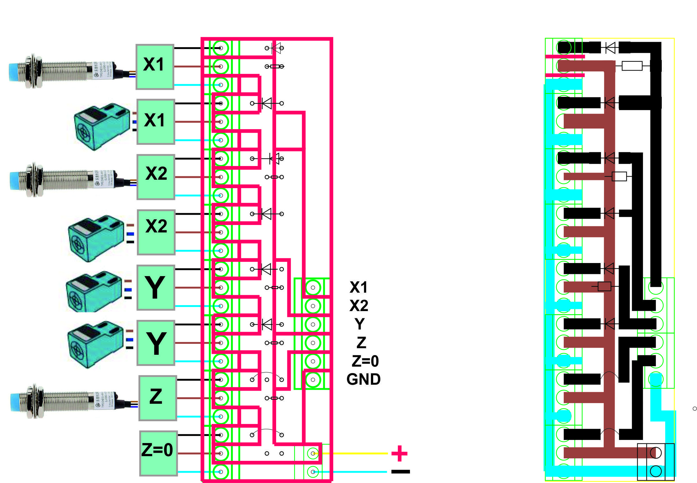
вот нарисовал сегодня кросплатку для разводки датчиков , что бы не матать датчики в один пучек скрутки.

кросплата-1 вектор резки.jpg (4782 просмотра) <a class='original' href='./download/file.php?id=31176&mode=view' target=_blank>Загрузить оригинал (790.9 КБ)</a>
Кайт клуб "Za Vetrom" г. Киров
тел. 8 953 678 19 59 Сергей; Skype: zavetrom.ru
ICQ: 248622151 mail: master_70@mail.ru
http://www.zavetrom.ru
Lsagan
Кандидат
Сообщения: 77
Зарегистрирован: 10 окт 2013, 09:27
Репутация: 30
Откуда: Калининград
Контактная информация:

Re: Бюджетный ЧПУ 1150х660мм с пос. модернизацией до 2250х16

Сообщение Lsagan »

А я свою вот так развел, правда у меня датчики PNP NC. Завтра на работе дорисую чтобы понятно было куда датчики и где питание.
PNP_NC.jpg (4723 просмотра) <a class='original' href='./download/file.php?id=31255&mode=view' target=_blank>Загрузить оригинал (538.75 КБ)</a>
дорисовал, попробую сегодня вырезать
PNPNC.jpg (4696 просмотров) <a class='original' href='./download/file.php?id=31264&mode=view' target=_blank>Загрузить оригинал (2.53 МБ)</a>
Аватара пользователя
master_70
Мастер
Сообщения: 1935
Зарегистрирован: 30 ноя 2010, 22:52
Репутация: 317
Настоящее имя: Сергей Викторович
Откуда: Московская_обл
Контактная информация:

Re: Бюджетный ЧПУ 1150х660мм с пос. модернизацией до 2250х16

Сообщение master_70 »

Lsagan писал(а):А я свою вот так развел, правда у меня датчики PNP NC. Завтра на работе дорисую чтобы понятно было куда датчики и где питание.
Вложение PNP_NC.jpg больше недоступно
вот по цветам проводов раскрасил.
и решил простосделать прорези на плате.
кросплата-1 вектор резки3.jpg (4696 просмотров) <a class='original' href='./download/file.php?id=31265&mode=view' target=_blank>Загрузить оригинал (1.94 МБ)</a>
Кайт клуб "Za Vetrom" г. Киров
тел. 8 953 678 19 59 Сергей; Skype: zavetrom.ru
ICQ: 248622151 mail: master_70@mail.ru
http://www.zavetrom.ru
Аватара пользователя
master_70
Мастер
Сообщения: 1935
Зарегистрирован: 30 ноя 2010, 22:52
Репутация: 317
Настоящее имя: Сергей Викторович
Откуда: Московская_обл
Контактная информация:

Re: Бюджетный ЧПУ 1150х660мм с пос. модернизацией до 2250х16

Сообщение master_70 »

Lsagan писал(а):А я свою вот так развел, правда у меня датчики PNP NC. Завтра на работе дорисую чтобы понятно было куда датчики и где питание.
Вложение PNP_NC.jpg больше недоступно
дорисовал, попробую сегодня вырезать
Вложение PNPNC.jpg больше недоступно
а у тебя какя плата опторазвязки?

посмотрел на твою платку и вспомнил что естоп не впихал . вот сейчас исправил
кросплата-1 -estop вектор резки.jpg (4669 просмотров) <a class='original' href='./download/file.php?id=31270&mode=view' target=_blank>Загрузить оригинал (2.32 МБ)</a>
Последний раз редактировалось master_70 25 июл 2014, 12:23, всего редактировалось 1 раз.
Кайт клуб "Za Vetrom" г. Киров
тел. 8 953 678 19 59 Сергей; Skype: zavetrom.ru
ICQ: 248622151 mail: master_70@mail.ru
http://www.zavetrom.ru
Lsagan
Кандидат
Сообщения: 77
Зарегистрирован: 10 окт 2013, 09:27
Репутация: 30
Откуда: Калининград
Контактная информация:

Re: Бюджетный ЧПУ 1150х660мм с пос. модернизацией до 2250х16

Сообщение Lsagan »

PLC4x-G2 пока такая.
Аватара пользователя
master_70
Мастер
Сообщения: 1935
Зарегистрирован: 30 ноя 2010, 22:52
Репутация: 317
Настоящее имя: Сергей Викторович
Откуда: Московская_обл
Контактная информация:

Re: Бюджетный ЧПУ 1150х660мм с пос. модернизацией до 2250х16

Сообщение master_70 »

наконецто собрал .
IMG_20140726_134908.jpg (4614 просмотров) <a class='original' href='./download/file.php?id=31305&mode=view' target=_blank>Загрузить оригинал (162.88 КБ)</a>
IMG_20140726_134931.jpg (4614 просмотров) <a class='original' href='./download/file.php?id=31306&mode=view' target=_blank>Загрузить оригинал (165.04 КБ)</a>
IMG_20140726_143118.jpg (4614 просмотров) <a class='original' href='./download/file.php?id=31307&mode=view' target=_blank>Загрузить оригинал (177.82 КБ)</a>
IMG_20140726_143134.jpg (4614 просмотров) <a class='original' href='./download/file.php?id=31308&mode=view' target=_blank>Загрузить оригинал (185.98 КБ)</a>
Кайт клуб "Za Vetrom" г. Киров
тел. 8 953 678 19 59 Сергей; Skype: zavetrom.ru
ICQ: 248622151 mail: master_70@mail.ru
http://www.zavetrom.ru
Аватара пользователя
master_70
Мастер
Сообщения: 1935
Зарегистрирован: 30 ноя 2010, 22:52
Репутация: 317
Настоящее имя: Сергей Викторович
Откуда: Московская_обл
Контактная информация:

Re: Бюджетный ЧПУ 1150х660мм с пос. модернизацией до 2250х16

Сообщение master_70 »

прикрутил датчики .
IMG_20140726_154635.jpg (4598 просмотров) <a class='original' href='./download/file.php?id=31309&mode=view' target=_blank>Загрузить оригинал (284.66 КБ)</a>
Кайт клуб "Za Vetrom" г. Киров
тел. 8 953 678 19 59 Сергей; Skype: zavetrom.ru
ICQ: 248622151 mail: master_70@mail.ru
http://www.zavetrom.ru
Аватара пользователя
master_70
Мастер
Сообщения: 1935
Зарегистрирован: 30 ноя 2010, 22:52
Репутация: 317
Настоящее имя: Сергей Викторович
Откуда: Московская_обл
Контактная информация:

Re: Бюджетный ЧПУ 1150х660мм с пос. модернизацией до 2250х16

Сообщение master_70 »

вот тут вопросс возник ---------------------?
https://www.youtube.com/watch?v=jmcCulZwFF8
Кайт клуб "Za Vetrom" г. Киров
тел. 8 953 678 19 59 Сергей; Skype: zavetrom.ru
ICQ: 248622151 mail: master_70@mail.ru
http://www.zavetrom.ru
Аватара пользователя
master_70
Мастер
Сообщения: 1935
Зарегистрирован: 30 ноя 2010, 22:52
Репутация: 317
Настоящее имя: Сергей Викторович
Откуда: Московская_обл
Контактная информация:

Re: Бюджетный ЧПУ 1150х660мм с пос. модернизацией до 2250х16

Сообщение master_70 »

- пока разбираюсь с электронной частью станка и жду ответов, немного работаю на старом станке
вот что сегодня сделал. за одно показываю возможности бюджетного станка собраноого из ченго попало. :hehehe: :tongue: :rail: :controller: :stepper: :rasp: :spanner: :pliers: :eat:
IMG_20140728_131909.jpg (4487 просмотров) <a class='original' href='./download/file.php?id=31373&mode=view' target=_blank>Загрузить оригинал (166.83 КБ)</a>
IMG_20140728_181246.jpg (4487 просмотров) <a class='original' href='./download/file.php?id=31374&mode=view' target=_blank>Загрузить оригинал (215.62 КБ)</a>
IMG_20140728_181305.jpg (4487 просмотров) <a class='original' href='./download/file.php?id=31375&mode=view' target=_blank>Загрузить оригинал (195.33 КБ)</a>
IMG_20140728_181332.jpg (4487 просмотров) <a class='original' href='./download/file.php?id=31376&mode=view' target=_blank>Загрузить оригинал (209.82 КБ)</a>
IMG_20140728_181351.jpg (4487 просмотров) <a class='original' href='./download/file.php?id=31377&mode=view' target=_blank>Загрузить оригинал (147.95 КБ)</a>
Кайт клуб "Za Vetrom" г. Киров
тел. 8 953 678 19 59 Сергей; Skype: zavetrom.ru
ICQ: 248622151 mail: master_70@mail.ru
http://www.zavetrom.ru
Аватара пользователя
crazydnb
Опытный
Сообщения: 164
Зарегистрирован: 01 май 2013, 16:59
Репутация: 100
Настоящее имя: Александр Гончаров
Откуда: Питер
Контактная информация:

Re: Бюджетный ЧПУ 1150х660мм с пос. модернизацией до 2250х16

Сообщение crazydnb »

master_70 писал(а):вот тут вопросс возник ---------------------?
https://www.youtube.com/watch?v=jmcCulZwFF8
Попробуйте отредактируйте кнопку "принять базы".
пример...

RefCombination(9) едет одновременно X и A.

Вот что нашел в PDF'ке по програмированию mach. https://yadi.sk/i/pFkK4ntEY5YbC

RefCombination
Sub RefCombination(Axes As Integer)
This function allows any combination of axes to be simultaneously referenced (homed).
Which axes will be referenced is determined by the Axes argument, which is a bitmapped
variable, with the bits mapped as defined below.
Arguments:
Axes is a bit-mapped value the defines which axes are to be referenced. The
value of Axes can be calculated by adding the values corresponding to the
individual axes to be referenced. The axis values are:
X = 1
Y = 2
Z = 4
A = 8
B = 16
C = 32
So, for example, to reference the X, Z and B axes, Axes = 1 + 4 + 16 = 21.
Return Value:
None
Example:
‘ Define some constants
RefX = 1
RefY = 2
RefZ = 4
RefZ = 8
RefB = 16
RefC = 32
‘ Reference Y, Z and C axes
RefCombination(RefY + RefZ + RefC)
See also:
VerifyAxis(), SingleVerify(), SingleVerifyReport()
Аватара пользователя
master_70
Мастер
Сообщения: 1935
Зарегистрирован: 30 ноя 2010, 22:52
Репутация: 317
Настоящее имя: Сергей Викторович
Откуда: Московская_обл
Контактная информация:

Re: Бюджетный ЧПУ 1150х660мм с пос. модернизацией до 2250х16

Сообщение master_70 »

:thinking: :thinking: :thinking: :thinking: :thinking:


блин не че не понял , попереводил переводчиками .
((((RefCombination
Sub RefCombination (топоры As Integer)
Эта функция позволяет любая комбинация осей, которые будут одновременно ссылается (сетевыми).
Какие оси будут ссылаться определяется аргумента оси, которая является растровое
переменная, с битами, отображенных как определено ниже.
Аргументы:
Оси это значение битовый что определяет, какие оси должны ссылаться.
Значение осей можно рассчитать путем сложения значений, соответствующих
отдельных осей ссылаться. Значения осевые))))

как это и где применить в маче . попробывал попереводить переводчиком книгу в пдф ,ерунда кокаето получаетсЯ
можно как нить написат где как и что написать ??????????
Кайт клуб "Za Vetrom" г. Киров
тел. 8 953 678 19 59 Сергей; Skype: zavetrom.ru
ICQ: 248622151 mail: master_70@mail.ru
http://www.zavetrom.ru
Ответить

Вернуться в «Фрезерные станки по дереву и пластикам, гравировальные станки, роутеры»