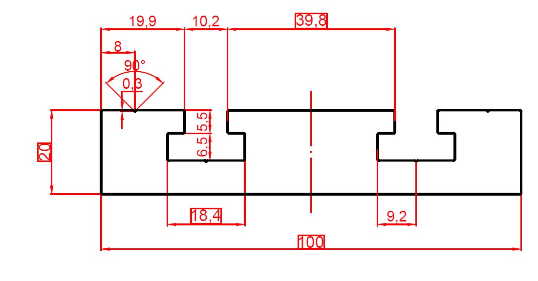
Какой вес 1 п.м.?stetz.anton писал(а):Есть у Росфрезера такой, на след. неделе поеду покупать. По цене 1500 за метр, ширина около 108ммfrezeryga писал(а):Интересует профиль типа такого как на картинке. Ширина 100 толщина 20 и Т пазы с одной стороны. Всякого пустотелого говна полно везде а нормального крепкого профиля поискать надо.
Качественный профиль для стола (очень недорого)
Правила форума
Разрешается публиковать предложения по покупке/продаже как физическим лицам так и коммерческим организациям, при соблюдении следующих условий:
1. должны присутствовать характеристики товаров
2. должна присутствовать стоимость товара
3. должно присутствовать описание способов оплаты и доставки
4. один продавец - одна тема
Фотографии товаров приветствуются (фотографии должны быть вложениями к сообщениям).
Возможно размещение ссылки на свой сайт, с описанием товара, при обязательном соблюдении пунктов 1-3!
При несоблюдении правил тема перемещается в Карантин, откуда автоматически удаляется через 2 дня!
Администрация форума может удалить тему или сообщения из данного раздела на свое усмотрение, без объяснения причин!
Разрешается публиковать предложения по покупке/продаже как физическим лицам так и коммерческим организациям, при соблюдении следующих условий:
1. должны присутствовать характеристики товаров
2. должна присутствовать стоимость товара
3. должно присутствовать описание способов оплаты и доставки
4. один продавец - одна тема
Фотографии товаров приветствуются (фотографии должны быть вложениями к сообщениям).
Возможно размещение ссылки на свой сайт, с описанием товара, при обязательном соблюдении пунктов 1-3!
При несоблюдении правил тема перемещается в Карантин, откуда автоматически удаляется через 2 дня!
Администрация форума может удалить тему или сообщения из данного раздела на свое усмотрение, без объяснения причин!
-
menny1112
- Опытный
- Сообщения: 119
- Зарегистрирован: 06 фев 2017, 19:46
- Репутация: 32
- Настоящее имя: Слава
- Откуда: Великий Новгород
- Контактная информация:
Re: Профиль для стола
- frezeryga
- Почётный участник

- Сообщения: 13712
- Зарегистрирован: 18 авг 2013, 16:08
- Репутация: 5069
- Откуда: Жуковский
- Контактная информация:
Re: Профиль для стола
Незнаю считать надо.
email frezeryga@yandex.ru
instagram https://www.instagram.com/frezeryga
telegram https://t.me/md_cnc_frezeryga https://t.me/frezeryga
instagram https://www.instagram.com/frezeryga
telegram https://t.me/md_cnc_frezeryga https://t.me/frezeryga
- Лодочник
- Мастер
- Сообщения: 2178
- Зарегистрирован: 10 авг 2012, 05:24
- Репутация: 1835
- Настоящее имя: Олег
- Откуда: г.Королев
- Контактная информация:
Re: Профиль для стола
4.5кгmenny1112 писал(а): Какой вес 1 п.м.
-
menny1112
- Опытный
- Сообщения: 119
- Зарегистрирован: 06 фев 2017, 19:46
- Репутация: 32
- Настоящее имя: Слава
- Откуда: Великий Новгород
- Контактная информация:
Re: Профиль для стола
Примерно 1200-1300 руб за п.м. Не анод.
Но это очень грубо.
Но это очень грубо.
Последний раз редактировалось menny1112 26 май 2017, 19:05, всего редактировалось 1 раз.
-
menny1112
- Опытный
- Сообщения: 119
- Зарегистрирован: 06 фев 2017, 19:46
- Репутация: 32
- Настоящее имя: Слава
- Откуда: Великий Новгород
- Контактная информация:
Re: Профиль для стола
Получил расчет на на матрицу. Готов предложить по 870 руб за погонный метр если за наличку. Не анод.menny1112 писал(а):
Стандартный профиль
Толщина - 16 мм
Ширина 110 мм
Вес 1 п.г. - примерно 2,5 кг.
Цена в районе 900-1000 руб за метр.
Даешь дешевый профиль в массы
Если кому не горит - присылайте заявки. Срок получения готового профиля - это примерно 2-3 месяца после оплаты матрицы. Предоплату не беру. Пока изучаю спрос.
П.С. Можно бартер на станок с полем 1100*1550
- Sandr
- Опытный
- Сообщения: 108
- Зарегистрирован: 28 сен 2016, 12:07
- Репутация: 5
- Настоящее имя: Александр
- Контактная информация:
Re: Профиль для стола
Вячеслав. Спасибо. Профиль получил.
Но вот есть вопрос. В поперечном сечении профиль имеет небольшую дугу. На первый взгляд пару тройку десяток. Точнее пока не было возможности измерить.
У меня одного такой ?
На фото видно что боковые ламели заданы вверх а центральные ниже
Но вот есть вопрос. В поперечном сечении профиль имеет небольшую дугу. На первый взгляд пару тройку десяток. Точнее пока не было возможности измерить.
У меня одного такой ?
На фото видно что боковые ламели заданы вверх а центральные ниже
Блог на моем сайте sandr.ru
- ultrus
- Мастер
- Сообщения: 2039
- Зарегистрирован: 09 апр 2013, 05:42
- Репутация: 1329
- Настоящее имя: Юрий
- Откуда: Воронеж
- Контактная информация:
Re: Профиль для стола
Если не секрет, сколько попросили за изготовление фильеры? Какие максимальные габариты и вес могут сделать?menny1112 писал(а):Получил расчет на на матрицу.
По моему опыту, такой профиль с пазами с одной стороны получится буквой С в сечении.frezeryga писал(а):Интересует профиль типа такого как на картинке.
Вот по этому большинство профилей и делают с пазами с двух сторон. Чтобы компенсировать напряжения металла при экструзии.
Но и это не всегда помогает:
Тот, что у тебя на картинке, согласись тоже, не идеальный вариант. Мяса снизу надо делать больше, тогда есть вероятность, что сильно его не скрутит.Sandr писал(а):В поперечном сечении профиль имеет небольшую дугу.
Если у ТС есть желание и возможность сделать профиль, то нет смысла повторять чей-то, заведомо ущербный, но чуть дешевле. Ведь и так?
Надо делать действительно хороший профиль. Но иметь ввиду, что он всёравно идеальным не получится. Хотя бы такой:frezeryga писал(а):Всякого пустотелого говна полно везде а нормального крепкого профиля поискать надо.
И стол из такого будет поприличнее, нафига лишние пазы? Стружку собирать?
Вес выходит около 6 кг, не намного больше чем у Росфрезера. И прибавка к цене 500-600 рублей за метр, на общей себестоимости станка не сильно отразится.
Последний раз редактировалось ultrus 27 май 2017, 10:17, всего редактировалось 1 раз.
"Если хочешь сделать что-то хорошо, сделай это сам."
Фердинанд Порше
Фердинанд Порше
- frezeryga
- Почётный участник

- Сообщения: 13712
- Зарегистрирован: 18 авг 2013, 16:08
- Репутация: 5069
- Откуда: Жуковский
- Контактная информация:
Re: Профиль для стола
Да профиль чуть горбатый в поперечнике но притягевается норм. Замки по бокам ненужные они бестолковые всеравно.
email frezeryga@yandex.ru
instagram https://www.instagram.com/frezeryga
telegram https://t.me/md_cnc_frezeryga https://t.me/frezeryga
instagram https://www.instagram.com/frezeryga
telegram https://t.me/md_cnc_frezeryga https://t.me/frezeryga
- BB-8
- Кандидат
- Сообщения: 76
- Зарегистрирован: 31 мар 2017, 15:03
- Репутация: 38
- Откуда: Новая Республика.
- Контактная информация:
Re: Профиль для стола
он такой и есть притянитсяSandr писал(а):Вячеслав. Спасибо. Профиль получил.
Но вот есть вопрос. В поперечном сечении профиль имеет небольшую дугу. На первый взгляд пару тройку десяток. Точнее пока не было возможности измерить.
У меня одного такой ?
На фото видно что боковые ламели заданы вверх а центральные ниже
- vovafed
- Мастер
- Сообщения: 1822
- Зарегистрирован: 08 фев 2013, 16:19
- Репутация: 325
- Настоящее имя: Владимир
- Откуда: башкортостан
- Контактная информация:
Re: Профиль для стола
здравствуйте
интересует профиль стола 5 кусков по 1300мм
есть ли в наличии
интересует профиль стола 5 кусков по 1300мм
есть ли в наличии
-
zveroboy
- Мастер
- Сообщения: 542
- Зарегистрирован: 28 апр 2015, 21:26
- Репутация: 57
- Контактная информация:
Re: Профиль для стола
Получил свою порцию. Спасибо!
Весьма порой мешает мне заснуть
Волнующая, как ни поверни,
Открывшаяся мне внезапно суть
Какой-нибудь немыслимой херни.
Волнующая, как ни поверни,
Открывшаяся мне внезапно суть
Какой-нибудь немыслимой херни.
-
menny1112
- Опытный
- Сообщения: 119
- Зарегистрирован: 06 фев 2017, 19:46
- Репутация: 32
- Настоящее имя: Слава
- Откуда: Великий Новгород
- Контактная информация:
Re: Профиль для стола
Коллеги, кто писал заявки - все отправим на этой неделе. Был в командировке неделю - немного отстал от жизни 
-
Igor1
- Опытный
- Сообщения: 170
- Зарегистрирован: 10 янв 2017, 19:10
- Репутация: 82
- Контактная информация:
Re: Профиль для стола
Вячеслав, примите заказ: 1 метр, доставка ПЭК в Москву. Все данные в СМС, так как в личку писать не пускают. Игорь
-
menny1112
- Опытный
- Сообщения: 119
- Зарегистрирован: 06 фев 2017, 19:46
- Репутация: 32
- Настоящее имя: Слава
- Откуда: Великий Новгород
- Контактная информация:
Re: Профиль для стола
Коллеги, все заявки разрезаны. Всем отписано.
Передам все заявки в транспортные во вторник. Сегодня и завтра ТК не работают.
Если вдруг кого-то упустил и вы не получили письмо/смс в личку- пишите, пжлста, мне в личные сообщения.
Спс.
Передам все заявки в транспортные во вторник. Сегодня и завтра ТК не работают.
Если вдруг кого-то упустил и вы не получили письмо/смс в личку- пишите, пжлста, мне в личные сообщения.
Спс.
- vovafed
- Мастер
- Сообщения: 1822
- Зарегистрирован: 08 фев 2013, 16:19
- Репутация: 325
- Настоящее имя: Владимир
- Откуда: башкортостан
- Контактная информация:
Re: Профиль для стола
свой профиль получил
спасибо )
все отлично)
спасибо )
все отлично)
-
menny1112
- Опытный
- Сообщения: 119
- Зарегистрирован: 06 фев 2017, 19:46
- Репутация: 32
- Настоящее имя: Слава
- Откуда: Великий Новгород
- Контактная информация:
Re: Профиль для стола
Коллеги, вложился в матрицы.
Скоро будет два варианта профиля. Как калькуляцию сделаю - озвучу цены. Но постараюсь удержать те, которые озвучивал ранее. Т.к. это для меня побочный вид деятельность - ценник будет более чем вкусный. Вы получите более интересные цены - а я более дешевую логистику на алюминиевый профиль для своей деятельности. Машина будет ходить почти под завязку.
И еще вопрос к аудитории - что предпочтительнее - анодированный или нет? Анод будет дороже.
Скоро будет два варианта профиля. Как калькуляцию сделаю - озвучу цены. Но постараюсь удержать те, которые озвучивал ранее. Т.к. это для меня побочный вид деятельность - ценник будет более чем вкусный. Вы получите более интересные цены - а я более дешевую логистику на алюминиевый профиль для своей деятельности. Машина будет ходить почти под завязку.
И еще вопрос к аудитории - что предпочтительнее - анодированный или нет? Анод будет дороже.
- frezeryga
- Почётный участник

- Сообщения: 13712
- Зарегистрирован: 18 авг 2013, 16:08
- Репутация: 5069
- Откуда: Жуковский
- Контактная информация:
Re: Профиль для стола
Анодированный интересней. Не анодированый быстро теряет вид легко царапается темнеет окисляется. А можно увидеть чертежи будущих профилей?
email frezeryga@yandex.ru
instagram https://www.instagram.com/frezeryga
telegram https://t.me/md_cnc_frezeryga https://t.me/frezeryga
instagram https://www.instagram.com/frezeryga
telegram https://t.me/md_cnc_frezeryga https://t.me/frezeryga
- Coffeein
- Почётный участник

- Сообщения: 2144
- Зарегистрирован: 31 янв 2015, 15:24
- Репутация: 291
- Контактная информация:
Re: Профиль для стола
Интересней и тот и другой. Не всем нужна красота станка. Но в анодировании ещё + что поверхность становиться более твёрдой.
Уже поздно возвращаться назад, чтобы правильно все начать с начала, но еще не поздно, все начатое правильно закончить...
Наш канал на ютуб - 24TECHO...
все про своими руками и не только.
Наш канал на ютуб - 24TECHO...
все про своими руками и не только.
-
Igor1
- Опытный
- Сообщения: 170
- Зарегистрирован: 10 янв 2017, 19:10
- Репутация: 82
- Контактная информация:
Re: Профиль для стола
Получил свой кусок профиля. Порадовала мощность и мясистость. До Москвы ПЭКом дошло за 1 день.
-
menny1112
- Опытный
- Сообщения: 119
- Зарегистрирован: 06 фев 2017, 19:46
- Репутация: 32
- Настоящее имя: Слава
- Откуда: Великий Новгород
- Контактная информация:
Re: Профиль для стола
Коллеги, посмотрите чертеж профиля.
Разработан местными опытными старожилами форума
Вес погонного метра - 4,467 кг
Цена:
Сырой - 1284 руб/м
Анодированный - 1738 руб/м
Если за наличку - минус 15% от цены.
Пока принимаю предварительные заказы.
Разработан местными опытными старожилами форума
Вес погонного метра - 4,467 кг
Цена:
Сырой - 1284 руб/м
Анодированный - 1738 руб/м
Если за наличку - минус 15% от цены.
Пока принимаю предварительные заказы.