Помогите новичку

Контроллеры, драйверы, датчики, управляющие устройства.
Rus59
Новичок
Сообщения: 8
Зарегистрирован: 14 ноя 2017, 13:19
Репутация: 0
Настоящее имя: Руслан
Контактная информация:

Помогите новичку

Сообщение Rus59 »

Всем доброго времени суток! Решил построить себе станок с рабочим полем 600х1000мм. Пришли комплектующие:
Драйвера DQ542MA, шаговые nema23, плата DB25, швп 1605.
Прошу Вашей помощи в выставлении параметров на драйвера, т.к я полный ноль в этом, прошу подсказать очень доходчиво, типа переключатель №1 в положении on :hehehe: Заранее благодарен!
Вложения
IMG_2492.JPG (3286 просмотров) <a class='original' href='./download/file.php?id=124624&mode=view' target=_blank>Загрузить оригинал (1.77 МБ)</a>
IMG_2490.JPG (3286 просмотров) <a class='original' href='./download/file.php?id=124625&mode=view' target=_blank>Загрузить оригинал (1.05 МБ)</a>
IMG_2493.JPG (3286 просмотров) <a class='original' href='./download/file.php?id=124626&mode=view' target=_blank>Загрузить оригинал (1.65 МБ)</a>
Последний раз редактировалось Rus59 14 ноя 2017, 16:07, всего редактировалось 1 раз.
Аватара пользователя
Nonstopich
Мастер
Сообщения: 1016
Зарегистрирован: 02 авг 2015, 19:46
Репутация: 284
Настоящее имя: Александр Абдулаев
Откуда: Москва, ФО Крым - Феодосия
Контактная информация:

Re: Прошу помощи!!!

Сообщение Nonstopich »

А станок-то уже собран? o.O или опять "покупалово - кроилово" намечается
Шаговые тоже разные бывают: кому пол ампера нужно скормить, кому-то и 4ёх будет мало...

и название темы поменяйте. :pssdoff:

update: фотка прогрузилась.
Переключатели:
1 off
2 off
3 off
эти три переключателя выставят максимальный рабочий ток, соответствующий максимально допустимому рабочему шагового двигателя. = 4.2А (рабочий 3.0А)
4 off
При этом в режиме удержания (т.е., когда шаговик не крутит, а просто держит, стоя на месте) на ШД будет подаваться только половина от рабочего (1.5А)

5-8 - по вкусу :) это по большей части зависит от ЧПУ и той механики, которая отвечает за преобразование вращательного движения в поступательное.
Последний раз редактировалось Nonstopich 14 ноя 2017, 16:13, всего редактировалось 6 раз.
Чехлы для телефонов с вышивкой: https://www.instagram.com/lumberry.brand/
Rus59
Новичок
Сообщения: 8
Зарегистрирован: 14 ноя 2017, 13:19
Репутация: 0
Настоящее имя: Руслан
Контактная информация:

Re: Прошу помощи!!!

Сообщение Rus59 »

Нет станок не собран, рельсы и швп 3 раза пропали на теретории России.
Аватара пользователя
шпиндель
Мастер
Сообщения: 1811
Зарегистрирован: 23 янв 2016, 17:57
Репутация: 901
Настоящее имя: Дмитрий
Откуда: Бологое
Контактная информация:

Re: Прошу помощи!!!

Сообщение шпиндель »

у меня почти такой же наборчик...ток слоник другой....погоди немного, сделаю фотки и выложу :eat:
Rus59
Новичок
Сообщения: 8
Зарегистрирован: 14 ноя 2017, 13:19
Репутация: 0
Настоящее имя: Руслан
Контактная информация:

Re: Помогите новичку

Сообщение Rus59 »

И еще вопрос эта правильная схема подключения под мою плату? http://totcnc.com/tblog/17_instruction- ... -6axis#041
Аватара пользователя
Nonstopich
Мастер
Сообщения: 1016
Зарегистрирован: 02 авг 2015, 19:46
Репутация: 284
Настоящее имя: Александр Абдулаев
Откуда: Москва, ФО Крым - Феодосия
Контактная информация:

Re: Помогите новичку

Сообщение Nonstopich »

Да.
Чехлы для телефонов с вышивкой: https://www.instagram.com/lumberry.brand/
Rus59
Новичок
Сообщения: 8
Зарегистрирован: 14 ноя 2017, 13:19
Репутация: 0
Настоящее имя: Руслан
Контактная информация:

Re: Помогите новичку

Сообщение Rus59 »

Nonstopich писал(а):Да.
Очень сильно благодарен Вам за быстрые ответы, только по 5-8 подскажите еще
Аватара пользователя
Nonstopich
Мастер
Сообщения: 1016
Зарегистрирован: 02 авг 2015, 19:46
Репутация: 284
Настоящее имя: Александр Абдулаев
Откуда: Москва, ФО Крым - Феодосия
Контактная информация:

Re: Помогите новичку

Сообщение Nonstopich »

5-8 это плавность работы вашего станка, если на пальцах.
Суть такая: ваш ШД за 200 пришедших на него импульсов делает полный оборот, что в терминах ШВП будет равняться 5мм (т.к. у неё шаг такой. 16 в номенклатуре это диаметр, а 5 - шаг)
Чтоб сделать работу более плавной драйверам дали возможность "дробить" шаг.
В частности ваши могут дробить пришедшие 200 импульсов до 400, 800, 1600 и т.д... т.е. в 2 раза (400 импульсов из 200), в 4 раза (800 импульсов и 200) и т.д.

Допустим: мы ваш драйвер сейчас выставим на 800 импульсов, т.е. заставим его воспринимать 4 шага за 1.
Это значит, что ваше ЧПУ (комп) должен генерить вместо одного импульса аж 4, а драйвер будет их суммировать, и только после этого отправлять в ШД.

Предугадаю ваш вопрос: а почему бы сразу не раздробить на 25600 и получить максимульную плавность.
Есть проблема с самим сигналом. Появляется много импульсов - растёт частота, с которой процессор вашего компа должен генерировать импульсы.
И даже если он справится, бедолага LPT провод - не справится. Ограничен неким ... условным значением.
Глубже про это условное значение не расскажу, пока сам не вник ещё. Ко всему прочему дрейфуют споры на тему этой условности и конечного порога.

Ну так вот, выставляйте в 4 раза больше. Т.е. значение 800.
5 on
6 off
7 on
8 on
Это некая средняя. Будет мало - поставите побольше.

А ну и не забудьте, что настройки Mаch, я так понимаю, будет зависеть от этого ... выставленного на драйвере значения.
Как я уже писал, вашу ЧПУ (комп = Мач) нужно будет научить генерировать в 4ре раза больше импульсов на те же 5мм.
Последний раз редактировалось Nonstopich 14 ноя 2017, 17:15, всего редактировалось 2 раза.
Чехлы для телефонов с вышивкой: https://www.instagram.com/lumberry.brand/
Rus59
Новичок
Сообщения: 8
Зарегистрирован: 14 ноя 2017, 13:19
Репутация: 0
Настоящее имя: Руслан
Контактная информация:

Re: Помогите новичку

Сообщение Rus59 »

:clap: :clap: :clap: :clap: :clap:
Аватара пользователя
шпиндель
Мастер
Сообщения: 1811
Зарегистрирован: 23 янв 2016, 17:57
Репутация: 901
Настоящее имя: Дмитрий
Откуда: Бологое
Контактная информация:

Re: Помогите новичку

Сообщение шпиндель »

:eat:
Вложения
P_20171114_161631.jpg (3214 просмотров) <a class='original' href='./download/file.php?id=124630&mode=view' target=_blank>Загрузить оригинал (1.22 МБ)</a>
P_20171114_161745.jpg (3214 просмотров) <a class='original' href='./download/file.php?id=124631&mode=view' target=_blank>Загрузить оригинал (1.15 МБ)</a>
P_20171114_161808.jpg (3214 просмотров) <a class='original' href='./download/file.php?id=124632&mode=view' target=_blank>Загрузить оригинал (1.11 МБ)</a>
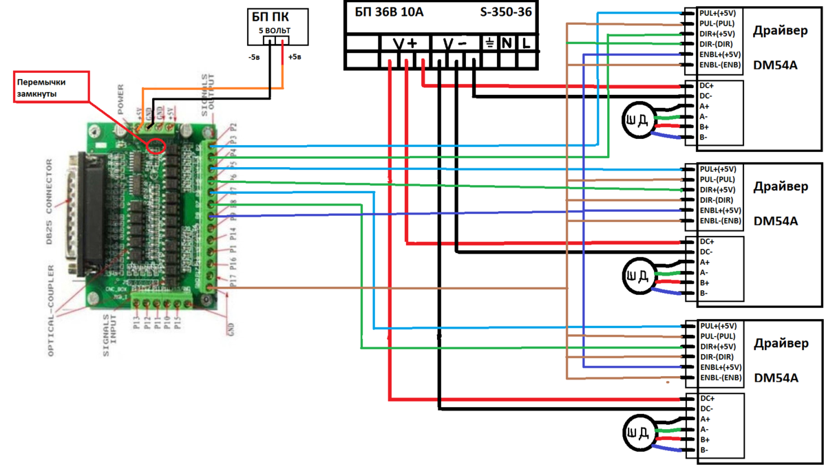
Комутация  DB25-1205.png (3214 просмотров) <a class='original' href='./download/file.php?id=124633&mode=view' target=_blank>Загрузить оригинал (280.06 КБ)</a>
Rus59
Новичок
Сообщения: 8
Зарегистрирован: 14 ноя 2017, 13:19
Репутация: 0
Настоящее имя: Руслан
Контактная информация:

Re: Помогите новичку

Сообщение Rus59 »

шпиндель писал(а)::eat:
Про перемычку можно поподробней
Rus59
Новичок
Сообщения: 8
Зарегистрирован: 14 ноя 2017, 13:19
Репутация: 0
Настоящее имя: Руслан
Контактная информация:

Re: Помогите новичку

Сообщение Rus59 »

Всем доброго времени суток! Подскажите какая из двух выше перечисленных схем рабочая?
Ответить

Вернуться в «Электроника»