распиновка красной платы NС Studio
- shalek
- Почётный участник

- Сообщения: 3023
- Зарегистрирован: 25 авг 2014, 10:40
- Репутация: 2583
- Настоящее имя: Александр
- Откуда: РБ Бобруйск
- Контактная информация:
Re: распиновка красной платы N-Studio
exe
Дабы не вводить в заблуждение читающих форум в поисках распиновки красной платы удали если сможешь первую фото в первом сообщении. Иначе на этих граблях не один проедет. Не все до конца дочитывают.
Дабы не вводить в заблуждение читающих форум в поисках распиновки красной платы удали если сможешь первую фото в первом сообщении. Иначе на этих граблях не один проедет. Не все до конца дочитывают.
Если ты не можешь решить проблему, значит это не твоя проблема!
Мой канал на YouTube: YouTube
ЧПУ "Бобр" 600x500 мм
shalek64@gmail.com
Мой канал на YouTube: YouTube
ЧПУ "Бобр" 600x500 мм
shalek64@gmail.com
-
exe
- Мастер
- Сообщения: 422
- Зарегистрирован: 25 дек 2015, 07:37
- Репутация: 105
- Настоящее имя: -
- Контактная информация:
Re: распиновка красной платы N-Studio
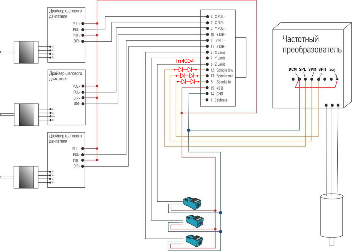
прозвонил выводы SP- L, M, H относительно GND у обоих плат, у синей в пределах 9-10кОМ, у красной в пределах 750-770ом, полагаю столь низкое сопротивление инвертор считает за управляющий сигнал и шпиндель начинает крутится :\
-
lkbyysq
- Мастер
- Сообщения: 2284
- Зарегистрирован: 14 май 2016, 09:40
- Репутация: 346
- Настоящее имя: Станислав Ерофеев
- Откуда: Санкт-Петербург
Re: распиновка красной платы N-Studio
Это косвенные данные.
Мерить надо напряжения логической единички и логического ноля.
Мерить надо напряжения логической единички и логического ноля.
- shalek
- Почётный участник

- Сообщения: 3023
- Зарегистрирован: 25 авг 2014, 10:40
- Репутация: 2583
- Настоящее имя: Александр
- Откуда: РБ Бобруйск
- Контактная информация:
Re: распиновка красной платы N-Studio
Питание пробовал подавать на клеммы?
Я запитывал от компьютерного блока.
Если ты не можешь решить проблему, значит это не твоя проблема!
Мой канал на YouTube: YouTube
ЧПУ "Бобр" 600x500 мм
shalek64@gmail.com
Мой канал на YouTube: YouTube
ЧПУ "Бобр" 600x500 мм
shalek64@gmail.com
-
exe
- Мастер
- Сообщения: 422
- Зарегистрирован: 25 дек 2015, 07:37
- Репутация: 105
- Настоящее имя: -
- Контактная информация:
Re: распиновка красной платы N-Studio
дело вот в чем, я когда подключаю красную плату к инвертору, она даже в отключенном состоянии (вытащена из системного блока) заставляет вертеться шпиндель, в таком виде там вообще нет никаких логических сигналовlkbyysq писал(а):Это косвенные данные.
Мерить надо напряжения логической единички и логического ноля.
нет, а смысл?, там же присутствует уже +5v (подается на основную колодку), и этот отвод дублирует пины с основной колодкиshalek писал(а):Питание пробовал подавать на клеммы? Я запитывал от компьютерного блока.
-
lkbyysq
- Мастер
- Сообщения: 2284
- Зарегистрирован: 14 май 2016, 09:40
- Репутация: 346
- Настоящее имя: Станислав Ерофеев
- Откуда: Санкт-Петербург
Re: распиновка красной платы N-Studio
Найдете на коммутационной плате резистор, подтягивающий выход на минус?
На обратной стороне есть радиоэлементы?
На обратной стороне есть радиоэлементы?
- shalek
- Почётный участник

- Сообщения: 3023
- Зарегистрирован: 25 авг 2014, 10:40
- Репутация: 2583
- Настоящее имя: Александр
- Откуда: РБ Бобруйск
- Контактная информация:
Re: распиновка красной платы N-Studio
А я думал нафига они так сделали? И без питания работает.exe писал(а):этот отвод дублирует пины с основной колодки
Попробуй напрямую провода кинуть с DB15 на частотник. Минуя интерфейсную плату. По распиновке из 33 поста.
Если ты не можешь решить проблему, значит это не твоя проблема!
Мой канал на YouTube: YouTube
ЧПУ "Бобр" 600x500 мм
shalek64@gmail.com
Мой канал на YouTube: YouTube
ЧПУ "Бобр" 600x500 мм
shalek64@gmail.com
-
exe
- Мастер
- Сообщения: 422
- Зарегистрирован: 25 дек 2015, 07:37
- Репутация: 105
- Настоящее имя: -
- Контактная информация:
Re: распиновка красной платы N-Studio
на обратной стороне коммутационной платы ничего нету, есть только ограничительные резюки питающие светодиоды, на главной плате пока найти не удалосьlkbyysq писал(а):Найдете на коммутационной плате резистор, подтягивающий выход на минус?
На обратной стороне есть радиоэлементы?
-
lkbyysq
- Мастер
- Сообщения: 2284
- Зарегистрирован: 14 май 2016, 09:40
- Репутация: 346
- Настоящее имя: Станислав Ерофеев
- Откуда: Санкт-Петербург
Re: распиновка красной платы N-Studio
Если есть подозрение, что входы инвертора слишком чувствительные, то можно тупо подключить их через диод к колодке коммутационной платы. Анод к инвертору, катод в колодку. Можно через два впослед.
Можно совсем через задницу, использовать один диод на все, от минуса коммутационой к общему сигнальному проводу инвертора. Но это совсем через задницу, чревато.
Один диод поднимаетпорог срабатывания уровень нуля на входе на 0.6 вольта. Два впослед - на 1.2 вольта.
Можно совсем через задницу, использовать один диод на все, от минуса коммутационой к общему сигнальному проводу инвертора. Но это совсем через задницу, чревато.
Один диод поднимает
Последний раз редактировалось lkbyysq 16 янв 2017, 12:26, всего редактировалось 2 раза.
-
lkbyysq
- Мастер
- Сообщения: 2284
- Зарегистрирован: 14 май 2016, 09:40
- Репутация: 346
- Настоящее имя: Станислав Ерофеев
- Откуда: Санкт-Петербург
Re: распиновка красной платы N-Studio
Можно попробовать отмыть платы и кабель от остатков возможно кислотного флюса.exe писал(а): на обратной стороне коммутационной платы ничего нету, есть только ограничительные резюки питающие светодиоды, на главной плате пока найти не удалось
-
exe
- Мастер
- Сообщения: 422
- Зарегистрирован: 25 дек 2015, 07:37
- Репутация: 105
- Настоящее имя: -
- Контактная информация:
Re: распиновка красной платы N-Studio
можно конечно, для самоуспокоения:) просто я прозвонил интерфейсную плату отключенную от всего, между выводом GND и выводами SPx - 8-10мегомshalek писал(а):А я думал нафига они так сделали? И без питания работает.exe писал(а):этот отвод дублирует пины с основной колодки
Попробуй напрямую провода кинуть с DB15 на частотник. Минуя интерфейсную плату. По распиновке из 33 поста.
мысль,lkbyysq писал(а):Если есть подозрение, что входы инвертора слишком чувствительные, то можно тупо подключить их через диод к колодке коммутационной платы. Анод к инвертору, катод в колодку. Можно через два впослед.
Можно совсем через задницу, использовать один диод на все, от минуса коммутационой к общему сигнальному проводу инвертора. Но это совсем через задницу, чревато.
Один диод поднимаетпорог срабатыванияуровень нуля на входе на 0.6 вольта. Два впослед - на 1.2 вольта.
экзекуцию платы отложу на завтра, завтра попробую
3 индикаторных светика, которые висели на SPx пинах так же отпаял, ничего не дало
-
exe
- Мастер
- Сообщения: 422
- Зарегистрирован: 25 дек 2015, 07:37
- Репутация: 105
- Настоящее имя: -
- Контактная информация:
Re: распиновка красной платы NС Studio
заработало
, подключение в разрыв 2х последовательно соединенных диодов на каждый пинов решило проблему, сейчас шпиндель нормально управляется из NC-Studio
подключение как на рисунке: огромное спасибо всем за помощь
подключение как на рисунке: огромное спасибо всем за помощь
Re: распиновка красной платы NС Studio
Господа, возможно, я не совсем по теме, но подскажите, пожалуйста что из этого SPL, SPM и SPH? Приведенную плату меняю на ту, которая обсуждается в данной теме.
-
lkbyysq
- Мастер
- Сообщения: 2284
- Зарегистрирован: 14 май 2016, 09:40
- Репутация: 346
- Настоящее имя: Станислав Ерофеев
- Откуда: Санкт-Петербург
Re: распиновка красной платы NС Studio
А нету. https://yadi.sk/i/Xpk4o6QAkUpfe - страницы 6,7.ven0hm писал(а):Господа, возможно, я не совсем по теме, но подскажите, пожалуйста что из этого SPL, SPM и SPH?
Нескромный вопрос. Что Вас заставляет менять фирменную NcStudio V8 (50'000руб.) на нонейм V5 (3'000руб.)?ven0hm писал(а):Приведенную плату меняю на ту, которая обсуждается в данной теме.
Re: распиновка красной платы NС Studio
Оригинальная PCI-карта утеряна. Было принято решение заменять пару и в системнике, и в станке.lkbyysq писал(а):Нескромный вопрос. Что Вас заставляет менять фирменную NcStudio V8 (50'000руб.) на нонейм V5 (3'000руб.)?
Последний раз редактировалось ven0hm 18 янв 2017, 07:58, всего редактировалось 1 раз.
-
lkbyysq
- Мастер
- Сообщения: 2284
- Зарегистрирован: 14 май 2016, 09:40
- Репутация: 346
- Настоящее имя: Станислав Ерофеев
- Откуда: Санкт-Петербург
Re: распиновка красной платы NС Studio
Соболезную.
Ну тогда Вам надо соединить между собой проводом SPL, SPM и SPH, и на них бросить S0(что на фото). SP- бросите на G.
Ну тогда Вам надо соединить между собой проводом SPL, SPM и SPH, и на них бросить S0(что на фото). SP- бросите на G.
Re: распиновка красной платы NС Studio
Спасибо! Это сработало на вкл-выкл шпинделя.lkbyysq писал(а):Ну тогда Вам надо соединить между собой проводом SPL, SPM и SPH, и на них бросить S0(что на фото). SP- бросите на G.
Однако обороты, что в общем логично, не регулируются. Подозреваю, что если опустить уровень сигнала (например, диодами, как было предложено ранее), то можно получить трехступенчатый переключатель скорости вращения шпинделя. Или нет?
-
lkbyysq
- Мастер
- Сообщения: 2284
- Зарегистрирован: 14 май 2016, 09:40
- Репутация: 346
- Настоящее имя: Станислав Ерофеев
- Откуда: Санкт-Петербург
Re: распиновка красной платы NС Studio
Требуется программирование инвертора и вытаскивание из него проводов управления оборотами.
Диоды - частный случай, к регулировке оборотов по большому счету отношения не имеют.
Оно Вам надо?
Диоды - частный случай, к регулировке оборотов по большому счету отношения не имеют.
Оно Вам надо?
Re: распиновка красной платы NС Studio
Надо.lkbyysq писал(а):Оно Вам надо?
-
lkbyysq
- Мастер
- Сообщения: 2284
- Зарегистрирован: 14 май 2016, 09:40
- Репутация: 346
- Настоящее имя: Станислав Ерофеев
- Откуда: Санкт-Петербург
Re: распиновка красной платы NС Studio
Берите мануал на инвертор и настраивайте входы на дискретное управление оборотами.