Настройка серв Mitsubishi
-
rusivan
- Опытный
- Сообщения: 120
- Зарегистрирован: 17 май 2013, 01:12
- Репутация: 8
- Откуда: Волгоград
- Контактная информация:
Настройка серв Mitsubishi
Здравствуйте всем!
Прошу помощи, подкиньте информации, статью или мануал на русском языке по быстрому старту серв Mitsubishi MR-c20/c40. А то все их мануалы на инглише, а у меня с переводом туго ) А сроки жмут.
В тестовом режиме покатал, как сигнал enable подавать вкурил, а вот работу с Step/dir не освоил.
Буду признателен за помощь!
Прошу помощи, подкиньте информации, статью или мануал на русском языке по быстрому старту серв Mitsubishi MR-c20/c40. А то все их мануалы на инглише, а у меня с переводом туго ) А сроки жмут.
В тестовом режиме покатал, как сигнал enable подавать вкурил, а вот работу с Step/dir не освоил.
Буду признателен за помощь!
-
rusivan
- Опытный
- Сообщения: 120
- Зарегистрирован: 17 май 2013, 01:12
- Репутация: 8
- Откуда: Волгоград
- Контактная информация:
Re: Настройка серв Mitsubishi
Помогите разобраться, что делать!
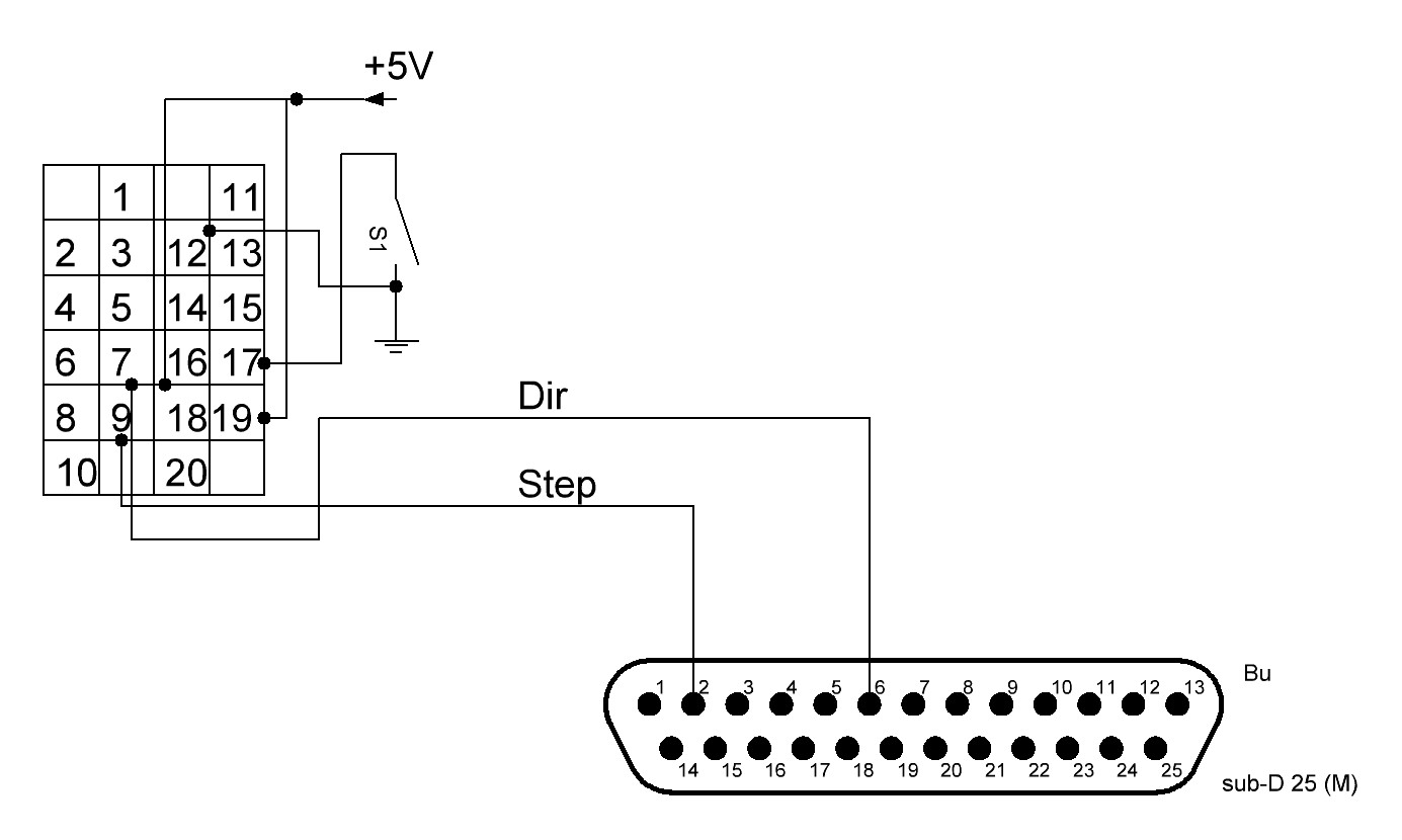
Подключил вроде всё правильно:
на разъём CN1 по пинам подключил так:
07 - dir
09 - step
12- общий
16 - 5 вольт
17 - включение привода (подключение земли)
19 - 5 вольт.
Что настраивать в самом сервоусилителе? Я только параметр 7 загнал в - 011
Мотор пищит, сопротивляется если крутить, но не едет из мача. Настройки мача на скрине
Подключил вроде всё правильно:
на разъём CN1 по пинам подключил так:
07 - dir
09 - step
12- общий
16 - 5 вольт
17 - включение привода (подключение земли)
19 - 5 вольт.
Что настраивать в самом сервоусилителе? Я только параметр 7 загнал в - 011
Мотор пищит, сопротивляется если крутить, но не едет из мача. Настройки мача на скрине
-
aftaev
- Зачётный участник

- Сообщения: 34042
- Зарегистрирован: 04 апр 2010, 19:22
- Репутация: 6194
- Откуда: Казахстан.
- Контактная информация:
Re: Настройка серв Mitsubishi
схему рисуй как серва к LPT подключена.rusivan писал(а):Помогите разобраться, что делать!
Дилетанту сложные вещи кажутся очень простыми, и только профессионал понимает насколько сложна самая простая вещь
Кто хочет - ищет возможности, кто не хочет - ищет оправдание.
Найди работу по душе и тебе не придется работать.
Кто хочет - ищет возможности, кто не хочет - ищет оправдание.
Найди работу по душе и тебе не придется работать.
- mhael
- Мастер
- Сообщения: 2443
- Зарегистрирован: 09 мар 2013, 11:22
- Репутация: 769
- Настоящее имя: Ильдар
- Контактная информация:
Re: Настройка серв Mitsubishi
rusivan, землю лпт и драйвера соедините.
- merkwurdigliebe
- Мастер
- Сообщения: 609
- Зарегистрирован: 17 дек 2013, 22:14
- Репутация: 580
- Откуда: București
- Контактная информация:
Re: Настройка серв Mitsubishi
не заведется он так от 5 вольт. там между OPC и анодами входных оптопар резисторы 2 кОм - надо 24В и выходы с открытым коллектором. см. мануал
можно OPC не подключать, а вместо этого подать +5В через резисторы 300 Ом на PG, NG
можно OPC не подключать, а вместо этого подать +5В через резисторы 300 Ом на PG, NG
-
rusivan
- Опытный
- Сообщения: 120
- Зарегистрирован: 17 май 2013, 01:12
- Репутация: 8
- Откуда: Волгоград
- Контактная информация:
Re: Настройка серв Mitsubishi
Попробовал всё. Удержание есть, а шагов нет
-
aftaev
- Зачётный участник

- Сообщения: 34042
- Зарегистрирован: 04 апр 2010, 19:22
- Репутация: 6194
- Откуда: Казахстан.
- Контактная информация:
Re: Настройка серв Mitsubishi
а в Mach3 циферки на экране бегают?rusivan писал(а):а шагов нет
Дилетанту сложные вещи кажутся очень простыми, и только профессионал понимает насколько сложна самая простая вещь
Кто хочет - ищет возможности, кто не хочет - ищет оправдание.
Найди работу по душе и тебе не придется работать.
Кто хочет - ищет возможности, кто не хочет - ищет оправдание.
Найди работу по душе и тебе не придется работать.
-
rusivan
- Опытный
- Сообщения: 120
- Зарегистрирован: 17 май 2013, 01:12
- Репутация: 8
- Откуда: Волгоград
- Контактная информация:
Re: Настройка серв Mitsubishi
Да бегают. Осциллом смотрю, все сигналы на месте.
-
aftaev
- Зачётный участник

- Сообщения: 34042
- Зарегистрирован: 04 апр 2010, 19:22
- Репутация: 6194
- Откуда: Казахстан.
- Контактная информация:
Re: Настройка серв Mitsubishi
1. Серву в режиме Jog гонял?
2. А на серве на экранчике ошибки есть?
3. Серва настроена на приме степ/дир?
2. А на серве на экранчике ошибки есть?
3. Серва настроена на приме степ/дир?
Дилетанту сложные вещи кажутся очень простыми, и только профессионал понимает насколько сложна самая простая вещь
Кто хочет - ищет возможности, кто не хочет - ищет оправдание.
Найди работу по душе и тебе не придется работать.
Кто хочет - ищет возможности, кто не хочет - ищет оправдание.
Найди работу по душе и тебе не придется работать.
-
rusivan
- Опытный
- Сообщения: 120
- Зарегистрирован: 17 май 2013, 01:12
- Репутация: 8
- Откуда: Волгоград
- Контактная информация:
Re: Настройка серв Mitsubishi
Jog это тестовый кнопками? Гонял.
Ошибок нет.
А как это сделать то????
Ошибок нет.
А как это сделать то????
-
aftaev
- Зачётный участник

- Сообщения: 34042
- Зарегистрирован: 04 апр 2010, 19:22
- Репутация: 6194
- Откуда: Казахстан.
- Контактная информация:
Re: Настройка серв Mitsubishi
В мануале должно написано какой параметр за этот отвечает. Серва может принимать разные сигналы управление аналоговый(но тогда не было удержания), сигналы управления АВ и тд...rusivan писал(а):А как это сделать то????
У тебя серва Mitsubishi MR-c20/c40, вроде как со степ/дир сервы Mitsubishi MR-А
Дилетанту сложные вещи кажутся очень простыми, и только профессионал понимает насколько сложна самая простая вещь
Кто хочет - ищет возможности, кто не хочет - ищет оправдание.
Найди работу по душе и тебе не придется работать.
Кто хочет - ищет возможности, кто не хочет - ищет оправдание.
Найди работу по душе и тебе не придется работать.
- merkwurdigliebe
- Мастер
- Сообщения: 609
- Зарегистрирован: 17 дек 2013, 22:14
- Репутация: 580
- Откуда: București
- Контактная информация:
Re: Настройка серв Mitsubishi
параметры:
No.2=1
No.3=1 (редукция 1:1)
No.6=010 (SON активен, LSP/LSN отключены)
No.7=011 (или 001) - входные сигналы STEP/DIR
No.16=001 (управление по позиции)
No.2=1
No.3=1 (редукция 1:1)
No.6=010 (SON активен, LSP/LSN отключены)
No.7=011 (или 001) - входные сигналы STEP/DIR
No.16=001 (управление по позиции)
-
rusivan
- Опытный
- Сообщения: 120
- Зарегистрирован: 17 май 2013, 01:12
- Репутация: 8
- Откуда: Волгоград
- Контактная информация:
Re: Настройка серв Mitsubishi
Мужики, спасибо за помощь ) Всё получилось, когда выкинул резисторы на 300 Ом. Оптопары выдержат, там уже есть токоограничивающий резистор.
Огромное СПАСИБО!
Огромное СПАСИБО!
-
aftaev
- Зачётный участник

- Сообщения: 34042
- Зарегистрирован: 04 апр 2010, 19:22
- Репутация: 6194
- Откуда: Казахстан.
- Контактная информация:
Re: Настройка серв Mitsubishi
откуды ты их выкинул?rusivan писал(а):когда выкинул резисторы на 300 Ом.
Дилетанту сложные вещи кажутся очень простыми, и только профессионал понимает насколько сложна самая простая вещь
Кто хочет - ищет возможности, кто не хочет - ищет оправдание.
Найди работу по душе и тебе не придется работать.
Кто хочет - ищет возможности, кто не хочет - ищет оправдание.
Найди работу по душе и тебе не придется работать.
- merkwurdigliebe
- Мастер
- Сообщения: 609
- Зарегистрирован: 17 дек 2013, 22:14
- Репутация: 580
- Откуда: București
- Контактная информация:
Re: Настройка серв Mitsubishi
лучше поменьше поставьте. резисторы, которые уже стоят - ом на 100, если я не ошибаюсь. с 5 вольтами получится 35мА. у оптопары в absolute maximum ratings - 20mA.
надо чтобы было около 10мА
но, возможно, параллельный порт столько тока не съест. а вот переключите на какую-нить breakout board с выходами помощнее - сожжете оптроны
надо чтобы было около 10мА
но, возможно, параллельный порт столько тока не съест. а вот переключите на какую-нить breakout board с выходами помощнее - сожжете оптроны
-
rusivan
- Опытный
- Сообщения: 120
- Зарегистрирован: 17 май 2013, 01:12
- Репутация: 8
- Откуда: Волгоград
- Контактная информация:
Re: Настройка серв Mitsubishi
Воткнул резисторы на 100 Ом на всяк случай.
Теперь ещё вопрос, а как реализовать аварийную остановку?
Выход аларма сервы, и SON подаётся на LPT. При появлении ошибки на серве срабатывает estop в маче и всё хорошо, SON пропадает. Но если мач зависает, то SON не пропадает, и это может привести к нехорошей ситуации.
Теперь ещё вопрос, а как реализовать аварийную остановку?
Выход аларма сервы, и SON подаётся на LPT. При появлении ошибки на серве срабатывает estop в маче и всё хорошо, SON пропадает. Но если мач зависает, то SON не пропадает, и это может привести к нехорошей ситуации.
-
aftaev
- Зачётный участник

- Сообщения: 34042
- Зарегистрирован: 04 апр 2010, 19:22
- Репутация: 6194
- Откуда: Казахстан.
- Контактная информация:
Re: Настройка серв Mitsubishi
В мануале посмотри как сервы должны подключаться к сети через пускатель. Если появляется критическая ошибка, серва вырубает пускатель и сама себя обесточивает.rusivan писал(а):Теперь ещё вопрос, а как реализовать аварийную остановку?
Еще защита: к серве подключаются свои концевики не связанные с ЧПУ.
Дилетанту сложные вещи кажутся очень простыми, и только профессионал понимает насколько сложна самая простая вещь
Кто хочет - ищет возможности, кто не хочет - ищет оправдание.
Найди работу по душе и тебе не придется работать.
Кто хочет - ищет возможности, кто не хочет - ищет оправдание.
Найди работу по душе и тебе не придется работать.
-
Nikomas
- Мастер
- Сообщения: 721
- Зарегистрирован: 07 янв 2012, 14:31
- Репутация: 64
- Откуда: Беларусь
- Контактная информация:
Re: Настройка серв Mitsubishi
В не сгорит усилок? Мотор же станет генератором...
-
rusivan
- Опытный
- Сообщения: 120
- Зарегистрирован: 17 май 2013, 01:12
- Репутация: 8
- Откуда: Волгоград
- Контактная информация:
Re: Настройка серв Mitsubishi
Продолжаю играться с сервами. Такая штука, MR-c40a запустились и работают нормально, но вот с MR-c20a проблема. Они тоже работают, но не долго, начинают жутко греться компоненты на плате (обвел). Управление по схеме с открытым коллектором (+24В.)
Кто нибудь сталкивался с подобным? В чем может быть проблема?
Кто нибудь сталкивался с подобным? В чем может быть проблема?