Например вотВорон226 писал(а):может кто-то находил фирму, которая лифтовые кабеля продает?
какой выбрать кабель для ШД?
- Predator
- Мастер
- Сообщения: 9583
- Зарегистрирован: 18 июл 2013, 18:26
- Репутация: 2531
- Контактная информация:
Re: какой выбрать кабель для ШД?
-
ХОЧУВСЁЗНАТЬ
- Опытный
- Сообщения: 122
- Зарегистрирован: 13 авг 2014, 17:51
- Репутация: 5
- Настоящее имя: Алексей
- Откуда: Армавир.Краснодарский край.
- Контактная информация:
Re: какой выбрать кабель для ШД?
michael-yurov писал(а):Это на низких скоростях она прямоугольная (трапецеидальная). В этом случае речь о десятках герц.UAVpilot писал(а):Вообще-то форма импульсов там прямоугольная, а э то значит что там присутствует не только основная частота, но и нечётные гармоники...
а на максимальных скоростях форма сигнала уже получается пилообразная, т.к. драйвер не способен мгновенно изменять ток.
Так что там уровень этих гармоник очень низкий.
Разум и наука-продукты человечества!
-
ХОЧУВСЁЗНАТЬ
- Опытный
- Сообщения: 122
- Зарегистрирован: 13 авг 2014, 17:51
- Репутация: 5
- Настоящее имя: Алексей
- Откуда: Армавир.Краснодарский край.
- Контактная информация:
- AndyBig
- Мастер
- Сообщения: 3971
- Зарегистрирован: 07 мар 2014, 04:01
- Репутация: 1121
- Откуда: юг России
- Контактная информация:
Re: какой выбрать кабель для ШД?
В какую тему с новыми сообщениями не зайду - ХОЧУВСЁЗНАТЬ кого-то молча цитирует
Цитатный спам на форуме 
- michael-yurov
- Почётный участник

- Сообщения: 11731
- Зарегистрирован: 26 июл 2012, 00:10
- Репутация: 4703
- Настоящее имя: Михаил Львович
- Откуда: Новоуральск
- Контактная информация:
Re: какой выбрать кабель для ШД?
Да, что-то странное происходит.AndyBig писал(а):В какую тему с новыми сообщениями не зайду - ХОЧУВСЁЗНАТЬ кого-то молча цитируетЦитатный спам на форуме
Может с телефона не получается сообщение отправить?
- Predator
- Мастер
- Сообщения: 9583
- Зарегистрирован: 18 июл 2013, 18:26
- Репутация: 2531
- Контактная информация:
Re: какой выбрать кабель для ШД?
Тоже заметил такую тенденциюAndyBig писал(а):В какую тему с новыми сообщениями не зайду - ХОЧУВСЁЗНАТЬ кого-то молча цитируетЦитатный спам на форуме
-
ХОЧУВСЁЗНАТЬ
- Опытный
- Сообщения: 122
- Зарегистрирован: 13 авг 2014, 17:51
- Репутация: 5
- Настоящее имя: Алексей
- Откуда: Армавир.Краснодарский край.
- Контактная информация:
Re: какой выбрать кабель для ШД?
это я интересные темы добавляю в (Ваши сообщения) что бы под рукой были.как то так
Разум и наука-продукты человечества!
- Predator
- Мастер
- Сообщения: 9583
- Зарегистрирован: 18 июл 2013, 18:26
- Репутация: 2531
- Контактная информация:
Re: какой выбрать кабель для ШД?
По-другому, это называется - флуд! Как-то так...ХОЧУВСЁЗНАТЬ писал(а):это я интересные темы добавляю в (Ваши сообщения) что бы под рукой были
-
ХОЧУВСЁЗНАТЬ
- Опытный
- Сообщения: 122
- Зарегистрирован: 13 авг 2014, 17:51
- Репутация: 5
- Настоящее имя: Алексей
- Откуда: Армавир.Краснодарский край.
- Контактная информация:
Re: какой выбрать кабель для ШД?
я не забиваю ваше интернет пространство мусором
Разум и наука-продукты человечества!
- Predator
- Мастер
- Сообщения: 9583
- Зарегистрирован: 18 июл 2013, 18:26
- Репутация: 2531
- Контактная информация:
Re: какой выбрать кабель для ШД?
Это уже — радует!ХОЧУВСЁЗНАТЬ писал(а):я не забиваю ваше интернет пространство мусором
- T72
- Опытный
- Сообщения: 167
- Зарегистрирован: 27 апр 2015, 12:58
- Репутация: 12
- Настоящее имя: Алексей
- Контактная информация:
Re: какой выбрать кабель для ШД?
Вопрос на засыпку! Экранированные кабели к ШД - необходимы, чтобы защитить их от взаимных наводок, или чтобы исключить их влияние на слаботочные сигнальные провода от тех же концевых выключателей?
Была мысль соединить блок управления со станком двумя хвостами - в одном вся слаботочка через единый разъём, в другом все 16 проводов (с запасом на четвёртую ось) к шаговым двгателям, так же через единый разъём. Индивидуального экранирования в таком случае уже не получится.
Была мысль соединить блок управления со станком двумя хвостами - в одном вся слаботочка через единый разъём, в другом все 16 проводов (с запасом на четвёртую ось) к шаговым двгателям, так же через единый разъём. Индивидуального экранирования в таком случае уже не получится.
-
mikle
- Мастер
- Сообщения: 376
- Зарегистрирован: 24 май 2015, 10:13
- Репутация: 24
- Настоящее имя: Михаил
- Откуда: Иркутск
- Контактная информация:
Re: какой выбрать кабель для ШД?
вроде как витые пары к шаговикам - и все нормально
-
Meg@VaD
- Новичок
- Сообщения: 24
- Зарегистрирован: 14 июн 2015, 12:03
- Репутация: 3
- Настоящее имя: Вадик
- Откуда: Бор
- Контактная информация:
Re: какой выбрать кабель для ШД?
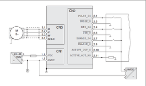
Для чего бы ни было - экран нужОн. Вот от дойче инженерен картинка - один кабель - один экран (картинка взята из документа, возможно - он окажется полезным в данной теме, приложу и его на всякий случай к сообщению). Иногда от шкафов идут обычные кабеля до распред. коробок, на коробке разъём типа [гуглим "industrial connector", смотрим картинки], от коробки уже Flex кабель до мотора. Каждый энкодер, тахо, сила - в своём кабеле, в своём разъёме. Сигнальные 24V могут идти по многожильному.T72 писал(а):Вопрос на засыпку! Экранированные кабели к ШД - необходимы, чтобы защитить их от взаимных наводок, или чтобы исключить их влияние на слаботочные сигнальные провода от тех же концевых выключателей?
Была мысль соединить блок управления со станком двумя хвостами - в одном вся слаботочка через единый разъём, в другом все 16 проводов (с запасом на четвёртую ось) к шаговым двгателям, так же через единый разъём. Индивидуального экранирования в таком случае уже не получится.
- Вложения
-
- Catalogue_SD3.pdf
- (2.54 МБ) 1308 скачиваний
- AndyBig
- Мастер
- Сообщения: 3971
- Зарегистрирован: 07 мар 2014, 04:01
- Репутация: 1121
- Откуда: юг России
- Контактная информация:
Re: какой выбрать кабель для ШД?
Скорее для второго, чем для первогоT72 писал(а):чтобы защитить их от взаимных наводок, или чтобы исключить их влияние на слаботочные сигнальные провода
- lexalex83
- Мастер
- Сообщения: 211
- Зарегистрирован: 17 июн 2013, 08:34
- Репутация: 7
- Контактная информация:
Re: какой выбрать кабель для ШД?
как правильно заделывать экранированный кабель? и надо ли все экраны замыкать вместе и заземлять?
- T72
- Опытный
- Сообщения: 167
- Зарегистрирован: 27 апр 2015, 12:58
- Репутация: 12
- Настоящее имя: Алексей
- Контактная информация:
Re: какой выбрать кабель для ШД?
В итоге заказал Lapp Kabel, все экранированные. Кабели классные, но, конечно, очень дорого и очень долго. Отрезают сколько надо, хоть метр. Каталогов каких-то понаприслали, брелок с дурацким красным фонариком.
Несколько "скрашивает горечь утраты" то, что всвязи с последним ростом курса Евро обошлись бы они ещё на 3 тыр дороже.
Почти четыре килограмма удовольствия:
Несколько "скрашивает горечь утраты" то, что всвязи с последним ростом курса Евро обошлись бы они ещё на 3 тыр дороже.
Почти четыре килограмма удовольствия:
- alexg-nn
- Мастер
- Сообщения: 793
- Зарегистрирован: 08 фев 2015, 12:45
- Репутация: 127
- Настоящее имя: Алексей
- Откуда: Нижний Новгород
- Контактная информация:
Re: какой выбрать кабель для ШД?
А почём вышло эти 4 кг?T72 писал(а):очень дорого
- T72
- Опытный
- Сообщения: 167
- Зарегистрирован: 27 апр 2015, 12:58
- Репутация: 12
- Настоящее имя: Алексей
- Контактная информация:
Re: какой выбрать кабель для ШД?
Около 230 евро или 14530р за 29 метров. Это с небольшим запасом. Доставка до двери в стоимости. Так на моторы кабель 4G1 стоил 440 рублей метр, на шпиндель 4G1.5 710 рублей, на концевики 260 рублей.
В целом самарцы порадовали. Чувствуется серьезный подход. Ладно каталогов наслали - изначально менеджер звонил, сказал, что будет в командировке в Москве скоро, хотел передать их лично, а заодно и пообщаться на кабельную тему.
В целом самарцы порадовали. Чувствуется серьезный подход. Ладно каталогов наслали - изначально менеджер звонил, сказал, что будет в командировке в Москве скоро, хотел передать их лично, а заодно и пообщаться на кабельную тему.
- xvovanx
- Мастер
- Сообщения: 3776
- Зарегистрирован: 25 фев 2016, 12:27
- Репутация: 920
- Настоящее имя: Владимир
- Откуда: Latvia
- Контактная информация:
Re: какой выбрать кабель для ШД?
Добрый вечер, Коллеги.
Доделываю станочек и возник вопрос по точке заземления экранированных кабелей. То, что заземлять нужно в одной точке на выходе - это ясная истина. Но как быть в такой ситуации: все кабеля станка экранированные и на шаговики и на концевики и на шпиндель и на вентиляторы обдува. В "ящике" ЧПУ стоит USB контроллер, для него БП на 5В, БП на 24В на шаговики, БП на 12В на охлаждение, БП на 0-48В на шпиндель и три драйвера. На что заземлять экраны? На корпус контроллера и компа? На минус БП 24В? Или на корпус БП шпинделя? Или соединить минусы всех БП вместе и заземлить в этой точке? Но как-то не хочется минус шпинделя с корпусом контроллера соединять, чтоб помехи шпинделя всюду лезли. Может разные экраны к разным местам подключить: экраны шаговиков - к корпусам драйверов, экраны концевиков - к контроллеру, а экраны шпинделя и пропеллеров - с корпусам своих БП? Кто как подлючает, поделитесь идеями?
Доделываю станочек и возник вопрос по точке заземления экранированных кабелей. То, что заземлять нужно в одной точке на выходе - это ясная истина. Но как быть в такой ситуации: все кабеля станка экранированные и на шаговики и на концевики и на шпиндель и на вентиляторы обдува. В "ящике" ЧПУ стоит USB контроллер, для него БП на 5В, БП на 24В на шаговики, БП на 12В на охлаждение, БП на 0-48В на шпиндель и три драйвера. На что заземлять экраны? На корпус контроллера и компа? На минус БП 24В? Или на корпус БП шпинделя? Или соединить минусы всех БП вместе и заземлить в этой точке? Но как-то не хочется минус шпинделя с корпусом контроллера соединять, чтоб помехи шпинделя всюду лезли. Может разные экраны к разным местам подключить: экраны шаговиков - к корпусам драйверов, экраны концевиков - к контроллеру, а экраны шпинделя и пропеллеров - с корпусам своих БП? Кто как подлючает, поделитесь идеями?
-
bawero
- Опытный
- Сообщения: 153
- Зарегистрирован: 20 дек 2015, 22:02
- Репутация: 23
- Откуда: BY
- Контактная информация:
Re: какой выбрать кабель для ШД?
Все экраны от кабелей заземлять с одного конца. Я подпаивал на экран кусок провода для удобства. Никакие минуса от БП на землю "кидать" и наоборот не нужно. У нормального БП есть клемма заземления. Минуса БП просто можно скрутить вместе , но никуда не заземлять. Все концы "земли" собрать в одной точке, можно вырезать медную пластину и по кругу насверлить отверстий и к ним прикрутить все концы. А от самой пластины толстым медным проводом на шину. Ещё желательно соединить проводом корпус ПК и ящик с электроникой. Ну и корпус станка на шину.xvovanx писал(а):Добрый вечер, Коллеги.
Доделываю станочек и возник вопрос по точке заземления экранированных кабелей. То, что заземлять нужно в одной точке на выходе - это ясная истина. Но как быть в такой ситуации: все кабеля станка экранированные и на шаговики и на концевики и на шпиндель и на вентиляторы обдува. В "ящике" ЧПУ стоит USB контроллер, для него БП на 5В, БП на 24В на шаговики, БП на 12В на охлаждение, БП на 0-48В на шпиндель и три драйвера. На что заземлять экраны? На корпус контроллера и компа? На минус БП 24В? Или на корпус БП шпинделя? Или соединить минусы всех БП вместе и заземлить в этой точке? Но как-то не хочется минус шпинделя с корпусом контроллера соединять, чтоб помехи шпинделя всюду лезли. Может разные экраны к разным местам подключить: экраны шаговиков - к корпусам драйверов, экраны концевиков - к контроллеру, а экраны шпинделя и пропеллеров - с корпусам своих БП? Кто как подлючает, поделитесь идеями?