И как тогда узнать - в чем была проблема?dima7411 писал(а):Для чистоты эксперимента - занизить все скорости-ускорения раз в 10. И, конечно, см. выше.
Проблема с NSctudio- смещение мест обработки
- michael-yurov
- Почётный участник

- Сообщения: 11731
- Зарегистрирован: 26 июл 2012, 00:10
- Репутация: 4703
- Настоящее имя: Михаил Львович
- Откуда: Новоуральск
- Контактная информация:
Re: Проблема с NSctudio- смещение мест обработки
- Василий Владимирович
- Мастер
- Сообщения: 315
- Зарегистрирован: 19 дек 2014, 08:34
- Репутация: 17
- Настоящее имя: Барвинов Василий Владимирович
- Откуда: Московская область, Наро-Фоминский район
- Контактная информация:
Re: Проблема с NSctudio- смещение мест обработки
Если Вам не трудно то выложите скриншоты настройки Вашей nsctudio, особенно меня интересуют цифры которые на моей "картинке№1", не влезли в скриншот - то что внизу. Я пробовал Изменять там значение - вместо 40 ставил 20 и размер квадрата и круга меняется в два раза. Возможно у меня стоят не правильные цифры, поэтому не могу выставить - 0,003125!michael-yurov писал(а):Я уже писал, что проблема, вероятно, в резонансе.Василий Владимирович писал(а):у меня станок при этом не попадает в размеры!!!!!
И писал, что сделать.
- Василий Владимирович
- Мастер
- Сообщения: 315
- Зарегистрирован: 19 дек 2014, 08:34
- Репутация: 17
- Настоящее имя: Барвинов Василий Владимирович
- Откуда: Московская область, Наро-Фоминский район
- Контактная информация:
Re: Проблема с NSctudio- смещение мест обработки
Скорости я все уменьшал, так что станок еле ползал, и не только на рабочих скоростях, но и на скоростях перемещения инструмента.michael-yurov писал(а):И как тогда узнать - в чем была проблема?dima7411 писал(а):Для чистоты эксперимента - занизить все скорости-ускорения раз в 10. И, конечно, см. выше.
Эффект тот же.
- michael-yurov
- Почётный участник

- Сообщения: 11731
- Зарегистрирован: 26 июл 2012, 00:10
- Репутация: 4703
- Настоящее имя: Михаил Львович
- Откуда: Новоуральск
- Контактная информация:
Re: Проблема с NSctudio- смещение мест обработки
Моей?Василий Владимирович писал(а):Если Вам не трудно то выложите скриншоты настройки Вашей nsctudio
Я ее не использую.
И у каждого свои настройки. На то они и настройки. Иначе программисты задали бы фиксированные значения.
Не понял, о чем речь. На какой картинке, что не влезло?Василий Владимирович писал(а):особенно меня интересуют цифры которые на моей "картинке№1", не влезли в скриншот - то что внизу
Там же названия есть у параметров - может проще напишите, что интересует?
Совсем не понимаю, о чем речь. 40 и 20 чего? Вроде бы там не должно быть подобных величин.Василий Владимирович писал(а):Я пробовал Изменять там значение - вместо 40 ставил 20 и размер квадрата и круга меняется в два раза.
А размер детали может зависеть только от размера шага, но это никак не 40 и не 20.
Не можете выставить 0,003125?Василий Владимирович писал(а):Возможно у меня стоят не правильные цифры, поэтому не могу выставить - 0,003125!
Так может стоит заменить запятую на точку, как на вашем скриншоте в #21 сообщении?
Эффект тот же - это смещение в момент быстрого перехода, и смещение на такую же величину?Василий Владимирович писал(а):Скорости я все уменьшал, так что станок еле ползал, и не только на рабочих скоростях, но и на скоростях перемещения инструмента.
Эффект тот же.
Я вообще предлагал не скорости уменьшать, а муфты изолентой обмотать, чтобы проверить на предмет резонансов.
И еще предлагал стартовую скорость поставить 0 вместо 180 мм/мин.
Ну и проверить фиксацию муфт предлагал.
- Василий Владимирович
- Мастер
- Сообщения: 315
- Зарегистрирован: 19 дек 2014, 08:34
- Репутация: 17
- Настоящее имя: Барвинов Василий Владимирович
- Откуда: Московская область, Наро-Фоминский район
- Контактная информация:
Re: Проблема с NSctudio- смещение мест обработки
стартовую скорость изменил с 180 на 0. Изолентой пока не обмотал. Я не всегда там бываю где стоит станок. Извините, что все рекомендации не выполнил, нехватка времени подкосила. Завтра постараюсь обязательно попасть к станку.
Там ниже на странице параметров есть - настройки параметров импорта.
Я к сожалению на скриншотах (сейчас в инете) не могу разобрать название графы, где установлено значение 40! качество скринов низкое.
Там ниже на странице параметров есть - настройки параметров импорта.
Я к сожалению на скриншотах (сейчас в инете) не могу разобрать название графы, где установлено значение 40! качество скринов низкое.
- Василий Владимирович
- Мастер
- Сообщения: 315
- Зарегистрирован: 19 дек 2014, 08:34
- Репутация: 17
- Настоящее имя: Барвинов Василий Владимирович
- Откуда: Московская область, Наро-Фоминский район
- Контактная информация:
Re: Проблема с NSctudio- смещение мест обработки
то что не влезло, я изобразил красным, жирным прямоугольником на картинке выше.
Значения 0.003125 - я не могу выставить не потому, что точку не поставил, а потому что размеры обработки потом совсем другие. Далекооооо, не те которые должны быть.
Значения 0.003125 - я не могу выставить не потому, что точку не поставил, а потому что размеры обработки потом совсем другие. Далекооооо, не те которые должны быть.
- Василий Владимирович
- Мастер
- Сообщения: 315
- Зарегистрирован: 19 дек 2014, 08:34
- Репутация: 17
- Настоящее имя: Барвинов Василий Владимирович
- Откуда: Московская область, Наро-Фоминский район
- Контактная информация:
Re: Проблема с NSctudio- смещение мест обработки
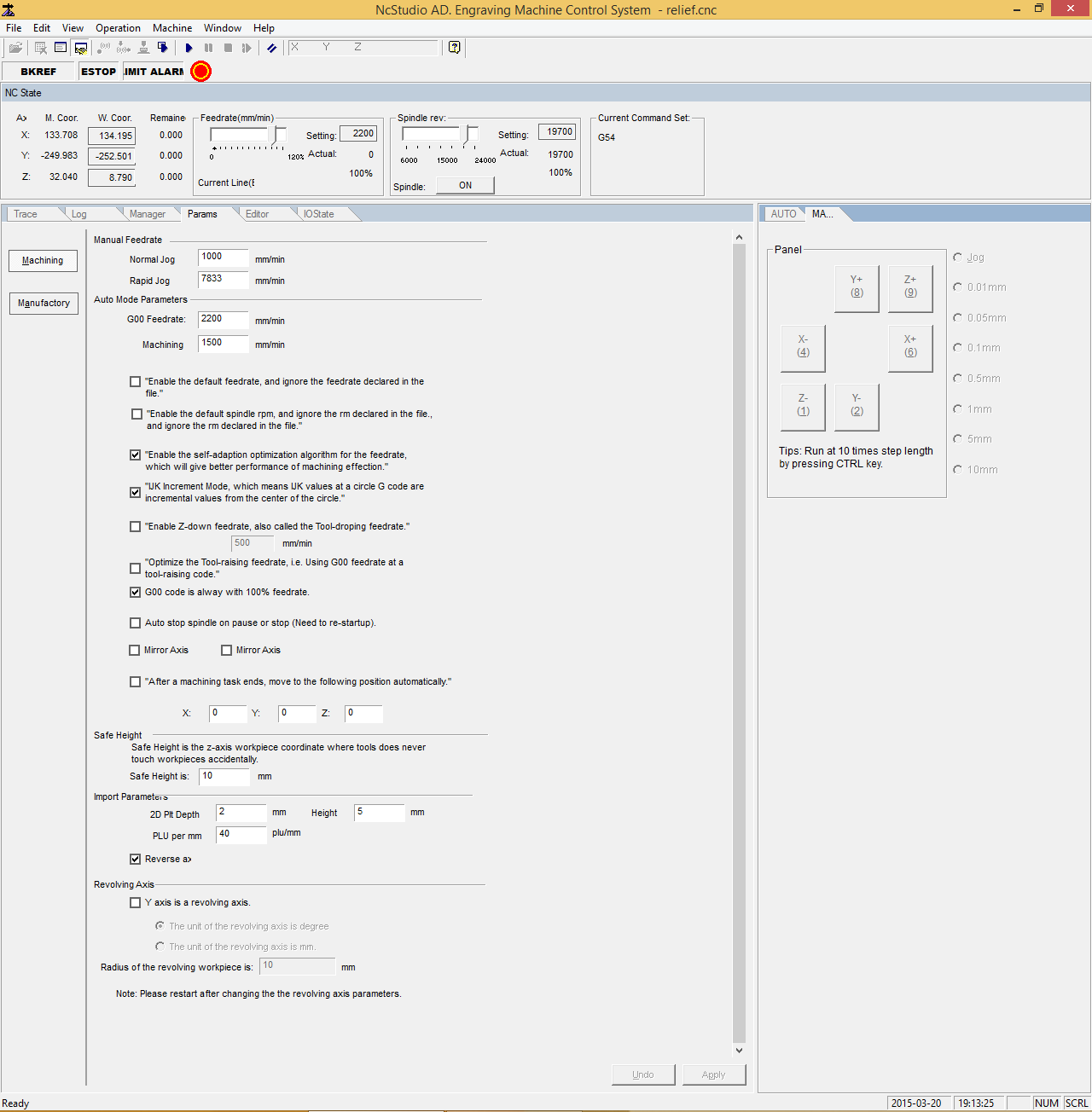
Значение 40 стоит в ячейке - PLU per mm, эта ячейка находится в разделе - Import parameters
вот если вместо 40 ставлю 20, то квадрат меняет размеры в ДВА!! Раза. Т.е. завтра попробую выставить шаг 1/8, 0.003125 и поиграть с этим параметром.
Первоначально, зафиксирую муфты изолентой и поставлю риски на валы.
Да и еще! посмотрю и выставлю правильно ток на драйверах. Как Вы и советуете.
вот если вместо 40 ставлю 20, то квадрат меняет размеры в ДВА!! Раза. Т.е. завтра попробую выставить шаг 1/8, 0.003125 и поиграть с этим параметром.
Первоначально, зафиксирую муфты изолентой и поставлю риски на валы.
Да и еще! посмотрю и выставлю правильно ток на драйверах. Как Вы и советуете.
- michael-yurov
- Почётный участник

- Сообщения: 11731
- Зарегистрирован: 26 июл 2012, 00:10
- Репутация: 4703
- Настоящее имя: Михаил Львович
- Откуда: Новоуральск
- Контактная информация:
Re: Проблема с NSctudio- смещение мест обработки
Нашел скриншот:
PLU - это Plot Units - размер единиц чтения из файла plt.
Это стоит настраивать в последнюю очередь. Я с плоттерными файлами дела никогда не имел. Ничего сказать о них не могу. Представляю только логику записи информации.
Вы пытаетесь вместо того, чтобы правильно настроить параметры станка - изменить масштаб чтения файлов. Это неправильно.
Это стоит настраивать в последнюю очередь. Я с плоттерными файлами дела никогда не имел. Ничего сказать о них не могу. Представляю только логику записи информации.
Вы пытаетесь вместо того, чтобы правильно настроить параметры станка - изменить масштаб чтения файлов. Это неправильно.
-
Yur_ra
- Опытный
- Сообщения: 161
- Зарегистрирован: 04 мар 2013, 16:09
- Репутация: 8
- Контактная информация:
Re: Проблема с NSctudio- смещение мест обработки
Ну вот похоже и причина всех проблем - не просто неправильно, а в корне непровильно!
Сам с plt на NCstudio не работал, но видел... Жуть непонятная неконтроллируемая и непредсказуемая случалась с ломанием фрез и пропаханными по диагонали заготовками (чудеса чвсто в подарок от корелдрова и подобных)
Да и plt для NCstudio припилен наверно по приципу "шоб було" - мож какие баги от программеров и остались, этот режим ведь наверняка никто не вылизывал.
Настоятельно советую не использовать plt - никогда не знаешь какой фокус станок отмочит в следующий раз.
У вас веть фрезер, а не принтер, вот и используйте NC стандарт - проблем у вас будет куда меньше..
Сам с plt на NCstudio не работал, но видел... Жуть непонятная неконтроллируемая и непредсказуемая случалась с ломанием фрез и пропаханными по диагонали заготовками (чудеса чвсто в подарок от корелдрова и подобных)
Да и plt для NCstudio припилен наверно по приципу "шоб було" - мож какие баги от программеров и остались, этот режим ведь наверняка никто не вылизывал.
Настоятельно советую не использовать plt - никогда не знаешь какой фокус станок отмочит в следующий раз.
У вас веть фрезер, а не принтер, вот и используйте NC стандарт - проблем у вас будет куда меньше..
Ломается всё, даже то что в принципе никогда не ломается... А я чиню.
- dima7411
- Почётный участник

- Сообщения: 1055
- Зарегистрирован: 26 янв 2014, 14:06
- Репутация: 337
- Настоящее имя: Дмитрий
- Откуда: Копейск
- Контактная информация:
Re: Проблема с NSctudio- смещение мест обработки
Дык с заведомо исправной УП тоже никак... Причем тут PLT? Параметры чтения у мене такие же, но это, не поможет, думаю... Хоть зачитайся...
Василий, а просто круг как получается...?
Обмотай изолентой муфты, пжалста... Опять таки для чистоты эксперимента...
Не в тему: лазил (по малолетству) в танке: там торсионы тоже были изолентой обмотаны! Зачем, интересно... Был у меня кусок той изоленты, смотанной с торсиона, нормально и потом клеился. Доказать не могу, кусок утерян, но ощущения остались.
Василий, а просто круг как получается...?
Обмотай изолентой муфты, пжалста... Опять таки для чистоты эксперимента...
Не в тему: лазил (по малолетству) в танке: там торсионы тоже были изолентой обмотаны! Зачем, интересно... Был у меня кусок той изоленты, смотанной с торсиона, нормально и потом клеился. Доказать не могу, кусок утерян, но ощущения остались.
Последний раз редактировалось dima7411 21 мар 2015, 01:02, всего редактировалось 1 раз.
- dima7411
- Почётный участник

- Сообщения: 1055
- Зарегистрирован: 26 янв 2014, 14:06
- Репутация: 337
- Настоящее имя: Дмитрий
- Откуда: Копейск
- Контактная информация:
Re: Проблема с NSctudio- смещение мест обработки
Просто не подходит. Просто не прижился в теме.Yur_ra писал(а):Да и plt для NCstudio припилен наверно по приципу "шоб було"
На плоттерах работает не хуже HPGL.
У меня вот тоже 4-й палец сломан на правой руке, зато в кабаке на стыдно...
-
Yur_ra
- Опытный
- Сообщения: 161
- Зарегистрирован: 04 мар 2013, 16:09
- Репутация: 8
- Контактная информация:
Re: Проблема с NSctudio- смещение мест обработки
Видел я "художества" plt и на плоттерах - готовый, вырезанный здоровенный лист плёнки аракал вдруг перечёркивается ножом по диагонали. И, да, были и смещения элементов, когда контура наслаивались и перерезали друг-друга, прям как круг с квадратом у топик стартера.dima7411 писал(а):Просто не подходит. Просто не прижился в теме.Yur_ra писал(а):Да и plt для NCstudio припилен наверно по приципу "шоб було"
На плоттерах работает не хуже HPGL.
У меня вот тоже 4-й палец сломан на правой руке, зато в кабаке на стыдно...
Ждём реакции автора темы- угадали мы "диагноз по звёздам" аль хреновые из нас экстрасенсы.
Ломается всё, даже то что в принципе никогда не ломается... А я чиню.
- Василий Владимирович
- Мастер
- Сообщения: 315
- Зарегистрирован: 19 дек 2014, 08:34
- Репутация: 17
- Настоящее имя: Барвинов Василий Владимирович
- Откуда: Московская область, Наро-Фоминский район
- Контактная информация:
Re: Проблема с NSctudio- смещение мест обработки
С диагнозом Вы не угадали. То что я написал что попробую подстроить данные цифры, относящиеся не к настройкам станка как таковым, а к настройкам импортированных данных для плоттера - это было. Не отпираюсь что возможно это моя ошибка, что я решился на это. Но ведь УП которую мне скинул коллега, я не менял, и не прогонял ни через какие построцессоры и прочее. И с ней тоже выходит -"засада" или "досада". Круг неровный, квадрат - квадратный и 100!!!!! мм. Щас пойду заматывать муфты изолентой и ставить риски на моторы. Фото сделаю и видео запишу. Приду выложу. Честно, замучил станок, уже больше месяца стоит.
- Василий Владимирович
- Мастер
- Сообщения: 315
- Зарегистрирован: 19 дек 2014, 08:34
- Репутация: 17
- Настоящее имя: Барвинов Василий Владимирович
- Откуда: Московская область, Наро-Фоминский район
- Контактная информация:
Re: Проблема с NSctudio- смещение мест обработки
Я с Вами полностью согласен. Это неправильно.michael-yurov писал(а):Нашел скриншот: PLU - это Plot Units - размер единиц чтения из файла plt.
Это стоит настраивать в последнюю очередь. Я с плоттерными файлами дела никогда не имел. Ничего сказать о них не могу. Представляю только логику записи информации.
Вы пытаетесь вместо того, чтобы правильно настроить параметры станка - изменить масштаб чтения файлов. Это неправильно.
- michael-yurov
- Почётный участник

- Сообщения: 11731
- Зарегистрирован: 26 июл 2012, 00:10
- Репутация: 4703
- Настоящее имя: Михаил Львович
- Откуда: Новоуральск
- Контактная информация:
Re: Проблема с NSctudio- смещение мест обработки
Вы не переживайте, никто ни в чем не обвиняет, и носом тыкать не будут.Василий Владимирович писал(а):Я с Вами полностью согласен. Это неправильно.
Так уж получается, что в технических вопросах проще сказать, как есть. Хотя выходит как-то грубо.
В общем-то и никаких отчетов и прочего никто не требует,
но, если честно - раз уж мы тут стали вникать в вашу задачу / проблему - хочется узнать в итоге "отгадку".
-
Yur_ra
- Опытный
- Сообщения: 161
- Зарегистрирован: 04 мар 2013, 16:09
- Репутация: 8
- Контактная информация:
Re: Проблема с NSctudio- смещение мест обработки
Всё страньше и страньше, сказала Алиса.
Да уж, Василий Владимирович, задал нам загадку ваш аппарат. Поставить вашей железке диагноз теперь прям дело принципа, уникальный, неизвестный медицинской практике случай, так сказать.
Если после выполнения программы станок возвращается в логические нули, то механика здесь не при чём, мучить муфты и тд и тп безполезно.
Тут нужно смотреть на логические системы координат, какой тип логики круговой интерпретации... Эх, нет нцстудии под рукой.
Нужно попробовать выполнить квадрат и круг без круговых интерполяций, исключительно кусочнолинейными отрезками и будем посмотреть
А если таки не возвращается и приходится базировать - скорее всего механика.
Был в практике случай когда станок и в пред осмотре показывал чёрт и-что - оказалась битая флешка которой приносили на станок программу.
Да уж, Василий Владимирович, задал нам загадку ваш аппарат. Поставить вашей железке диагноз теперь прям дело принципа, уникальный, неизвестный медицинской практике случай, так сказать.
Если после выполнения программы станок возвращается в логические нули, то механика здесь не при чём, мучить муфты и тд и тп безполезно.
Тут нужно смотреть на логические системы координат, какой тип логики круговой интерпретации... Эх, нет нцстудии под рукой.
Нужно попробовать выполнить квадрат и круг без круговых интерполяций, исключительно кусочнолинейными отрезками и будем посмотреть
А если таки не возвращается и приходится базировать - скорее всего механика.
Был в практике случай когда станок и в пред осмотре показывал чёрт и-что - оказалась битая флешка которой приносили на станок программу.
Ломается всё, даже то что в принципе никогда не ломается... А я чиню.
- Василий Владимирович
- Мастер
- Сообщения: 315
- Зарегистрирован: 19 дек 2014, 08:34
- Репутация: 17
- Настоящее имя: Барвинов Василий Владимирович
- Откуда: Московская область, Наро-Фоминский район
- Контактная информация:
Re: Проблема с NSctudio- смещение мест обработки
"..фары протирал, по колесам пинал..."
1. Изолентой зафиксировал муфты, риски сделал, проскальзываеия нет. - нет изменений
2. Заземлил все и вся - начиная от блока питания, оплеток на моторы, + компа. - нет изменений
3. выставил 1/8 и 0.00325 - размеры слетели.
4. Загнал УП после Арткама, после постпроцессора - тоже окружности и прямоугольники смещаются по осям Y / X
5. Три раза прочел - "шримадбхагаватам..." - не помогает
6. Шпиндель с платой подключил к второму блоку 200 W - то же самое.....
1. Изолентой зафиксировал муфты, риски сделал, проскальзываеия нет. - нет изменений
2. Заземлил все и вся - начиная от блока питания, оплеток на моторы, + компа. - нет изменений
3. выставил 1/8 и 0.00325 - размеры слетели.
4. Загнал УП после Арткама, после постпроцессора - тоже окружности и прямоугольники смещаются по осям Y / X
5. Три раза прочел - "шримадбхагаватам..." - не помогает
6. Шпиндель с платой подключил к второму блоку 200 W - то же самое.....
- Вложения
-
- при симуляции все норм, сбоку в программе видно, что я отредактировал подачу выставив на 500 вместо 3000, иначе станок "визжал". Это с отключенной галочкой в настройках - "не использовать настройки подачи из файла, а использовать настр. станка". При использовании настроек станка - то же самое получается.
- Василий Владимирович
- Мастер
- Сообщения: 315
- Зарегистрирован: 19 дек 2014, 08:34
- Репутация: 17
- Настоящее имя: Барвинов Василий Владимирович
- Откуда: Московская область, Наро-Фоминский район
- Контактная информация:
Re: Проблема с NSctudio- смещение мест обработки
Причем сколько раз не прогонял УП, в разных местах станка, везде одинаково получается. Ни на мм сдвига нет, хоть 20 раз прогонял!
- michael-yurov
- Почётный участник

- Сообщения: 11731
- Зарегистрирован: 26 июл 2012, 00:10
- Репутация: 4703
- Настоящее имя: Михаил Львович
- Откуда: Новоуральск
- Контактная информация:
Re: Проблема с NSctudio- смещение мест обработки
Я предлагал замотать сверху, чтобы при вибрации изолента поглощаля часть энергии.Василий Владимирович писал(а):Изолентой зафиксировал муфты, риски сделал, проскальзываеия нет. - нет изменений
Что-то жутко круг выглядит - это из за люфтов? Или часть импульсов Step съедается?
Ну и загадка!
Увидеть бы станок...
(могут конечно, закидать помидорами, но вы, если что отбивайтесь)
- Predator
- Мастер
- Сообщения: 9583
- Зарегистрирован: 18 июл 2013, 18:26
- Репутация: 2531
- Контактная информация:
Re: Проблема с NSctudio- смещение мест обработки
Вот именно, а то сидим тут гадаем, что из-за чегоmichael-yurov писал(а):Увидеть бы станок...